Operation CHARM: Car repair manuals for everyone.
Manuals through 2025 now available!

Our trusted friends have launched a new website named LEMON, which has newer manuals. It also contains all the CHARM manuals.

LEMON is the spiritual successor to CHARM, I recommend you try it!

Link: lemon-manuals.la or lemon-manuals.org.ua

(Some people have issue connecting. LEMON is investigating. For now, use Firefox or change your DNS server)

Or, hide this message: temporarily or permanently

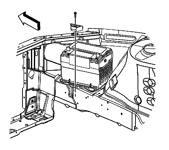
Battery Replacement



BATTERY REPLACEMENT

REMOVAL PROCEDURE

IMPORTANT: Do not tip the battery more than 40 degrees during removal.




1. Disconnect the negative battery cable.
2. Remove the right front diagonal brace.
3. Open the positive battery cable terminal cover (7).
4. Loosen the positive battery cable terminal nut.
5. Remove the positive battery cable terminal from the battery.




6. Remove the battery insulator.




7. Remove the battery hold down bolt and hold down.
8. Remove the battery.

INSTALLATION PROCEDURE

IMPORTANT: Do not tip the battery more than 40 degrees during installation.




1. Install the battery.
2. Install the battery hold down and bolt.

NOTE: Refer to Fastener Notice.

Tighten the bolt to 18 N.m (13 lb ft).




3. Install the battery insulator.




4. Install the positive battery cable terminal to the battery.
5. Tighten the positive battery cable terminal nut.

Tighten the nut to 15 N.m (11 lb ft).

6. Snap closed the positive battery cable terminal cover (7).
7. Install the right front diagonal brace.
8. Connect the negative battery cable.