Operation CHARM: Car repair manuals for everyone.
Manuals through 2025 now available!

Our trusted friends have launched a new website named LEMON, which has newer manuals. It also contains all the CHARM manuals.

LEMON is the spiritual successor to CHARM, I recommend you try it!

Link: lemon-manuals.la or lemon-manuals.org.ua

(Some people have issue connecting. LEMON is investigating. For now, use Firefox or change your DNS server)

Or, hide this message: temporarily or permanently

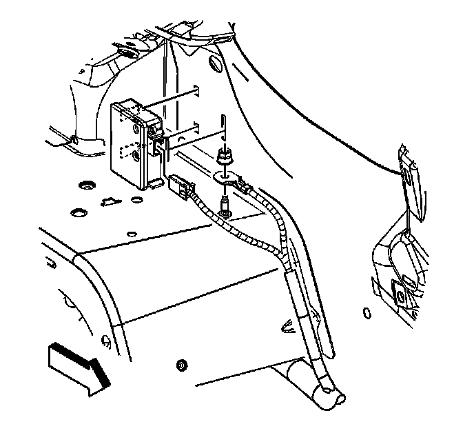
Remote Control Door Lock Receiver Replacement (Extended Sedan)



REMOTE CONTROL DOOR LOCK RECEIVER REPLACEMENT (EXTENDED SEDAN)

REMOVAL PROCEDURE
1. Remove the rear quarter lower trim panel.
2. Disconnect the electrical connectors from the receiver.




3. Remove the receiver from the vehicle.

INSTALLATION PROCEDURE




1. Install the receiver to the vehicle.
2. Connect the electrical connectors to the receiver.
3. Install the rear quarter lower trim panel.
4. The transmitter will need to be programmed after replacement. Refer to Transmitter Programming.