Operation CHARM: Car repair manuals for everyone.
Manuals through 2025 now available!

Our trusted friends have launched a new website named LEMON, which has newer manuals. It also contains all the CHARM manuals.

LEMON is the spiritual successor to CHARM, I recommend you try it!

Link: lemon-manuals.la or lemon-manuals.org.ua

(Some people have issue connecting. LEMON is investigating. For now, use Firefox or change your DNS server)

Or, hide this message: temporarily or permanently

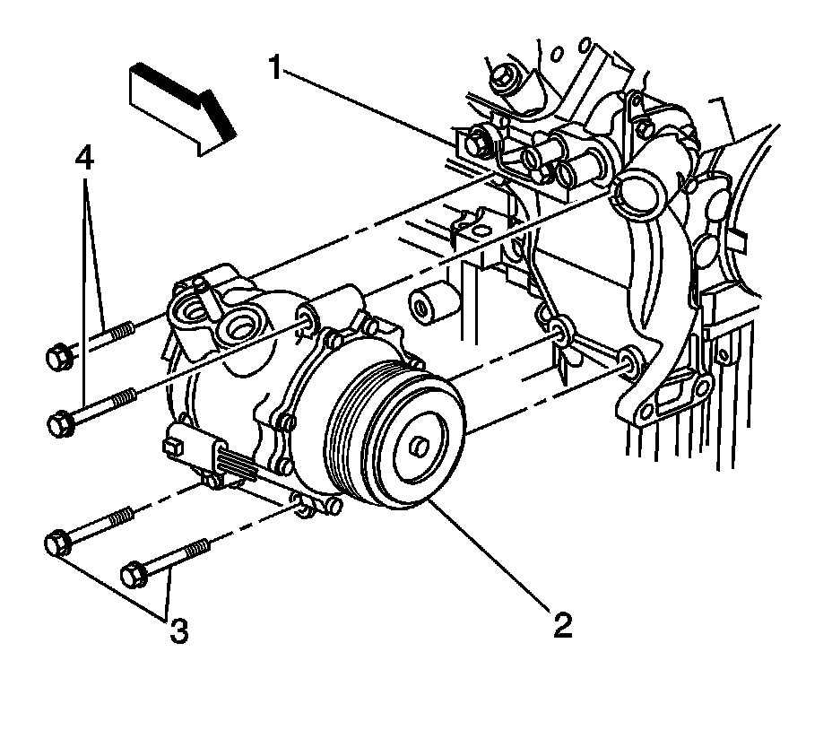
Compressor HVAC: Service and Repair



Compressor Replacement

Tools Required
J 39400-A Halogen Leak Detector

Removal Procedure
1. Recover the refrigerant.
2. Drain the cooling system.
3. Remove the cooling fan and shroud.
4. Remove the A/C drive belt.
5. Release the tension on the air conditioning drive belt.
6. Reposition the air conditioning drive belt from the compressor pulley.
7. Remove the compressor hose assembly.
8. Remove the lower coolant hose.





9. Remove the upper A/C compressor mounting bracket bolts (4).
10. Raise the vehicle.
11. Remove the lower A/C compressor mounting bracket bolts (3).
12. Remove the upper A/C compressor mounting bolts.
13. Remove the lower A/C compressor mounting bracket bolts. The accessory drive belt tensioner will be removed with one of the bolts.
14. Remove the last A/C compressor mounting bolt with the compressor removed from the engine.
15. Remove the electrical connection from the compressor.
16. Lower the vehicle.
17. Remove the A/C compressor from the bracket.
18. Remove the compressor.
19. If replacing the A/C compressor refer to Compressor Oil Balancing.

Installation Procedure

1. Add the proper amount of PAG oil to the compressor crankcase. Refer to Compressor Oil Balancing .
2. Install the A/C compressor.
3. Install the A/C compressor to the bracket.





4. Align the bracket with the long bolts before tightening the compressor (2) to the bracket (1).
5. Install the upper rear compressor mounting bolt.
Tighten the bolt to 50 N.m (37 lb ft).

Notice: Refer to Fastener Notice in Cautions and Notices.

6. Install the accessory drive belt tensioner to the compressor mounting bracket.
7. Install the bolts to the accessory drive belt tensioner.
Tighten the bolt to 50 N.m (37 lb ft).
8. Raise the vehicle.
9. Install the A/C compressor mounting bolts (3).
Tighten the bolts to 50 N.m (37 lb ft).
10. Connect the electrical connector to the A/C compressor.
11. Lower the vehicle.
12. Install the upper A/C compressor mounting bracket bolts (4).
Tighten the bolts to 50 N.m (37 lb ft).
13. Install the compressor hose assembly.
14. Install the lower coolant hose.
15. Install the A/C drive belt.
16. Install the fan and shroud.
17. Fill the cooling system.
18. Evacuate and recharge the A/C system.
19. Leak test the fittings of the component using the J 39400-A .the fittings of the component using the J 39400-A .