Operation CHARM: Car repair manuals for everyone.
Manuals through 2025 now available!

Our trusted friends have launched a new website named LEMON, which has newer manuals. It also contains all the CHARM manuals.

LEMON is the spiritual successor to CHARM, I recommend you try it!

Link: lemon-manuals.la or lemon-manuals.org.ua

(Some people have issue connecting. LEMON is investigating. For now, use Firefox or change your DNS server)

Or, hide this message: temporarily or permanently

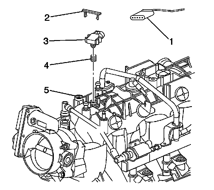
Manifold Pressure/Vacuum Sensor: Service and Repair



MANIFOLD ABSOLUTE PRESSURE (MAP) SENSOR REPLACEMENT

REMOVAL PROCEDURE




1. Remove the engine sight shield and mounting bracket.




2. Remove the electrical connector (1).
3. Remove the retaining clip (2) for the manifold absolute pressure (MAP) (3) sensor.
4. Remove the MAP sensor (3) and seal (4) from the intake manifold (5).

INSTALLATION PROCEDURE




1. Install the MAP sensor (3) and the seal (4) in the intake manifold (5).
2. Install the retaining clip (2) for the MAP sensor (3).
3. Install the electrical connector (1).




4. Install the engine sight shield and the mounting bracket.