Operation CHARM: Car repair manuals for everyone.
Manuals through 2025 now available!

Our trusted friends have launched a new website named LEMON, which has newer manuals. It also contains all the CHARM manuals.

LEMON is the spiritual successor to CHARM, I recommend you try it!

Link: lemon-manuals.la or lemon-manuals.org.ua

(Some people have issue connecting. LEMON is investigating. For now, use Firefox or change your DNS server)

Or, hide this message: temporarily or permanently

Oil Pressure Sensor: Service and Repair



Engine Oil Pressure Sensor and/or Switch Replacement

^ Tools Required
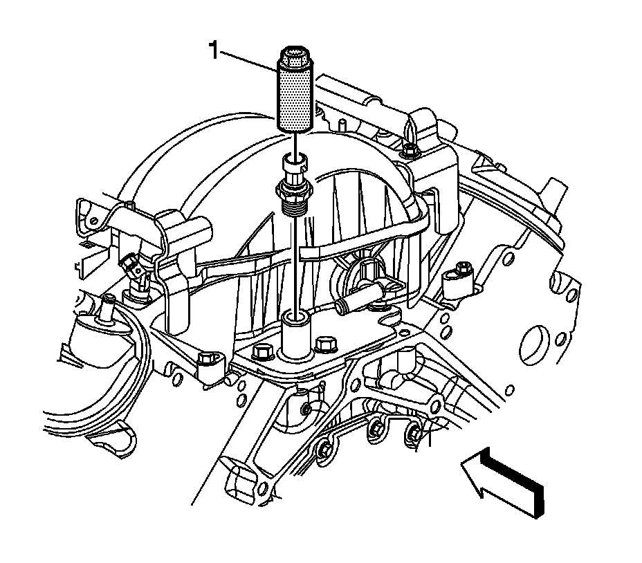
- J 41712 Oil Pressure Sensor Socket

Removal Procedure





1. Remove the left engine sight cover.
2. Clean area around the oil sensor/switch before removing it.
3. Remove the vacuum hose for the power brake booster.





4. Disconnect the electrical connector for the oil pressure sensor/switch (2).





5. Using the J 41712, remove the oil pressure sensor/switch.

Installation Procedure





1. If installing the old sensor, apply threadlocker sealant GM P/N 12346004 (Canadian P/N 10953480), or equivalent.

Notice: Refer to Fastener Notice in Service Precautions.

2. Using the J 41712, install the oil pressure sensor/switch.
Tighten the engine oil pressure sensor to 35 Nm (26 ft. lbs.).





3. Reconnect the oil pressure sensor/switch electrical connector (2).





4. Install the vacuum hose for the power brake booster.
5. Install the left engine sight cover.