Catalytic Converter: Service and Repair
Catalytic Converter Replacement (4.8L and 5.3L Engines)Removal Procedure
1. Raise and suitably support the vehicle. Refer to Vehicle Lifting.
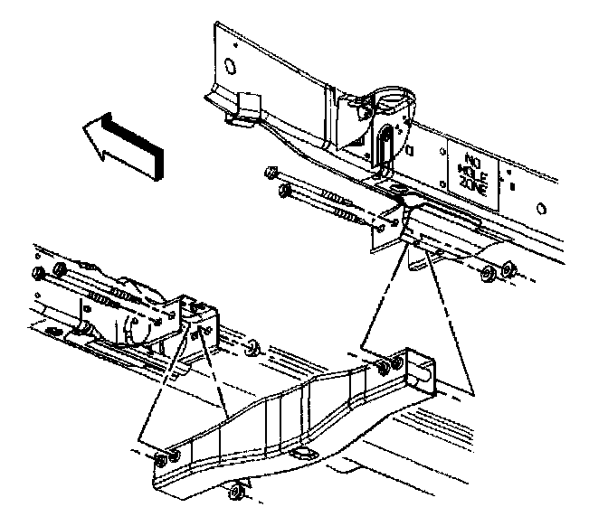
2. Support the transmission with a suitable transmission jack.
3. Remove the transmission mount to transmission support nuts.
4. Raise the transmission off of the transmission support.
5. Remove the transmission support crossmember bolts and nuts.
6. Remove the transmission support crossmember.
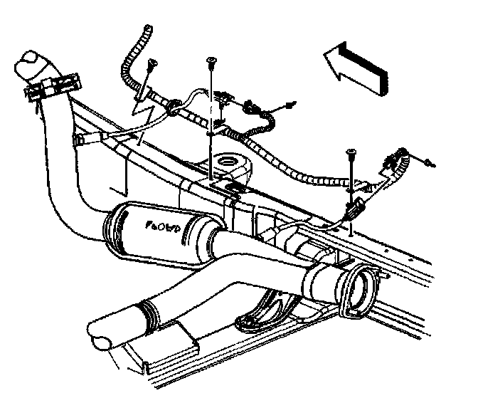
7. Remove the clip from around the engine harness and the oxygen sensor pigtail.
8. Disconnect the Connector Position Assurance (CPA) retainers.
9. Disconnect the oxygen sensor electrical connectors.
10. Unclip the oxygen sensor electrical connectors from the following:
- Hose clip
- Transmission crossmember
11. Disconnect the CPA retainers.
12. Disconnect the oxygen sensor electrical connectors (1, 2).
13. Remove the left exhaust manifold pipe nuts.
14. Remove the right exhaust manifold pipe nuts.
15. Remove the exhaust muffler nuts.
16. Remove the catalytic converter.
17. Remove the oxygen sensors if the catalytic converter is to be replaced.
Installation Procedure
Notice: Refer to Fastener Notice in Service Precautions.
1. If the catalytic converter was replaced, perform the following:
1.1. Apply anti-seize compound GM P/N 12377953 or equivalent to the threads of the old oxygen sensors.
1.2. Install the oxygen sensors.
Tighten the oxygen sensors to 42 Nm (31 ft. lbs.).
2. Install the catalytic convertor.
3. Install NEW exhaust manifold pipe seals to the exhaust manifolds.
4. Install the right exhaust manifold pipe nuts until sung.
5. Install the left exhaust manifold pipe nuts until snug.
6. Tighten the right and left exhaust manifold pipe nuts.
Tighten the nuts to 50 Nm (39 ft. lbs.).
7. Install the exhaust muffler nuts.
Tighten the nuts to 40 Nm (30 ft. lbs.).
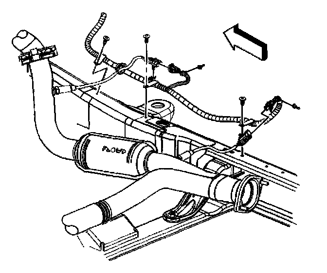
8. Connect the oxygen sensor electrical connectors (1, 2).
9. Connect the CPA retainers.
10. Clip the oxygen sensors electrical connectors to the following:
- Hose clip
- Transmission crossmember
11. Connect the oxygen sensor electrical connectors.
12. Connect the CPA retainers.
13. Install the clip around the engine harness and the oxygen sensor pigtail.
14. Install the transmission support crossmember.
15. Install the transmission support crossmember bolts and nuts.
Tighten the bolts to 95 Nm (70 ft. lbs.).
16. lower the transmission onto the transmission support.
17. Install the transmission mount to transmission support nuts.
Tighten the nuts to 40 Nm (30 ft. lbs.).
18. Remove the transmission jack.
19. Lower the vehicle.