Operation CHARM: Car repair manuals for everyone.
Manuals through 2025 now available!

Our trusted friends have launched a new website named LEMON, which has newer manuals. It also contains all the CHARM manuals.

LEMON is the spiritual successor to CHARM, I recommend you try it!

Link: lemon-manuals.la or lemon-manuals.org.ua

(Some people have issue connecting. LEMON is investigating. For now, use Firefox or change your DNS server)

Or, hide this message: temporarily or permanently

Power Locks: Service and Repair



LOCK MODULE REPLACEMENT - SLIDING DOOR

REMOVAL PROCEDURE
1. If equipped with a power sliding door, disable the PSD system by removing the PSD 15A fuse from the instrument panel (I/P) fuse block.

IMPORTANT: By removing the power sliding door (PSD) 15A fuse, the low current logic power for both the LH and RH power sliding door modules (PSDM) will be interrupted and both PSDs will be inoperative.




2. Manually open the power sliding door.
3. Remove the power sliding door water deflector.
4. Remove the forward screws.
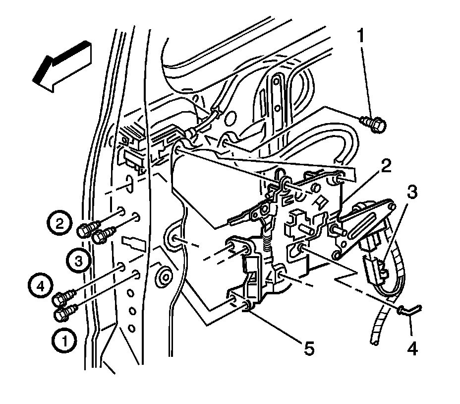
5. Remove the lock module screws (1).
6. Disconnect the electrical connector (3).
7. Disconnect the lock rods (4).
8. Lower the lock module into the door.




9. Disconnect the lock rod cable (1) from the lock module (2).
10. Carefully remove the lock module from the sliding door.

INSTALLATION PROCEDURE




1. Position the lock module to the inner door.
2. Connect the lock rods (4).
3. Connect the electrical connector (3).
4. Connect the door lock release cable to the lock module.
5. Position the lock module to the door.
6. Install the lock module screws (1).
7. Install the forward mounting bracket screws.

NOTE: Refer to Fastener Notice in Service Precautions.

1. Tighten the screws, in sequence as shown, to 10 N.m (89 lb in).
2. Tighten the top screw (1) to 10 N.m (89 lb in).

8. Ensure the rear latch rod is secured into the sliding door insulator guide.




9. Install the water deflector.
10. Close the sliding door.
11. If equipped with a power sliding door, enable the PSD system by installing the PSD 15A fuse into the I/P fuse block.

IMPORTANT: By installing the 15A fuse, the low current logic power will be restored to both the LH and RH PSDMs and the PSDs will be operational. However, both PSDMs will have to learn the full open and full closed positions of the PSD. Refer to Actuator Control Module - Power Sliding Door (PSD) Programming and Setup.