Operation CHARM: Car repair manuals for everyone.
Manuals through 2025 now available!

Our trusted friends have launched a new website named LEMON, which has newer manuals. It also contains all the CHARM manuals.

LEMON is the spiritual successor to CHARM, I recommend you try it!

Link: lemon-manuals.la or lemon-manuals.org.ua

(Some people have issue connecting. LEMON is investigating. For now, use Firefox or change your DNS server)

Or, hide this message: temporarily or permanently

Air Flow Meter/Sensor: Service and Repair



MASS AIRFLOW SENSOR/INTAKE AIR TEMPERATURE SENSOR REPLACEMENT

REMOVAL PROCEDURE




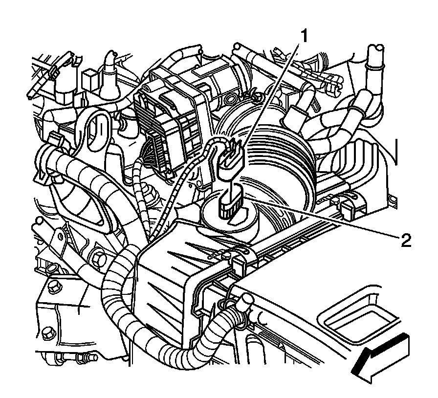
1. Disconnect the engine harness electrical connector (1) from the mass air flow (MAF)/intake air temperature (IAT) sensor.
2. Remove the air cleaner outlet duct.
3. Remove the MAF/IAT sensor (2) bolts.
4. Remove the MAF/IAT sensor (2) from the air filter housing.

INSTALLATION PROCEDURE




1. Install the MAF/IAT sensor (2) to the air filter housing.
2. Install the MAF/IAT sensor (2) bolts.

NOTE: Refer to Fastener Notice.

Tighten the bolts to 10 N.m (89 lb in).

3. Install the air cleaner outlet duct.
4. Connect the engine harness electrical connector (1) to the MAF/IAT sensor.
5. Start and idle the engine.
6. Inspect the air intake duct for leaks.