Manifold Pressure/Vacuum Sensor: Service and Repair
MANIFOLD ABSOLUTE PRESSURE SENSOR REPLACEMENT
REMOVAL PROCEDURE
1. Remove the intake manifold cover.
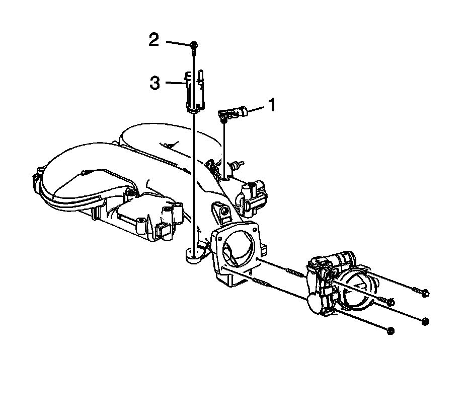
2. Disconnect the engine harness electrical connector (1) from the manifold absolute pressure (MAP) sensor.
3. Remove the MAP sensor bracket bolts and bracket.
4. Remove the MAP sensor (1).
5. Inspect the MAP sensor seal for damage, replace if necessary.
INSTALLATION PROCEDURE
1. Install the MAP sensor seal, if necessary.
2. Install the MAP sensor (1).
3. Install the MAP sensor bracket and bolts.
NOTE: Refer to Fastener Notice.
Tighten the bolts to 25 N.m (18 lb ft).
4. Connect the engine harness electrical connector (1) to the MAP sensor.
5. Install the intake manifold cover.