Operation CHARM: Car repair manuals for everyone.
Manuals through 2025 now available!

Our trusted friends have launched a new website named LEMON, which has newer manuals. It also contains all the CHARM manuals.

LEMON is the spiritual successor to CHARM, I recommend you try it!

Link: lemon-manuals.la or lemon-manuals.org.ua

(Some people have issue connecting. LEMON is investigating. For now, use Firefox or change your DNS server)

Or, hide this message: temporarily or permanently

Band Apply Servo: Service and Repair




2-4 Servo (5.3L)

Special Tools

J 29714-A Servo Cover Depressor

Removal Procedure

1. Raise and support the vehicle. Refer to Lifting and Jacking the Vehicle (Service and Repair).
2. Remove the front propeller shaft. Refer to Front Propeller Shaft Replacement (Front Propeller Shaft Replacement).
3. Remove the right catalytic converter. Refer to Catalytic Converter Replacement - Right Side (LH8) (Catalytic Converter Replacement - Right Side).




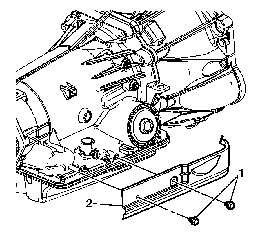
4. Remove the heat shield bolts (1).
5. Remove the heat shield (2).
6. Clean away all dirt and debris from the 2-4 servo cover area.
7. Remove a single transmission oil pan bolt.




8. Install the J 29714-A in place of the transmission oil pan bolt.
9. Tighten the bolt in order to compress the servo cover.




10. Remove the servo cover retaining ring.
11. Remove the J 29714-A .




12. Remove the servo cover and the O-ring seal. If the cover is hung up on the seal, use a pick (2) to pull and stretch the seal (1) out of the groove. Cut and remove the O-ring seal before removing the cover.




13. Remove the 2-4 servo from the transmission.
14. Inspect the 4th apply piston, 2-4 servo converter, 2nd apply piston, and the servo piston inner housing for the following defects.

* Cracks
* Scoring
* Burrs and nicks

15. Disassemble the 2-4 servo if necessary. Refer to 2-4 Band Servo 2nd Apply Piston Disassemble (Overhaul).
16. Clean and inspect the 2-4 servo. Refer to 2-4 Band Servo Piston Pin Length Check (Overhaul).

Installation Procedure

1. Assemble the 2-4 servo if previously disassembled. Refer to 2-4 Servo Assembly Installation (Overhaul).
2. Lightly lubricate the seals with clean transmission fluid.
3. Install new seals on the servo pistons and the servo cover.




4. Install the 2-4 servo assembly into the transmission.
5. Install the J 29714-A to the transmission oil pan flange.




6. Tighten the bolt in order to compress the servo cover.
7. Install the servo cover retaining ring.
8. Remove the J 29714-A .

Caution: Refer to Fastener Caution (Fastener Caution).

9. Install the oil pan bolt and tighten to 11 Nm (97 lb in).




10. Install the heat shield (2).
11. Install the heat shield bolts (1) and tighten to 10 Nm (89 lb in).
12. Install the left catalytic converter. Refer to Catalytic Converter Replacement - Left Side (LH8) (Catalytic Converter Replacement - Left Side).
13. Install the front propeller shaft. Refer to Front Propeller Shaft Replacement (Front Propeller Shaft Replacement).
14. Lower the vehicle.
15. Fill the transmission to the proper level. Refer to Transmission Fluid Check (Transmission Fluid Checking Procedure).

Note: It is recommended that transmission adaptive pressure (TAP) information be reset.

Resetting the TAP values using a scan tool will erase all learned values in all cells. As a result, The ECM, PCM or TCM will need to relearn TAP values. Transmission performance may be affected as new TAP values are learned.

16. Reset the TAP values. Refer to Transmission Adaptive Functions (Transmission Adaptive Functions).