Operation CHARM: Car repair manuals for everyone.
Manuals through 2025 now available!

Our trusted friends have launched a new website named LEMON, which has newer manuals. It also contains all the CHARM manuals.

LEMON is the spiritual successor to CHARM, I recommend you try it!

Link: lemon-manuals.la or lemon-manuals.org.ua

(Some people have issue connecting. LEMON is investigating. For now, use Firefox or change your DNS server)

Or, hide this message: temporarily or permanently

Transmission Replacement




Transmission Replacement (2WD 5.3L)

Special Tools

J 21366 Converter Holding Strap

Removal Procedure

1. Ensure the vehicle is in the park position.
2. Remove the filler tube. Refer to Transmission Fluid Filler Tube and Seal Replacement (5.3L) (Service and Repair)Transmission Fluid Filler Tube and Seal Replacement (2.9L, 3.7L) (Service and Repair).
3. Remove the right and left catalytic converters. Refer to Catalytic Converter Replacement - Right Side (LH8) (Catalytic Converter Replacement - Right Side) and Catalytic Converter Replacement - Left Side (LH8) (Catalytic Converter Replacement - Left Side).




4. Remove the right heat shield bolts (1).
5. Remove the right heat shield (2).




6. Remove the left heat shield bolts (1).
7. Remove the left heat shield (2).





Note: Do not pull on the boot portion of the cable.

8. Disconnect the range selector cable end (3) from the range selector lever.
9. Remove the retainer (1) from the range selector cable (2).
10. Push the range selector cable locking tabs (2) inward toward each other to release the cable from the bracket.




11. Disconnect the following engine wiring harness electrical connectors:

* The heated oxygen sensor (6)
* The transmission main connector (5)
* The vehicle speed sensor (VSS) (1)

12. Remove the screw (4) securing the engine wiring harness (3) to the right side of the transmission, and position the harness over the transmission.




13. Disconnect the park/neutral back up switch electrical connector (3).
14. Remove the screw (2) securing the engine wiring harness (1) to the left side of the transmission, and position the wiring harness aside.




15. Remove the nut (2) securing the fuel hose/pipe bracket (1) to the transmission.




16. Remove the screw (5) securing the fuel hose/pipe bracket (4) to the transmission.
17. Remove the nut (2) securing the fuel hose/pipe bracket (1) to the transmission.




18. Remove the bolt (1) securing the fuel hose/pipe bracket (2) to the transmission crossmember.




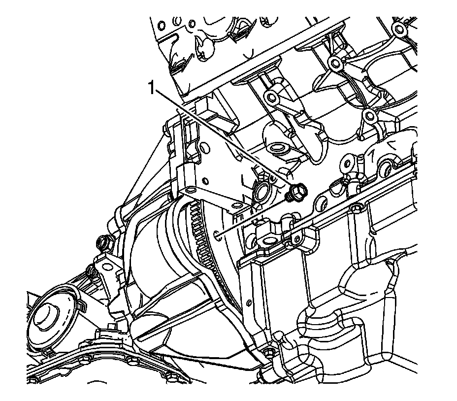
19. Remove the inspection plug (3) from the transmission (1).
20. Mark the torque converter to flexplate/flywheel orientation to ensure proper realignment.




21. Remove the left flywheel inspection cover bolt (1).
22. Remove the left flywheel inspection cover (2).
23. Remove the starter motor. Refer to Starter Motor Replacement (LLV/LLR) (Service and Repair)Starter Motor Replacement (LH8) (Service and Repair).




24. Remove the right flywheel inspection cover bolt (1).
25. Remove the right flywheel inspection cover (2).
26. Remove the engine protection shield. Refer to Engine Protection Shield Replacement (Service and Repair).




27. Repeat the following steps for all torque converter bolts:

* Rotate the harmonic balancer center bolt clockwise ONLY, in order to access the torque converter bolt.
* Remove the torque converter bolt:

28. Place an oil pan under the transmission fluid cooler pipes.
29. Disconnect the transmission oil cooler pipes from the transmission ONLY. Refer to Transmission Fluid Cooler Hose/Pipe Replacement (Service and Repair).
30. Plug the open outlet ports to prevent fluid loss and contamination.
31. Drain the transmission fluid if necessary. Refer to Automatic Transmission Fluid and Filter Replacement (Removal and Replacement).
32. Support and secure the transmission using a suitable transmission jack.
33. Remove the transmission crossmember. Refer to Transmission Support Crossmember Replacement (2WD) (Transmission Support Crossmember Replacement)Transmission Support Crossmember Replacement (4WD) (Transmission Support Crossmember Replacement).
34. Remove the transfer case assembly.




35. Remove the 2 transmission mounting studs (1).
36. Remove the 6 transmission mounting bolts (2, 3).
37. Separate the transmission from the engine alignment dowels.

Note: Ensure clearance is maintained between the transmission and the following:

* The engine wiring harness
* The fuel hose/pipe brackets
* The transmission oil cooler pipes

38. Using the transmission jack, carefully lower the transmission from the vehicle.




39. Install the J 21366 onto the transmission bell housing to retain the torque converter.
40. Perform the flush and flow test on the automatic transmission oil cooler. Refer to Transmission Fluid Cooler Flushing and Flow Test (J 45096) (Automatic Transmission Oil Cooler Flushing and Flow Test (J 45096))Transmission Fluid Cooler Flushing and Flow Test (J 35944-A) (Automatic Transmission Oil Cooler Flushing and Flow Test (J 35944-A)).

Installation Procedure




1. Remove the J 21366 from the transmission.
2. Ensure the torque converter is fully engaged with the transmission oil pump.

Note: Ensure clearance is maintained between the transmission and the following:

* The engine wiring harness
* The fuel hose/pipe brackets
* The transmission oil cooler pipes

3. Using the transmission jack, carefully raise the transmission to the engine.




4. Align the transmission with the engine alignment dowels.

Caution: Refer to Fastener Caution (Fastener Caution).

Note: Ensure the torque converter turns freely while tightening the transmission mounting bolts.

5. Install the 6 transmission mounting bolts (2, 3).

Tighten the bolts to 50 Nm (37 lb ft).

6. Install the 2 transmission mounting studs (1).

Tighten the studs to 50 Nm (37 lb ft).

7. Install the transfer case assembly.
8. Install the transmission crossmember. Refer to Transmission Support Crossmember Replacement (2WD) (Transmission Support Crossmember Replacement)Transmission Support Crossmember Replacement (4WD) (Transmission Support Crossmember Replacement).
9. Remove the transmission jack from under the vehicle.
10. Connect the transmission oil cooler pipes to the transmission. Refer to Transmission Fluid Cooler Hose/Pipe Replacement (Service and Repair).
11. Align the torque converter to flexplate/flywheel orientation marks made during the removal procedure.




12. Repeat the following steps for all 3 torque converter bolts:

1. Rotate the harmonic balancer center bolt clockwise ONLY, in order to access the torque converter bolt holes.
2. To aid in alignment of the torque converter to the flexplate/flywheel. Install all 3 torque converter bolts before fully tightening using one of the following:

Tighten the torque converter bolts to 60 Nm (44 lb ft).

13. Install the engine protection shield. Refer to Engine Protection Shield Replacement (Service and Repair).




14. Install the right flywheel inspection cover (2).
15. Install the right flywheel inspection cover bolt (1).

Tighten the bolt to 10 Nm (89 lb in).

16. Install the starter motor. Refer to Starter Motor Replacement (LLV/LLR) (Service and Repair)Starter Motor Replacement (LH8) (Service and Repair).




17. Install the left flywheel inspection cover (2).
18. Install the left flywheel inspection cover bolt (1).

Tighten the bolt to 10 Nm (89 lb in).




19. Install the inspection plug (3) to the transmission (1).




20. Install the bolt (1) securing the fuel hose/pipe bracket (2) to the transmission crossmember.

Tighten the bolt to 20 Nm (15 lb ft).




21. Install the nut (2) securing the fuel hose/pipe bracket (1) to the transmission.

Tighten the nut to 20 Nm (15 lb ft).

22. Install the screw (5) securing the fuel hose/pipe bracket (4) to the transmission.

Tighten the screw to 9 Nm (80 lb in).




23. Install the nut (2) securing the fuel hose/pipe bracket (1) to the transmission.

Tighten the nut to 20 Nm (15 lb ft).




24. Connect the park/neutral back up switch electrical connector (3).
25. Install the screw (2) securing the engine wiring harness (1) to the left side of the transmission.

Tighten the screw to 9 Nm (80 lb in).




26. Connect the following engine wiring harness electrical connectors:

* The heated oxygen sensor (6)
* The transmission main connector (5)
* The vehicle speed sensor (VSS) (1)

27. Install the screw (4) securing the engine wiring harness (3) to the right side of the transmission.

Tighten the screw to 9 Nm (80 lb in).

Note: Ensure the range selector cable is routed exactly as originally positioned in the vehicle to avoid coming into contact with potential hazards such as hot, sharp, and moving objects.




28. Install the range selector cable (2) to the range selector cable bracket. Ensure the range selector cable retaining tabs fully engage the range selector cable bracket.
29. Install the retainer (1) to the range selector cable (2).
30. Connect the range selector cable end (3) to the transaxle range switch lever.




31. Install the left heat shield (2).
32. Install the left heat shield bolts (1).

Tighten the bolts to 10 Nm (89 lb in).




33. Install the right heat shield (2).
34. Install the right heat shield bolts (1).

Tighten the bolts to 10 Nm (89 lb in).

35. Install the right and left catalytic converters. Refer to Catalytic Converter Replacement - Right Side (LH8) (Catalytic Converter Replacement - Right Side) and Catalytic Converter Replacement - Left Side (LH8) (Catalytic Converter Replacement - Left Side).
36. Install the filler tube. Refer to Transmission Fluid Filler Tube and Seal Replacement (5.3L) (Service and Repair)Transmission Fluid Filler Tube and Seal Replacement (2.9L, 3.7L) (Service and Repair).
37. Fill the transmission fluid if necessary. Refer to Automatic Transmission Fluid and Filter Replacement (Removal and Replacement).
38. Adjust the automatic transmission range selector cable. Refer to Range Selector Lever Cable Adjustment (5.3L) (Adjustments)Range Selector Lever Cable Adjustment (2.9L and 3.7L) (Adjustments).
39. Lower the vehicle.

Transmission Final Test and Inspection

Complete the following procedure after the transmission is installed in the vehicle:

1. With the ignition OFF or disconnected, crank the engine several times. Listen for any unusual noises or evidence that any parts are binding.
2. Place transmission in neutral, start the engine and listen for any unusual noises or evidence that any parts are binding.
3. While the engine continues to idle raise and support the vehicle. Refer to Lifting and Jacking the Vehicle (Service and Repair).
4. Perform a final inspection for the proper fluid level. Refer to Transmission Fluid Check (Transmission Fluid Checking Procedure).
5. Lower the vehicle.

Note: It is recommended that transmission adaptive pressure (TAP) information be reset.

Resetting the TAP values using a scan tool will erase all learned values in all cells. As a result, The ECM, PCM or TCM will need to relearn TAP values. Transmission performance may be affected as new TAP values are learned.

6. Reset the TAP values. Refer to Transmission Adaptive Functions (Transmission Adaptive Functions).
7. Road test the vehicle.