Operation CHARM: Car repair manuals for everyone.
Manuals through 2025 now available!

Our trusted friends have launched a new website named LEMON, which has newer manuals. It also contains all the CHARM manuals.

LEMON is the spiritual successor to CHARM, I recommend you try it!

Link: lemon-manuals.la or lemon-manuals.org.ua

(Some people have issue connecting. LEMON is investigating. For now, use Firefox or change your DNS server)

Or, hide this message: temporarily or permanently

Oil Pressure Sensor: Service and Repair




Engine Oil Pressure Sensor and/or Switch Replacement

Removal Procedure




1. Raise and support the vehicle. Refer to Lifting and Jacking the Vehicle (Service and Repair).
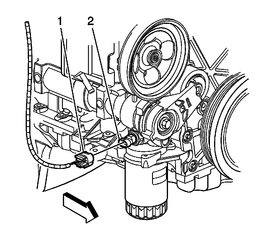
2. Disconnect the engine wiring harness electrical connector (1) from the oil pressure switch (2).




3. Remove the engine oil pressure switch.

Installation Procedure





Caution: Refer to Component Fastener Tightening Caution (Component Fastener Tightening Caution).

1. Install the engine oil pressure switch and tighten to 20 Nm (15 lb ft).




2. Connect the engine wiring harness electrical connector (1) to the oil pressure switch (2).
3. Lower the vehicle.