Operation CHARM: Car repair manuals for everyone.
Manuals through 2025 now available!

Our trusted friends have launched a new website named LEMON, which has newer manuals. It also contains all the CHARM manuals.

LEMON is the spiritual successor to CHARM, I recommend you try it!

Link: lemon-manuals.la or lemon-manuals.org.ua

(Some people have issue connecting. LEMON is investigating. For now, use Firefox or change your DNS server)

Or, hide this message: temporarily or permanently

Electrical Diagrams



ENGINE CONTROLS SCHEMATICS

Power, Ground, Serial Data, and MIL







Engine Data Sensors - 5-Volt and Low Reference







Engine Data Sensors - Pressure and Temperature







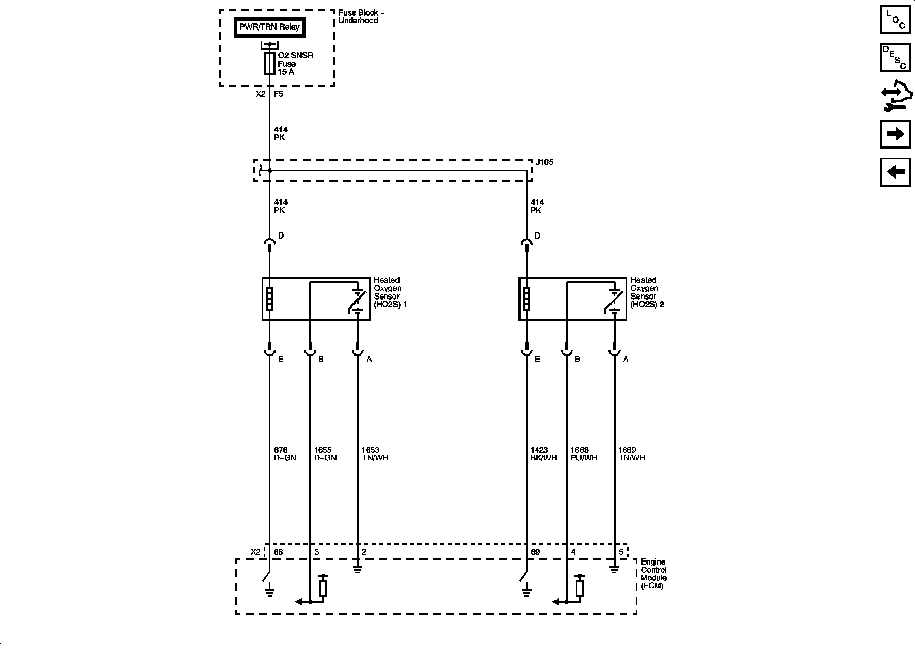
Engine Data Sensors - Heated Oxygen Sensors







Engine Data Sensors - Throttle Controls







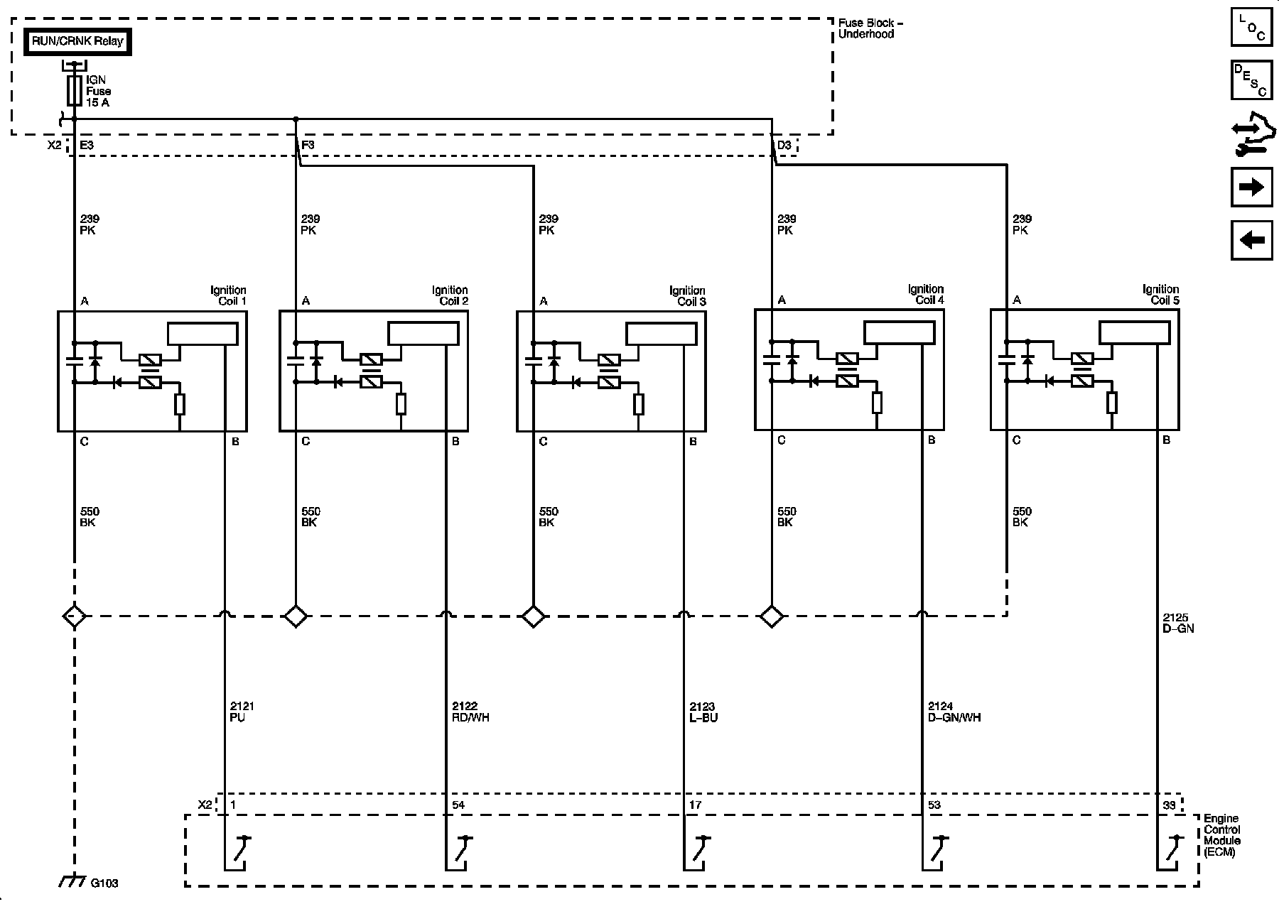
Ignition Controls - Ignition System Coils







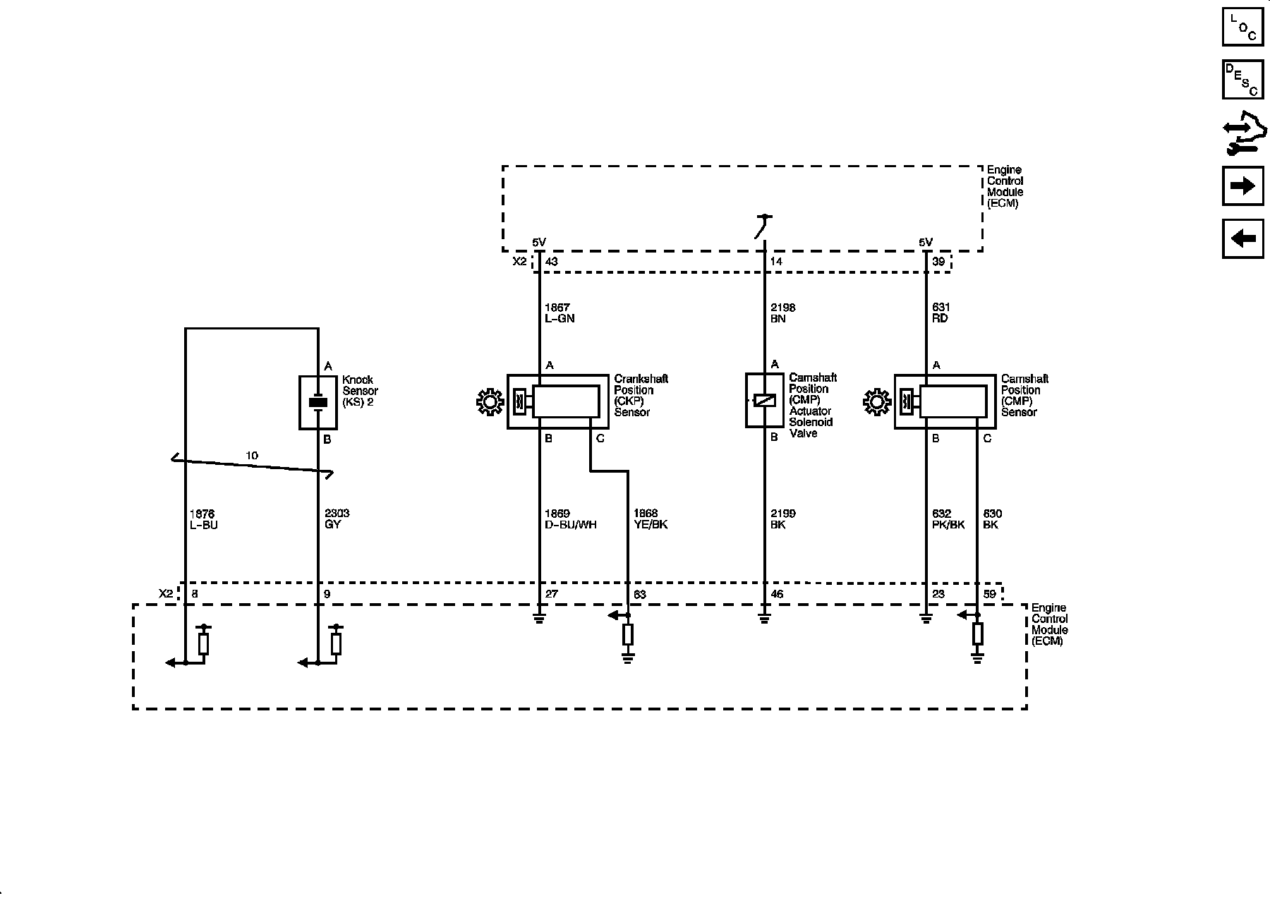
Ignition Controls - Sensors







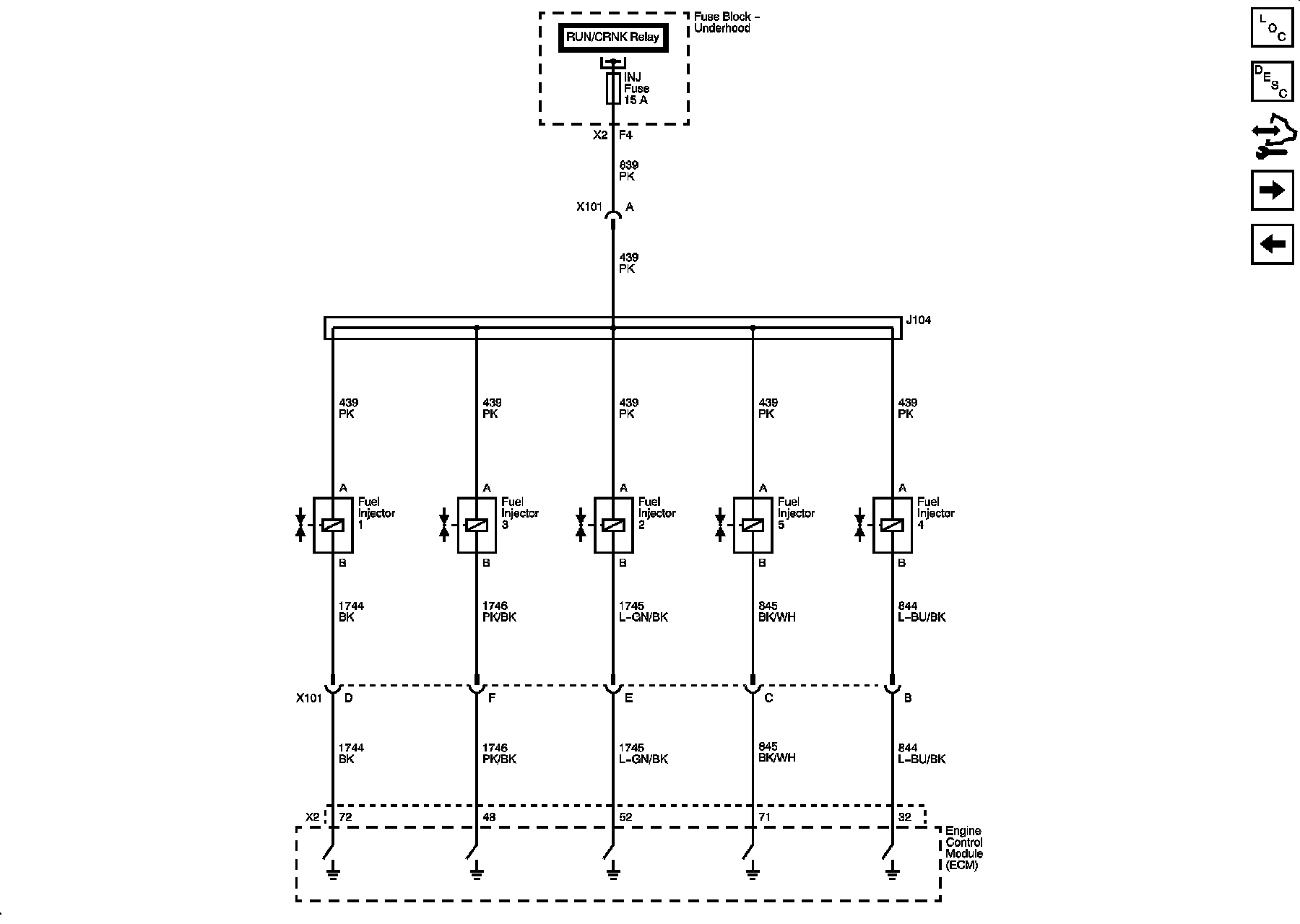
Fuel Controls - Fuel Injectors







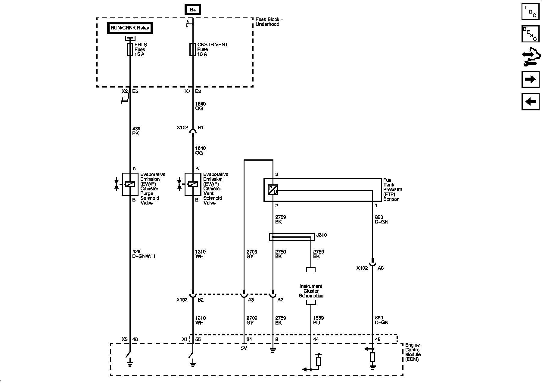
Fuel Controls - Fuel Pump and EVAP Controls







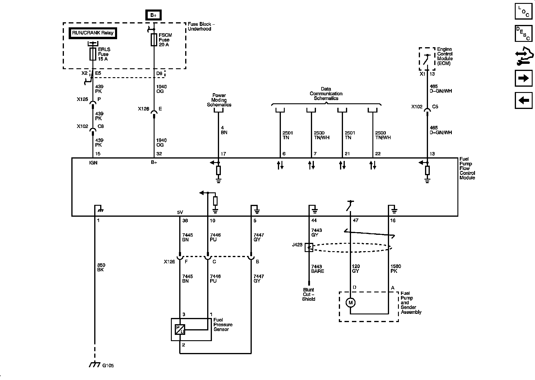
Fuel Controls - Fuel Pump Controls







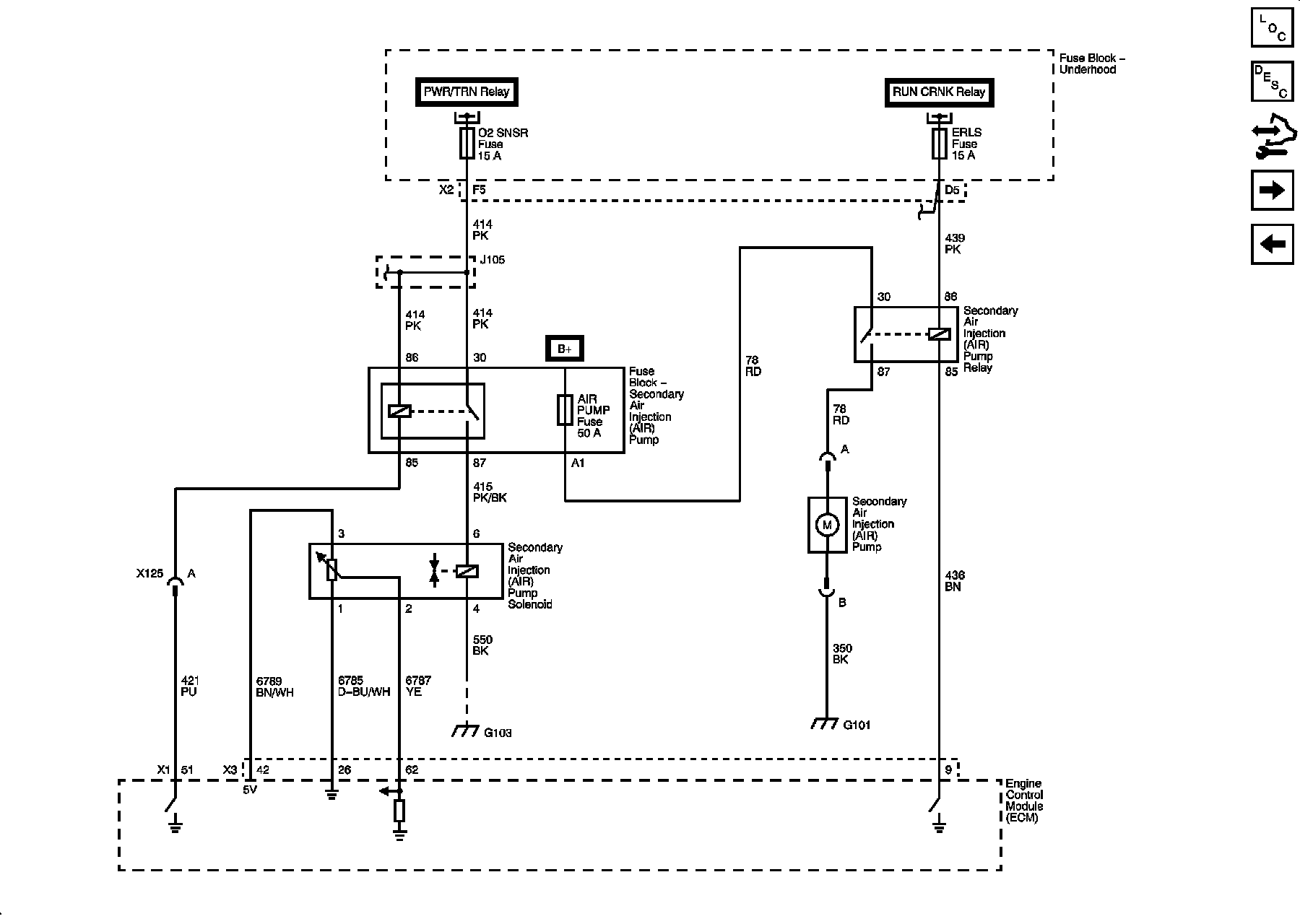
Device Controls - Secondary Air Injection K18







Controlled/Monitored Subsystem References







Locations: The locations for the Connectors, Grounds, Splices, and Grommets shown within these diagrams can be found via their numbers at Vehicle Locations. Locations