Operation CHARM: Car repair manuals for everyone.
Manuals through 2025 now available!

Our trusted friends have launched a new website named LEMON, which has newer manuals. It also contains all the CHARM manuals.

LEMON is the spiritual successor to CHARM, I recommend you try it!

Link: lemon-manuals.la or lemon-manuals.org.ua

(Some people have issue connecting. LEMON is investigating. For now, use Firefox or change your DNS server)

Or, hide this message: temporarily or permanently

Antilock Brakes / Traction Control Systems




Antilock Brake System Schematics

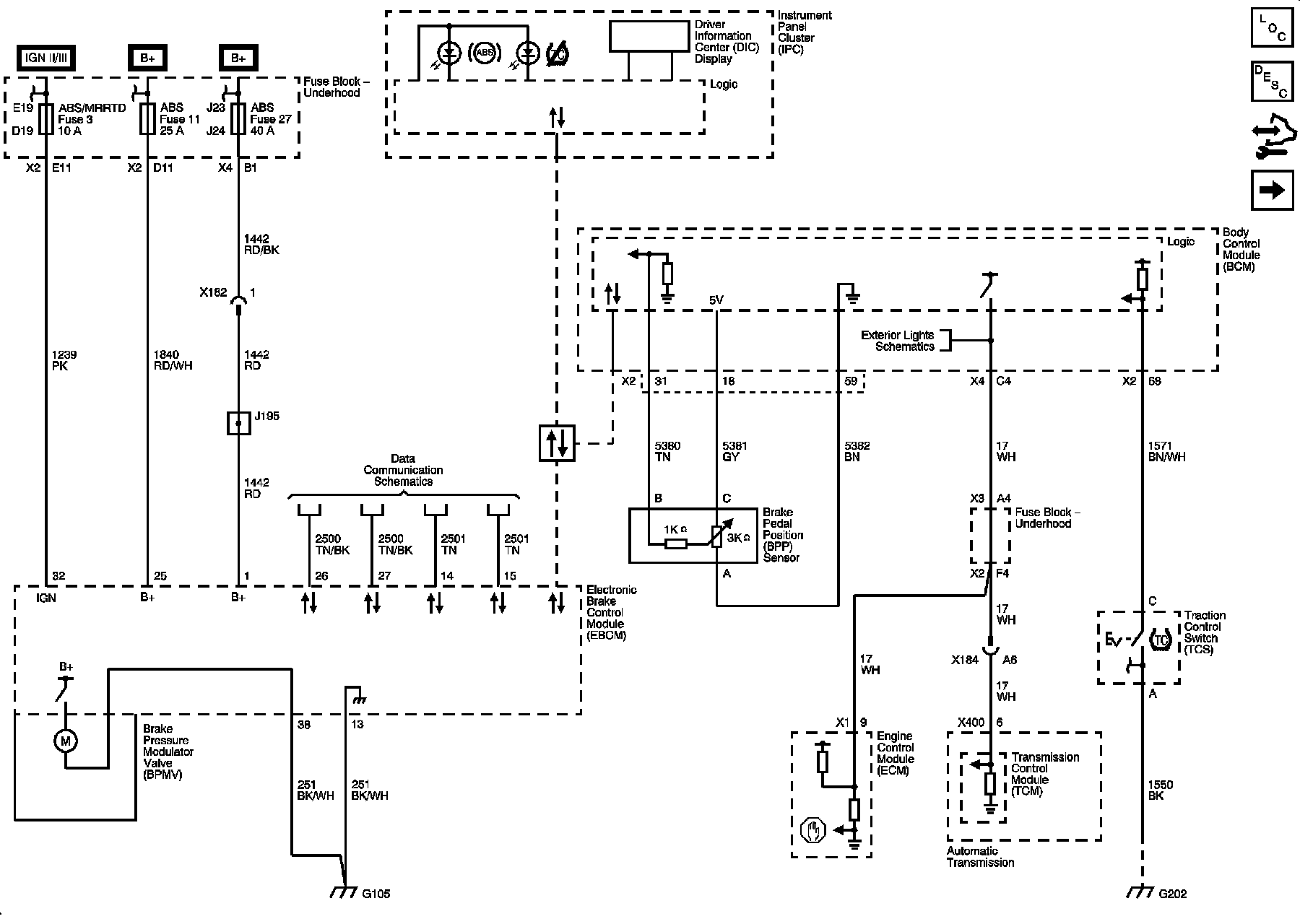
Power, Ground, Indicators, Brake Pressure Modulator Valve, Brake Pedal Position (BPP) Sensor, and Traction Control Switch





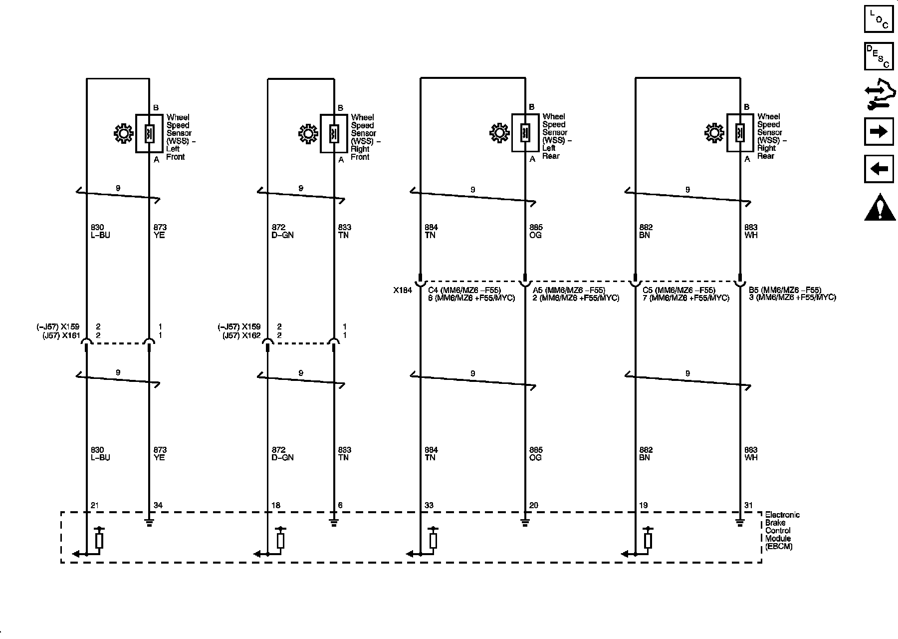
Wheel Speed Sensors





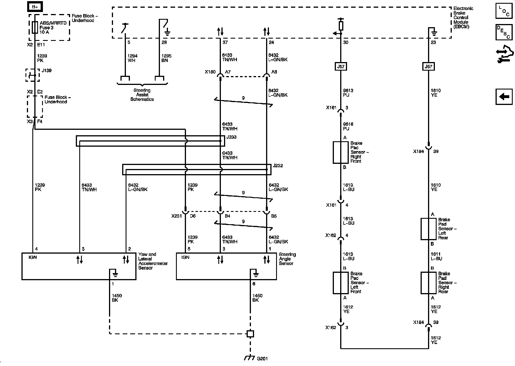
Stability Controls Sensors (JL4), and Brake Pad Sensors (J57)