Operation CHARM: Car repair manuals for everyone.
Manuals through 2025 now available!

Our trusted friends have launched a new website named LEMON, which has newer manuals. It also contains all the CHARM manuals.

LEMON is the spiritual successor to CHARM, I recommend you try it!

Link: lemon-manuals.la or lemon-manuals.org.ua

(Some people have issue connecting. LEMON is investigating. For now, use Firefox or change your DNS server)

Or, hide this message: temporarily or permanently

Electrical Diagrams



ENGINE CONTROLS SCHEMATICS

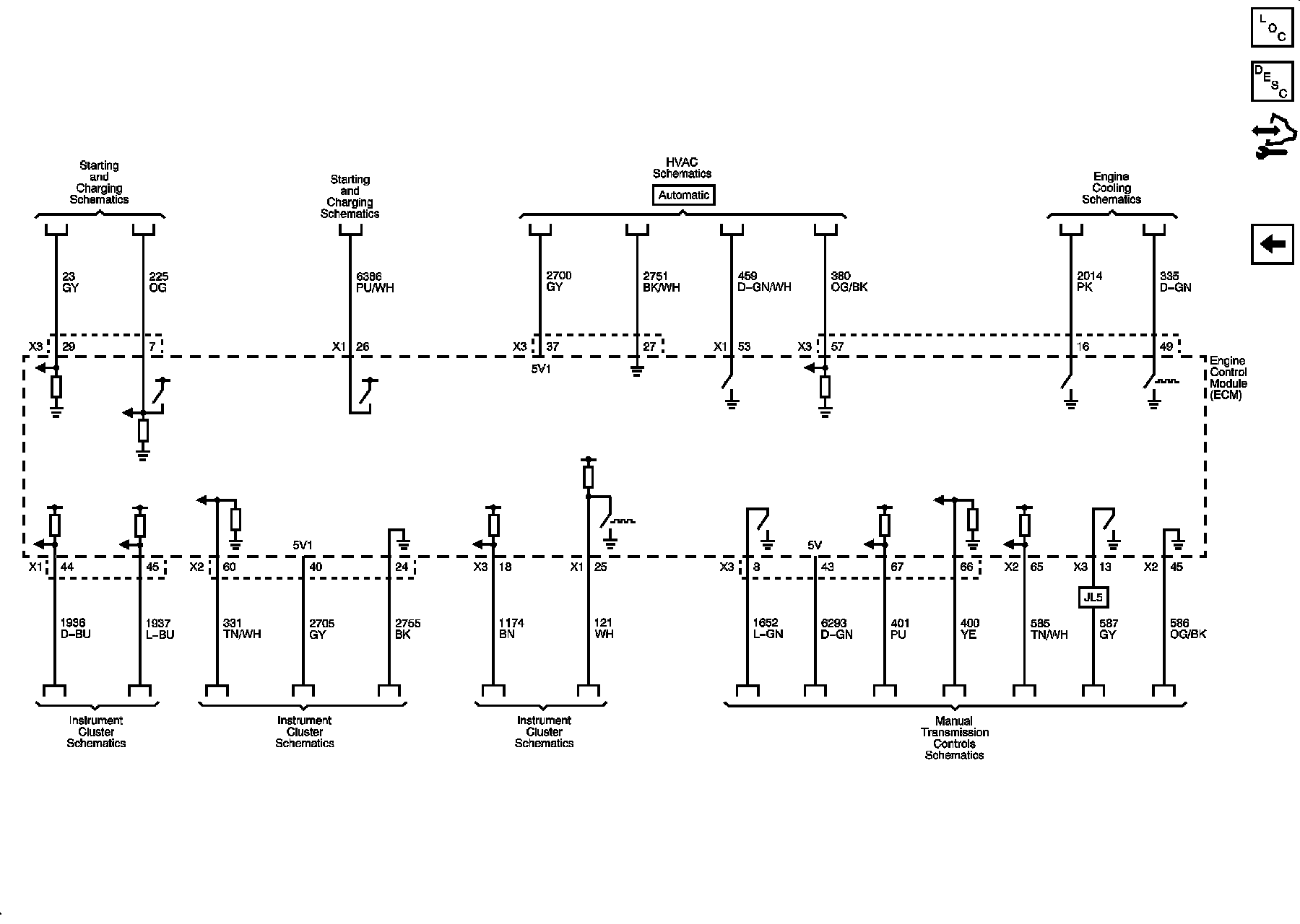
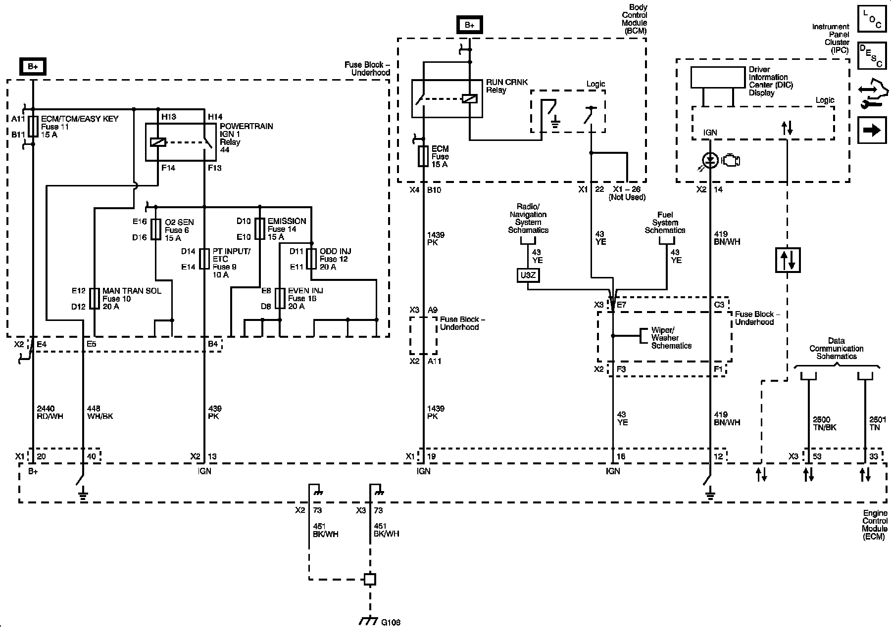
ECM Power, Ground, MIL, and Serial Data







5-Volt Reference Bussing







Low Reference Bussing







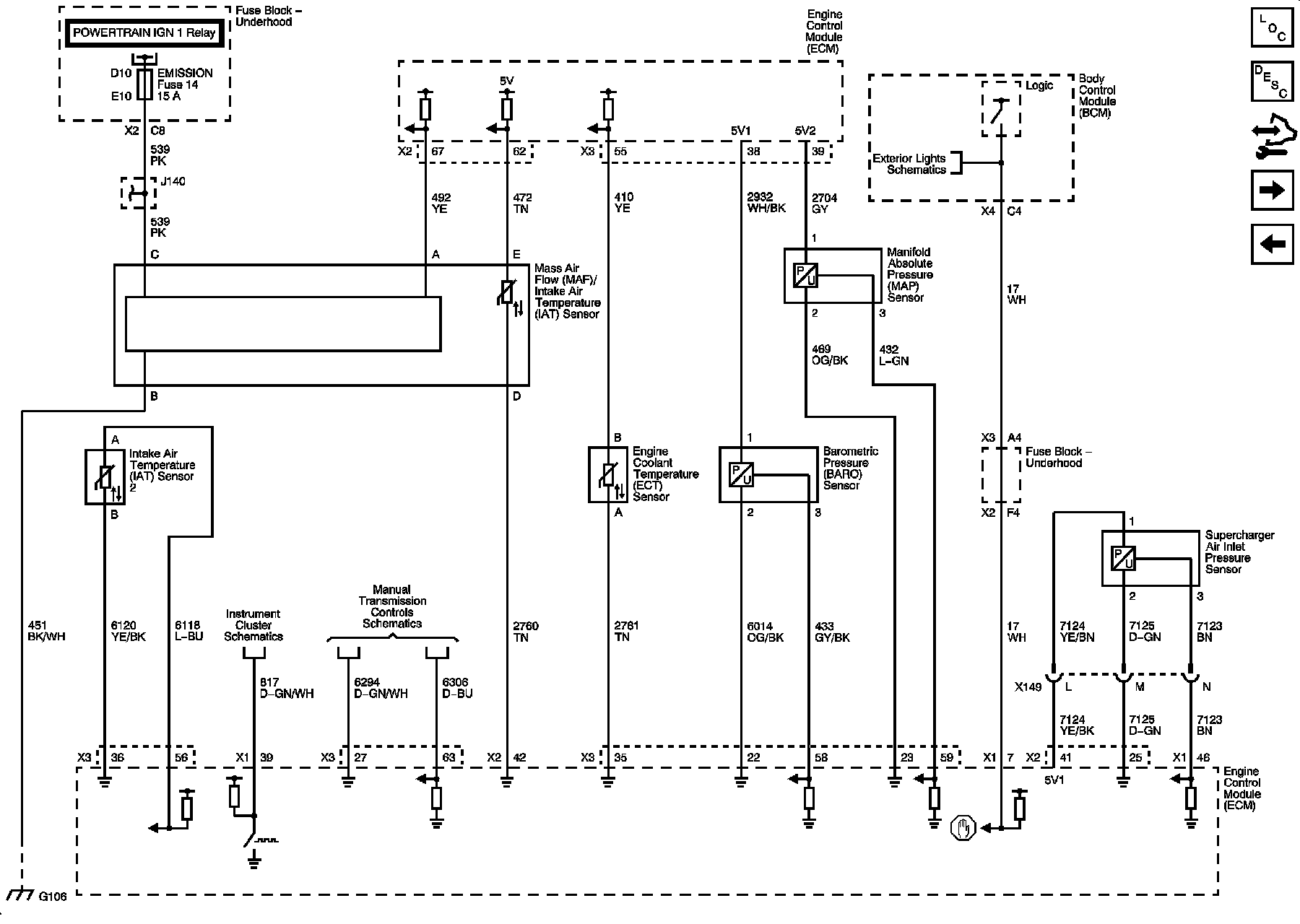
MAF/IAT, MAP, ECT Sensor, Intake Air Temperature (IAT) Sensor 2, Supercharger Air Inlet Pressure Sensor, Supercharger Air Outlet Pressure Sensor







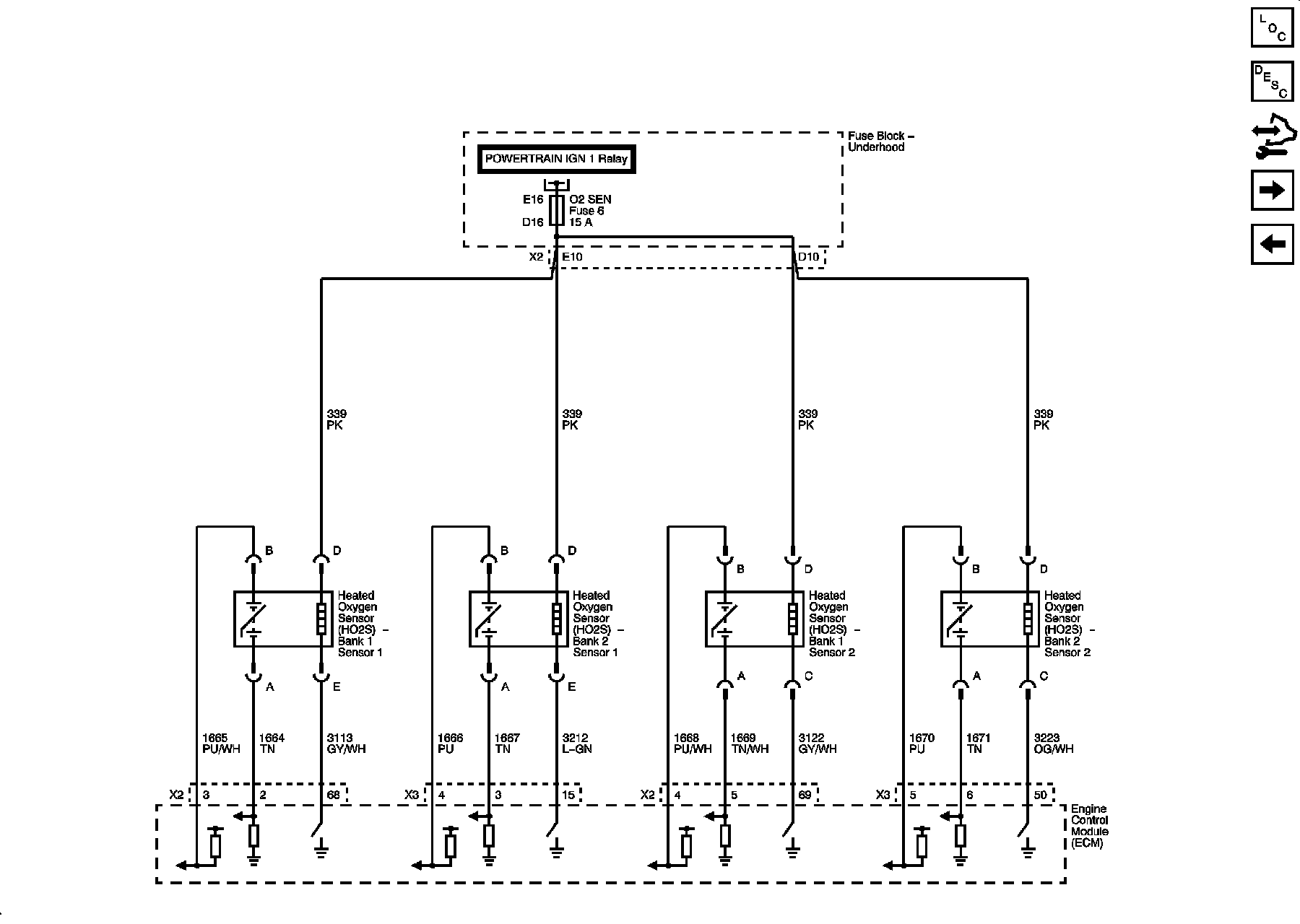
Heated Oxygen Sensors







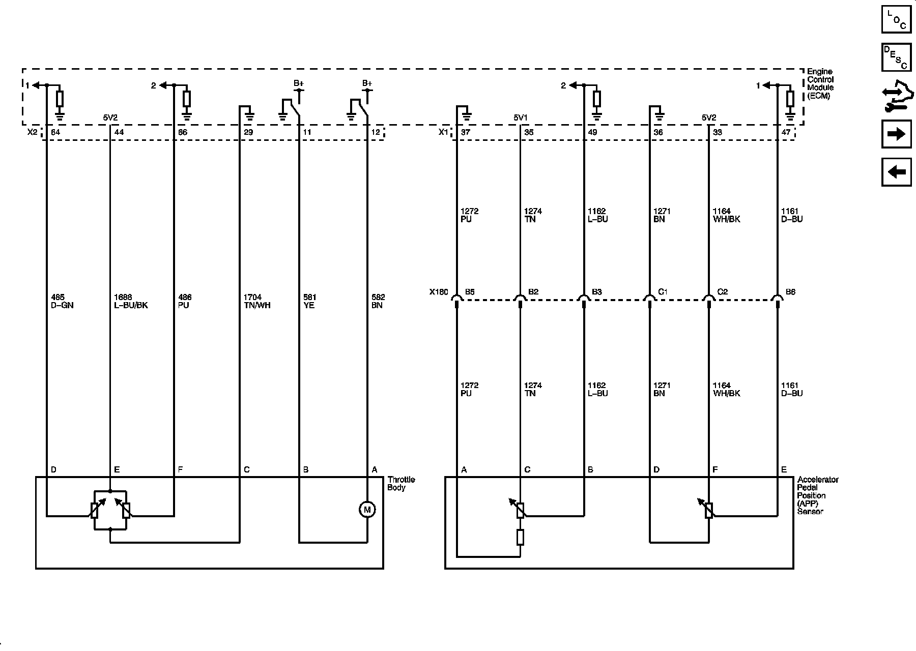
Electronic Throttle Controls







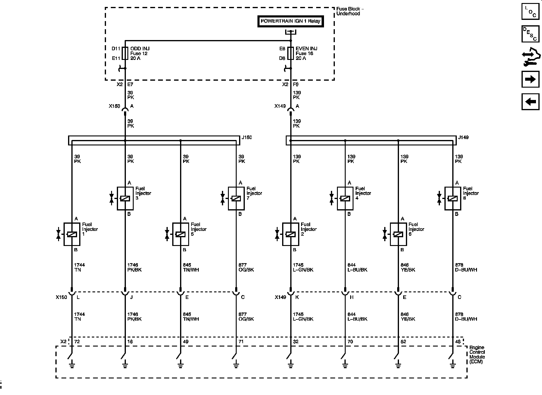
Fuel Injectors







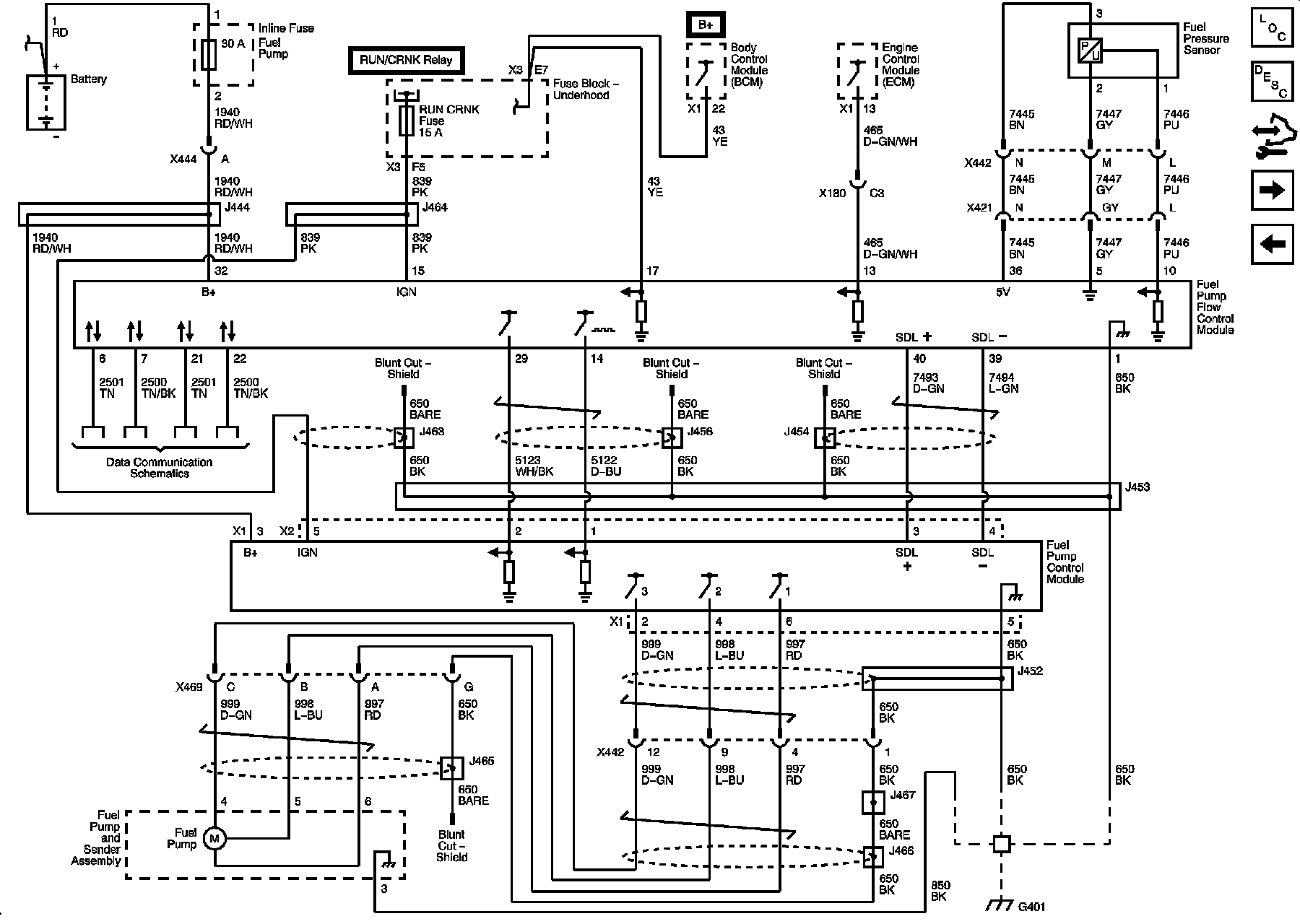
Fuel Pump Controls







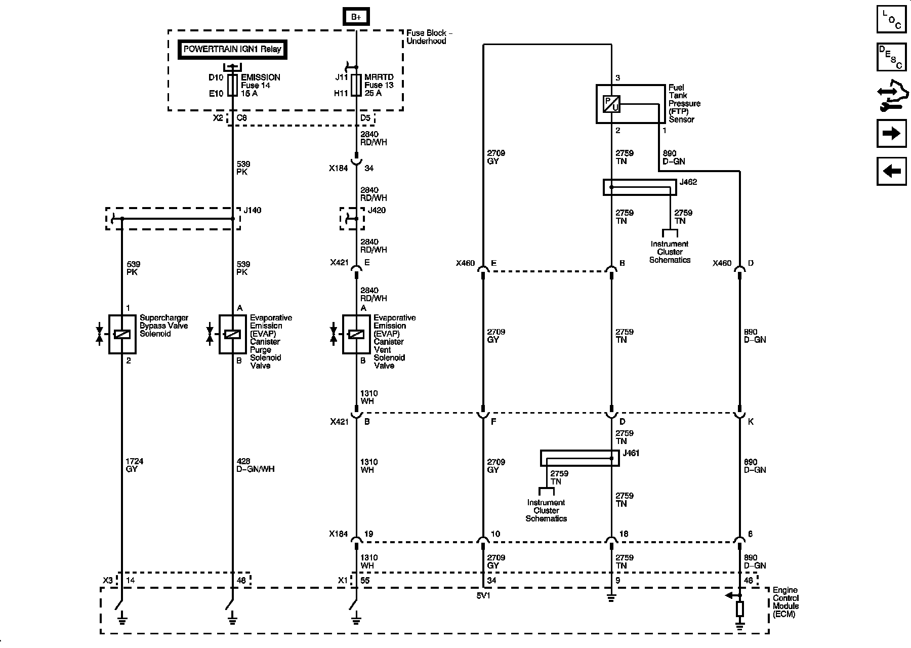
EVAP Solenoids, FTP Sensor, and Supercharger Bypass Valve Solenoid







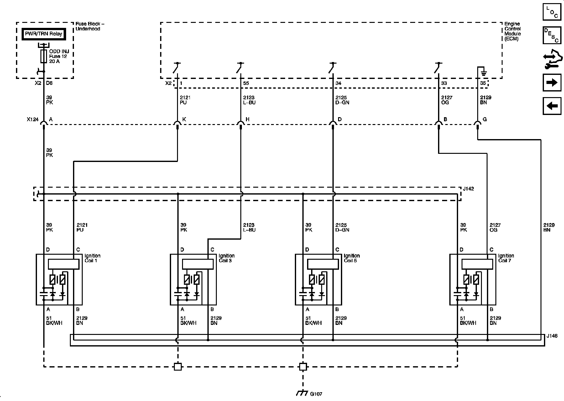
Ignition Controls Bank 1 (Odd) Ignition Coils







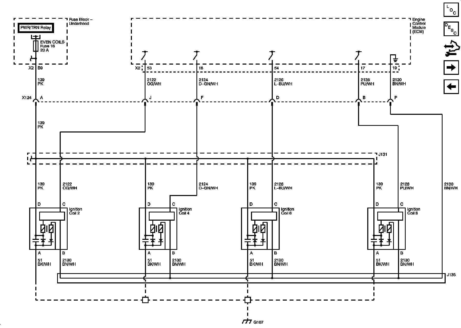
Ignition Controls Bank 2 (Even) Ignition Coils







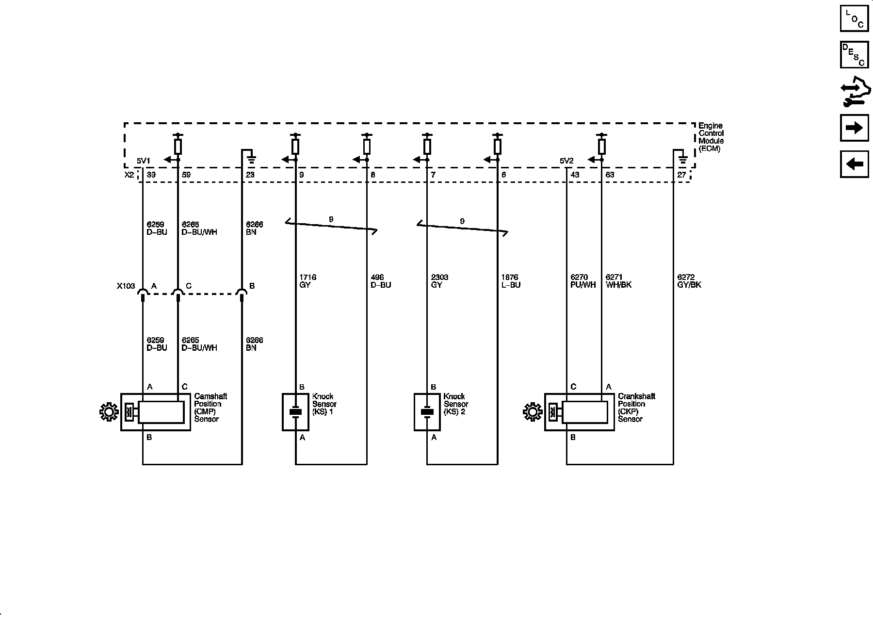
Ignition Controls - CMP, CKP, and KS Sensors







Controlled/Monitored Subsystem References







Locations: The locations for the Connectors, Grounds, Splices, and Grommets shown within these diagrams can be found via their numbers at Vehicle Locations. Locations