Operation CHARM: Car repair manuals for everyone.
Manuals through 2025 now available!

Our trusted friends have launched a new website named LEMON, which has newer manuals. It also contains all the CHARM manuals.

LEMON is the spiritual successor to CHARM, I recommend you try it!

Link: lemon-manuals.la or lemon-manuals.org.ua

(Some people have issue connecting. LEMON is investigating. For now, use Firefox or change your DNS server)

Or, hide this message: temporarily or permanently

Fuel Rail: Service and Repair




Fuel Injection Fuel Rail Assembly Replacement (LS9) (6.2L SC)

Removal Procedure

1. Disconnect the negative battery cable. Refer to Battery Negative Cable Disconnection and Connection (LS7 or LS9) (Service and Repair)Battery Negative Cable Disconnection and Connection (LS3) (Service and Repair).
2. Remove the upper intake cover. Refer to Upper Intake Manifold Sight Shield Replacement (LS9) (Service and Repair)Upper Intake Manifold Sight Shield Replacement (w/o LS9) (Service and Repair).
3. Relieve the fuel system pressure. Refer to Fuel Pressure Relief (Without CH 48027) (Fuel Pressure Relief (Without CH 48027))Fuel Pressure Relief (With CH 48027) (Fuel Pressure Relief (With CH 48027))
4. Remove the front charge air cooler manifold. Refer to Charge Air Cooler Replacement ()




5. Disconnect the fuel injection Harness connectors (1, 4).
6. Disconnect the MAP sensor harness connector (2).
7. Disconnect the supercharger air output sensor harness connector (3).
8. Disconnect the intake temperature sensor harness connector (5).
9. Disconnect and place aside the PCV tube (6).




10. Disconnect all 8 ignition coil harness connectors (1).




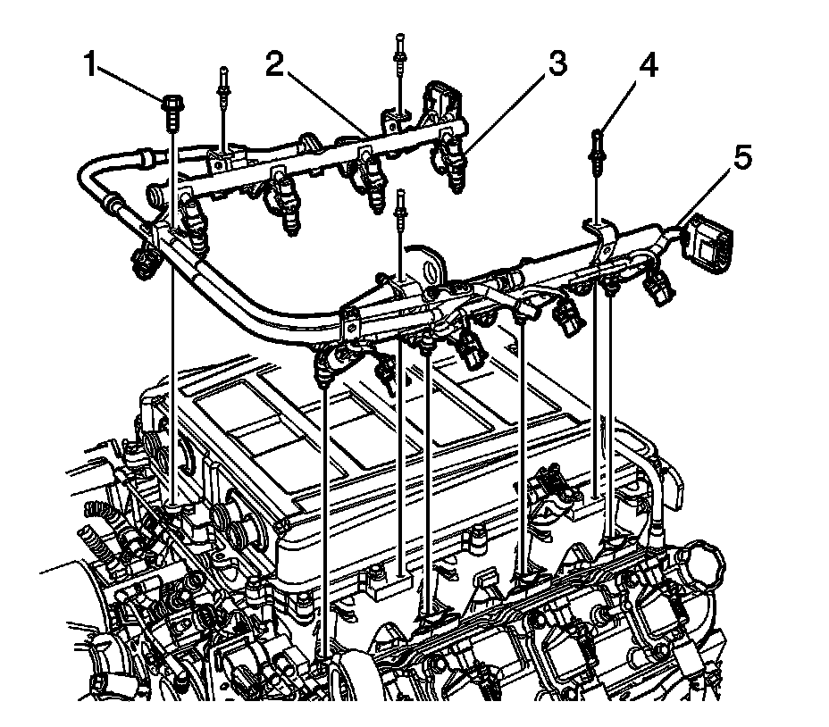
11. Remove the front fuel rail fastener (1).
12. Remove the fuel rail ball stud fasteners (2).
13. Carefully disengage the fuel injectors (3) from the supercharger.
14. Remove the fuel rail with the fuel injector harness (5) from the engine.




15. Remove the fuel injection wiring harness (2, 3) from the fuel rail (1) and fuel injectors.
16. If replacing the fuel rail of an injector. Refer to Fuel Injector Replacement (Service and Repair).

Installation Procedure

1. Install the fuel injectors. Refer to Fuel Injector Replacement (Service and Repair).




2. Install the fuel injection wiring harness ( 2, 3) to the fuel rail (1) and fuel injectors.




3. Install the fuel rail with the fuel injector harness (5) to the engine.
4. Carefully locate the fuel injectors (3) into the supercharger. Install the left side first and then the right side.
5. Apply threadlock to the ball stud and fastener threads. Refer to Adhesives, Fluids, Lubricants, and Sealers (6.2L LS3) (Fluid Type Specifications)Adhesives, Fluids, Lubricants, and Sealers (6.2L LS9) (Fluid Type Specifications)Adhesives, Fluids, Lubricants, and Sealers (7.0L) (Fluid Type Specifications).

Caution: Refer to Fastener Caution (Fastener Caution).

6. Instal the ball studs (4) and the forward fastener (1) and tighten to 10 Nm (89 lb in).




7. Connect all 8 ignition coil harness connectors (1).




8. Connect the fuel injection Harness connectors (1, 4).
9. Connect the MAP sensor harness connector (2).
10. Connect the supercharger air output sensor harness connector (3).
11. Connect the intake temperature sensor harness connector (5).
12. Connect the PCV tube (6).
13. Install the front charge air cooler manifold. Refer to Charge Air Cooler Replacement ()
14. Connect the negative battery cable. Refer to Battery Negative Cable Disconnection and Connection (LS7 or LS9) (Service and Repair)Battery Negative Cable Disconnection and Connection (LS3) (Service and Repair).
15. Pressure the fuel system and check for fuel leaks.
16. Install the upper intake cover. Refer to Upper Intake Manifold Sight Shield Replacement (LS9) (Service and Repair)Upper Intake Manifold Sight Shield Replacement (w/o LS9) (Service and Repair).