Operation CHARM: Car repair manuals for everyone.
Manuals through 2025 now available!

Our trusted friends have launched a new website named LEMON, which has newer manuals. It also contains all the CHARM manuals.

LEMON is the spiritual successor to CHARM, I recommend you try it!

Link: lemon-manuals.la or lemon-manuals.org.ua

(Some people have issue connecting. LEMON is investigating. For now, use Firefox or change your DNS server)

Or, hide this message: temporarily or permanently

Negative: Service and Repair




Battery Positive and Negative Cable Replacement (LS7 or LS9) (7.0L or 6.2L SC)

Removal Procedure

1. Disconnect the negative battery cable. Refer to Battery Negative Cable Disconnection and Connection (LS7 or LS9) (Service and Repair)Battery Negative Cable Disconnection and Connection (LS3) (Service and Repair).




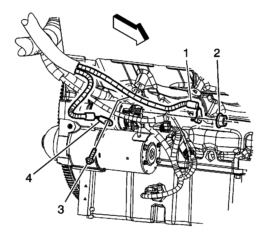
2. Remove the battery positive cable nut (1) and remove the battery positive/negative cable lead (2).




3. Remove the battery positive/negative cable bolt (1) and release the wiring harness retainers (3).
4. Raise and support the vehicle. Refer to Lifting and Jacking the Vehicle (Service and Repair).




5. Remove the battery positive/negative cable bolt (3) from the engine block.
6. Remove the battery positive/negative cable nut (2) from the starter solenoid.
7. Remove the battery positive/negative cable from the vehicle.

Installation Procedure

1. Position the battery positive/negative cable into the vehicle.





Caution: Refer to Fastener Caution (Fastener Caution).

2. Install the battery positive/negative cable nut (2) to the starter solenoid and tighten to 10 Nm (89 lb in).
3. Install the battery positive/negative cable bolt (3) to the engine block and tighten to 40 Nm (30 lb ft).
4. Lower the vehicle.




5. Install the battery positive/negative cable bolt (1) and attach the wiring harness retainers (3) and tighten to 25 Nm (18 lb ft).




6. Install the battery positive cable nut (1) and tighten to 8 Nm (71 lb in).
7. Connect the negative battery cable. Refer to Battery Negative Cable Disconnection and Connection (LS7 or LS9) (Service and Repair)Battery Negative Cable Disconnection and Connection (LS3) (Service and Repair).