Operation CHARM: Car repair manuals for everyone.
Manuals through 2025 now available!

Our trusted friends have launched a new website named LEMON, which has newer manuals. It also contains all the CHARM manuals.

LEMON is the spiritual successor to CHARM, I recommend you try it!

Link: lemon-manuals.la or lemon-manuals.org.ua

(Some people have issue connecting. LEMON is investigating. For now, use Firefox or change your DNS server)

Or, hide this message: temporarily or permanently

Electrical Diagrams



ENGINE CONTROLS SCHEMATICS

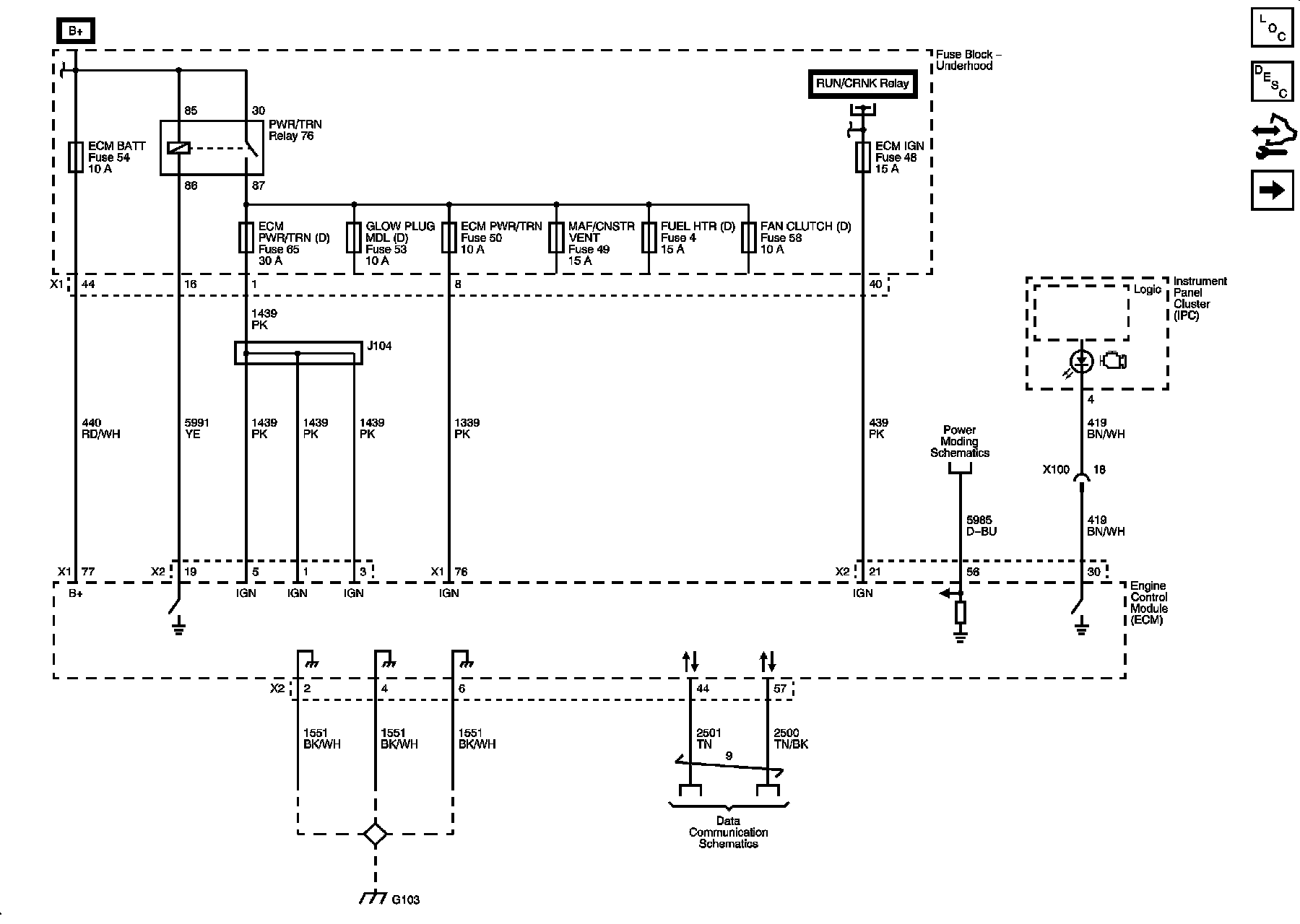
Module Power, Ground, Serial Data and MIL







Engine Data Sensors - 5-Volt and Low References










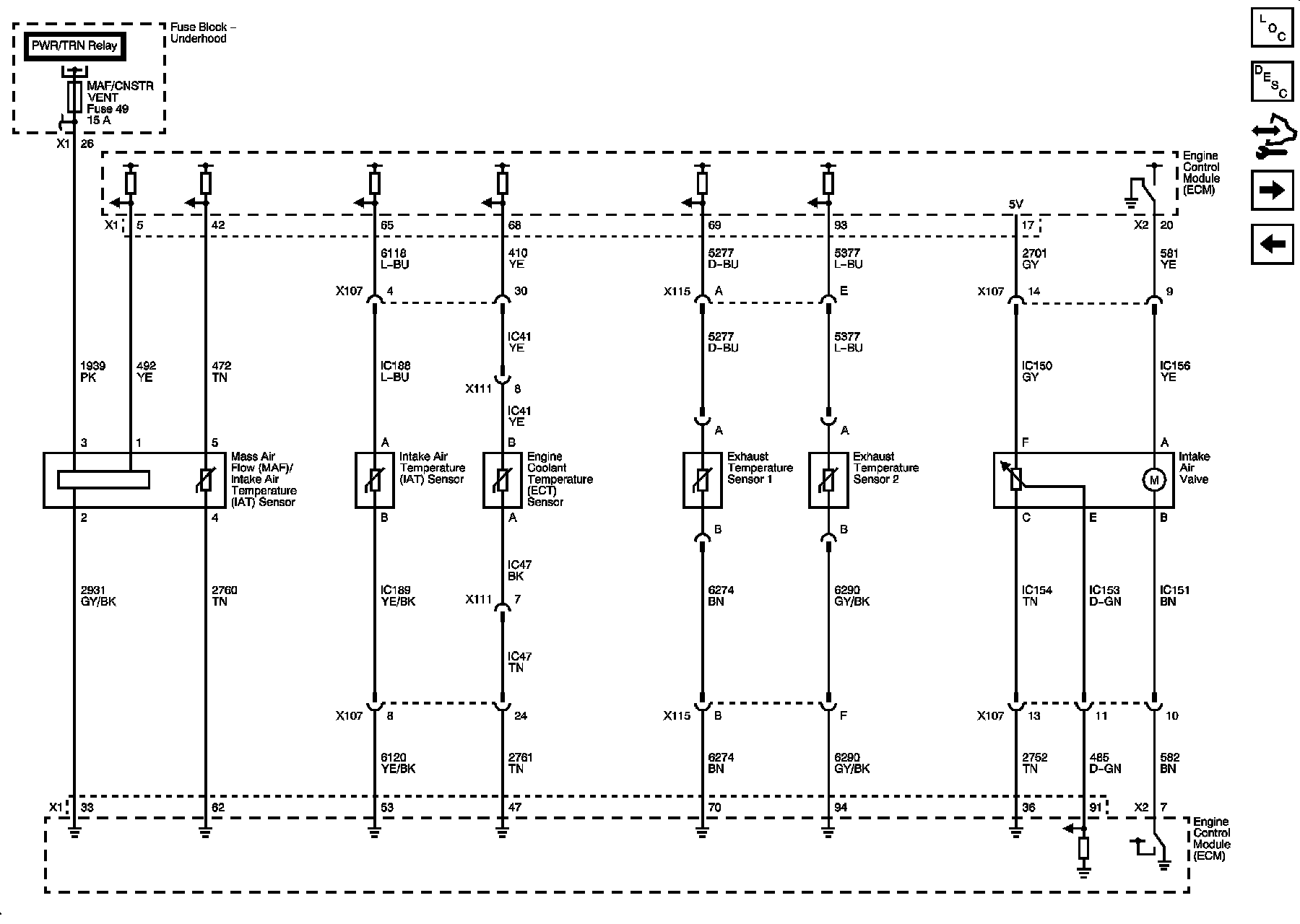
Engine Data Sensors - Temperature, AI and MAF







Engine Data Sensors - Pressure and WIF







Engine Data Sensors - EGR and Turbocharger Controls







Engine Data Sensors - Pedal Position and Injector Timing







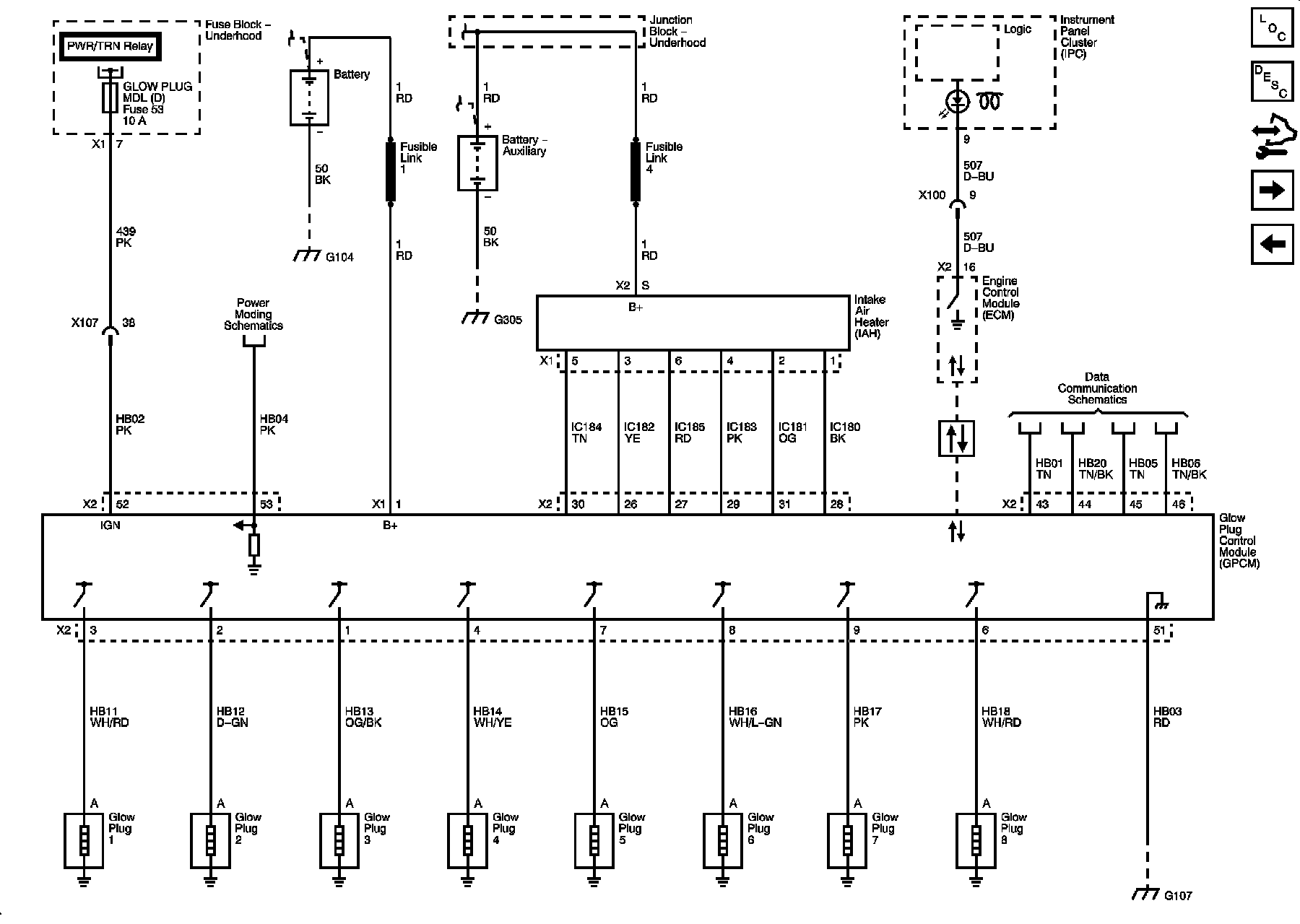
Engine Data Sensors - Glow Plug Controls and Intake Air Heater







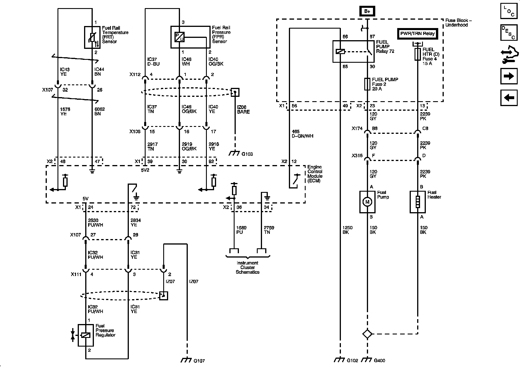
Fuel Controls - Fuel Pump, Temperature and Pressure Controls







Fuel Controls - Fuel Injectors







Controlled/Monitored Subsystem References







Locations: The locations for the Connectors, Grounds, Splices, and Grommets shown within these diagrams can be found via their numbers at Vehicle Locations. Locations