Operation CHARM: Car repair manuals for everyone.
Manuals through 2025 now available!

Our trusted friends have launched a new website named LEMON, which has newer manuals. It also contains all the CHARM manuals.

LEMON is the spiritual successor to CHARM, I recommend you try it!

Link: lemon-manuals.la or lemon-manuals.org.ua

(Some people have issue connecting. LEMON is investigating. For now, use Firefox or change your DNS server)

Or, hide this message: temporarily or permanently

Intake Manifold: Service and Repair




Intake Manifold Replacement

Removal Procedure




1. Remove the radiator air baffle and deflector. Refer to Radiator Air Upper Baffle and Deflector Replacement (Service and Repair).
2. Remove the air cleaner assembly. Refer to Air Cleaner Assembly Replacement (Service and Repair).
3. Remove the charge air cooler inlet pipe. Refer to Charge Air Cooler Inlet Pipe Replacement (Charge Air Cooler Inlet Pipe Replacement).
4. Remove the oil level indicator tube. Refer to Oil Level Indicator and Tube Replacement (Service and Repair).
5. Disconnect the fuel feed line quick connect fitting to the fuel rail. Refer to Metal Collar Quick Connect Fitting Service (Metal Collar Quick Connect Fitting Service).
6. Disconnect the charge air valve solenoid vacuum lines (1).
7. Disconnect the charge air valve solenoid vacuum electrical connector (2).




8. Disconnect the charge air bypass valve vacuum line (1).
9. Disconnect the evaporative emission (EVAP) electrical connector (2) from the EVAP purge solenoid.
10. Remove the (EVAP) hose from the (EVAP) hose clip (3).
11. Disconnect the evaporative emission (EVAP) line quick connect fitting (4) from the EVAP purge solenoid. Refer to Plastic Collar Quick Connect Fitting Service (Plastic Collar Quick Connect Fitting Service).
12. Disconnect the manifold absolute pressure (MAP) sensor electrical connector (5).




13. Reposition the brake booster vacuum hose clamp at the intake manifold.




14. Remove the knock sensor electrical connector (2) clip from the oil level indicator tube bracket.
15. Remove the brake booster hose from the intake manifold.




16. Disconnect the engine wiring harness electrical connector (1) from the throttle actuator control (TAC) module.




17. Remove the charge air bypass valve solenoid bolts.
18. Reposition the charge air bypass valve solenoid assembly out of the way.




19. Disconnect the fuel feed pipe fitting from the fuel pump.
20. Remove the fuel feed pipe bolts.
21. Remove the fuel feed pipe.
22. Inspect the fuel feed pipe nut for damaged threads.
23. Inspect the fuel feed pipe sealing bail for damage or debris.
24. Replace the fuel feed pipe if any damage is found.




25. Remove the charge air bypass vacuum tank. Refer to Charge Air Bypass Valve Vacuum Tank Replacement (Charge Air Bypass Valve Vacuum Tank Replacement).
26. Remove the wiring harness connector (1) from the intake manifold brace.
27. Remove the charge air bypass vacuum tank bolt (2) and nut (3).
28. Remove the charge air bypass vacuum tank brace (4).




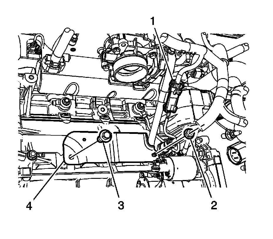
29. Remove the intake manifold brace bolt (1).
30. Remove the intake manifold brace (2).




31. Remove the high pressure fuel pump bracket bolt (1).
32. Remove the A/C line bracket bolt (2).




33. Remove the intake manifold bolts and nuts.
34. Remove the intake manifold and place on a clean work surface.
35. Remove the intake manifold gasket and discard.




36. If replacing the intake manifold perform the following steps, otherwise proceed to step 11 in the installation procedure.
37. Remove the MAP sensor bolts (1).
38. Remove the MAP sensor (2), ensure that the O-ring seal (3) is still attached on the sensor, if not remove the O-ring seal from the intake manifold.
39. Remove the EVAP purge solenoid bolt (6).
40. Remove the EVAP purge solenoid (5), ensure that the O-ring seal (4) is still attached on the sensor, if not remove the O-ring seal from the intake manifold.




41. Turn the intake manifold up side down.
42. Remove the throttle body bolts.
43. Remove the throttle body and seal.

Installation Procedure




1. If replacing the intake manifold perform the following steps, otherwise proceed to step 11.
2. Inspect the throttle body seal and replace if necessary.
3. Install the throttle body seal and position the throttle body.

Caution: Refer to Fastener Caution (Fastener Caution).

4. Install the throttle body bolts and tighten to 10 Nm (89 lb in).
5. Turn the intake manifold right side up.




6. Inspect the EVAP purge solenoid and MAP sensor O-ring seals, replace if necessary.
7. Ensure that the EVAP purge solenoid O-ring seal (4) is installed on the EVAP purge solenoid (5).
8. Install the EVAP purge solenoid (5) and bolt (6) and tighten the bolt to 10 Nm (89 lb in).
9. Ensure that the MAP sensor O-ring seal (3) is installed on the MAP sensor (2).
10. Install the MAP sensor (2) and bolts (1) and tighten the bolts to 10 Nm (89 lb in).




11. Install a NEW intake manifold gasket.
12. Install the intake manifold to the studs.
13. Install the intake manifold bolts and nuts and tighten the bolts/nuts to 22 Nm (16 lb ft).




14. Install the A/C line bracket bolt (2) and tighten to 10 Nm (89 lb in).
15. Install the high pressure fuel pump bracket bolt (1) and tighten to 10 Nm (89 lb in).




16. Install the intake manifold brace (2).
17. Loosely install the intake manifold brace bolt (1).
18. Tighten the intake manifold brace bolt (1) and tighten to 25 Nm (18 lb ft).




19. Install the charge air bypass vacuum tank brace (4).
20. Install the charge air bypass vacuum tank nut (3) and bolt (2) and tighten to 22 Nm (16 lb ft).
21. Install the wiring harness connector (1) to the intake manifold brace.
22. Install the charge air bypass vacuum tank. Refer to Charge Air Bypass Valve Vacuum Tank Replacement (Charge Air Bypass Valve Vacuum Tank Replacement).




23. Lubricate the high pressure fuel pump fuel feed pipe connection threads with silicon free engine oil GM P/N 12345610 (Canadian P/N 993193) or equivalent.
24. Place the fuel feed pipe on top of the intake manifold.
25. Connect the fuel feed pipe fitting to the high pressure fuel pump.
26. Install the fuel feed pipe bolts and tighten.

* Tighten the bolts to 10 Nm (89 lb in).
* Tighten the fitting to 30 Nm (22 lb ft).




27. Install the charge air bypass valve solenoid bolts and tighten to 10 Nm (89 lb in).




28. Connect the engine wiring harness electrical connector (1) to the TAC module.




29. Install the knock sensor electrical connector (1) clip to the intake manifold brace.




30. Install the brake booster hose to the intake manifold.
31. Position the brake booster vacuum hose clamp at the intake manifold.




32. Connect the manifold absolute pressure (MAP) sensor electrical connector (5).
33. Connect the (EVAP) line quick connect fitting (4) from the EVAP purge solenoid. Refer to Plastic Collar Quick Connect Fitting Service (Plastic Collar Quick Connect Fitting Service).
34. Install the (EVAP) hose from the (EVAP) hose clip (3).
35. Connect the (EVAP) electrical connector (2) from the EVAP purge solenoid.
36. Connect the charge air bypass valve vacuum line (1).




37. Connect the charge air valve solenoid vacuum electrical connector (2).
38. Connect the charge air valve solenoid vacuum lines (1).
39. Connect the fuel feed line quick connect fitting to the fuel rail. Refer to Metal Collar Quick Connect Fitting Service (Metal Collar Quick Connect Fitting Service).
40. Install the oil level indicator tube. Refer to Oil Level Indicator and Tube Replacement (Service and Repair).
41. Install the charge air cooler inlet pipe. Refer to Charge Air Cooler Inlet Pipe Replacement (Charge Air Cooler Inlet Pipe Replacement).
42. Install the air cleaner assembly. Refer to Air Cleaner Assembly Replacement (Service and Repair).
43. Install the radiator air baffle and deflector. Refer to Radiator Air Upper Baffle and Deflector Replacement (Service and Repair).