Operation CHARM: Car repair manuals for everyone.
Manuals through 2025 now available!

Our trusted friends have launched a new website named LEMON, which has newer manuals. It also contains all the CHARM manuals.

LEMON is the spiritual successor to CHARM, I recommend you try it!

Link: lemon-manuals.la or lemon-manuals.org.ua

(Some people have issue connecting. LEMON is investigating. For now, use Firefox or change your DNS server)

Or, hide this message: temporarily or permanently

Air Injection Check Valve: Service and Repair




Secondary Air Injection Shutoff and Check Valve Replacement

Removal Procedure




1. Remove the exhaust crossover pipe. Refer to Exhaust Crossover Pipe Replacement (LS4) (Service and Repair)Exhaust Crossover Pipe Replacement (LZE/LZ4/LZ8) (Service and Repair).
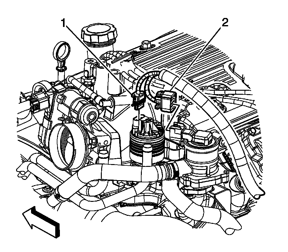
2. Disconnect the secondary air injection (AIR) feed tube quick connect fitting (1) from the AIR shutoff/check valve. Refer to Plastic Collar Quick Connect Fitting Service (Plastic Collar Quick Connect Fitting Service).
3. Remove the AIR feed tube bolt (3) from the heater inlet/outlet pipe bracket.




4. Disconnect the engine wiring harness electrical connector (2) from the AIR shutoff/check valve.
5. Raise and suitably support the vehicle. Refer to Lifting and Jacking the Vehicle (Service and Repair).




6. Remove the AIR shutoff/check valve nuts (1).
7. Lower the vehicle.
8. Remove the AIR shutoff/check valve bolts (2).
9. Remove the AIR check valve and gasket. Discard the gasket.

Installation Procedure




1. Install a NEW gasket onto the AIR pipe studs.
2. Position and install the AIR check valve.

Caution: Refer to Fastener Caution (Fastener Caution).

3. Install the AIR shutoff/check valve bolts (2).

Tighten the bolts to 50 Nm (37 lb ft).

4. Raise and support the vehicle.
5. Install the AIR shutoff/check valve nuts (1).

Tighten the nuts to 10 Nm (89 lb in).




6. Lower the vehicle.
7. Connect the engine wiring harness electrical connector (2) to the AIR shutoff/check valve.




8. Connect the AIR feed tube quick connect fitting (1) to the AIR shutoff/check valve. Refer to Plastic Collar Quick Connect Fitting Service (Plastic Collar Quick Connect Fitting Service).
9. Install the AIR feed tube bolt (3) to the heater inlet/outlet pipe bracket.

Tighten the bolt to 10 Nm (89 lb in).

10. Install the exhaust crossover pipe. Refer to Exhaust Crossover Pipe Replacement (LS4) (Service and Repair)Exhaust Crossover Pipe Replacement (LZE/LZ4/LZ8) (Service and Repair).