Operation CHARM: Car repair manuals for everyone.
Manuals through 2025 now available!

Our trusted friends have launched a new website named LEMON, which has newer manuals. It also contains all the CHARM manuals.

LEMON is the spiritual successor to CHARM, I recommend you try it!

Link: lemon-manuals.la or lemon-manuals.org.ua

(Some people have issue connecting. LEMON is investigating. For now, use Firefox or change your DNS server)

Or, hide this message: temporarily or permanently

Information Bus



Data Communication Schematics

Low Speed Bus - 1 of 3





Low Speed Bus - 2 of 3





Low Speed Bus - 3 of 3





High Speed Bus - 1 of 6 (except MEX/HP2)





High Speed Bus - 2 of 6 (except MEX/HP2)





High Speed Bus - 3 of 6 (Diesel)





High Speed Bus - 4 of 6 (MEX)





High Speed Bus - 5 of 6 (HP2)





High Speed Bus - 6 of 6 (HP2)





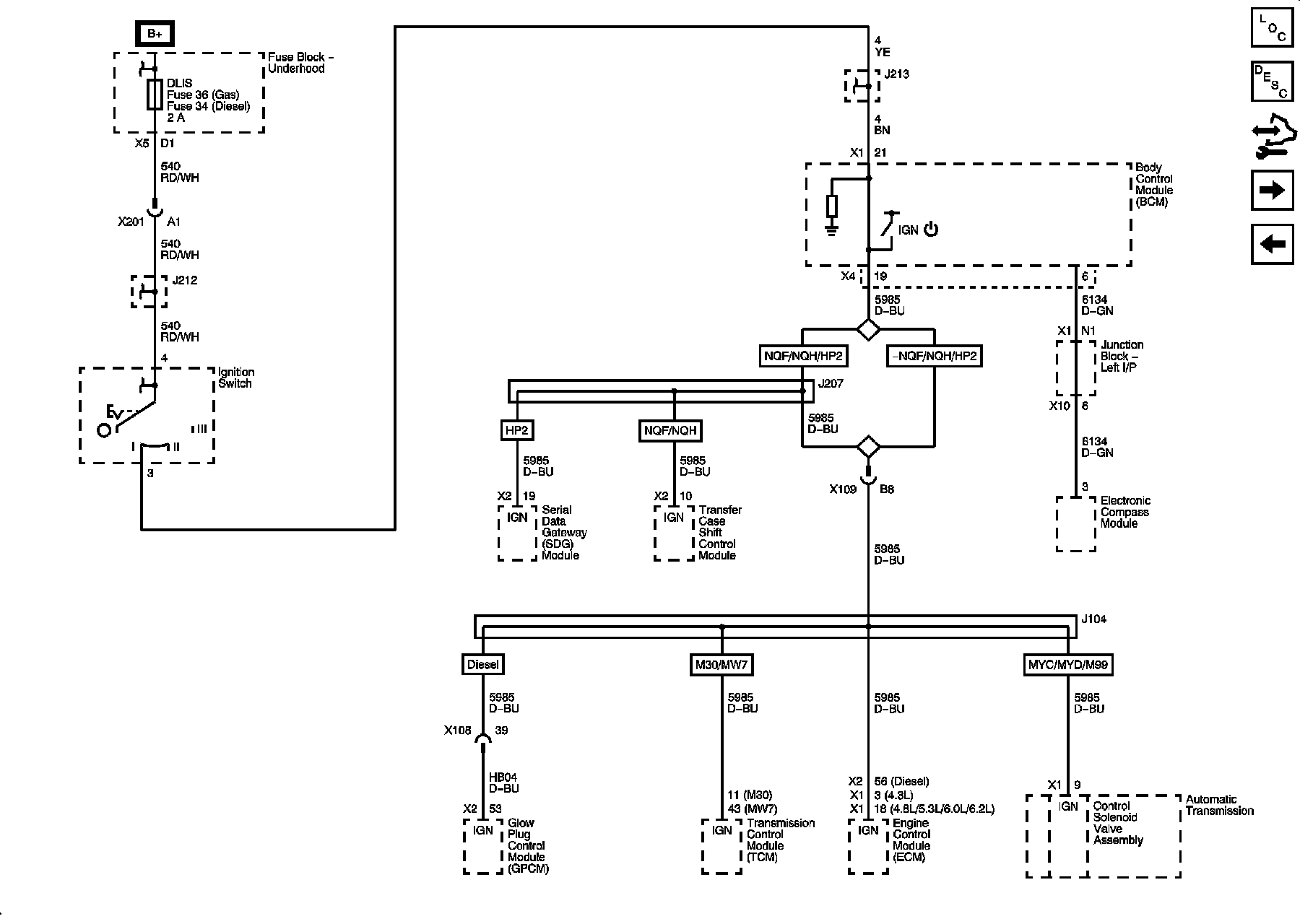
Serial Data Communication Enable





Accessory Wakeup Serial Data and Linear Interconnect Network (LIN)





Powertrain Expansion Bus (HP2)





Serial Data Gateway (SDG) Module (HP2)