Operation CHARM: Car repair manuals for everyone.
Manuals through 2025 now available!

Our trusted friends have launched a new website named LEMON, which has newer manuals. It also contains all the CHARM manuals.

LEMON is the spiritual successor to CHARM, I recommend you try it!

Link: lemon-manuals.la or lemon-manuals.org.ua

(Some people have issue connecting. LEMON is investigating. For now, use Firefox or change your DNS server)

Or, hide this message: temporarily or permanently

Air Conditioning Compressor Replacement




Air Conditioning Compressor Replacement (LH6, LS2) (5.3L, 6.0L)

Special Tools

J 39400-A Halogen Leak Detector

Removal Procedure

1. Recover the refrigerant. Refer to Refrigerant Recovery and Recharging (Refrigerant Recovery and Recharging).
2. Remove the washer solvent container. Refer to Windshield Washer Solvent Container Replacement (Envoy, TrailBlazer) (Service and Repair).
3. Remove the air cleaner resonator outlet duct. Refer to Air Cleaner Resonator Outlet Duct Replacement (Service and Repair).
4. Remove the cooling fan and shroud. Refer to Cooling Fan and Shroud Replacement (Service and Repair).
5. Remove the accessory drive belt from the air conditioning (A/C) compressor. Refer to Air Conditioning Compressor Belt Replacement (Air Conditioning Compressor Belt Replacement).




6. Remove the compressor hose assembly nut from the compressor.

Note: Remove and discard the sealing washers.

7. Remove the compressor hose assembly from the compressor.




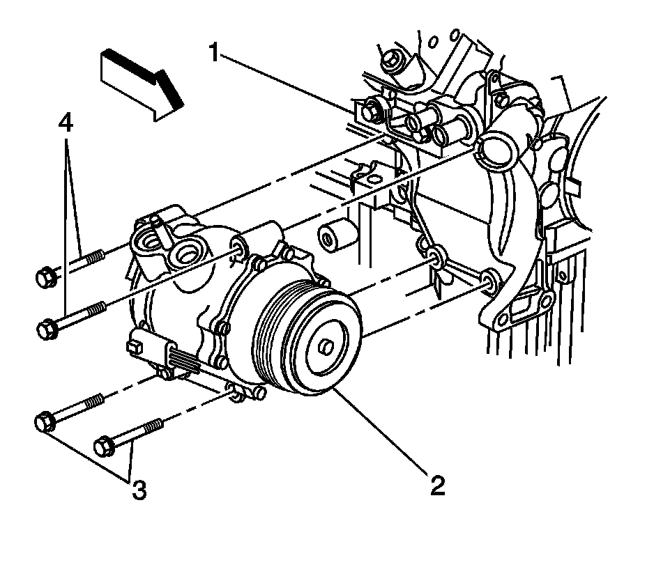
8. Remove the upper A/C compressor mounting bracket bolts.
9. Remove the lower coolant hose. Refer to Radiator Inlet Hose Replacement (LL8) (Service and Repair)Radiator Inlet Hose Replacement (LH6, LS2) (Service and Repair).
10. Raise and support the vehicle. Refer to Lifting and Jacking the Vehicle (Service and Repair).
11. Disconnect the A/C compressor electrical connector.
12. Remove the lower A/C compressor mounting bracket bolts (3).
13. Lower the vehicle.
14. Reposition the compressor and mounting bracket to access the remaining compressor to bracket bolts.
15. Remove the upper A/C compressor mounting bolts (4).
16. Remove the A/C compressor.

Note: Ensure proper compressor oil balancing when replacing the A/C compressor. Refer to Air Conditioning Compressor Oil Balancing (Service and Repair).

17. Remove the A/C compressor bracket.

Installation Procedure

1. Add the proper amount of polyalkylene glycol (PAG) oil to the compressor crankcase. Refer to Air Conditioning Compressor Oil Balancing (Service and Repair).
2. Position the A/C compressor mounting bracket partially into the vehicle.
3. Position the A/C compressor partially into the vehicle.

Caution: Refer to Fastener Caution (Fastener Caution).

4. Install the upper compressor mounting bolts into the compressor mounting bracket.

Tighten the upper rear bolts to 50 Nm (37 lb ft).




5. Install the upper compressor mounting bolts (4) into the compressor and bracket assembly.
6. Position the compressor and bracket assembly into the correct location on the engine.
7. Tighten the upper compressor mounting bolts (4).

Tighten the bolts to 50 Nm (37 lb ft).

8. Raise the vehicle.
9. Install the lower compressor mounting bolts (3).

Tighten the bolts to 50 Nm (37 lb ft).

10. Connect the A/C compressor electrical connector.
11. Install the lower coolant hose. Refer to Radiator Inlet Hose Replacement (LL8) (Service and Repair)Radiator Inlet Hose Replacement (LH6, LS2) (Service and Repair).
12. Lower the vehicle.




13. Install the compressor hose assembly to the compressor.
14. Install the compressor hose assembly nut to the compressor.

Tighten the nut to 16 Nm (12 lb ft).

15. Install the accessory drive belt. Refer to Air Conditioning Compressor Belt Replacement (Air Conditioning Compressor Belt Replacement).
16. Install the cooling fan and shroud. Refer to Cooling Fan and Shroud Replacement (Service and Repair).
17. Install the air cleaner resonator outlet duct. Refer to Air Cleaner Resonator Outlet Duct Replacement (Service and Repair).
18. Install the washer solvent container. Refer to Windshield Washer Solvent Container Replacement (Envoy, TrailBlazer) (Service and Repair).
19. Fill the cooling system. Refer to Cooling System Draining and Filling (LL8) (Service and Repair)Cooling System Draining and Filling (LH6, LS2) (Service and Repair).
20. Evacuate and recharge the A/C system. Refer to Refrigerant Recovery and Recharging (Refrigerant Recovery and Recharging).
21. Leak test the fittings of the component using the J 39400-A .