Operation CHARM: Car repair manuals for everyone.
Manuals through 2025 now available!

Our trusted friends have launched a new website named LEMON, which has newer manuals. It also contains all the CHARM manuals.

LEMON is the spiritual successor to CHARM, I recommend you try it!

Link: lemon-manuals.la or lemon-manuals.org.ua

(Some people have issue connecting. LEMON is investigating. For now, use Firefox or change your DNS server)

Or, hide this message: temporarily or permanently

Oil Pressure Sensor: Service and Repair




Engine Oil Pressure Sensor and/or Switch Replacement

Special Tools

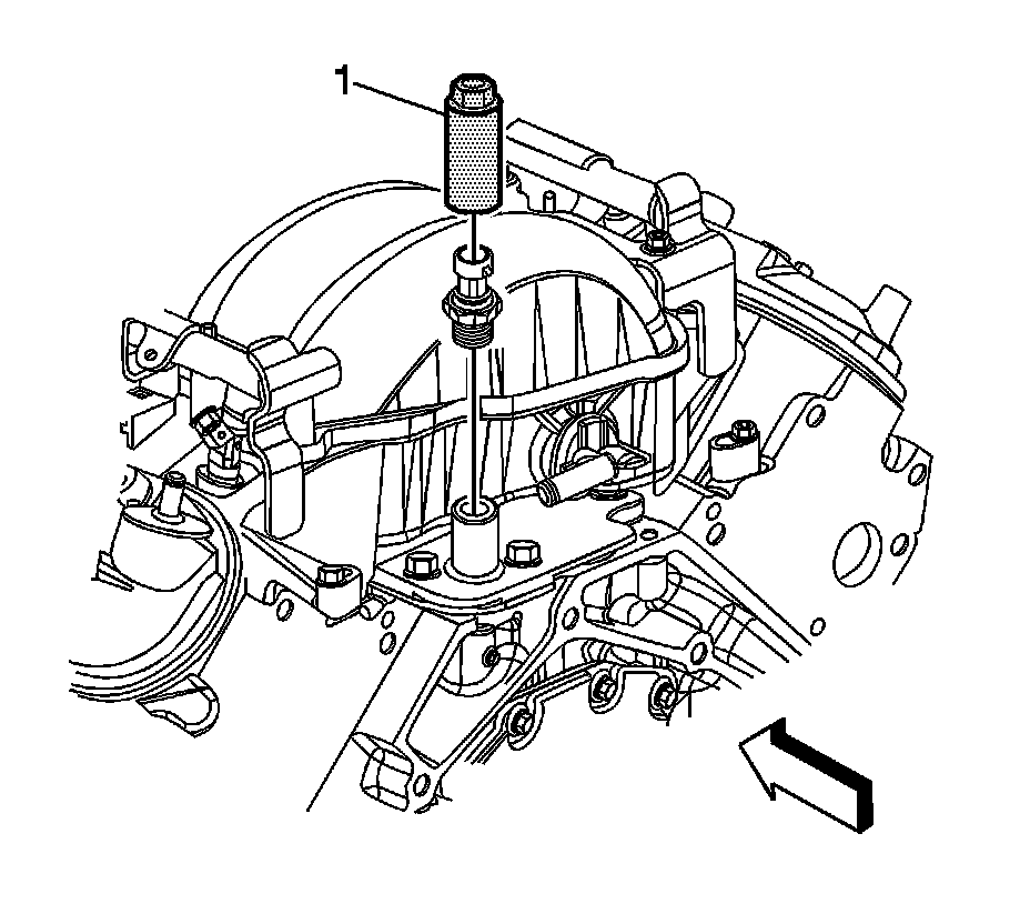
J 41712 Oil Pressure Sensor Socket

Removal Procedure




1. Remove the engine cover. Refer to Engine Cover Replacement (Service and Repair)
2. Clean area around the oil sensor/switch before removing it.
3. Remove the positive crankcase ventilation hose/pipe/tube. Refer to Positive Crankcase Ventilation Hose/Pipe/Tube Replacement.




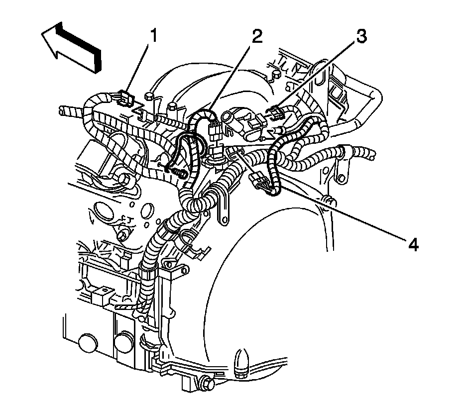
4. Disconnect the electrical connector for the oil pressure sensor/switch (2).




5. Using the J 41712 (1), remove the oil pressure sensor/switch.

Installation Procedure




1. If installing the old sensor, apply threadlocker sealant. Refer to Adhesives, Fluids, Lubricants, and Sealers (Adhesives, Fluids, Lubricants, and Sealers) for the correct part number.

Caution: Refer to Fastener Caution (Fastener Caution).

2. Using the J 41712 (1), install the oil pressure sensor/switch. Tighten the engine oil pressure sensor to 20 Nm (15 lb ft).




3. Reconnect the oil pressure sensor/switch electrical connector (2).




4. Install the vacuum hose for the power brake booster.
5. Install the left engine sight cover.