Operation CHARM: Car repair manuals for everyone.
Manuals through 2025 now available!

Our trusted friends have launched a new website named LEMON, which has newer manuals. It also contains all the CHARM manuals.

LEMON is the spiritual successor to CHARM, I recommend you try it!

Link: lemon-manuals.la or lemon-manuals.org.ua

(Some people have issue connecting. LEMON is investigating. For now, use Firefox or change your DNS server)

Or, hide this message: temporarily or permanently

Electrical Diagrams



Engine Controls Schematics

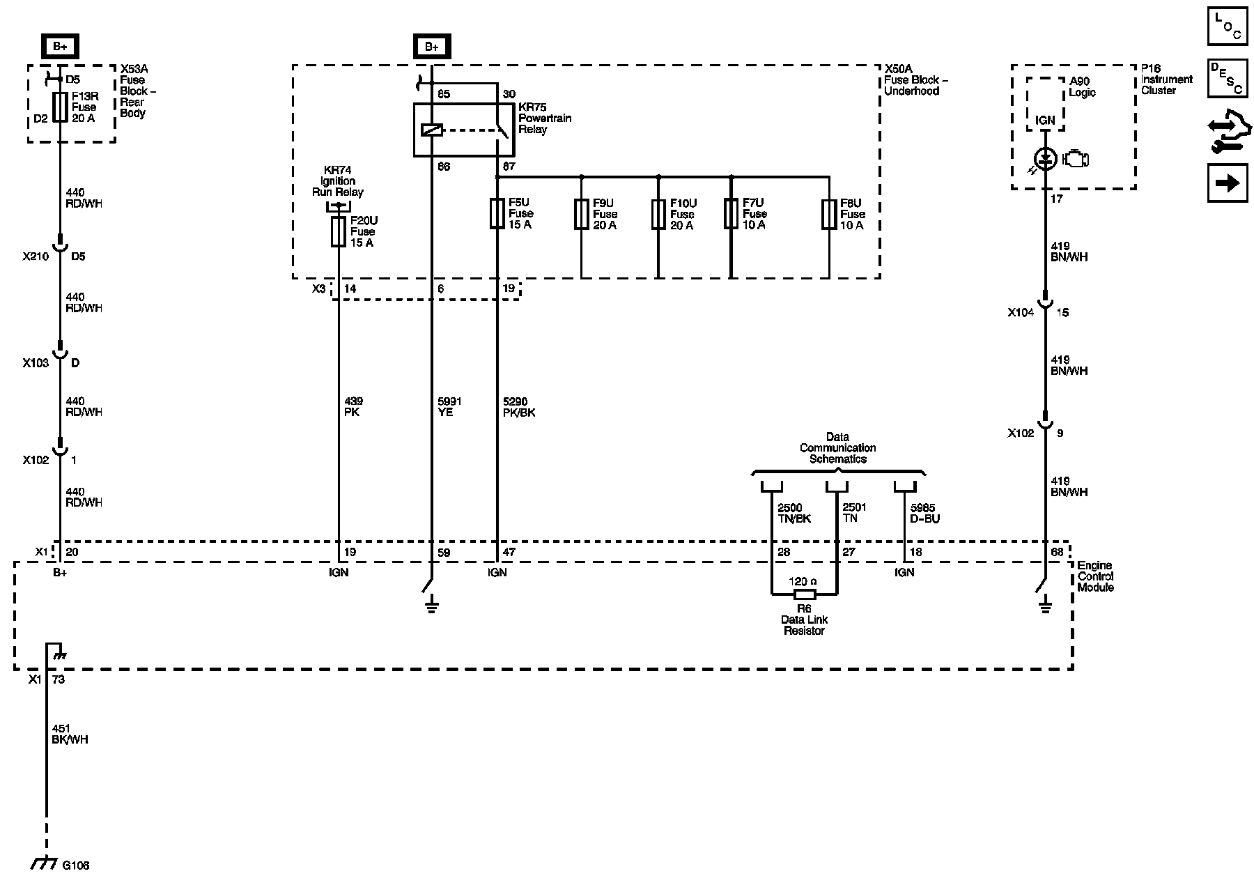
ECM Power, Ground, MIL, and Serial Data






5-Volt and Low Reference Bussing






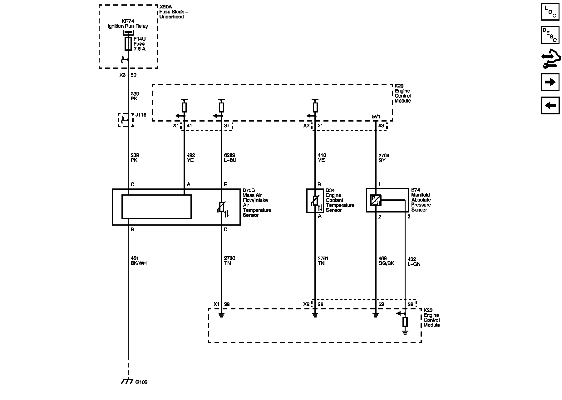
MAP, ECT, and MAF/IAT Sensors






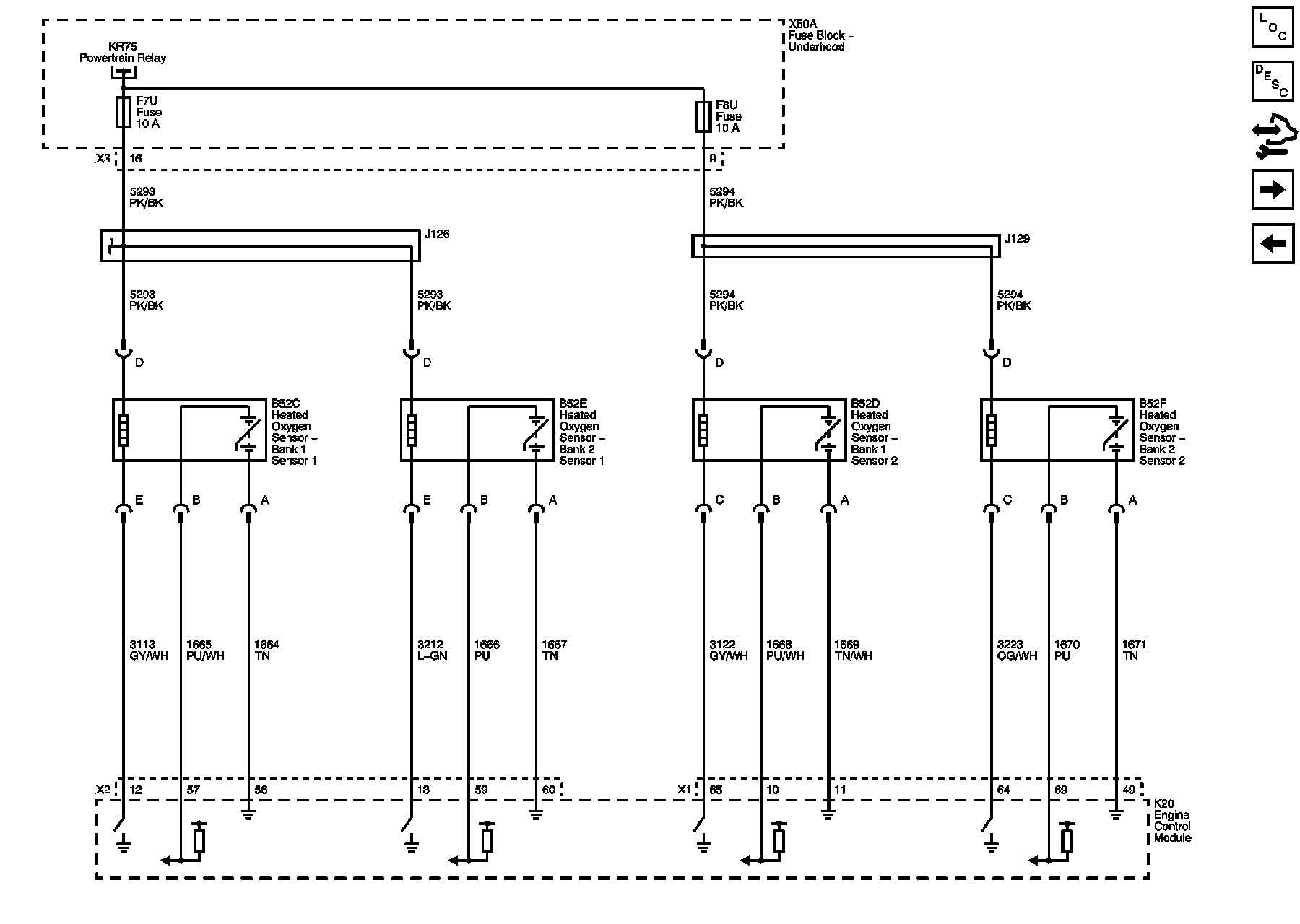
Heated Oxygen Sensors






Electronic Throttle Controls






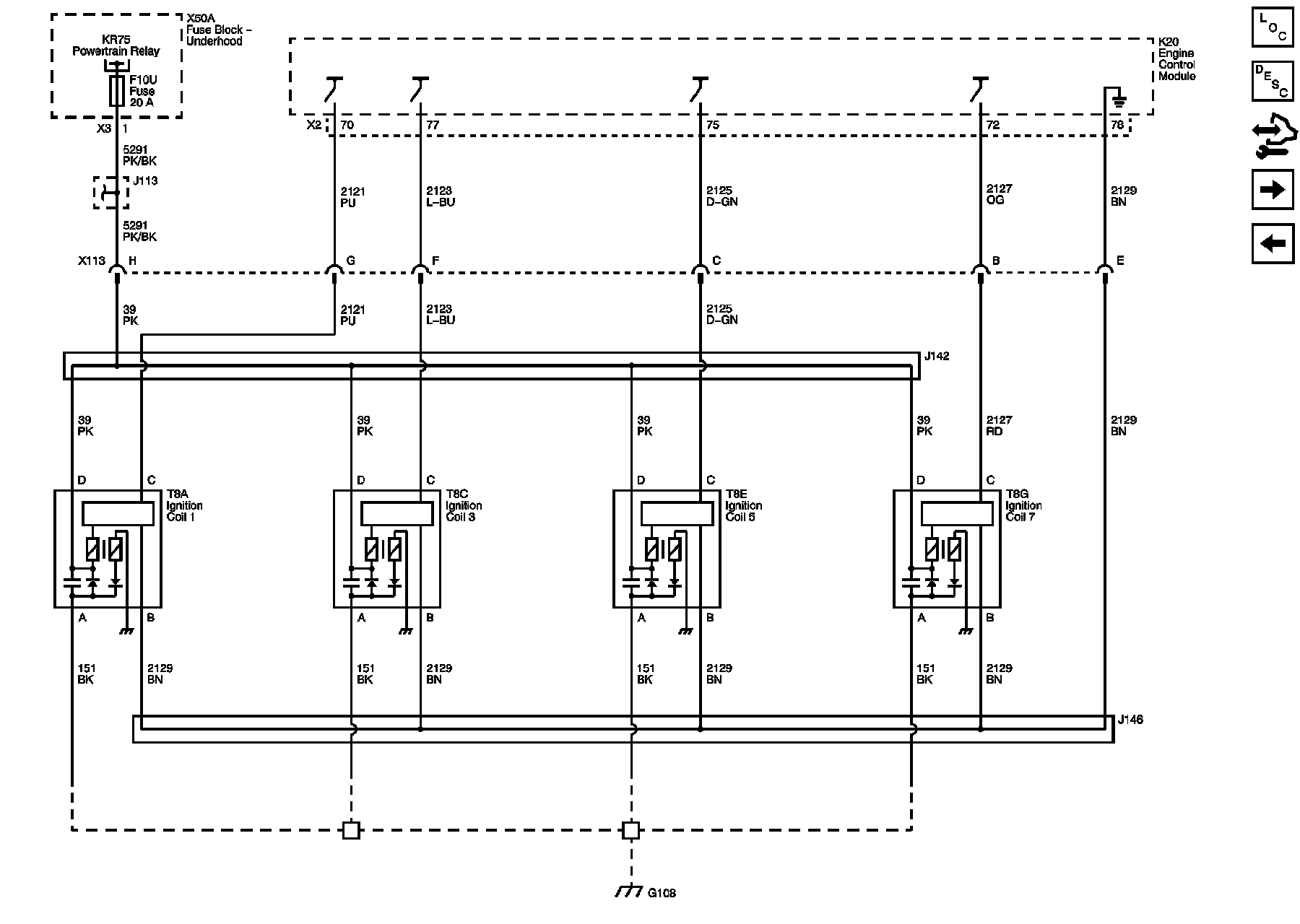
Ignition Controls Bank 1 (Odd) Ignition Coils






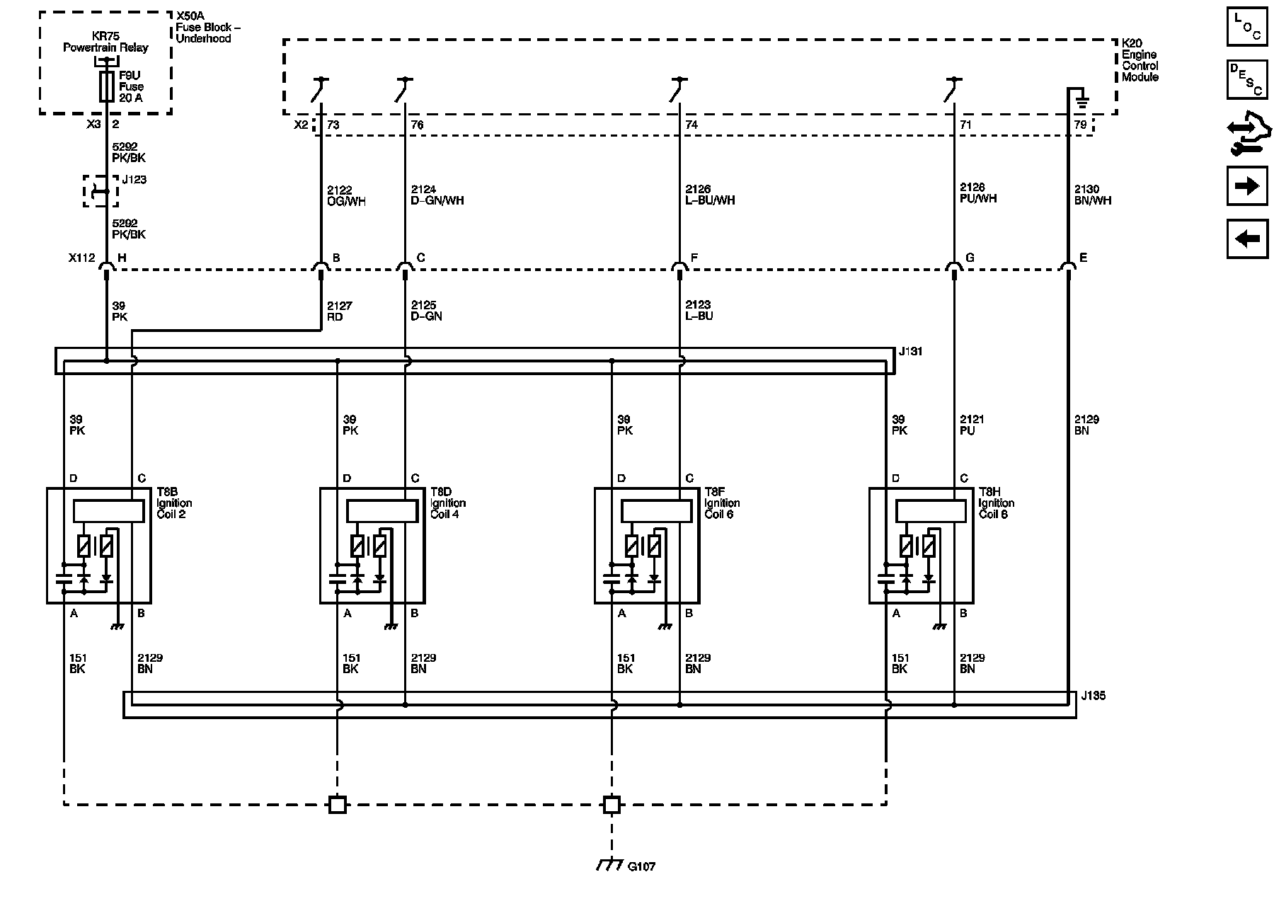
Ignition Controls Bank 2 (EVEN) Ignition Coils






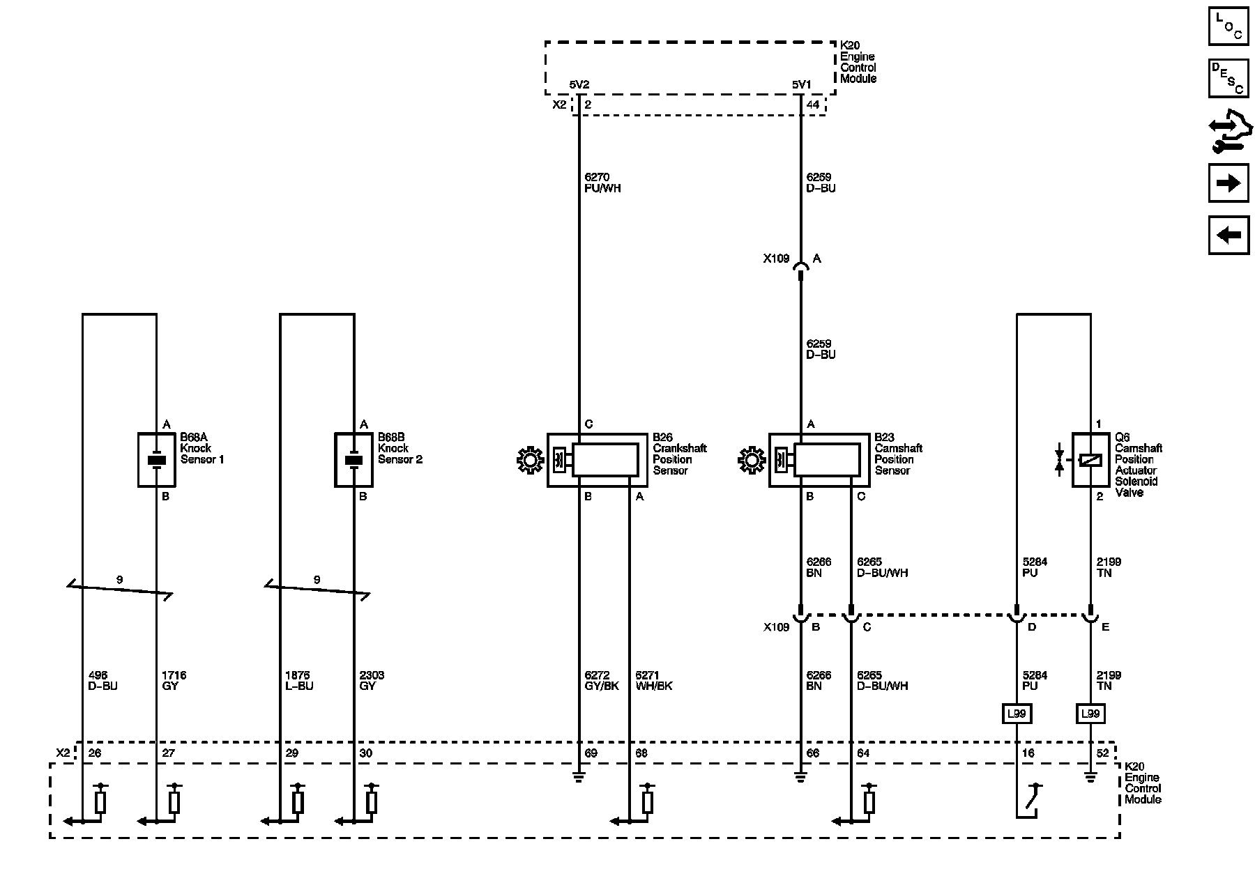
Ignition Controls, Knock, CMP, and CKP Sensors






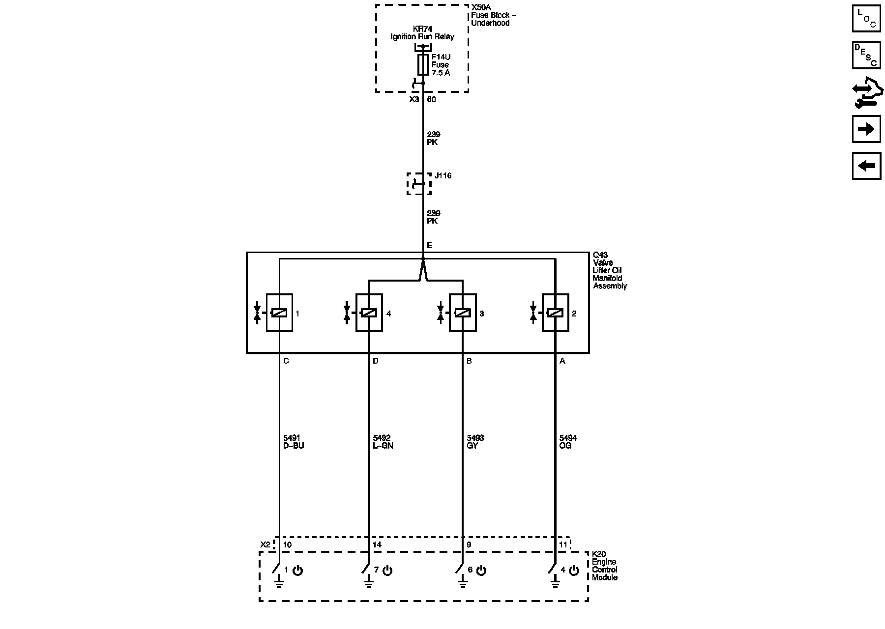
Valve Lifter Oil Manifold (VLOM) Assembly






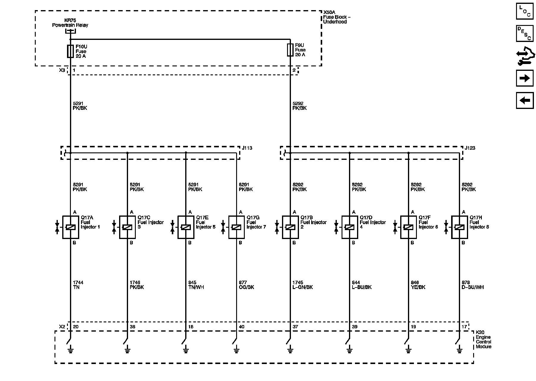
Fuel Injectors






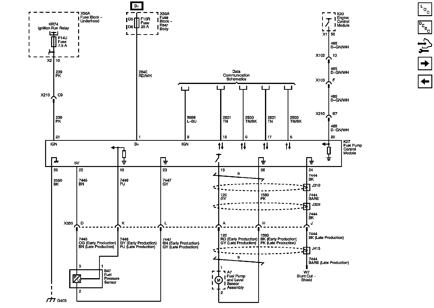
Fuel Controls - Fuel Pump Flow Control






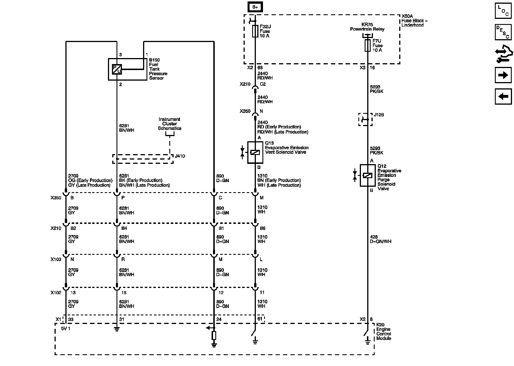
Fuel Controls - EVAP Controls and Manifold Tuning






Controlled/Monitored Subsystem References