Operation CHARM: Car repair manuals for everyone.
Manuals through 2025 now available!

Our trusted friends have launched a new website named LEMON, which has newer manuals. It also contains all the CHARM manuals.

LEMON is the spiritual successor to CHARM, I recommend you try it!

Link: lemon-manuals.la or lemon-manuals.org.ua

(Some people have issue connecting. LEMON is investigating. For now, use Firefox or change your DNS server)

Or, hide this message: temporarily or permanently

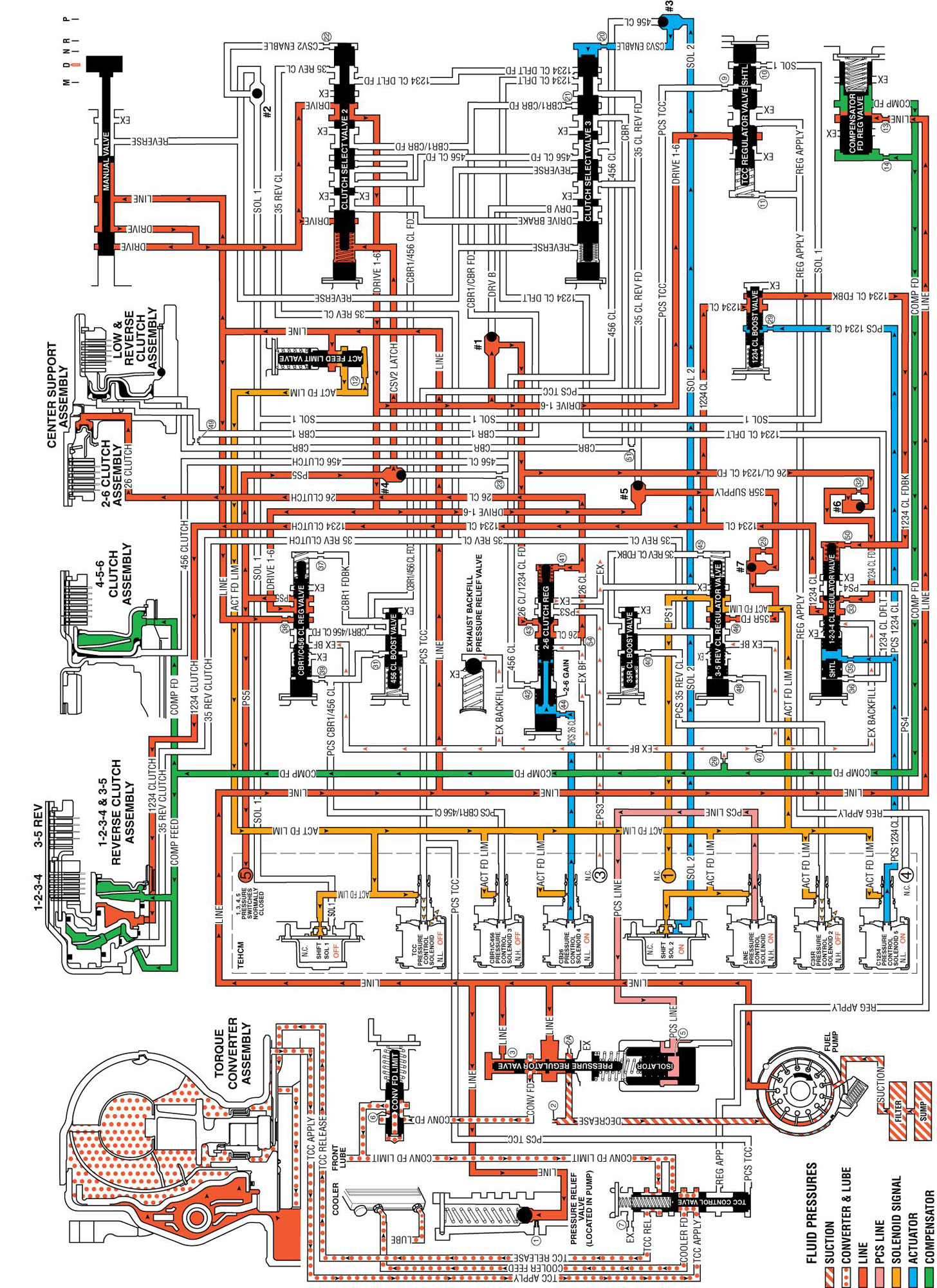
Automatic Transmission/Transaxle




Park - Engine Running








Reverse








Neutral - Engine Running








Drive Range, First Gear Engine Braking








Drive Range, First Gear








Drive Range, Second Gear








Drive Range, Third Gear








Drive Range, Third Gear Default








Drive Range, Fourth Gear








Drive Range, Fifth Gear








Drive Range, Fifth Gear Default








Drive Range, Sixth Gear