Operation CHARM: Car repair manuals for everyone.
Manuals through 2025 now available!

Our trusted friends have launched a new website named LEMON, which has newer manuals. It also contains all the CHARM manuals.

LEMON is the spiritual successor to CHARM, I recommend you try it!

Link: lemon-manuals.la or lemon-manuals.org.ua

(Some people have issue connecting. LEMON is investigating. For now, use Firefox or change your DNS server)

Or, hide this message: temporarily or permanently

Timing Cover: Service and Repair




Engine Front Cover Replacement (6.2L and 7.0L)

Special Tools

EN-48853 Front Cover Alignment Tool

Removal Procedure

1. Remove the accessory drive belt. Refer to Drive Belt Replacement - Accessory (LS9) (Drive Belt Replacement - Accessory) Drive Belt Replacement - Accessory (w/o LS9) (Drive Belt Replacement - Accessory).
2. Remove the crankshaft balancer. Refer to Crankshaft Balancer Replacement (6.2L) (Service and Repair) Crankshaft Balancer Replacement (LS7 and LS3 With Z52) ().




3. Remove the 2 front oil pan to front cover M8 bolts.
4. Remove the water pump. Refer to Water Pump Replacement (Service and Repair).




5. Disconnect the camshaft position (CMP) sensor electrical connector.




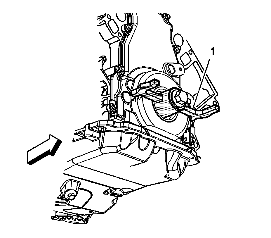
6. Remove the front cover bolts (1).
7. Remove the front cover (2) and gasket (3).
8. Discard the front cover gasket.
9. Clean and inspect the engine front cover. Refer to Engine Front Cover Cleaning and Inspection (LS3 with Z52 Option, LS7, LS9) (52. Engine Front Cover Cleaning and Inspection).




10. Remove the oil seal (140).
11. Remove the bolt (705), camshaft position (CMP) sensor (703).
12. Remove the O-ring (704) from the sensor, as required.

Installation Procedure




1. Apply a 5 mm (0.2 in) bead of sealant 20 mm (0.8 in) long to the engine block. Apply the sealant to the T joint location (a) where the oil pan meets the front of the engine block. Refer to Adhesives, Fluids, Lubricants, and Sealers (6.2L LS3) ([1][2]Fluid Type Specifications) Adhesives, Fluids, Lubricants, and Sealers (6.2L LS9) ([1][2]Fluid Type Specifications) Adhesives, Fluids, Lubricants, and Sealers (7.0L) ([1][2]Fluid Type Specifications) for the correct part number.





Note:
* Do not use the crankshaft oil seal or the engine front cover gasket again.
* Do not apply any type of sealant to the front cover gasket, unless specified.
* The special tools in this procedure are used to properly align the engine front cover at the oil pan surface and to center the crankshaft front oil seal.

- All gasket surfaces should be free of oil or other foreign material during assembly.
The crankshaft front oil seal MUST be centered in relation to the crankshaft.
- The oil pan sealing surface at the front cover and engine block MUST be aligned within specifications.
- An improperly aligned front cover may cause premature front oil seal wear and/or engine assembly oil leaks.

2. Install a NEW crankshaft front oil seal. Refer to Crankshaft Front Oil Seal Replacement (Service and Repair).
3. Install the front cover gasket (3), front cover (2), and bolts (1).

Caution: Refer to Fastener Caution (Fastener Caution).

Note: Start the tool-to-front cover bolts. Do not tighten the bolts at this time.

4. Tighten the cover bolts finger tight. Do not overtighten. Tighten the tool-to-engine block bolts to 25 Nm (18 lb ft).




5. Install the EN-48853 (1) onto the crankshaft.
6. Tighten the crankshaft balancer bolt by hand until snug. Do not overtighten.
7. Install the front cover.

Note: Align the tapered legs of the tool with the machined alignment surfaces on the front cover.

8. Remove the tool.




9. Inspect the CMP sensor O-ring seal (704) for cuts or damage. If the seal is not cut or damaged, it may be used again.
10. Lubricate the O-ring seal with clean engine oil.
11. Install the O-ring seal onto the sensor (703).
12. Install the sensor to the cover.
13. Install the CMP sensor and bolt (705) and tighten to 12 Nm (106 lb in).
14. Install the new crankshaft front oil seal. Refer to Crankshaft Front Oil Seal Replacement (Service and Repair).




15. Connect the CMP sensor electrical connector.
16. Install the water pump. Refer to Water Pump Replacement (Service and Repair).
17. Install the crankshaft balancer. Refer to Crankshaft Balancer Replacement (6.2L) (Service and Repair) Crankshaft Balancer Replacement (LS7 and LS3 With Z52) ().
18. Install the accessory drive belt. Refer to Drive Belt Replacement - Accessory (LS9) (Drive Belt Replacement - Accessory) Drive Belt Replacement - Accessory (w/o LS9) (Drive Belt Replacement - Accessory).