Operation CHARM: Car repair manuals for everyone.
Manuals through 2025 now available!

Our trusted friends have launched a new website named LEMON, which has newer manuals. It also contains all the CHARM manuals.

LEMON is the spiritual successor to CHARM, I recommend you try it!

Link: lemon-manuals.la or lemon-manuals.org.ua

(Some people have issue connecting. LEMON is investigating. For now, use Firefox or change your DNS server)

Or, hide this message: temporarily or permanently

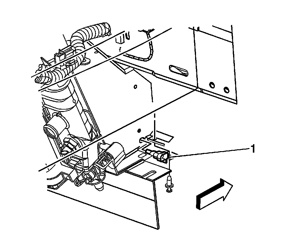
Ambient Temperature Sensor / Switch HVAC: Service and Repair




Ambient Air Temperature Sensor Replacement

Removal Procedure




1. Raise and support the vehicle. Refer to Lifting and Jacking the Vehicle (Service and Repair).
2. Disconnect the ambient air temperature sensor electrical connector.
3. Remove the push-in retainer securing the ambient air temperature sensor to the lower RH side of the radiator support.
4. Remove the ambient air temperature sensor from the radiator support.

Installation Procedure





Important: The ambient air temperature sensor must be orientated so that the sensor probe end is inboard and the electrical connector is outboard.


1. Install the ambient air temperature sensor to the lower radiator support.
2. Install the push-in retainer to secure the ambient air temperature sensor to the radiator support.
3. Connect the ambient air temperature sensor electrical connector.