Operation CHARM: Car repair manuals for everyone.
Manuals through 2025 now available!

Our trusted friends have launched a new website named LEMON, which has newer manuals. It also contains all the CHARM manuals.

LEMON is the spiritual successor to CHARM, I recommend you try it!

Link: lemon-manuals.la or lemon-manuals.org.ua

(Some people have issue connecting. LEMON is investigating. For now, use Firefox or change your DNS server)

Or, hide this message: temporarily or permanently

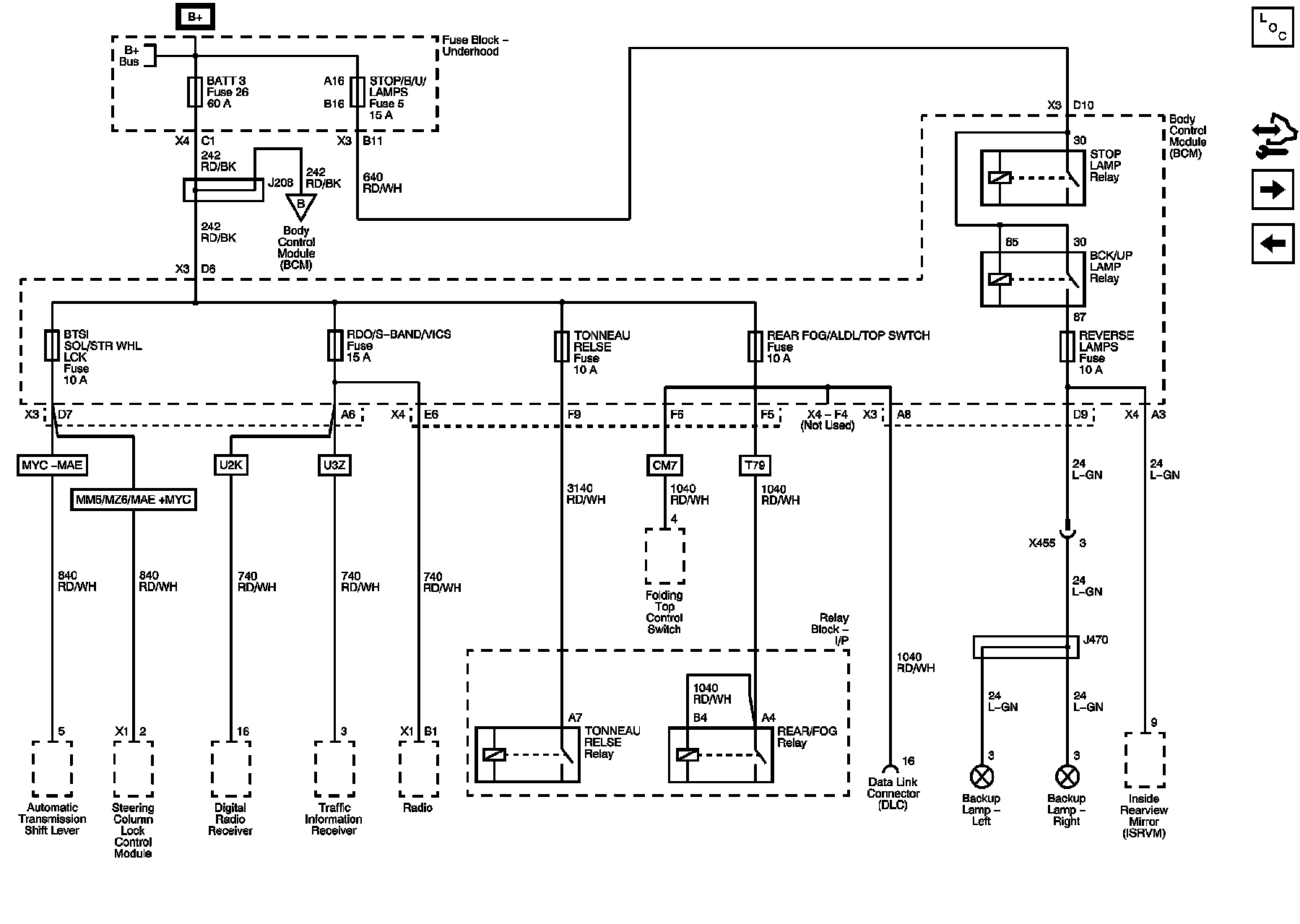
Power Distribution Schematic 7




Power Distribution Schematics

BATT3, BTSI SOL/STR WHL LCK, RDO/S-BAND/VICS, REAR FOG/ALDT/TOP SWTCH, REVERSE LAMPS, STOP/B/U/LAMPS, and TONNEAU RELSE Fuses