Operation CHARM: Car repair manuals for everyone.
Manuals through 2025 now available!

Our trusted friends have launched a new website named LEMON, which has newer manuals. It also contains all the CHARM manuals.

LEMON is the spiritual successor to CHARM, I recommend you try it!

Link: lemon-manuals.la or lemon-manuals.org.ua

(Some people have issue connecting. LEMON is investigating. For now, use Firefox or change your DNS server)

Or, hide this message: temporarily or permanently

Electrical Diagrams



Engine Controls Schematics

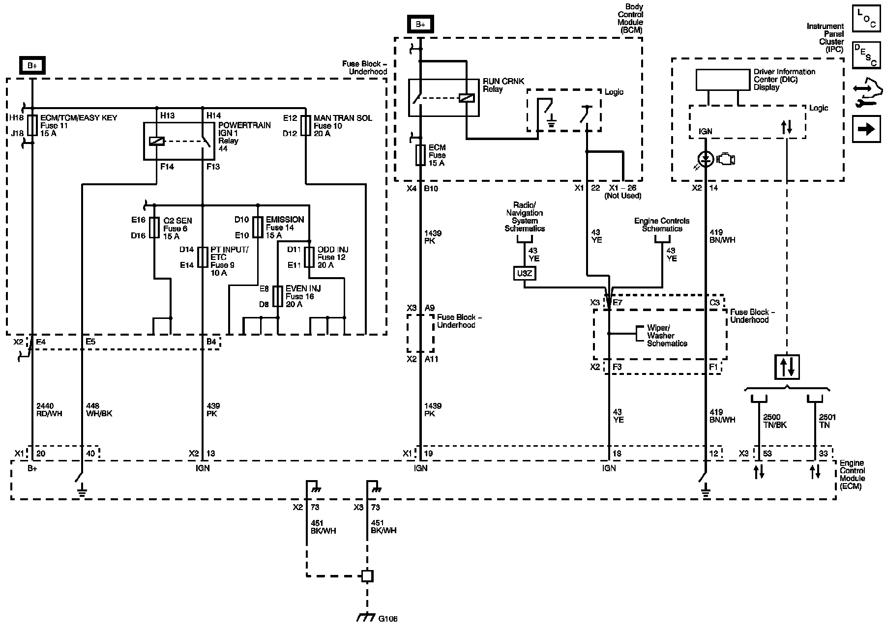
Power, Ground, Serial Data, and MIL






5-Volt Reference Bus






Low Reference Bus






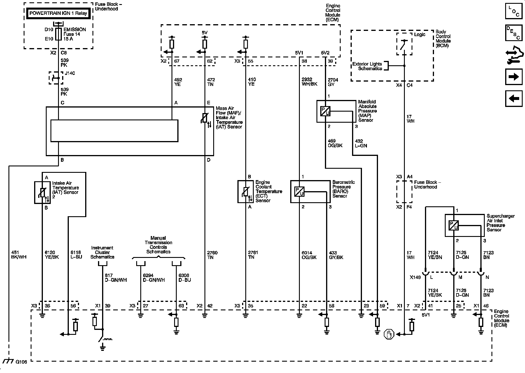
ECT, MAF/IAT, MAP, and Supercharger Air Inlet and Air Outlet Sensors






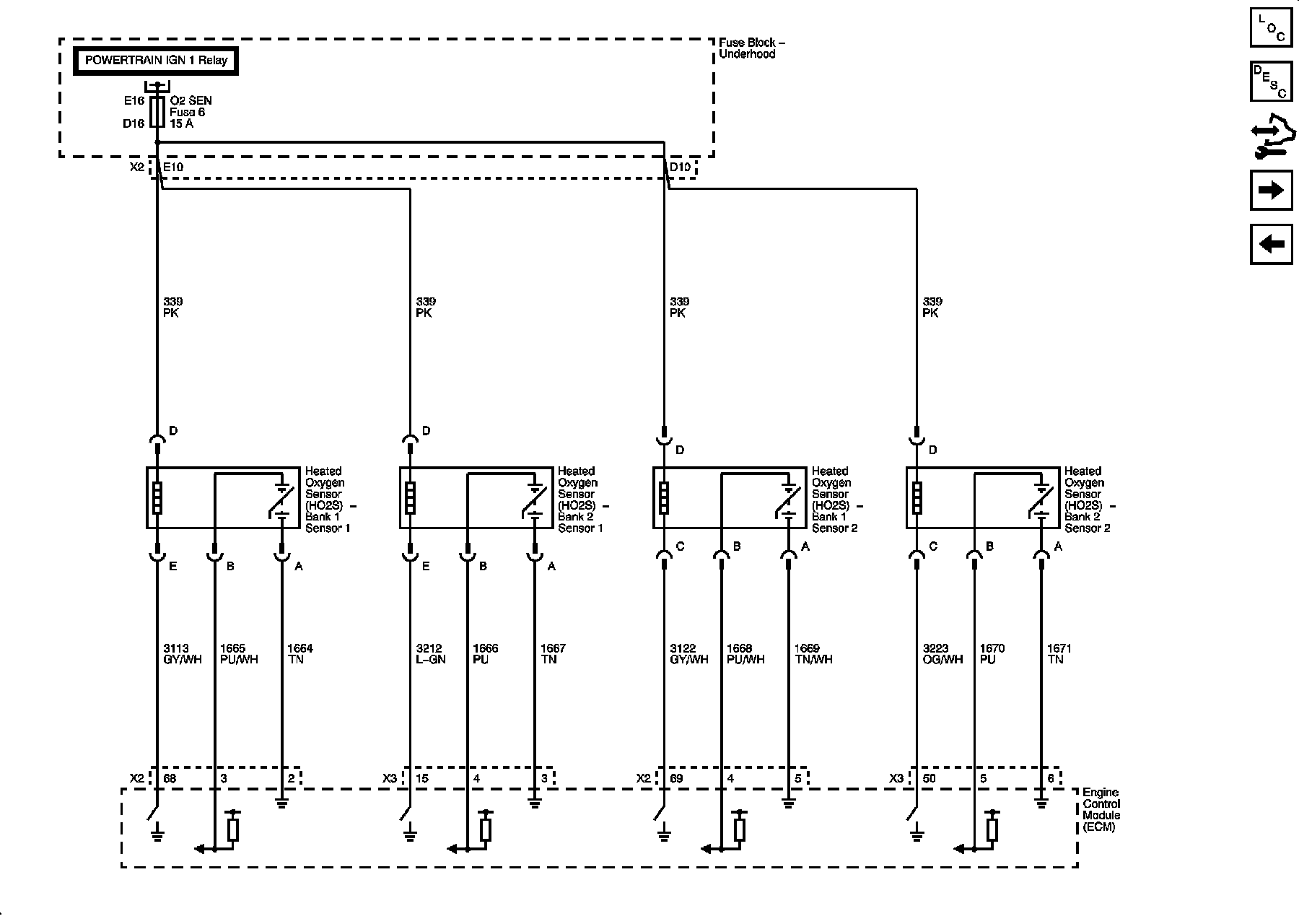
Heated Oxygen Sensors






Electronic Throttle Controls






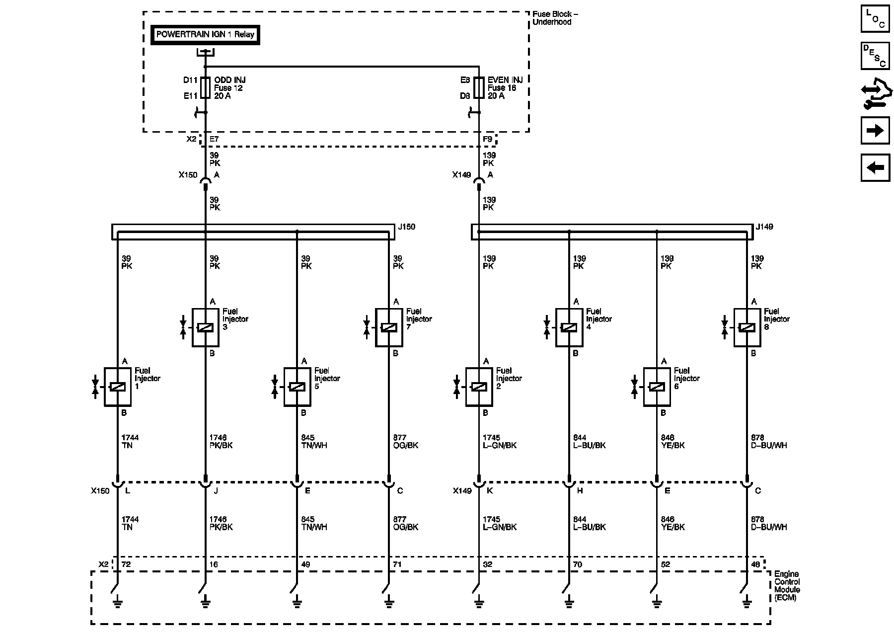
Fuel Injectors






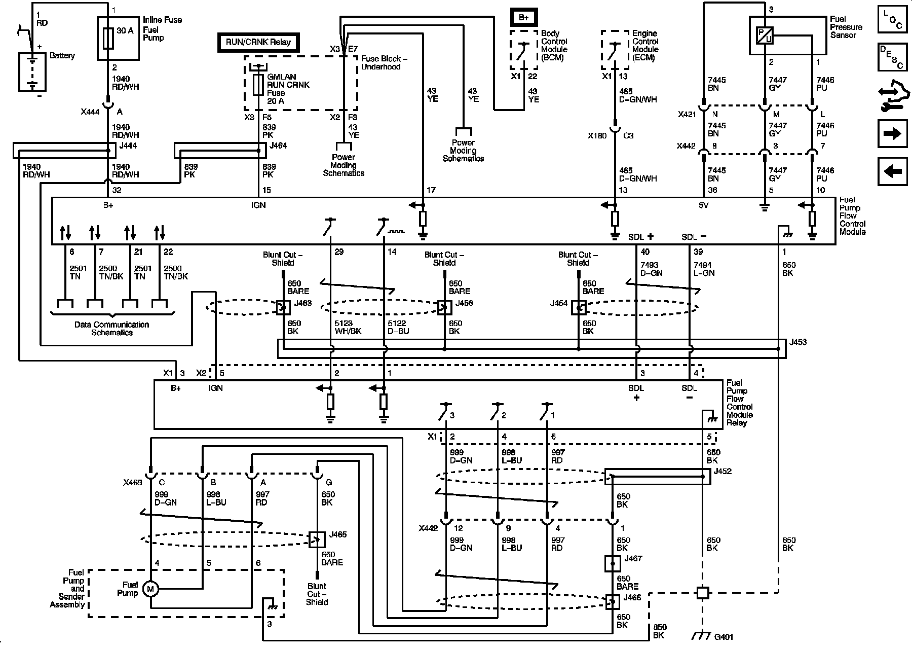
Fuel Pump Controls






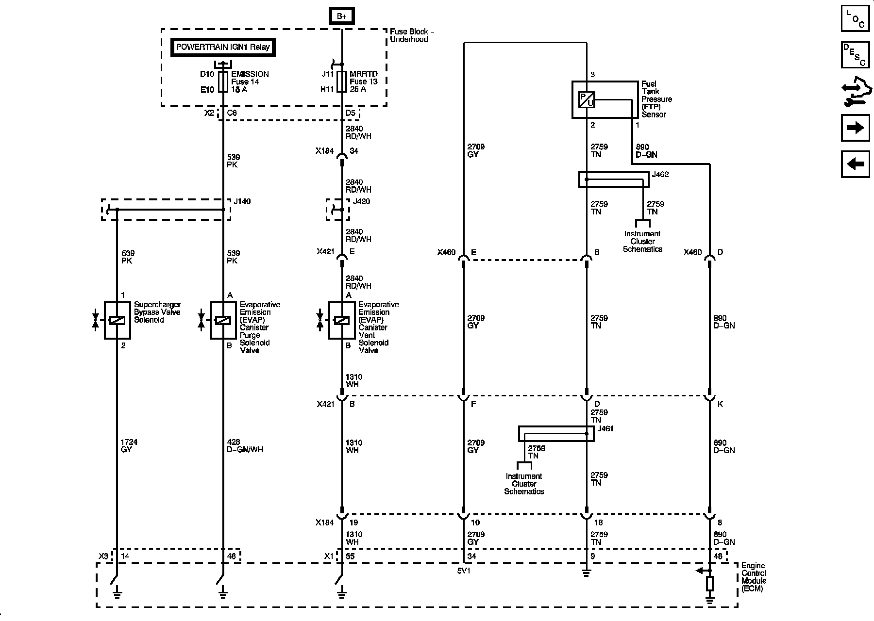
FTP Sensor, and EVAP and Supercharger Bypass Valve Solenoids






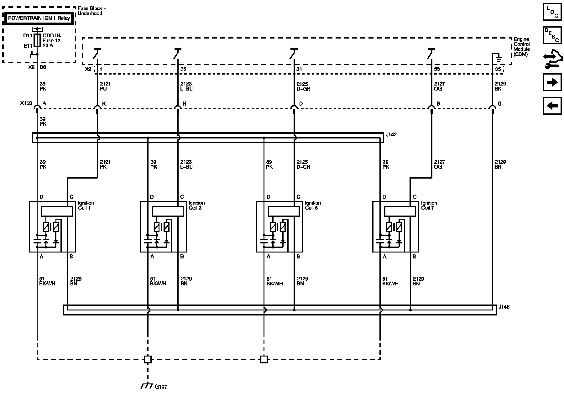
Ignition Controls Bank 1 (Odd) Ignition Coils






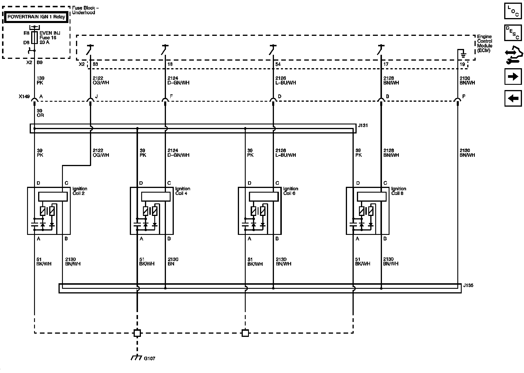
Ignition Controls Bank 2 (Even) Ignition Coils






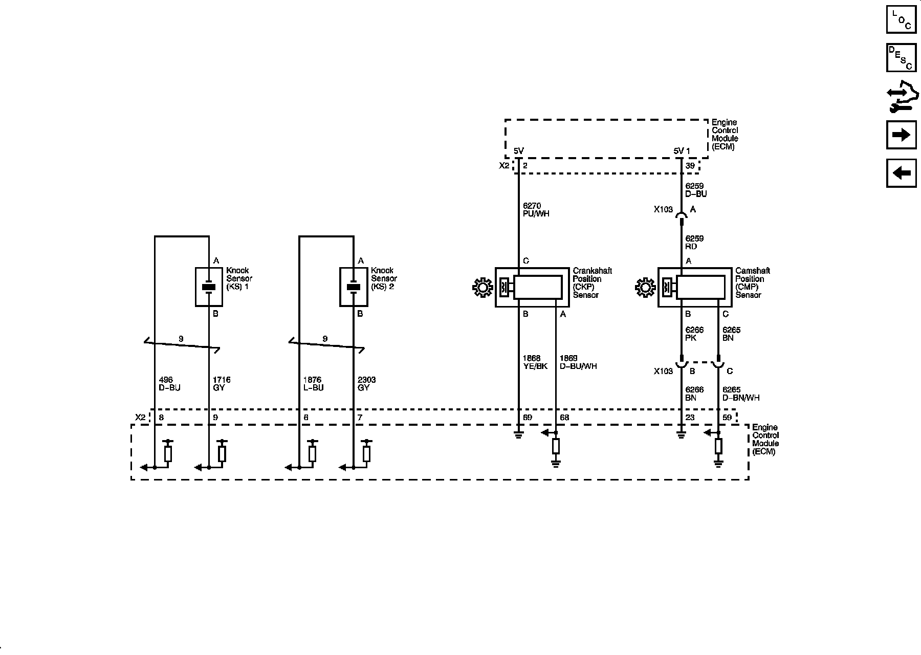
Ignition Controls - CMP, CKP, and KS Sensors






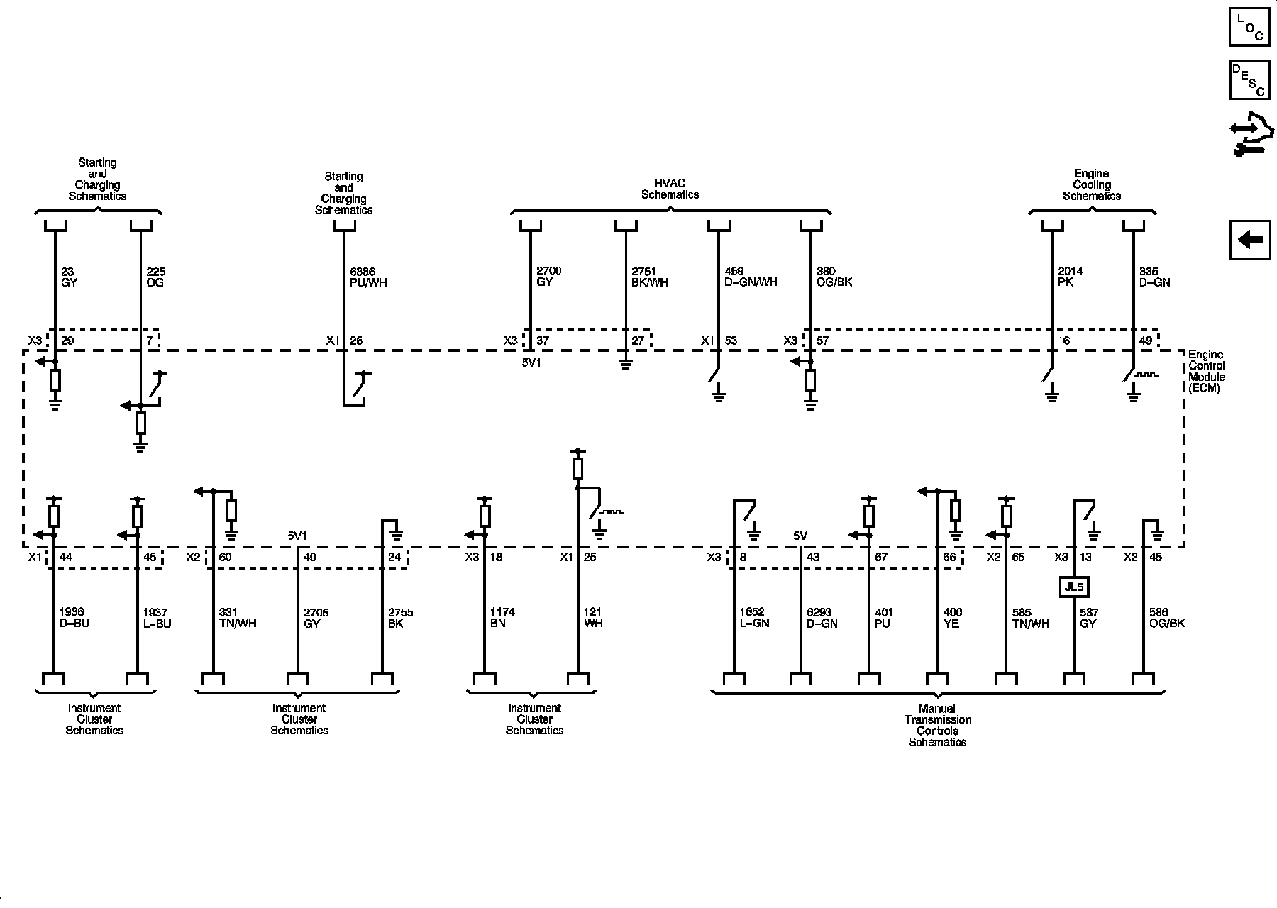
Controlled/Monitored Subsystem References