Operation CHARM: Car repair manuals for everyone.
Manuals through 2025 now available!

Our trusted friends have launched a new website named LEMON, which has newer manuals. It also contains all the CHARM manuals.

LEMON is the spiritual successor to CHARM, I recommend you try it!

Link: lemon-manuals.la or lemon-manuals.org.ua

(Some people have issue connecting. LEMON is investigating. For now, use Firefox or change your DNS server)

Or, hide this message: temporarily or permanently

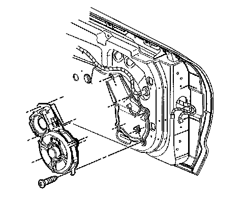
Door Window Regulator Replacement




Door Window Regulator Replacement

Removal Procedure
Warning: Refer to Express Down Feature Warning (Express Down Feature Warning).


Note: The regulator and the motor are serviced as an assembly.




1. Remove the door trim panel. Refer to Front Side Door Trim Panel Replacement - Left Side (Service and Repair) or Front Side Door Trim Panel Replacement - Right Side (Service and Repair).
2. Remove the water deflector.




3. Remove the radio speaker assembly from the door.

1. Disconnect the electrical/audio connector.
2. Remove the speaker retaining screws.




4. Remove the plugs from the window clamp sight access holes.




5. Remove the door window. Refer to Door Window Replacement (Door Window Replacement).




6. Disconnect the regulator motor electrical connector.




7. Remove the front plug from under the bottom of the door.




8. Mark the location of the regulator to aid in reassembly.
9. Remove the nuts from the regulator lower channel studs.
10. Remove the nuts from the regulator motor studs.
11. Remove the regulator rose bud clip from the door.
12. Remove the nuts from the upper regulator channel studs.
13. Fold the regulator and remove the regulator through the door inner opening.

Installation Procedure
Warning: Refer to Express Down Feature Warning (Express Down Feature Warning).





1. Adjust the regulator jack screws to match the old regulator if replacing the regulator.
2. Fold the regulator and insert the folded regulator into the door with the motor forward.




3. Position the motor studs through the door inner panel.

Caution: Refer to Fastener Caution (Fastener Caution).

4. Install the nuts to the motor studs.

Tighten the window regulator motor nuts to 10 Nm (89 lb in).




5. Install the regulator channel studs through the holes in the door.
6. Install the nuts to the regulator channel studs in the following order:

1. Upper forward
2. Lower forward
3. Upper rearward
4. Lower rearward

7. Install the regulator rose bud clip to the door.
8. Tighten the window regulator channel stud nuts.

Tighten the regulator channel stud nuts to 10 Nm (89 lb in).




9. Connect the electrical connector to the motor.
10. Reconnect the window switch and raise the regulator to the full up position.




11. Install the window. Refer to Door Window Replacement (Door Window Replacement).
12. Adjust the window to align with door opening.




13. Install the plugs in the window clamp sight access holes.




14. Install the uppermost screw mounting the speaker assembly to the door.
15. Install the remaining screws in a crisis-cross pattern.

Tighten the door speaker assembly screws to 3 Nm (27 lb in).

16. Connect the electrical/audio connector.
17. Install the water deflector.




18. Install the door trim panel. Refer to Front Side Door Trim Panel Replacement - Left Side (Service and Repair) or Front Side Door Trim Panel Replacement - Right Side (Service and Repair).
19. Check the window fit, adjust as necessary. Refer to Door Window Major Height Adjustment (Door Window Major Height Adjustment), Door Window Tip-In Adjustment (Door Window Tip-In Adjustment) or Door Window Minor Height Adjustment (Door Window Minor Height Adjustment).
20. Install the access plugs into the bottom of the door.
21. Reinitialize the windows. Refer to Power Window Reinitialization (Programming and Relearning).