Operation CHARM: Car repair manuals for everyone.
Manuals through 2025 now available!

Our trusted friends have launched a new website named LEMON, which has newer manuals. It also contains all the CHARM manuals.

LEMON is the spiritual successor to CHARM, I recommend you try it!

Link: lemon-manuals.la or lemon-manuals.org.ua

(Some people have issue connecting. LEMON is investigating. For now, use Firefox or change your DNS server)

Or, hide this message: temporarily or permanently

System Diagram



Engine Controls Schematics

Module Power, Ground, Serial Data, and MIL (LAF)






5V1 and Low Reference Bus (LAF)






5V2, 5V3, 5V4, and Low Reference Bus (LAF)






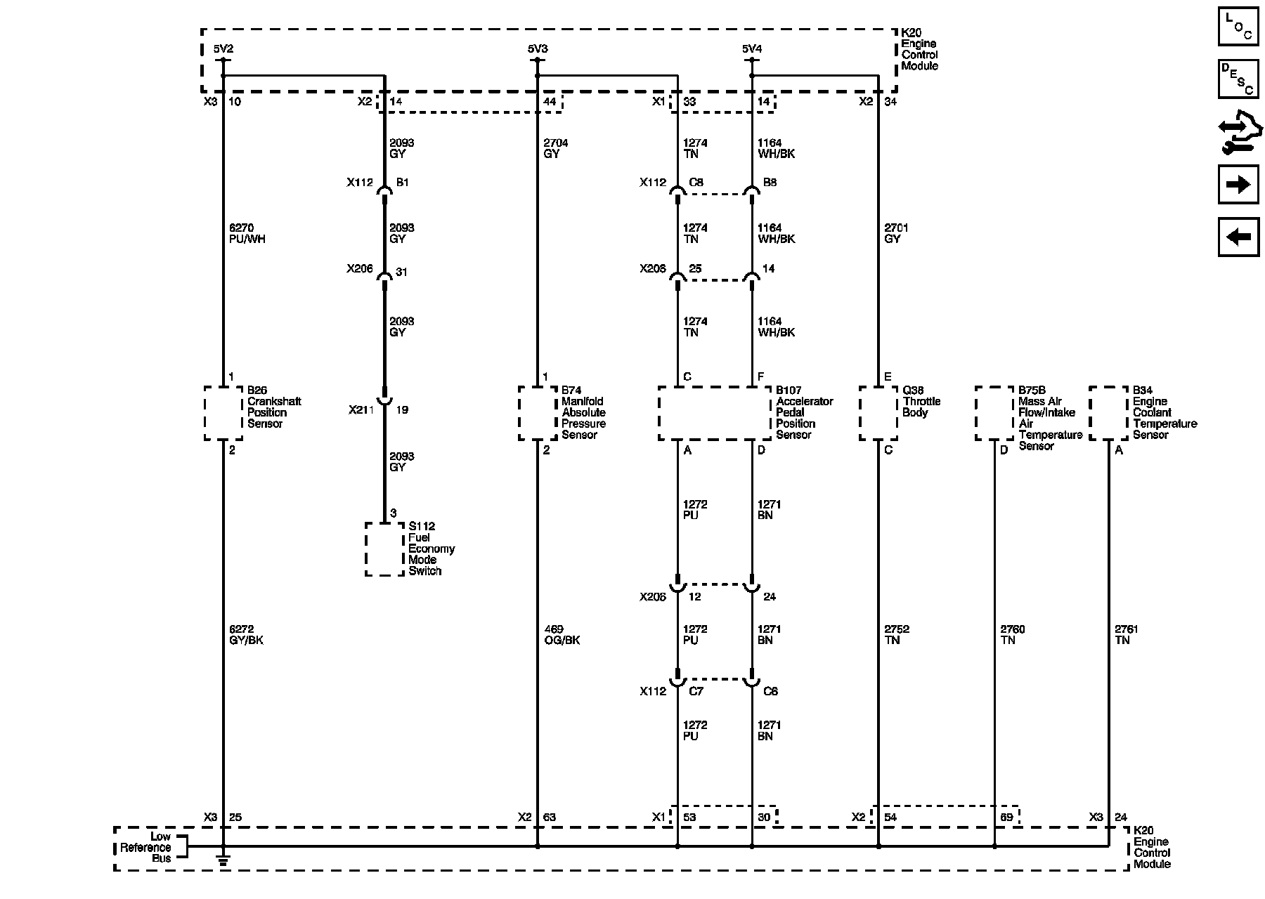
Engine Data Sensors - Pressure, Temperature, and Throttle Controls (LAF)






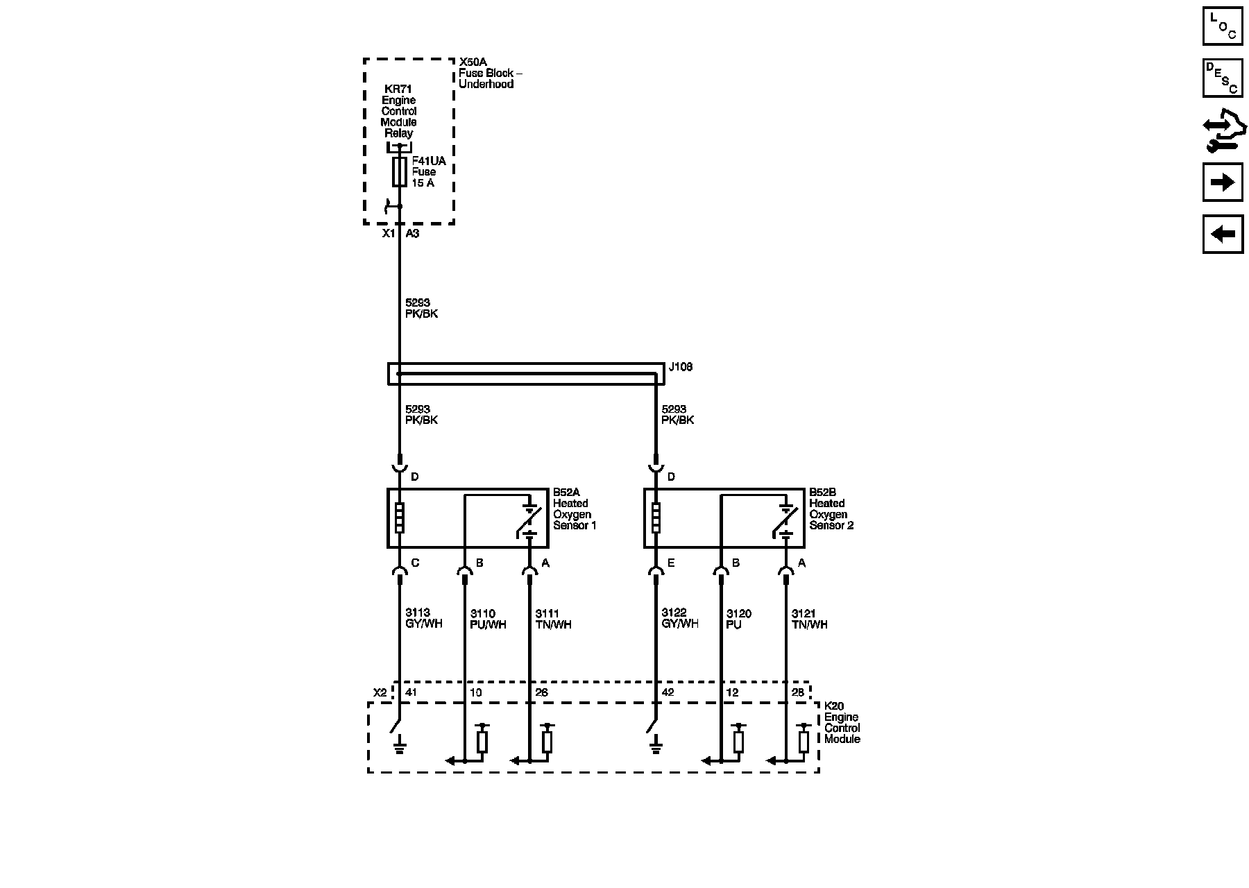
Engine Data Sensors - Oxygen Sensors (LAF)






Ignition Controls - Ignition System (LAF)






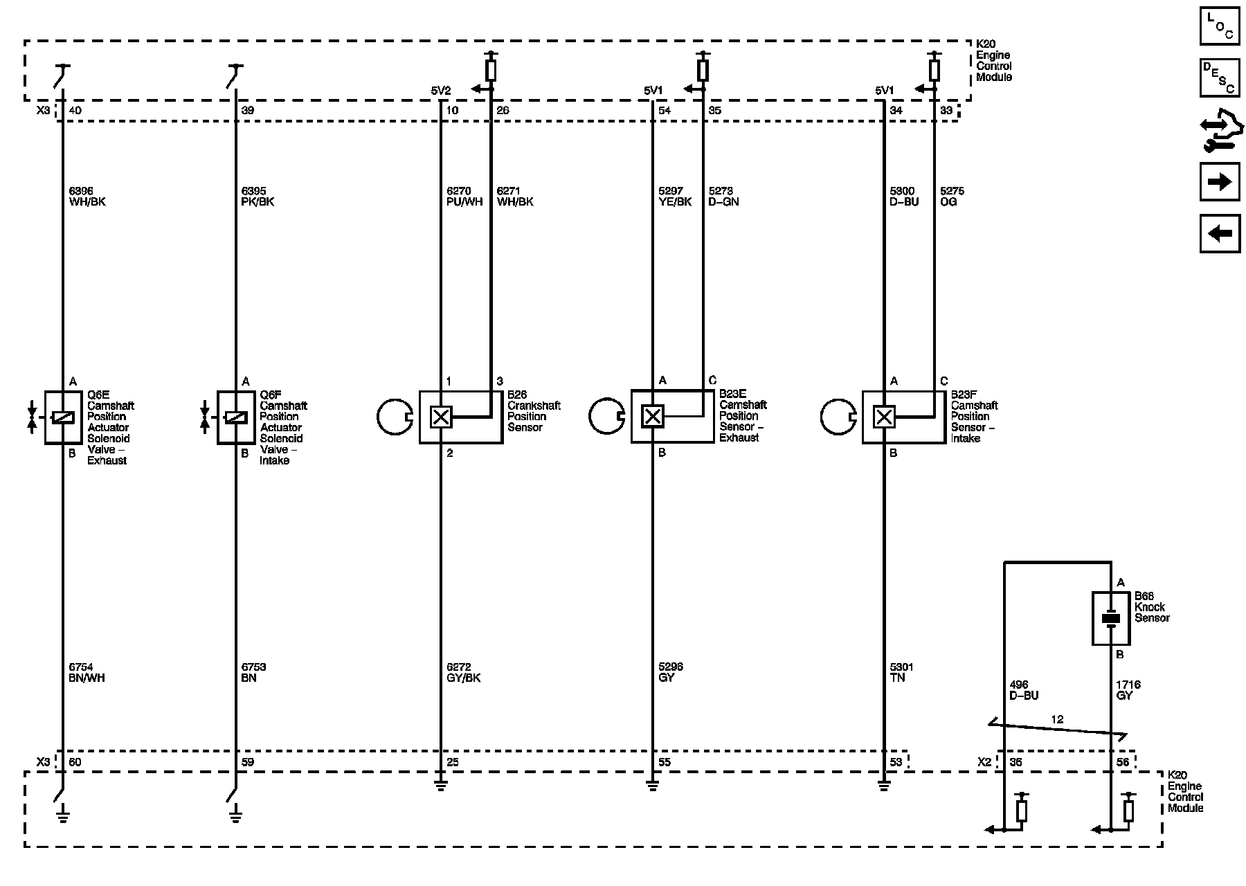
Ignition Controls - CKP, CMP, KS Sensors, and CMP Actuators (LAF)






Fuel Controls - Fuel Injectors, Fuel Rail Pressure Sensor, and High Pressure Fuel Pump (LAF)






Fuel Controls - Fuel Pump Flow Control (LAF)






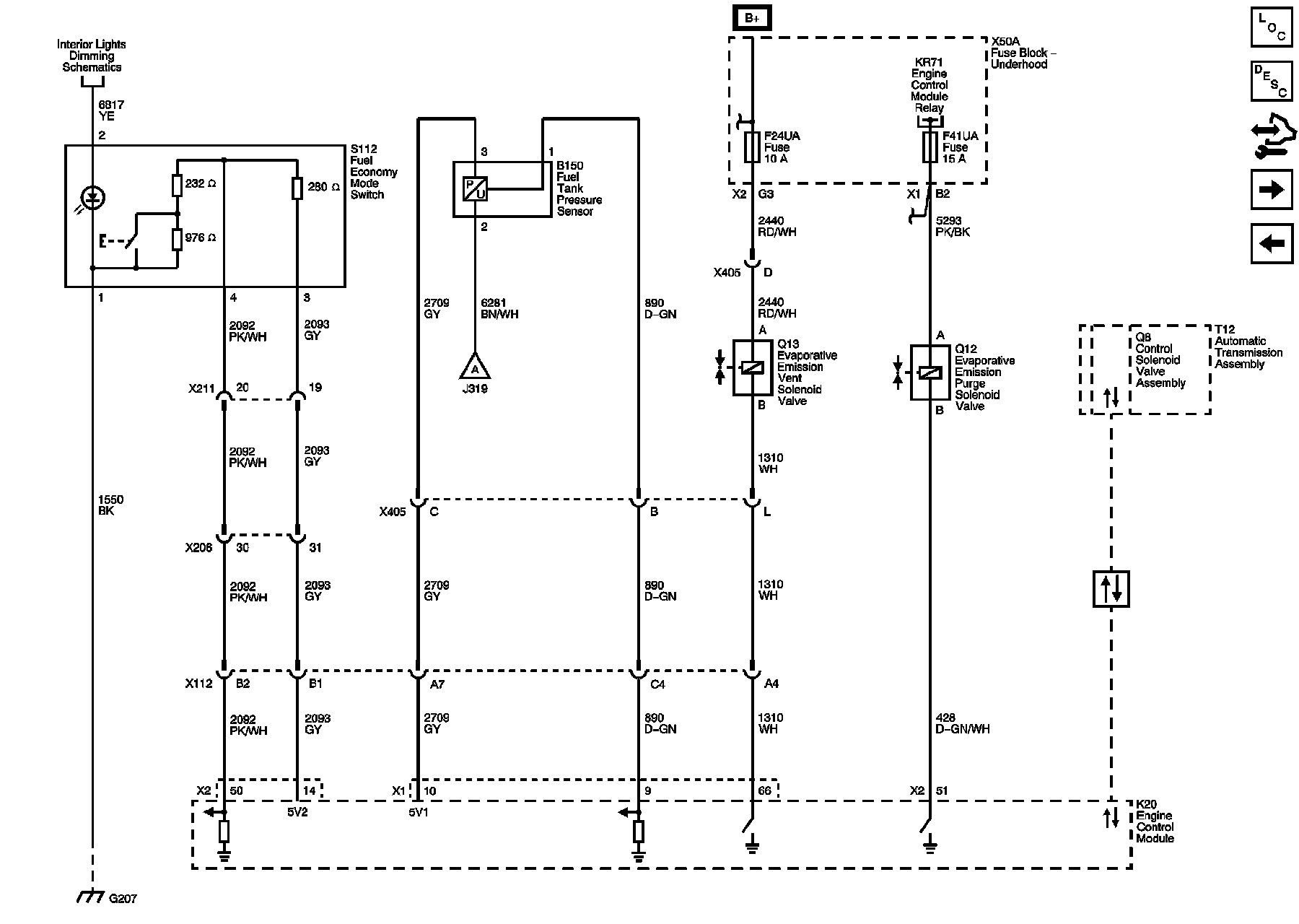
Fuel Controls - EVAP and Fuel Economy Controls (LAF)






Subsystem References (LAF)