Operation CHARM: Car repair manuals for everyone.
Manuals through 2025 now available!

Our trusted friends have launched a new website named LEMON, which has newer manuals. It also contains all the CHARM manuals.

LEMON is the spiritual successor to CHARM, I recommend you try it!

Link: lemon-manuals.la or lemon-manuals.org.ua

(Some people have issue connecting. LEMON is investigating. For now, use Firefox or change your DNS server)

Or, hide this message: temporarily or permanently

Installation Procedure




Engine Replacement

Installation Procedure




1. Using a engine hoist, remove the engine from the engine stand.
2. Install the following components:

* The engine mount bracket
* The engine block heater, if equipped
* The generator

3. If equipped with a manual transaxle, install the clutch pressure plate and disc. Refer to Clutch Pressure and Driven Plate Replacement (Service and Repair).
4. Install the engine to the transaxle.

Caution: Refer to Fastener Caution (Fastener Caution).

5. If equipped with a automatic transaxle, install the transaxle to engine bolts/stud.

Tighten the bolt/stud to 75 Nm (55 lb ft).




6. If equipped with a manual transaxle, install the transaxle to engine bolts/stud.

Tighten the bolt/stud to 75 Nm (55 lb ft).




7. If equipped with a automatic transaxle, install the transaxle brace and bolts.

Tighten the bolts to 50 Nm (37 lb ft).




8. If equipped with a automatic transaxle, install the torque converter bolts.

Tighten the bolts to 62 Nm (46 lb ft).




9. If equipped with a automatic transaxle, install the torque converter housing access plug.




10. Remove the engine lift hoist from the engine lift hooks.
11. Slide the lift table under the vehicle.
12. Slowly lower the vehicle until the frame bolts align with the holes in the body.
13. Install the frame bolts.

Tighten the bolts to 100 Nm (74 lb ft) plus an additional 180 degrees using the J 45059 .




14. Install the transaxle mount to transaxle bolts.
15. Tighten the transaxle mount to transaxle bolts in the following sequence:

1. Rear
2. Middle
3. Front

Tighten the bolts to 50 Nm (37 lb ft).




16. Install the engine mount bracket bolts.
17. Tighten the engine mount to bracket bolts in the following sequence:

1. Middle
2. Rear
3. Front

Tighten the bolts to 50 Nm (37 lb ft).

18. Raise the vehicle until the lift table can be removed from under the vehicle.
19. Remove the lift table.




20. Unsecure the radiator assembly from the radiator core support.
21. Install the lower radiator support bolts.

Tighten the bolts to 34 Nm (25 lb ft).




22. Unsecure the wheel drive shaft.
23. Install the J 44394-A into the right transaxle output shaft seal.
24. Install the right wheel drive shaft into the transaxle until the drive shaft splines are past the seal, remove the J 44394-A , then fully install the drive shaft.
25. Verify that the wheel drive shaft is properly engaged:

* Grasp the inner tripot housing and pull the inner housing outward. Do NOT pull on the wheel drive shaft.
* The wheel drive shaft will remain firmly in place when properly engaged.

26. Repeat steps 22 through 25 for the left side.




27. Install the left and right lower ball joints to the steering knuckles.
28. Install the ball joint to steering knuckle bolts and nuts.

* Tighten the nut a first pass to 50 Nm (37 lb ft), then loosen the nut 3/4 of a turn.
* Tighten the nut a final pass to 50 Nm (37 lb ft) plus an additional 30 degrees using the J 45059 .




29. Install the left and right outer tie rods to the steering knuckles.
30. Install the NEW left and right steering gear outer tie rod to knuckle nuts.

Tighten the nut to 25 Nm (18 lb ft) plus an additional 90 degrees using the J 45059 .




31. Install the left and right stabilizer links to the struts.
32. Install the stabilizer link to strut nuts.

Tighten the nut to 65 Nm (48 lb ft).

33. Lower the vehicle.




34. If equipped with a automatic transaxle, install the oil cooler lines to the transaxle.
35. Install the oil cooler line nut.

Tighten the nut to 7 Nm (62 lb in).




36. If equipped with a manual transaxle, install the range selector and shift lever cables to the transaxle bracket.
37. Install the range selector and shift lever cables to the transaxle levers.




38. If equipped with a automatic transaxle, install the range selector lever cable to the transaxle bracket.
39. Connect the range selector lever cable to the transaxle lever.




40. Gather all engine harness branches and position the harness over the engine.
41. If equipped with a manual transaxle perform the following steps, install the engine harness clip (6) to the transaxle.
42. Connect the engine harness electrical connector (7) to the back up lamp switch.
43. Connect the engine harness electrical connector (4) to the HO2S.
44. Install the engine harness electrical connector clip (5) to the transaxle rear mount bracket.
45. Install the engine harness clip (2) to the transaxle.
46. Install the CPA retainer (3).
47. Connect the engine harness electrical connector (1) to the VSS.




48. If equipped with a automatic transaxle perform the following steps, connect the engine harness electrical connector (3) to the HO2S.
49. Install the CPA retainer (2).
50. Install the engine harness electrical connector clip (4) to the transaxle rear mount bracket.
51. Install the engine harness clip (1) to the transaxle stud.
52. Connect the engine harness electrical connector (6) to the park neutral position switch.
53. Install the CPA retainer (5).




54. If equipped with a manual transaxle perform the following steps, connect the engine harness electrical connector (3) to the HO2S.
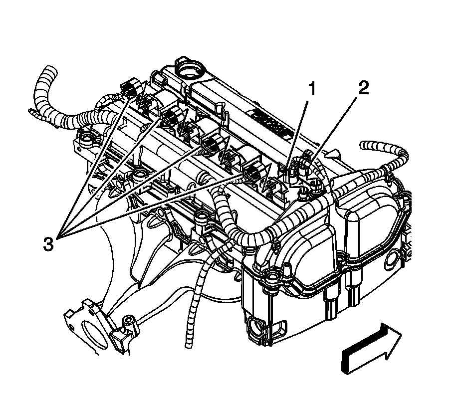
55. Install the CPA retainer (2).
56. Connect the ECT sensor electrical connector (1).




57. If equipped with a automatic transaxle perform the following steps, connect the engine harness electrical connector (3) to the HO2S.
58. Install the CPA retainer (2).
59. Connect the ECT sensor electrical connector (1).




60. If equipped with a automatic transaxle, connect the engine harness to the transaxle.




61. If equipped with a automatic transaxle, install the engine harness clip (3) to the speed sensor.
62. Connect the VSS electrical connector (4).
63. Install the engine harness clip (1) to the stud.
64. Install the engine harness clip nut (2) to the engine stud.

Tighten the nut to 10 Nm (89 lb in).




65. Install the engine harness lead terminal (1) to the generator.
66. Install the generator nut (2).

Tighten the nut to 20 Nm (14 lb ft).

67. Raise and support the vehicle.
68. Install the engine harness ground (8) to the engine block.
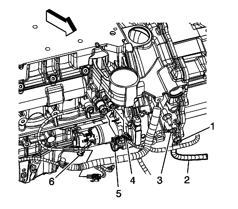
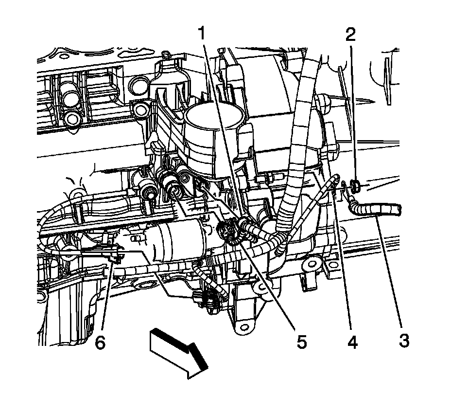
69. Install the engine harness ground bolt (7).

Tighten the bolt to 25 Nm (18 lb ft).




70. Unsecure the A/C compressor and position to the engine block. Install the A/C compressor bolts.

Tighten the bolts to 22 Nm (16 lb ft).

71. Connect the A/C compressor electrical connector (2).
72. Connect the A/C pressure switch electrical connector (1).
73. Raise and support the vehicle.




74. If equipped with a manual transaxle perform the following steps, install the engine harness ground terminal (4) to the stud.
75. Install the positive/negative cable (3) terminal to the stud.
76. Install the positive/negative battery cable ground nut (2).

Tighten the nut to 10 Nm (89 lb in).

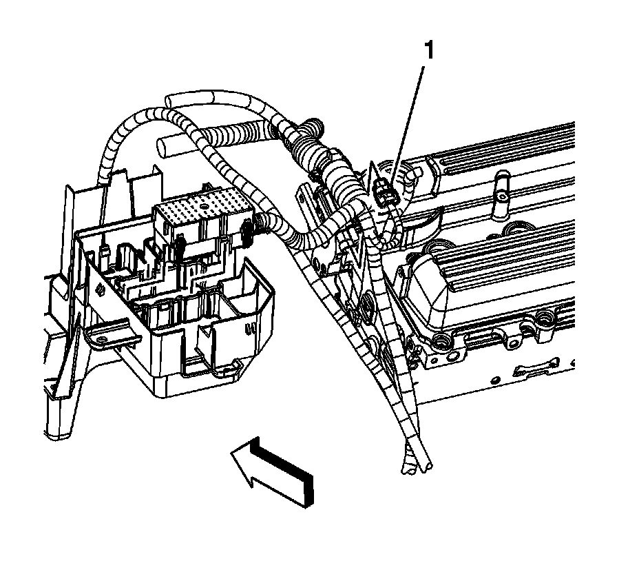
77. Connect the following electrical connectors:

* CKP sensor (1)
* Oil pressure sensor (5)
* Knock sensor (6)




78. If equipped with a automatic transaxle perform the following steps, install the engine harness ground terminal (3) to the stud.
79. Install the positive/negative cable (2) terminal to the stud.
80. Install the positive/negative battery cable ground nut (1).

Tighten the nut to 10 Nm (89 lb in).

81. Connect the following electrical connectors:

* CKP sensor (4)
* Oil pressure sensor (5)
* Knock sensor (6)

82. Install the starter. Refer to Starter Replacement (Service and Repair).




83. Install the engine harness clips (2, 4) to the intake manifold.
84. Lower the vehicle.
85. Install the engine harness clip (1) to the oil level indicator tube bracket.




86. Install the engine harness clip (1) to the transaxle stud.
87. Install the engine harness clip nut (2).

Tighten the nut to 10 Nm (89 lb in).




88. Install the engine harness clips (1, 2) to the camshaft cover.




89. Connect the intake (2) and exhaust (1) camshaft position actuator electrical connectors.
90. Connect the ignition coils electrical connectors (3).




91. Connect the following electrical connectors:

* TAC (1)
* MAP sensor
* Fuel injector harness (2)
* Generator (3)




92. Install the brake booster vacuum hose to the intake manifold.
93. Position the brake booster vacuum hose clamp at the intake manifold.




94. Position the engine coolant heater cord, if equipped.
95. Install the engine coolant heater cord straps to the engine harness, if equipped.




96. Connect the engine coolant heater cord, if equipped.




97. If the vehicle is not equipped with a engine oil cooler, install the radiator outlet hose to the engine.
98. Position the radiator outlet hose clamp at the engine.




99. If the vehicle is equipped with a engine oil cooler perform the following steps, install the radiator outlet hose to the oil cooler.
100. Install the radiator outlet hose to the water outlet.
101. Position the radiator outlet hose clamp (2) at the oil cooler.
102. Position the radiator outlet hose clamp (1) at the water outlet.




103. Install the heater inlet and outlet hoses to the thermostat housing.
104. Position the heater inlet and outlet hose clamps at the thermostat housing.




105. Connect the intake (2) and exhaust (1) CMP sensor electrical connectors.




106. Install the engine harness clip (1) to the EVAP purge solenoid bracket.




107. Connect the EVAP purge solenoid electrical connector (1).




108. Install the radiator inlet hose to the engine.
109. Position the radiator inlet hose clamp at the engine.




110. Position and install the ECM bracket to the studs.
111. Install the ECM bracket nuts (1) and bolts (2).

* Tighten the bolts to 25 Nm (18 lb ft).
* Tighten the nuts to 10 Nm (89 lb in).




112. Install the positive battery cable terminal (1) to the junction block stud.




113. Install the positive/negative battery cable terminal (2) to the stud.
114. Install the junction block terminal nut (1).

Tighten the nut to 15 Nm (11 lb ft).

115. Close the junction block terminal cover.




116. Connect the engine harness electrical connectors (1, 2) to the ECM.




117. Connect the body harness electrical connector (1) to the ECM.




118. Install the ECM/TCM cover.
119. Raise the vehicle.




120. Connect the cooling fan electrical connector.
121. Install the catalytic converter. Refer to Catalytic Converter Replacement (LNF) (Service and Repair)Catalytic Converter Replacement (LE5, L61) (Service and Repair).
122. Install the left side engine splash shield. Refer to Engine Splash Shield Replacement (Service and Repair).
123. Install the engine drive belt. Refer to Drive Belt Replacement (Service and Repair).
124. Install the windshield washer solvent reservoir. Refer to Windshield Washer Solvent Container Replacement (Service and Repair).




125. Connect the EVAP line to the EVAP purge solenoid. Refer to Plastic Collar Quick Connect Fitting Service (Plastic Collar Quick Connect Fitting Service).




126. Connect the fuel feed line to the fuel rail. Refer to Metal Collar Quick Connect Fitting Service (Metal Collar Quick Connect Fitting Service).
127. Connect the negative battery cable. Refer to Battery Negative Cable Disconnection and Connection (Battery Negative Cable Disconnection and Connection).
128. Perform the engine prelubing procedure. Refer to Engine Prelubing (Overhaul).
129. Fill the cooling system. Refer to Cooling System Draining and Filling (Static Fill-LNF) (Cooling System Draining and Filling (Static Fill))Cooling System Draining and Filling (Static Fill-LE8, LE9) (Cooling System Draining and Filling (Static Fill))Cooling System Draining and Filling (GE 47716 Fill) (Cooling System Draining and Filling (GE 47716 Fill)).
130. Check the automatic transaxle fluid, if equipped, add as needed. Refer to Transmission Fluid Level and Condition Check (Transmission Fluid Level and Condition Check).
131. Check the manual transaxle fluid, if equipped, add as needed. Refer to Transmission Fluid Level and Condition Check (Testing and Inspection).
132. Install the air cleaner assembly. Refer to Air Cleaner Assembly Replacement (Service and Repair).
133. Close the hood.
134. Check the front alignment. Refer to Wheel Alignment Measurement (Wheel Alignment Measurement).