Operation CHARM: Car repair manuals for everyone.
Manuals through 2025 now available!

Our trusted friends have launched a new website named LEMON, which has newer manuals. It also contains all the CHARM manuals.

LEMON is the spiritual successor to CHARM, I recommend you try it!

Link: lemon-manuals.la or lemon-manuals.org.ua

(Some people have issue connecting. LEMON is investigating. For now, use Firefox or change your DNS server)

Or, hide this message: temporarily or permanently

Power Window Motor: Locations




Door Component Views

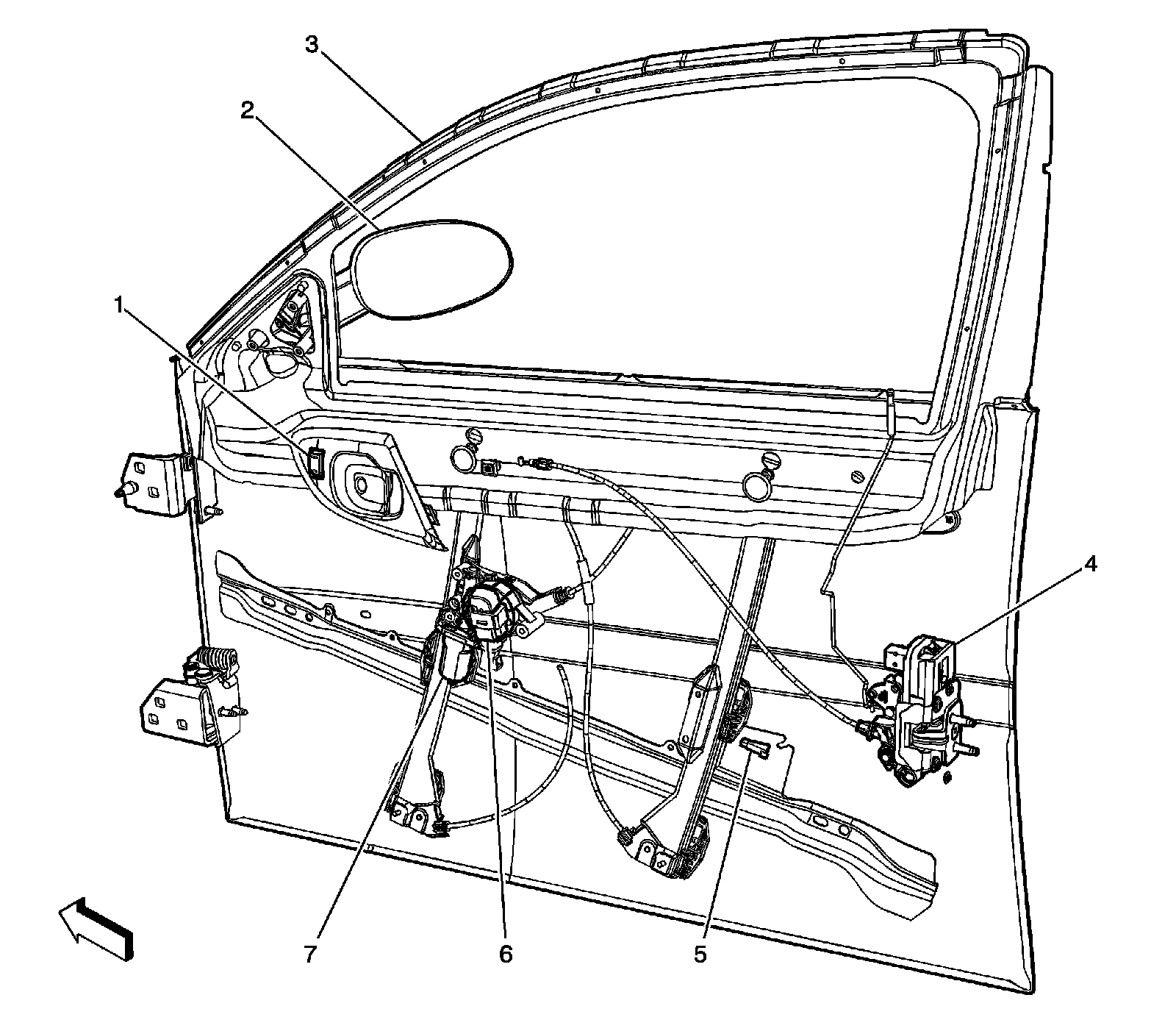
Driver Door




1 - Door Frame
2 - Outside Rearview Mirror - Driver
3 - Door Lock Switch - Driver
4 - Window Switch - Driver
5 - Outside Rearview Mirror Switch
6 - Window Motor - Driver
7 - Inflatable Restraint Side Impact Sensor (SIS) Left (AY1)
8 - Door Lock - Driver

Passenger Door




1 - Door Lock Switch - Passenger
2 - Outside Rearview Mirror - Passenger
3 - Door Frame
4 - Door Lock - Passenger
5 - Inflatable Restraint Side Impact Sensor (SIS) Right (AY1)
6 - Window Switch - Passenger
7 - Window Motor - Passenger

Left Rear Door




1 - Door Frame
2 - Window Switch - Left Rear
3 - Window Motor - Left Rear
4 - Door Lock - Left Rear

Right Rear Door




1 - Window Switch - Right Rear
2 - Door Frame
3 - Door Lock - Right Rear
4 - Window Motor - Right Rear