Operation CHARM: Car repair manuals for everyone.
Manuals through 2025 now available!

Our trusted friends have launched a new website named LEMON, which has newer manuals. It also contains all the CHARM manuals.

LEMON is the spiritual successor to CHARM, I recommend you try it!

Link: lemon-manuals.la or lemon-manuals.org.ua

(Some people have issue connecting. LEMON is investigating. For now, use Firefox or change your DNS server)

Or, hide this message: temporarily or permanently

Battery Positive Cable Replacement (with TP2)




Battery Positive Cable Replacement (with TP2)

Removal Procedure




1. Disconnect the negative battery cable. Refer to Battery Negative Cable Disconnection and Connection (Battery Negative Cable Disconnection and Connection).
2. Remove the upper intake manifold sight shield. Refer to Upper Intake Manifold Sight Shield Replacement (Upper Intake Manifold Sight Shield Replacement).
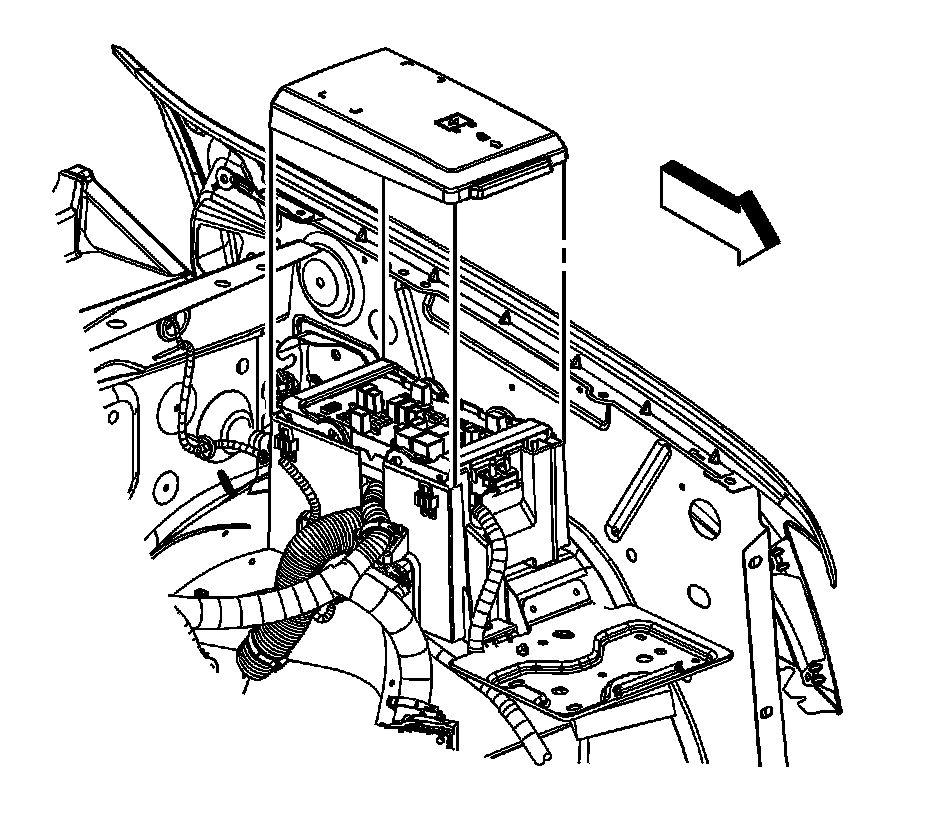
3. Remove the underhood junction block cover.




4. Lift the junction block retainers from the locked position (3) and rotate the retainers to the open position (1).
5. Reposition the junction block.




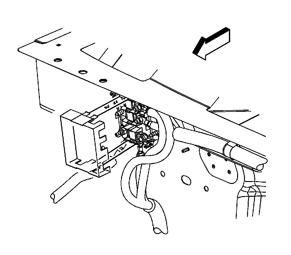
6. Remove the positive battery cable connector (1) from the underhood bussed electrical center (UBEC).




7. Disconnect the positive battery cable (1) from the glow plug control module.




8. Remove the mega fuse cover.




9. Remove the positive battery cable to mega fuse nuts (1).
10. Remove the positive battery cable terminals from the mega fuse studs.




11. Remove the positive battery cable clip nuts (2) from the studs on the plenum front panel.
12. Remove the positive battery cable clip (1) from the stud on the plenum front panel.




13. Remove the positive battery cable clips (1) from the studs on the plenum front panel.
14. Remove the positive battery cable from the vehicle.

Installation Procedure




1. Install the positive battery cable to the vehicle.
2. Install the positive battery cable clips (1) onto the studs on the plenum front panel.




3. Install the positive battery cable clip (1) onto the stud on the plenum front panel.

Caution: Refer to Fastener Caution (Fastener Caution).

4. Install the positive battery cable clip nuts (2) to the studs on the plenum front panel and tighten to 3 Nm (27 lb in).




5. Install the positive battery cable terminals onto the mega fuse studs.
6. Install the positive battery cable to mega fuse nuts (1) and tighten to 7.5 Nm (66 lb in).




7. Install the mega fuse cover.




8. Connect the positive battery cable (1) to the glow plug control module.




9. Install the positive battery cable connector (1) to the UBEC.




10. Ensure that the junction block retainers are in the open position (1).
11. Position and align the junction block to the 4 bracket pivots (2), once the pivots are engaged, push the retainers down into the locked position (3).




12. Install the underhood junction block cover.
13. Install the upper intake manifold sight shield. Refer to Upper Intake Manifold Sight Shield Replacement (Upper Intake Manifold Sight Shield Replacement).
14. Connect the negative battery cable. Refer to Battery Negative Cable Disconnection and Connection (Battery Negative Cable Disconnection and Connection).