Operation CHARM: Car repair manuals for everyone.
Manuals through 2025 now available!

Our trusted friends have launched a new website named LEMON, which has newer manuals. It also contains all the CHARM manuals.

LEMON is the spiritual successor to CHARM, I recommend you try it!

Link: lemon-manuals.la or lemon-manuals.org.ua

(Some people have issue connecting. LEMON is investigating. For now, use Firefox or change your DNS server)

Or, hide this message: temporarily or permanently

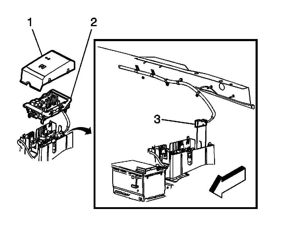
Battery Positive Cable Replacement (without TP2)




Battery Positive Cable Replacement (without TP2)

Removal Procedure

1. Disconnect the negative battery cable. Refer to Battery Negative Cable Disconnection and Connection (Battery Negative Cable Disconnection and Connection).




2. Remove the underhood fuse block cover (1).
3. Lift the fuse block retainers (2) from the locked position and rotate the retainers to the open position.
4. Reposition the fuse block and remove the battery positive connector (3) from the underhood fuse block base.




5. Remove the battery positive cable retainers (1) from the studs on the plenum front panel.




6. Remove the cover to the battery fuse block.
7. Remove the battery positive cable nut (1) from the battery fuse block.
8. Remove the positive battery cable from the vehicle.

Installation Procedure





Caution: Refer to Fastener Caution (Fastener Caution).

1. Install the battery positive cable to the battery fuse block with nut (1) and tighten to 10 Nm (88 lb in)




2. Install the battery positive cable retainers (1) to the upper plenum.Install the battery positive cable clip nuts (1) to the studs on the upper plenum.




3. Install the battery positive cable connector (3) to the underhood fuse block.
4. Ensure that the underhood fuse block retainers (2) are in the open position.
5. Position and engage the junction block to the 4 bracket pivots, push the retainers (2) down into the locked position.
6. Install the underhood fuse block cover.
7. Connect the negative battery cable. Refer to Battery Negative Cable Disconnection and Connection (Battery Negative Cable Disconnection and Connection).