Operation CHARM: Car repair manuals for everyone.
Manuals through 2025 now available!

Our trusted friends have launched a new website named LEMON, which has newer manuals. It also contains all the CHARM manuals.

LEMON is the spiritual successor to CHARM, I recommend you try it!

Link: lemon-manuals.la or lemon-manuals.org.ua

(Some people have issue connecting. LEMON is investigating. For now, use Firefox or change your DNS server)

Or, hide this message: temporarily or permanently

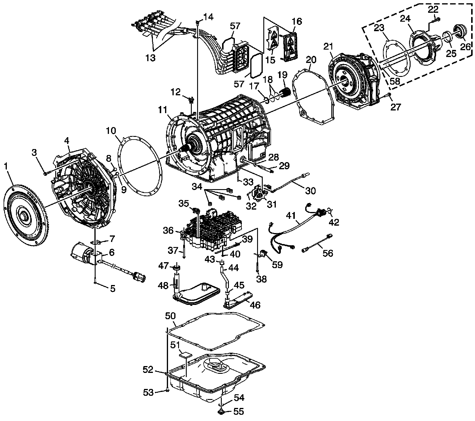
Disassembled Views




Disassembled Views

Case and Associated Parts




1 - A/Trans Torque Dampener Assembly
3 - A/Trans Fluid Pump Cover Bolt
4 - A/Trans Torque Dampener (w/Fluid Pump) Housing Assembly
5 - A/Trans Auxiliary Fluid Pump Bolt
6 - A/Trans Auxiliary Fluid Pump Assembly
7 - A/Trans Auxiliary Fluid Pump Gasket
8 - A/Trans Torque Dampener Fluid Passage Plug
9 - A/Trans Torque Dampener Fluid Passage Plug
10 - A/Trans Torque Dampener Housing Gasket
11 - A/Trans Case Assembly
12 - Transmission Fluid Fill Tube Seal
13 - Drive Motor Generator Power Inverter Module (3 Phase) Cable Assembly
14 - Drive Motor Generator Power Inverter Module Cable Retaining Bolt
15 - Drive Motor Generator Power Inverter Module Cable Terminal External Bolt Protective Cover
16 - Drive Motor Generator Power Inverter Module (3 Phase) Cable Cover
17 - 24-Way Assembly Connector Lip Seal
18 - 24-Way Assembly Connector O-Ring Seals
19 - 24-Way Assembly Connector
20 - A/Trans Rear Case Gasket
21 - A/Trans Rear Case Assembly
22 - A/Trans Rear Case Bolt
23 - Gasket (2WD Output Only)
24 - 2WD Output Housing Extension Assembly
25 - 2WD Output Bushing
26 - Output Seal (2WD Only)
27 - A/Trans Rear Case Bolt
28 - Manual Shift Shaft Seal
29 - Manual Shift Shaft
30 - Park Pawl Actuator Assembly
31 - A/Trans Manual Shift Shaft Position Switch Assembly
32 - A/Trans Manual Shift Shaft Position Switch Bolt
33 - Manual Shift Shaft Pin
34 - Hybrid Low, 1-2 Clutch Regulator Valve Seal
35 - A/Trans Fluid Pump Seal Assembly
36 - Control (w/ Body and Valve) Valve Assembly
37 - Control Valve Upper Body Bolt
38 - Control Valve Upper Body Bolt
39 - Manual Shift Detent Assembly
40 - Manual Shift Detent Spring Bolt
41 - A/Trans Control Wiring Harness Extension Harness Assembly
42 - A/Trans Control Wiring Harness Extension Harness O-Ring Seal
43 - A/Trans Auxiliary Fluid Filter Seal
44 - A/Trans Auxiliary Fluid Pump Outlet Pipe
45 - A/Trans Auxiliary Fluid Filter Seal
46 - A/Trans Auxiliary Fluid Pump Filter Assembly
47 - A/Trans Fluid Filter Seal Assembly
48 - A/Trans Fluid Filter Assembly
50 - A/Trans Fluid Pan Gasket
51 - A/Trans Fluid Pan Magnet
52 - A/Trans Fluid Pan Assembly
53 - A/Trans Fluid Pan Bolt
54 - A/Trans Fluid Pan Drain Plug O-Ring Seal
55 - Drain Plug Assembly
56 - A/Trans Wiring Harness Assembly
57 - Drive Motor Generator Power Inverter Module Cable Housing Cover Seal
58 - 2WD Output Housing Extension Assembly Guide Pins
59 - Internal Wire Harness Side Bracket

Internal Components




60 - Input Shaft Thrust Bearing
61 - Internal Gear Retaining Ring - 1st Position
62 - Input Shaft Fluid Seal Ring
63 - A/Trans Torque Dampener Clutch Fluid Seal Ring
64 - Input Shaft
65 - Internal Gear - 1st Position
66 - Sun Gear Carrier Thrust Bearing - 1st Position
67 - Sun Gear Carrier Assembly - 1st Position
69 - Sun Gear Assembly - 1st Position
70 - Generator Drive Motor Bolt
71 - Drive Motor (w/Generator) Assembly - 1st Position
72 - Generator Drive Motor Housing Seal
73 - Sun Gear Shaft Retaining Ring
74 - Sun Gear Shaft Assembly - 1st Position
75 - Internal Gear - 2nd Position
76 - Internal Gear Thrust Bearing Assembly - 2nd Position
77 - Sun Gear Carrier Assembly - 2nd Position
79 - Sun Gear Assembly - 2nd Position
80 - 1-3 Clutch Housing Assembly
81 - Hybrid Direct, 2-3-4 Clutch Housing Thrust Bearing Assembly
82 - Main Shaft Assembly
83 - A/Trans Vent Pipe
84 - A/Trans Case Assembly
85 - 1-3 Clutch Housing Fluid Seal Ring
86 - Center Support Assembly
87 - Center Support Bolt
88 - Drive Motor (w/Generator) Assembly - 2nd Position
89 - Sun Gear Shaft Assembly - 3rd Position - Some Models
90 - Sun Gear - 3rd Position

Input Housing Module and Pump Assembly




200 - A/Trans Torque Dampener Fluid Seal Retaining Ring
201 - A/Trans Fluid Pump Seal
202 - A/Trans Torque Dampener (w/Fluid Pump) Housing Assembly
203 - Input Shaft Bushing
204 - A/Trans Fluid Pump Slide O-Ring Seal
205 - A/Trans Fluid Pump Slide Seal Support
206 - A/Trans Fluid Pump Slide Seal
207 - A/Trans Fluid Pump Slide Outer Spring
208 - A/Trans Fluid Pump Slide
209 - A/Trans Fluid Pump Slide Pivot Pin
210 - A/Trans Fluid Pump Vane Ring
211 - A/Trans Fluid Pump Rotor Guide
212 - A/Trans Fluid Pump Vane
213 - A/Trans Fluid Pump Rotor
214 - Pump Slide Fluid Seal Ring
215 - A/Trans Fluid Pump Air Bleed Orifice
216 - A/Trans Torque Dampener Fluid Passage Plug
217 - Pressure Regulator Valve Pin
218 - Valve Retaining Plug
219 - Isolator Valve
220 - A/Trans Fluid Pump Valve Inner Spring
221 - A/Trans Fluid Pump and Auxiliary Fluid Pump Valve
222 - Pressure Relief Ball Valve Spring Pin
223 - Pressure Relief Ball Valve Spring
224 - Pressure Relief Ball Valve
225 - A/Trans Fluid Cooler Bypass Valve
226 - A/Trans Fluid Cooler Bypass Valve Spring
227 - Decrease Orifice
228 - A/Trans Fluid Pump Cover Bolt
229 - A/Trans Fluid Pump Cover Assembly
230 - Transmission Lube Fluid Pressure Regulator Valve
231 - Pressure Regulator Valve Spring
232 - Pressure Regulator Valve Stop
233 - Pressure Regulator Valve
234 - Pressure Regulator Valve Inner Spring
235 - Pressure Regulator Valve Outer Spring
236 - Isolator Valve
237 - Isolator Valve Sleeve
238 - Transmission Fluid Cooler Pipe Fitting Seal
239 - A/Trans Fluid Pump Valve Outer Spring

Hydraulic Control Module




300 - Control Valve Channel Plate Bolt
301 - Control Valve Upper Body Assembly
302 - A/Trans Fluid Pump Ball Check Valve
303 - Control Valve Body Spacer (w/Gasket) Plate Assembly
304 - Control Valve Channel Plate
305 - Control Valve Channel Plate Spacer Plate Gasket
306 - Control Solenoid Valve Heat Sink (w/Body and TCM) Bolt
307 - Control Solenoid (w/ Body and TCM) Valve Assembly
308 - Control Valve Lower Body Bolt
309 - A/Trans Manual Shift Shaft Position Switch Assembly Bracket

Control Valve Upper Body Assembly




320 - Valve Retaining Clip
321 - Valve Retaining Plug
322 - Auxiliary Line Boost Valve
323 - Auxiliary Line Boost Valve Spring
324 - 1-3 Clutch Regulator Valve
325 - 1-3 Clutch Regulator Valve Spring
326 - Hybrid Direct 2-3-4 Clutch Regulator Valve
327 - Hybrid Direct 2-3-4 Clutch Regulator Valve Spring
328 - Shift Solenoid Valve - Mode A
329 - Hybrid A/Trans Shift Solenoid Spring
330 - Control Valve Body Locating Pin
331 - Hybrid A/Trans Shift Solenoid Spring
332 - Shift Solenoid Valve - Mode B
333 - Actuator Feed Limit Valve Spring
334 - Actuator Feed Limit Valve
335 - Hybrid Low, 1-2 Clutch Regulator Valve Spring
336 - Hybrid Low, 1-2 Clutch Regulator Valve
337 - Hybrid Low, 1-2 Clutch Boost Valve Assembly
338 - Hybrid Low, 1-2 Clutch Boost Valve Spring
339 - Clutch Piston Exhaust Blowoff Ball Valve
340 - Clutch Piston Exhaust Blowoff Ball Valve Spring
341 - Clutch Piston Exhaust Blowoff Ball Valve Plug
342 - Control Valve Body Locator Pin
343 - Control Valve Upper Body Assembly

4th Clutch Assembly




400 - 4th Clutch Piston Retaining Ring
401 - 4th Clutch Backing Plate
402 - 4th Clutch Plate Assembly
403 - 4th Clutch Plate
404 - 4th Clutch Waved Plate
405 - 4th Clutch Piston Retaining Ring
406 - 4th Clutch Piston Retaining Spring Assembly
407 - 4th Clutch Piston
408 - A/Trans Case Assembly

1-3 Clutch Assembly




410 - 1-3 Clutch Retaining Ring
411 - 1-3 Clutch Backing Plate
412 - 1-3 Clutch Plate Assembly
413 - 1-3 Clutch Plate
414 - 1-3 Clutch Plate - Waved
415 - 1-3 Clutch Piston Retaining Ring
416 - 1-3 Clutch Piston Dam
417 - 1-3 Clutch Retaining Spring
418 - 1-3 Clutch Piston
419 - 1-3 Clutch Housing Assembly
420 - 1-3 Clutch Housing Bushing

A/Trans Rear Case Assembly Components




425 - Hybrid Low, 1-2 Clutch Piston Retaining Ring
426 - Hybrid Low, 1-2 Clutch Backing Plate Assembly
427 - Hybrid Low, 1-2 Clutch Plate Assembly
428 - Hybrid Low, 1-2 Clutch Plate
429 - Hybrid Low, 1-2 Clutch Plate - Waved
430 - Hybrid Low, 1-2 Clutch Return Spring Assembly
431 - Hybrid Low, 1-2 Clutch Piston
432 - Internal Gear - 3rd Position
433 - Internal Gear Thrust Washer - 3rd Position - Steel
434 - Sun Gear Carrier Assembly - 3rd Position
435 - Internal Gear Thrust Bearing Assembly - 2nd Position
436 - Hybrid Direct, 2-3-4 Clutch Hub
437 - Output Shaft Thrust Bearing Assembly
438 - Output Shaft Retaining Ring
439 - Output Shaft Assembly
440 - Hybrid Direct, 2-3-4 Clutch Housing Assembly
441 - Hybrid Direct, 2-3-4 Clutch Housing Thrust Bearing Assembly
442 - Hybrid Direct, 2-3-4 Clutch Housing Seal Ring
443 - Hybrid Direct, 2-3-4 Clutch Support Bolt
444 - Hybrid Direct, 2-3-4 Clutch Support Assembly
445 - Hybrid Direct, 2-3-4 Clutch Support Gasket
446 - Vehicle Speed Sensor Bolt
447 - A/Trans Output Speed Sensor Assembly
448 - A/Trans Output Speed Sensor O-Ring Seal
449 - A/Trans Rear Case Assembly
450 - Park Pawl Shaft
451 - Park Pawl Shaft Hole Plug
452 - Park Pawl Cover Gasket
453 - Park Pawl Cover
454 - Park Pawl Cover Bolt
455 - Park Pawl Actuator Guide Pin
456 - Park Pawl Actuator Guide
457 - Park Pawl Spring
458 - Park Pawl
459 - Internal Gear Thrust Washer - 3rd Position - Plastic

2-3-4 Clutch Housing Assembly




460 - Hybrid Direct, 2-3-4 Clutch Plate Retaining Ring
461 - Hybrid Direct, 2-3-4 Clutch Backing Plate
462 - Hybrid Direct, 2-3-4 Clutch Plate Assembly
463 - Hybrid Direct, 2-3-4 Clutch Plate
464 - Hybrid Direct, 2-3-4 Clutch Plate - Waved
465 - Hybrid Direct, 2-3-4 Clutch Piston Ring
466 - Hybrid Direct, 2-3-4 Clutch Piston Dam
467 - Hybrid Direct,, 2-3-4 Clutch Piston Return Spring
468 - Hybrid Direct, 2-3-4 Clutch Piston Outer Seal
469 - Hybrid Direct, 2-3-4 Clutch Piston
470 - Hybrid Direct, 2-3-4 Clutch Piston Inner Seal
471 - Hybrid Direct, 2-3-4 Clutch Housing Assembly