Operation CHARM: Car repair manuals for everyone.
Manuals through 2025 now available!

Our trusted friends have launched a new website named LEMON, which has newer manuals. It also contains all the CHARM manuals.

LEMON is the spiritual successor to CHARM, I recommend you try it!

Link: lemon-manuals.la or lemon-manuals.org.ua

(Some people have issue connecting. LEMON is investigating. For now, use Firefox or change your DNS server)

Or, hide this message: temporarily or permanently

Electrical Diagrams




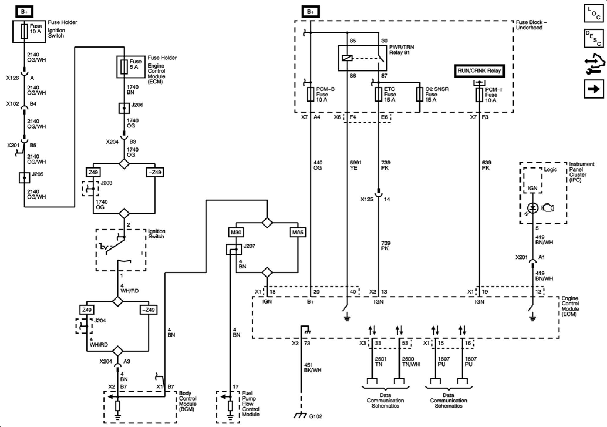
Module Power, Ground, Serial Data, and MIL






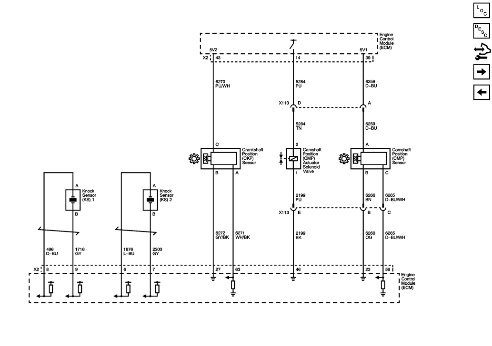
5-Volt and Low Reference Bus






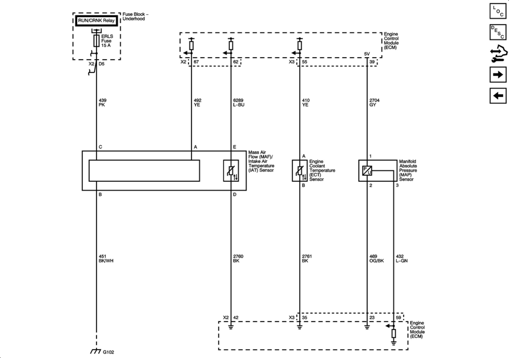
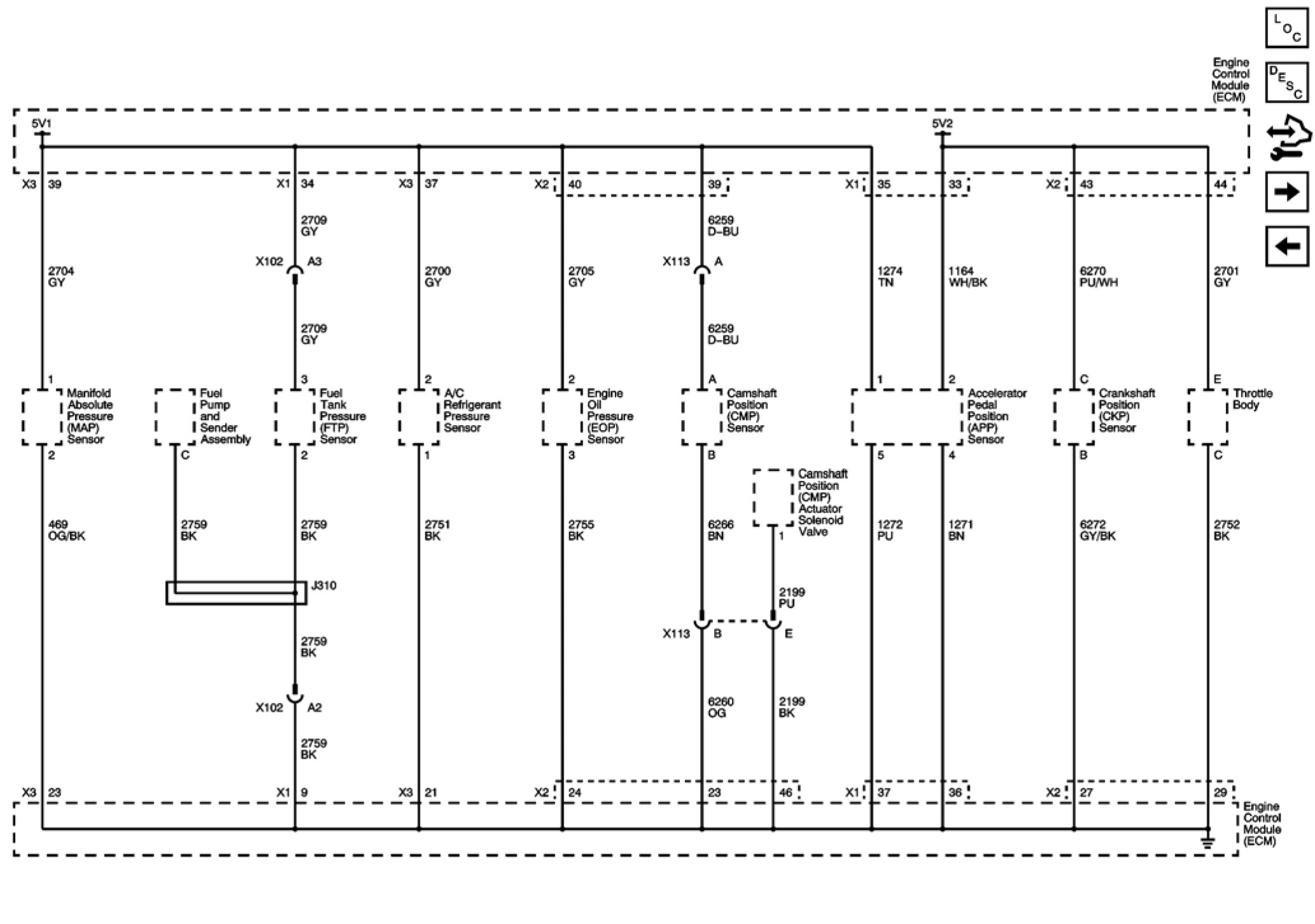
Engine Data Sensors - Pressure and Temperature






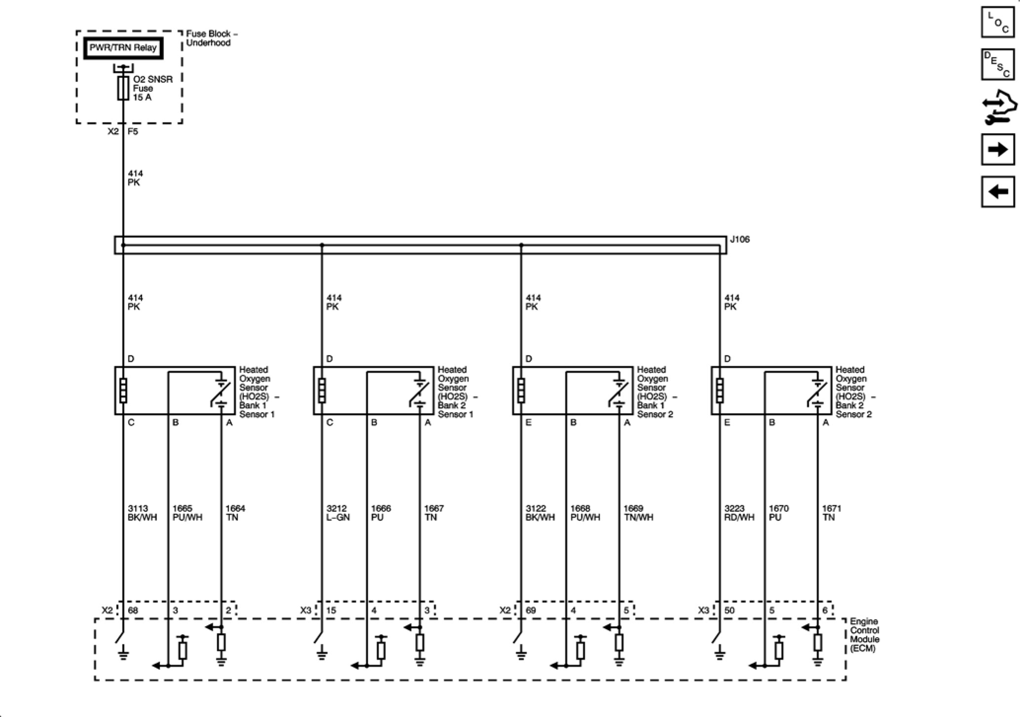
Engine Data Sensors - Oxygen Sensors






Engine Data Sensors - Throttle Controls






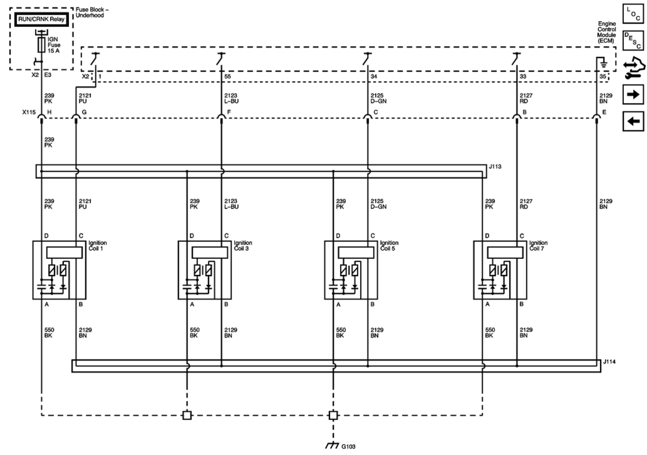
Ignition Controls - Ignition System Coils 1, 3, 5, and 7






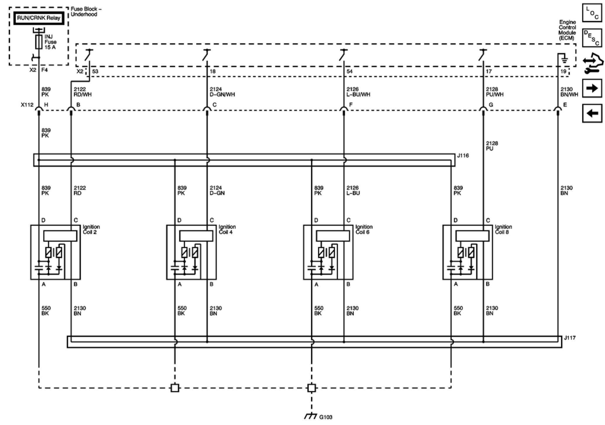
Ignition Controls - Ignition System Coils 2, 4, 6, and 8






Ignition Controls - Sensors






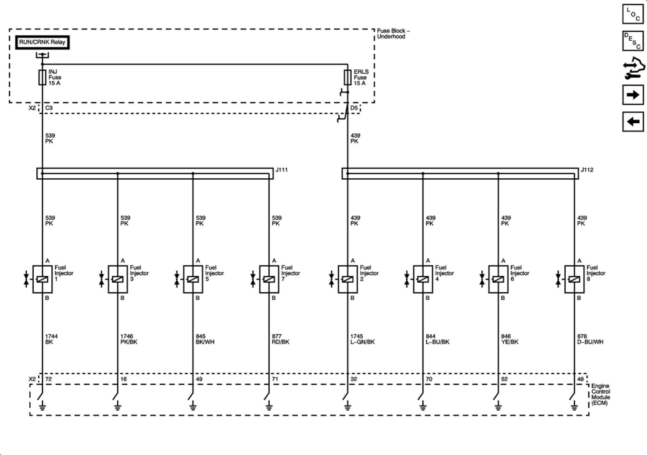
Fuel Controls - Fuel Injectors






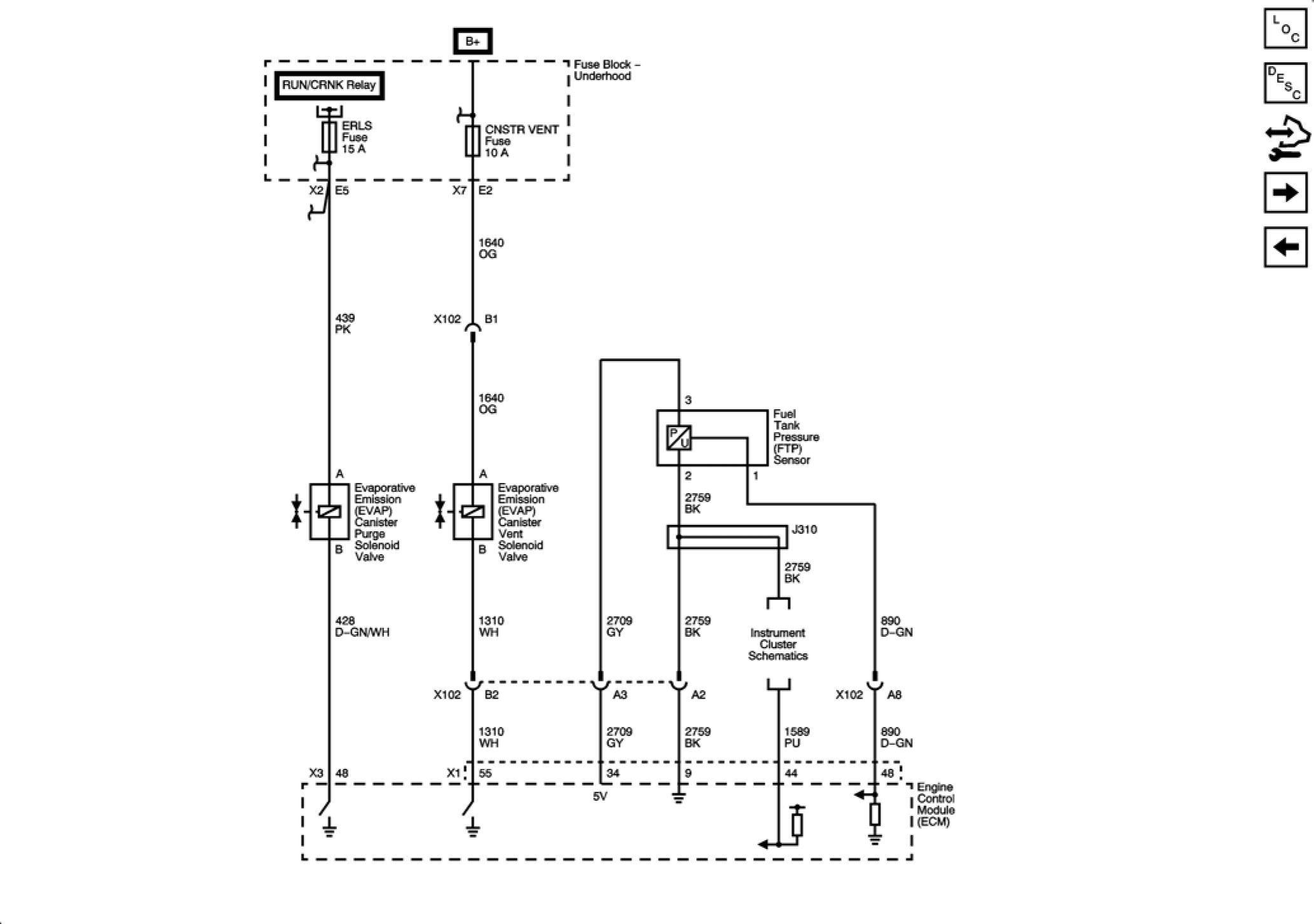
Fuel Controls - EVAP Controls






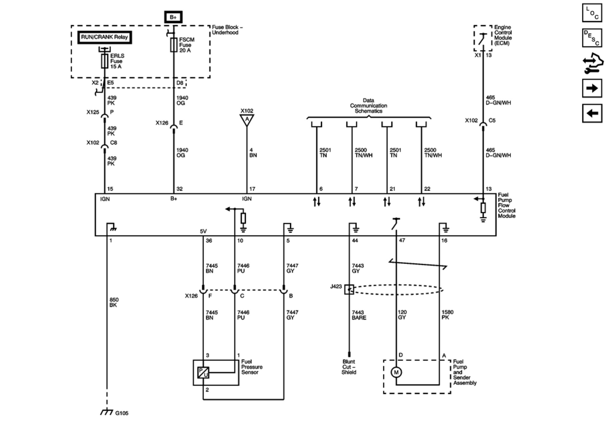
Fuel Controls - Fuel Pump Controls






Controlled/Monitored Subsystem References