Operation CHARM: Car repair manuals for everyone.
Manuals through 2025 now available!

Our trusted friends have launched a new website named LEMON, which has newer manuals. It also contains all the CHARM manuals.

LEMON is the spiritual successor to CHARM, I recommend you try it!

Link: lemon-manuals.la or lemon-manuals.org.ua

(Some people have issue connecting. LEMON is investigating. For now, use Firefox or change your DNS server)

Or, hide this message: temporarily or permanently

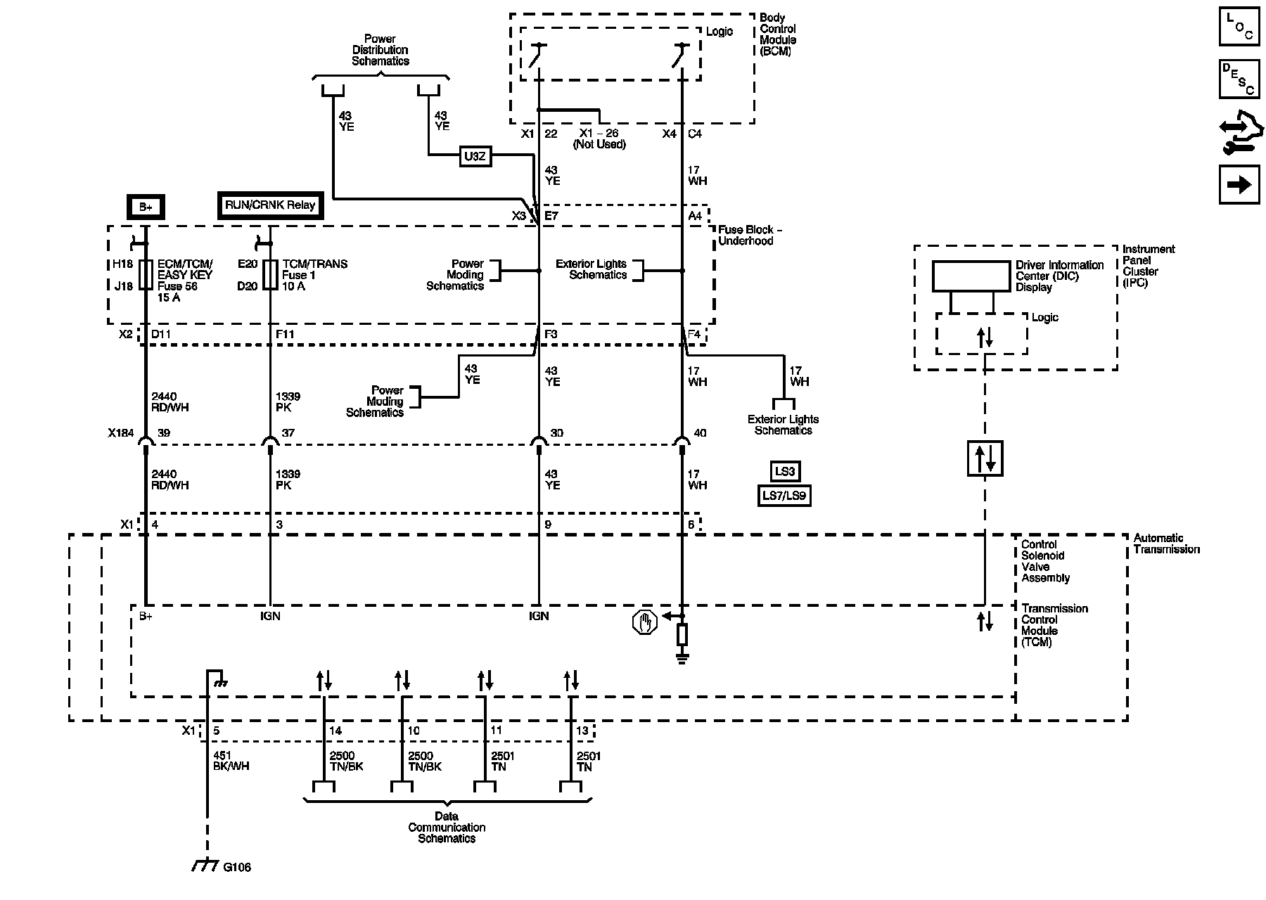
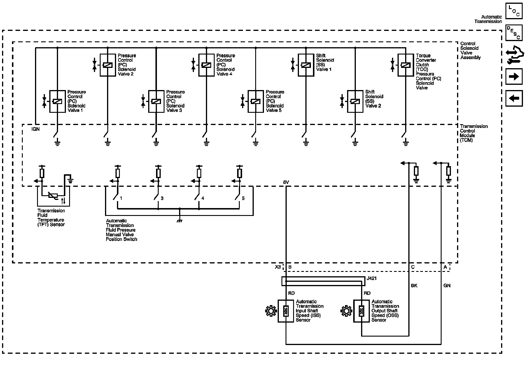
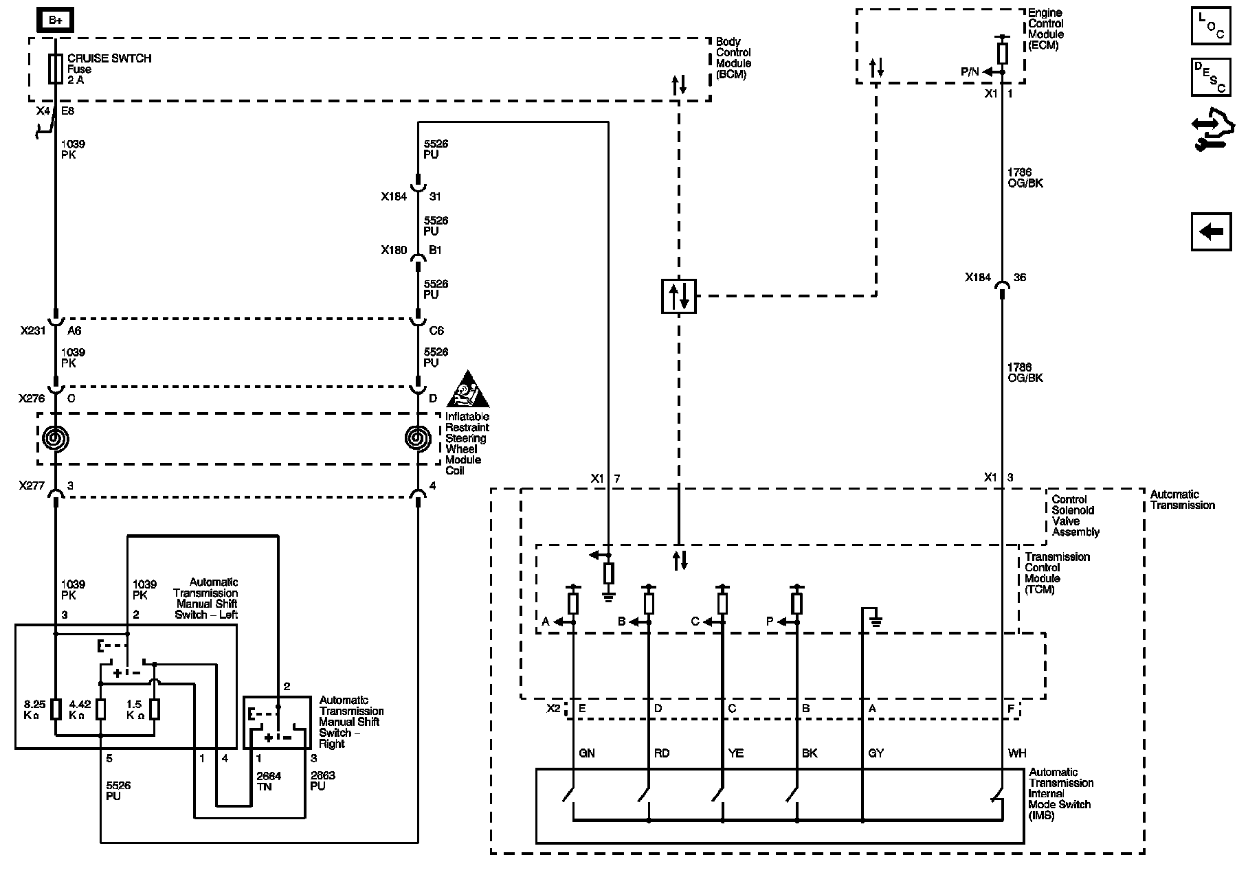
System Diagram




Automatic Transmission Controls Schematics

Power, Ground, Serial Data, and Brake Applied Signal





ISS, OSS, and TFT Sensors, and Pressure and Shift Controls





Internal Mode Switch and TAP Shift Switches