Operation CHARM: Car repair manuals for everyone.
Manuals through 2025 now available!

Our trusted friends have launched a new website named LEMON, which has newer manuals. It also contains all the CHARM manuals.

LEMON is the spiritual successor to CHARM, I recommend you try it!

Link: lemon-manuals.la or lemon-manuals.org.ua

(Some people have issue connecting. LEMON is investigating. For now, use Firefox or change your DNS server)

Or, hide this message: temporarily or permanently

Intake Manifold Replacement




Intake Manifold Replacement

Removal Procedure





Note: The intake manifold, throttle body, fuel injection rail, and injectors may be removed as an assembly. If not servicing the individual components, remove the manifold as a complete assembly.

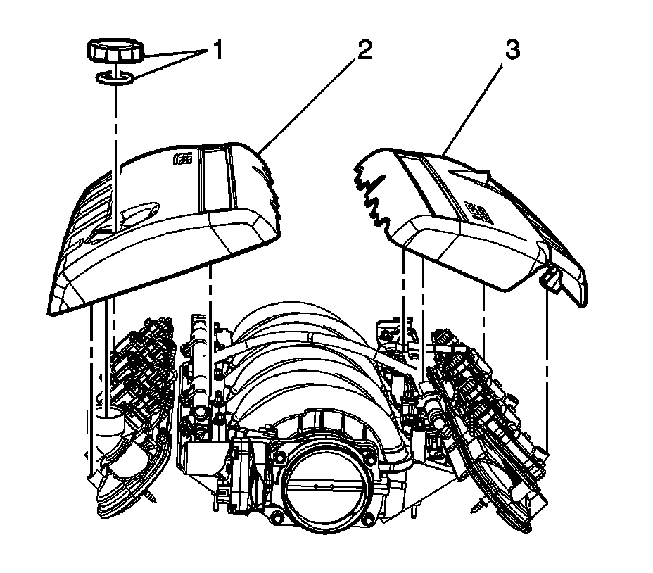
1. Remove the engine sight covers (2, 3). Refer to Upper Intake Manifold Sight Shield Replacement (LS9) (Upper Intake Manifold Sight Shield Replacement)Upper Intake Manifold Sight Shield Replacement (w/o LS9) (Upper Intake Manifold Sight Shield Replacement).




2. Disconnect the electrical connector (1) for the fuel injectors.
3. Disconnect the electrical connectors (3) from the throttle body.
4. Disconnect the fuel feed for the fuel injectors.




5. Remove the vacuum hose from the brake booster.
6. Disconnect the electrical connector from the manifold absolute pressure (MAP) sensor.




7. Remove the manifold absolute pressure (MAP) sensor bolt (1)..
8. Remove the MAP sensor (2)..
9. Inspect the seal (3) on the sensor for cracks or other damage. Do not remove the seal from the sensor.




10. Remove the evaporative emission (EVAP) clip (740), bolt (742), bracket (741), valve (730), and tubes (729, 735).




11. Remove the intake manifold bolts (512) and fuel rail stop bracket (712).
12. Remove the intake manifold (500).




13. Remove the intake manifold gaskets (514).
14. Discard the intake manifold gaskets.

Installation Procedure





Note: DO NOT reuse the intake manifold gaskets. Install NEW intake manifold gaskets.

Note:
* The intake manifold, throttle body, fuel injection rail and fuel injectors may be removed as an assembly. If not servicing the individual components, install the intake manifold as a complete assembly.
* DO NOT use the intake manifold gaskets again. Install NEW intake manifold-to-cylinder head gaskets.

1. Install NEW intake manifold-to-cylinder head gaskets (514).




2. Install the intake manifold (500).
3. Apply a 5 mm (0.20 in) band of threadlocker to the threads of the intake manifold bolts (512). Refer to Adhesives, Fluids, Lubricants, and Sealers (Adhesives, Fluids, Lubricants, and Sealers) for the correct part number.
4. Install the fuel rail stop bracket (712).
5. Install the intake manifold bolts (512).





Caution: Refer to Fastener Caution (Fastener Caution).

6. Tighten the intake manifold bolts to the sequence below:

1. First Pass: Tighten the intake manifold bolts in sequence to 5 Nm (44 lb in).
2. Final Pass: Tighten the intake manifold bolts in sequence to 10 Nm (89 lb in).




7. Lubricate the MAP sensor grommet (3) with clean engine oil.
8. Install the MAP sensor (2) and bolt (1).




9. Install the EVAP valve (730), bracket (741), and bolt (742). Tighten the bolt to 50 Nm (37 lb ft).
10. Install the EVAP tubes (729, 735).
11. Install the fuel rail. Refer to Fuel Rail and Injectors Installation (6.2L LS3) ()Fuel Rail and Injectors Installation (6.2L LS9) (94. Fuel Rail and Injectors Installation)Fuel Rail and Injectors Installation (7.0L) ().
12. Reconnect the electrical connector for the MAP sensor.




13. Install the vacuum hose for the brake booster.




14. Reconnect the electrical connectors (3) throttle body.
15. Reconnect the electrical connector (1) for the fuel injectors.
16. Refill the cooling system. Refer to Cooling System Draining and Filling (Static Fill) (Cooling System Draining and Filling (Static Fill))Cooling System Draining and Filling (GE 47716) (Cooling System Draining and Filling (GE 47716)).




17. Install the engine sight covers (2, 3). Refer to Upper Intake Manifold Sight Shield Replacement (LS9) (Upper Intake Manifold Sight Shield Replacement)Upper Intake Manifold Sight Shield Replacement (w/o LS9) (Upper Intake Manifold Sight Shield Replacement).