Operation CHARM: Car repair manuals for everyone.
Manuals through 2025 now available!

Our trusted friends have launched a new website named LEMON, which has newer manuals. It also contains all the CHARM manuals.

LEMON is the spiritual successor to CHARM, I recommend you try it!

Link: lemon-manuals.la or lemon-manuals.org.ua

(Some people have issue connecting. LEMON is investigating. For now, use Firefox or change your DNS server)

Or, hide this message: temporarily or permanently

Engine: Locations




Disassembled Views (6.2L LS9)

Supercharger/Upper Engine




1 - Positive Crankcase Ventilation (PCV) Tube - Semi-Fresh Air
2 - Evaporative (EVAP) Emission Canister Purge Tube
3 - Supercharger Cover Bolts
4 - Supercharger Cover
5 - Supercharger Cover Seal
6 - Supercharger Insulator Seals
7 - Supercharger Bolts
8 - Supercharger
9 - Supercharger Gasket
10 - Supercharger Gasket Rivet
11 - Engine Coolant Air Bleed Plug
12 - Engine Coolant Air Bleed Pipe Bolt
13 - Engine Coolant Air Bleed Pipe
14 - Engine Coolant Air Bleed Pipe Seal
15 - Engine Coolant Air Bleed Pipe
16 - Valley Cover Bolt
17 - Engine Oil Pressure Sensor
18 - Valley Cover
19 - PCV Hose - Dirty Air
20 - Valley Cover Seal
21 - Valley Cover Gasket
22 - Engine Block

Cylinder Head/Upper Engine




1 - Oil Cap
2 - Oil Cap O-ring Seal
3 - Valve Rocker Arm Cover Gasket
4 - Valve Rocker Arm Cover
5 - Engine Cover Stud
6 - Ignition Coil Bolt
7 - Ignition Coil
8 - Spark Plug Wire
9 - Valve Rocker Arm Cover Bolt
10 - Valve Rocker Arm Cover Bolt Grommet
11 - Valve Rocker Arm Cover
12 - Valve Rocker Arm Cover Gasket
13 - Valve Stem Key
14 - Valve Spring Cap
15 - Valve Spring
16 - Valve Stem Oil Seal
17 - Spark Plug
18 - Cylinder Head Bolt - M12
19 - Cylinder Head Bolt - M8
20 - Cylinder Head
21 - Cylinder Head Gasket
22 - Cylinder Head Locating Pin
23 - Cylinder Head Plug
24 - Coolant Temperature Sensor
25 - Exhaust Valve
26 - Intake Valve
27 - Exhaust Manifold Gasket
28 - Exhaust Manifold
29 - Exhaust Manifold Stud
30 - Exhaust Manifold Bolt
31 - Valve Rocker Arm Bolt
32 - Valve Rocker Arm
33 - Valve Rocker Arm Pivot Support
34 - Valve Pushrod
35 - Valve Lifter Guide Bolt
36 - Valve Lifter Guide
37 - Valve Lifter
38 - Engine Block

Front of Engine




1 - Bolt
2 - Water Inlet Housing
3 - Water Inlet Seal
4 - Engine Coolant Thermostat
5 - Water Pump
6 - Water Pump Gasket
7 - Bolt
8 - Bolt
9 - Balancer Weight - Crankshaft Balancer
10 - Crankshaft Balancer
11 - Crankshaft Front Oil Seal
12 - CMP Sensor Wire Harness
13 - CMP Sensor Bolt
14 - CMP Sensor Seal
15 - Camshaft Position (CMP) Sensor
16 - Bolt
17 - Engine Front Cover
18 - Engine Front Cover Gasket
19 - Bolt
20 - Timing Chain Tensioner
21 - Timing Chain
22 - Crankshaft Balancer Washer
23 - Crankshaft Sprocket
24 - Bolt
25 - Camshaft Sprocket
26 - Bolt
27 - Camshaft Retainer
28 - Camshaft Sprocket Locating Pin
29 - Camshaft
30 - Camshaft Bearings
31 - Engine Block
32 - Oil Pressure Relief Valve Plug
33 - Oil Pressure Relief Valve Spring
34 - Oil Pressure Relief Valve
35 - Oil Pump Housing - Primary
36 - Bolt
37 - Oil Pump Gear - Driven
38 - Oil Pump Gear - Drive
39 - Oil Pump Housing - Secondary
40 - Oil Pump Gear - Driven
41 - Oil Pump Gear - Drive
42 - Oil Pump Cover
43 - Bolt

Rear of Engine




1 - Engine Block
2 - Crankshaft Rear Oil Seal Housing Gasket
3 - Crankshaft Rear Oil Seal Housing
4 - Bolt
5 - Crankshaft Rear Oil Seal
6 - Flexplate - Automatic Transmission
7 - Transmission Pilot Bearing - Manual Transmission
8 - Balance Weight - Flywheel - Manual Transmission
9 - Flywheel - Manual Transmission
10 - Bolt
11 - Clutch Pressure Plate Locating Pin - Manual Transmission
12 - Clutch Drive Plate - Manual Transmission
13 - Clutch Pressure Plate - Manual Transmission
14 - Bolt

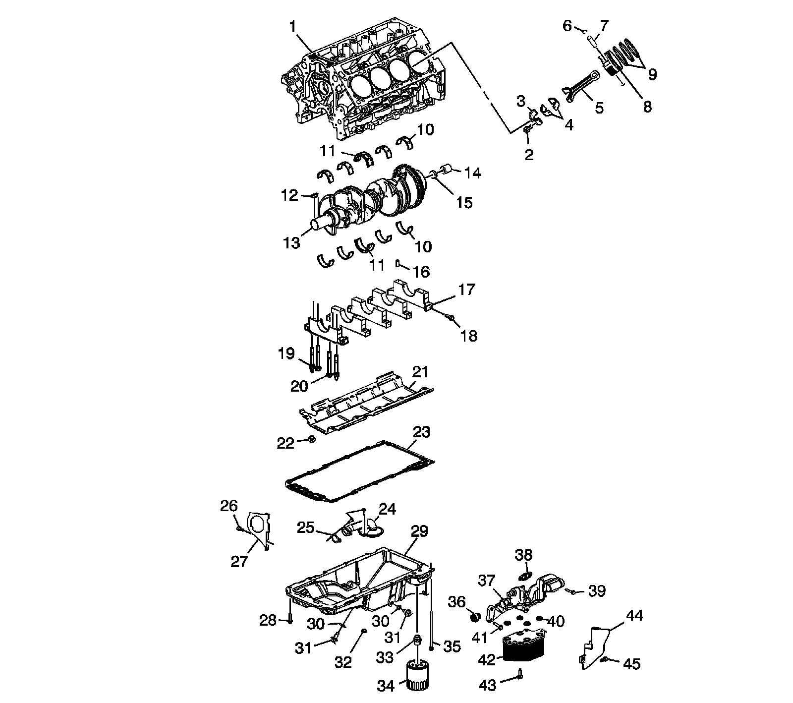
Lower Engine Assembly




1 - Engine Block
2 - Bolt
3 - Connecting Rod Cap
4 - Connecting Rod Bearing
5 - Connecting Rod
6 - Piston Pin Retainer
7 - Piston Pin
8 - Piston
9 - Piston Ring Set
10 - Crankshaft Bearing
11 - Crankshaft Bearing - Thrust
12 - Crankshaft Sprocket Key
13 - Crankshaft
14 - Transmission Pilot Bearing
15 - Crankshaft Hole Plug
16 - Crankshaft Bearing Cap Locating Pin
17 - Crankshaft Bearing Cap
18 - Bolt - M8
19 - Stud - M10
20 - Bolt - M10
21 - Crankshaft Oil Deflector
22 - Crankshaft Oil Deflector Nut
23 - Oil Pan Gasket
24 - Oil Pump Screen
25 - Oil Pump Suction Pipe Gasket
26 - Bolt
27 - Engine Cover - Right
28 - Bolt - M8
29 - Oil Pan
30 - Oil Pan Drain Plug Seal - O-ring
31 - Oil Pan Drain Plug
32 - Oil Pan Hole Plug
33 - Oil Filter Fitting
34 - Oil Filter
35 - Bolt - M6
36 - Engine Oil Cooler Coolant Fitting
37 - Engine Oil Cooler Housing
38 - Engine Oil Cooler Gasket
39 - Engine Oil Cooler-to-Oil Pan Bolt - M6
40 - Engine Oil Cooler Core Seal
41 - Engine Oil Cooler-to-Oil Pan Bolt - M8
42 - Engine Oil Cooler Core
43 - Engine Oil Cooler Core-to-Housing Bolt
44 - Oil Pan Cover - Left
45 - Bolt

Engine Block Plugs/Sensors




1 - Oil Gallery Plug - Front
2 - Engine Block
3 - Oil Gallery Plug Washer
4 - Oil Gallery Plug - Side - M16
5 - Knock Sensor Bolt
6 - Knock Sensor
7 - Engine Block Coolant Drain Hole Plug - M28
8 - Engine Block Coolant Drain Hole Plug - M16
9 - Engine Block Coolant Drain Hole Plug Washer
10 - Crankshaft Position (CKP) Sensor Bolt
11 - CKP Sensor
12 - CKP Sensor O-Ring
13 - Piston Oil Nozzle
14 - Oil Gallery Plug - Rear
15 - Oil Gallery Plug O-Ring
16 - Transmission Housing Locating Pin

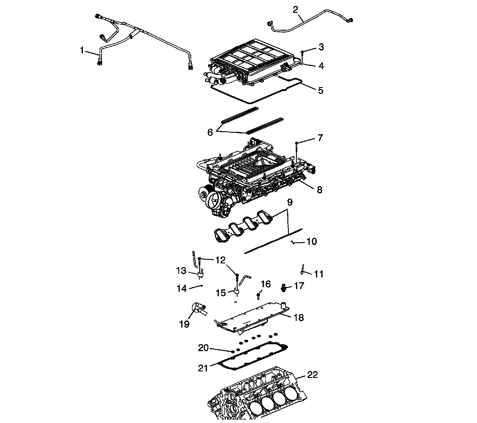
Supercharger Cover Assembly




1 - Supercharger Water Manifold
2 - Intake Manifold Sight Shield Stud
3 - Supercharger Water Manifold Gasket
4 - Intake Air Temperature Sensor
5 - Barometric Pressure Sensor Bolt
6 - Barometric Pressure Sensor
7 - Barometric Pressure Sensor Seal
8 - Charge Air Cooler Cover Bolt
9 - Supercharger Air Outlet Pressure Sensor Seal
10 - Supercharger Air Outlet Pressure Sensor
11 - Supercharger Air Outlet Pressure Sensor Bolt
12 - Charge Air Cooler Cover
13 - Charge Air Cooler Insulators
14 - Charge Air Cooler
15 - Charge Air Cooler Cover Seal
16 - Charge Air Cooler Bolts
17 - Charge Air Cooler Coolant Pipe Seal
17 - Charge Air Cooler Coolant Pipe Seal
18 - Charge Air Cooler Coolant Pipe
19 - Supercharger Water Manifold Bolt
20 - Engine Coolant Air Bleed Valve

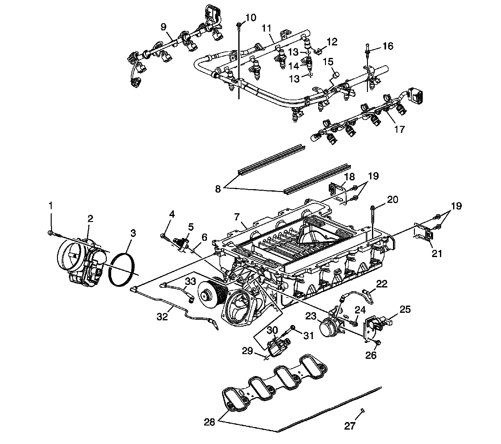
Supercharger Assembly




1 - Throttle Body Bolt
2 - Throttle Body
3 - Throttle Body Seal
4 - Supercharger Inlet Air Pressure Sensor Bolt
5 - Supercharger Inlet Air Pressure Sensor
6 - Supercharger Inlet Air Pressure Sensor Seal
7 - Supercharger
8 - Charge Air Cooler Insulator
9 - Fuel Injector Wiring Harness
10 - Fuel Injection Fuel Rail Bolt
11 - Multiport Fuel Injection Fuel Rail
12 - Fuel Injector Retainer
13 - Fuel Injector Seal
14 - Fuel Injector
15 - Fuel Rail Service Port Cap
16 - Fuel Injection Fuel Rail Stud
17 - Fuel Injector Wiring Harness
18 - Fuel Injector Wiring Harness Connector Bracket
19 - Fuel Injector Wiring Harness Connector Bracket Bolt
20 - Intake Manifold Bolt
21 - Fuel Injector Wiring Harness Connector Bracket
22 - Bypass Valve Actuator Tube
23 - Supercharger Bypass Actuator
24 - Supercharger Bypass Actuator Bolt
25 - Charge Air Bypass Valve w/Bracket
26 - Charge Air Bypass Valve Bolt
27 - Intake Manifold Gasket Rivet
28 - Intake Manifold Gasket
29 - Evaporative Emission Canister Purge Valve Seal
30 - Evaporative Emission Canister Purge Valve
31 - Evaporative Emission Canister Purge Valve Bolt
32 - Charge Air Bypass Valve Tube
33 - Charge Air Bypass Valve Vacuum Tube

Oil Pump Assembly




408 - Bolt
409 - Oil Pump Cover
410 - Oil Pump Gear - Drive
410 - Oil Pump Gear - Drive
412 - Oil Pump Gear - Driven
412 - Oil Pump Gear - Driven
413 - Oil Pump Housing - Primary
414 - Oil Pressure Relief Valve
415 - Oil Pressure Relief Valve Spring
416 - Oil Pressure Relief Valve Plug
456 - Oil Pump Housing - Secondary

Engine Oil Tank Assembly




1 - Oil Level Indicator
2 - Bolt/Stud
3 - Oil Fill Cap
4 - Bolt
5 - Engine Oil Tank - Top
6 - O-ring
7 - O-ring
8 - Tube
9 - Clamp
10 - Engine Oil Tank - Small
11 - Engine Oil Temperature Sensor
12 - Oil Transfer Tube Fitting
13 - Oil Transfer Tube
14 - Oil Transfer Tube Fitting
15 - Bracket
16 - Bolt
17 - Bolt
18 - Bracket
19 - Screen
20 - Engine Oil Tank - Large