Operation CHARM: Car repair manuals for everyone.
Manuals through 2025 now available!

Our trusted friends have launched a new website named LEMON, which has newer manuals. It also contains all the CHARM manuals.

LEMON is the spiritual successor to CHARM, I recommend you try it!

Link: lemon-manuals.la or lemon-manuals.org.ua

(Some people have issue connecting. LEMON is investigating. For now, use Firefox or change your DNS server)

Or, hide this message: temporarily or permanently

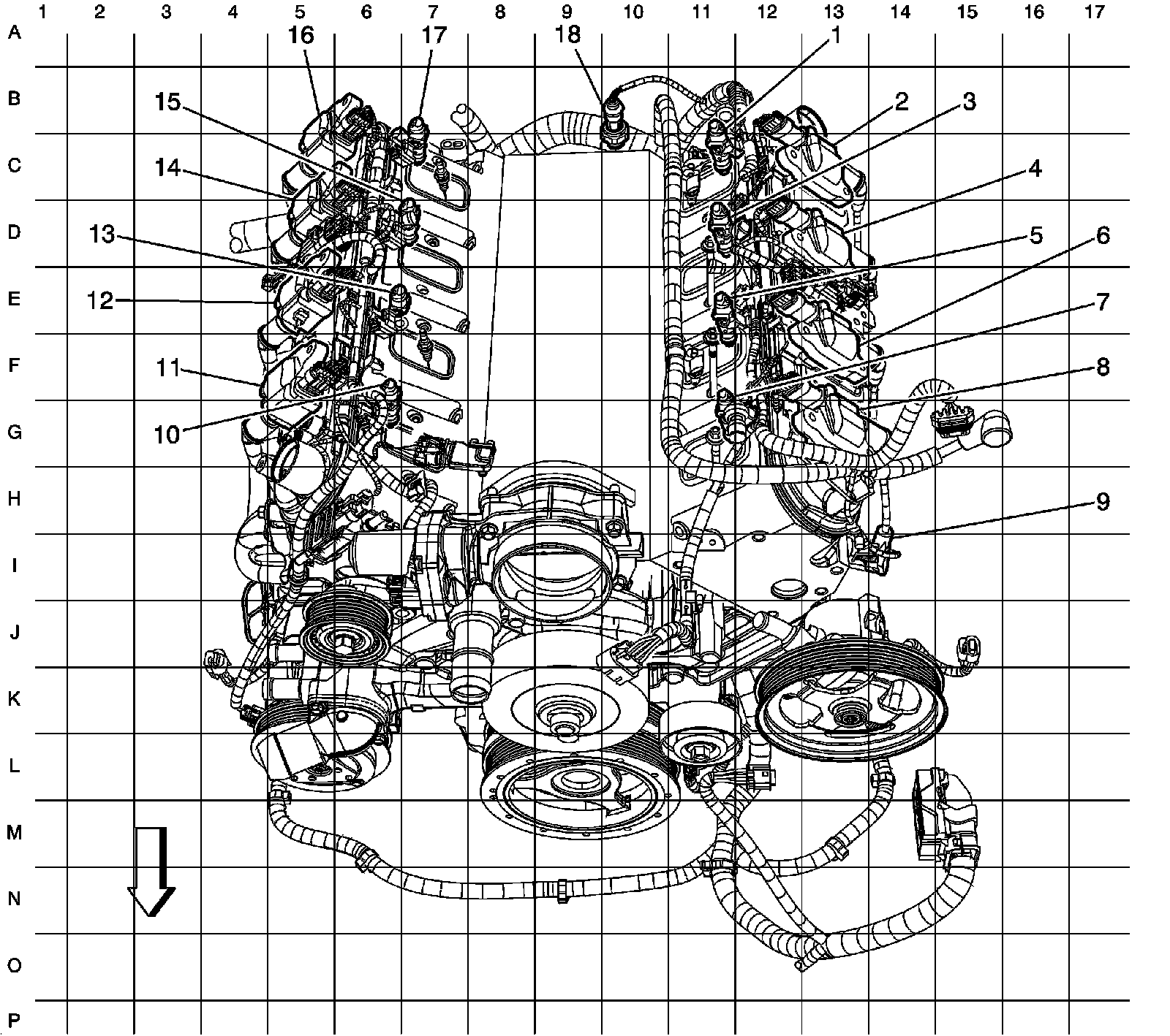
Top Front Engine Components




Powertrain Component Views

Top Front Engine Components




1 - Fuel Injector 7
2 - Ignition Coil 7
3 - Fuel Injector 5
4 - Ignition Coil 5
5 - Fuel Injector 3
6 - Ignition Coil 3
7 - Fuel Injector 1
8 - Ignition Coil 1
9 - Engine Coolant Temperature (ECT) Sensor
10 - Fuel Injector 2
11 - Ignition Coil 2
12 - Ignition Coil 4
13 - Fuel Injector 4
14 - Ignition Coil 6
15 - Fuel Injector 6
16 - Ignition Coil 8
17 - Fuel Injector 8
18 - Engine Oil Pressure (EOP) Sensor