Operation CHARM: Car repair manuals for everyone.
Manuals through 2025 now available!

Our trusted friends have launched a new website named LEMON, which has newer manuals. It also contains all the CHARM manuals.

LEMON is the spiritual successor to CHARM, I recommend you try it!

Link: lemon-manuals.la or lemon-manuals.org.ua

(Some people have issue connecting. LEMON is investigating. For now, use Firefox or change your DNS server)

Or, hide this message: temporarily or permanently

Transmission Replacement




Transmission Replacement

Special Tools
* J 42055 Drivetrain Support Fixture
* J 42386-A Flywheel Holding Tool

Removal Procedure




Warning: Refer to Battery Disconnect Warning (Service Precautions).


Caution: Failure to follow the proper removal and installation procedures may result in damage to the engine crankshaft thrust bearing.

Caution: When tilting down the rear of the driveline, observe the clearance between the rear of the engine and the composite dash panel. Do not allow the engine to rest unsupported against the composite dash panel, or vehicle damage may result.

Caution: When lowering and removing the rear of the driveline, observe the clearance between the rear of the transaxle assembly and the underbody to prevent damage.

1. Disconnect the negative battery cable. Refer to Battery Negative Cable Disconnection and Connection (LS7 or LS9) (Battery Negative Cable Disconnection and Connection)Battery Negative Cable Disconnection and Connection (LS3) (Battery Negative Cable Disconnection and Connection).
2. Raise and suitably support the vehicle. Refer to Lifting and Jacking the Vehicle (Service and Repair).
3. Remove the rear tire and wheel assemblies. Refer to Tire and Wheel Removal and Installation (Service and Repair).
4. Remove the intermediate pipe assembly. Refer to Intermediate Pipe Replacement (Service and Repair).




5. Tie off the LH muffler assembly to the underbody to support the muffler out of the way.
6. Remove the RH muffler assembly. Refer to Exhaust Muffler Replacement - Right Side (Exhaust Muffler Replacement - Right Side).
7. Remove the floor panel tunnel reinforcement. Refer to Floor Panel Tunnel Panel Reinforcement Replacement (Service and Repair).




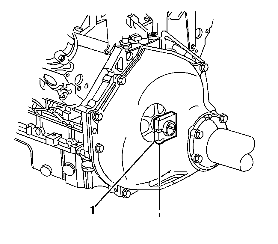
8. Using a flat-bladed screwdriver, remove the rear bellhousing access plug.

Note: The following step must be performed to assure proper torque converter balance during installation.

9. Matchmark the transmission flexplate to the transmission torque converter through the access hole in the rear bellhousing.




10. Turn the engine flywheel through the starter motor opening until one of the flexplate to torque converter bolts lines up with the access hole.




11. Install the J 42386-A (1) to the engine flywheel, in order to keep the flywheel from turning.




12. Remove the flexplate to torque converter bolt.
13. Remove the J 42386-A .
14. Repeat steps 7-10 to remove the 2 remaining bolts.




15. Remove the two plug bolts from the front of driveline support assembly.

Caution: Refer to Fastener Caution (Fastener Caution).

Note:
* The propeller input shaft front bearing positioning bolts are intended to remain torqued to specification and in place UNTIL INSTRUCTED in the installation procedure.
* Failure to use the minimum length fastener specified will prevent proper retention of the propeller input shaft front bearing during disassembly or installation.

16. Install two bolts, M10 - 1.5 X 55 mm, or longer, in place of the plug bolts.
The long bolts are located to maintain the propeller input shaft front bearing in original position during removal and installation.

Tighten the propeller input shaft front bearing positioning bolts to 35 Nm (26 lb ft).




17. Using a flat-bladed screwdriver, remove the engine flywheel housing access plug.




18. Loosen the propeller shaft hub clamp bolt (1).
Rotate the engine at the flywheel, if necessary for alignment.




19. Remove the nuts (3) retaining the transmission shift cable bracket (4) to the transmission.
20. Disconnect the transmission shift control cable from the transmission shift lever.
Unsnap to release the cable.
21. Position the transmission shift cable (1) and bracket aside.




22. Remove the rear transverse spring. Refer to Rear Transverse Spring Replacement (Rear Suspension).
23. Support the lower control arm with a straight jack.
24. Disconnect the outer tie rod end from the suspension knuckle. Refer to Tie Rod Replacement (Rear Suspension).
25. Remove the shock absorber lower mounting bolt.
26. Disconnect the lower ball joint from the suspension knuckle. Refer to Knuckle Replacement (Service and Repair).
27. Remove the straight jack from the control arm.
28. Repeat steps 21-25 for the other side of the vehicle.




29. Assemble the J 42055 .
30. Install the J 42055 to a transmission jack.
31. Position and firmly secure the J 42055 (1) with the transmission jack to the transmission.
32. Disconnect the wiring harness and brake pipe clip retainers from the rear suspension crossmember.
33. Remove the differential to transmission lower nut.




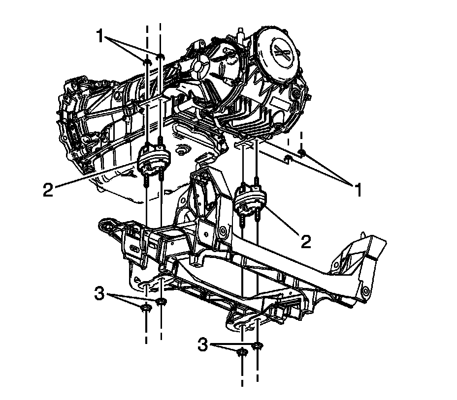
34. Remove the transaxle mount to rear crossmember nuts (3).




35. Position a transmission jack under the rear suspension crossmember and firmly secure the crossmember to the jack.
36. Using ONLY HAND TOOLS, remove the rear suspension crossmember retaining nuts.




37. With the aid of an assistant, slowly lower the rear suspension crossmember away from the vehicle frame rails and remove the crossmember.




38. Remove the transaxle mount bracket to differential nuts (1).
39. Remove the transaxle mount (2).




40. Using a pry bar, CAREFULLY release the axle shafts from the differential.
41. Tie off the axle shafts to the underbody to support the shafts out of the way.
The LH muffler assembly pipe toward the rear offers a good location to help support the LH axle shaft (1).




42. Release the retainer (1) securing (and positioning) the wiring harness to the L-shaped brackets along the driveline support assembly, then slide the harness up out of the brackets and position out of the way.




43. SLOWLY lower the driveline approximately 5 cm (2 in), while simultaneously adjusting the angle of tilt, in order to access the electrical connectors.
44. Disconnect the vehicle speed sensor (VSS) electrical connector.




45. Disconnect the wiring harness retainer from the stud at the differential rear cover.
46. Disconnect the wiring harness retainer clip from the top of the differential.




47. Disconnect the transmission harness 20-way connector (3).
Depress both tabs on the connector and pull straight up; do not pry the connector.
48. Remove the bolt retaining the transmission wiring harness to the LH side of the transmission case.




49. SLOWLY lower the driveline, while simultaneously adjusting the angle of tilt, and observe the relationship between the top rear of the differential and the lowest part of the rear compartment panel floor (the center storage compartment between the frame rails). The differential should not be lowered more than approximately EVEN with the specified body point of reference.
The engine positive crankcase ventilation (PCV) pipes which route along the rear of the engine intake manifold will likely contact the dash panel.
50. Release the wiring harness from the harness retainer along the top of the transmission.
51. Check to be sure that the wiring harness is free from the driveline being removed.




52. Disconnect the transmission oil cooler rear pipes from the junction fittings at the engine flywheel housing, then cap the pipes and plug the junction fittings to prevent contamination. Refer to Transmission Fluid Cooler Hose/Pipe Quick-Connect Fitting Disconnection and Connection (Transmission Fluid Cooler Hose/Pipe Quick-Connect Fitting Disconnection and Connection).




53. Using a block of wood to protect the engine oil pan, place a straight jack under the rear of the engine oil pan to support the engine from stressing the composite dash panel.
54. Remove the five driveline support assembly to engine flywheel housing bolts.




55. Carefully bend the wiring harness bracket away from the driveline, toward the driveline tunnel wall in order to make a clear removal path for the driveline.





Note: The aid of an assistant will be necessary for the remaining steps.

56. Have an assistant insert a flat bladed screwdriver, or similar tool, between the edge of the driveline support assembly and the engine flywheel housing, then begin to pry the driveline loose from the engine.




57. Have an assistant guide the front of the driveline during the removal of the driveline from the vehicle.
58. SLOWLY lower the driveline, while simultaneously adjusting the angle of tilt and pulling the driveline away from the engine UNTIL the propeller input shaft at the front of the driveline support assembly just clears the engine flywheel housing.
59. SLOWLY lower the driveline completely out of the vehicle.




60. Position the chain fall, or equivalent, of a lift device in a way which will protect the transmission oil cooler rear pipes and the rear exhaust hangers located on the driveline support assembly.
61. Using the lift device, raise the driveline to relieve the weight from the transmission jack.
62. Disconnect the J 42055 from the transmission jack ONLY, the J 42055 will provide stability to the driveline components while working on a bench.
63. Position the driveline on a workbench with the lift device still attached.
64. Support the driveline support assembly and the differential for additional balance.
65. Remove the lift device from the driveline.




66. Disconnect the transmission oil cooler rear pipes from the fittings on the transmission, then cap the pipes and plug the transmission fittings to prevent contamination. Refer to Transmission Fluid Cooler Hose/Pipe Quick-Connect Fitting Disconnection and Connection (Transmission Fluid Cooler Hose/Pipe Quick-Connect Fitting Disconnection and Connection).




67. Remove the transmission to driveline support assembly bolts/studs.
68. Insert a flat-bladed screwdriver, or similar tool, between the edge of the driveline support assembly and the transmission, then begin to pry the driveline support assembly loose from the transmission.
69. Slowly slide the driveline support assembly away from the transmission while supporting the transmission torque converter.
70. Using a strap positioned from side to side, secure the transmission torque converter to the transmission.




71. Remove the differential to transmission bolts and nuts.

Note: Use care when separating the differential from the transmission to not damage the transmission output shaft seal in the differential plate.

72. SLOWLY slide the differential from the transmission.




73. Remove the differential plate from the differential.
74. Remove the transmission from the J 42055 , if necessary.
75. Flush the transmission cooler lines. Refer to Transmission Fluid Cooler Flushing and Flow Test (Testing and Inspection).

Installation Procedure

Caution: Failure to follow the proper removal and installation procedures may result in damage to the engine crankshaft thrust bearing.




1. Install the transmission to the J 42055 , if removed.
2. Install the differential plate to the transmission, use care not to damage the transmission output seal in the rear of the plate.
3. Position the differential plate seal flush with the transmission case.




4. SLOWLY slide the differential to the transmission.

Caution: Refer to Fastener Caution (Fastener Caution).

5. Install the differential to transmission bolts and nuts.

Tighten the differential to transmission bolts and nuts to 50 Nm (37 lb ft).




6. Remove the strap retaining the transmission torque converter.
7. Slowly slide the driveline support assembly to the transmission, while supporting the transmission torque converter.
8. Install the transmission to driveline support assembly bolts/studs.

Tighten the transmission to driveline support assembly bolts/studs to 50 Nm (37 lb ft).




9. Remove the caps from the rear of the transmission oil cooler rear pipes and remove the plugs from the fittings on the transmission. Refer to Transmission Fluid Cooler Hose/Pipe Quick-Connect Fitting Disconnection and Connection (Transmission Fluid Cooler Hose/Pipe Quick-Connect Fitting Disconnection and Connection).




10. Position the chain fall, or equivalent, of a lift device in a way which will protect the transmission oil cooler rear pipes and the rear exhaust hangers located on the driveline support assembly.

Note: The aid of an assistant will be necessary for the following steps until the driveline is installed into the vehicle.

11. Using the lift device, raise the driveline off the workbench and position the driveline with the J 42055 onto a transmission jack.
12. Connect the J 42055 to the transmission jack.




13. Remove the lift device from the driveline.
14. Position the driveline under the vehicle.
15. Begin to raise the driveline at the approximate angle used during removal.
16. Position the wiring harness along the driveline support assembly and LOOSELY install the harness into the harness retaining slots.
17. Have an assistant guide the front of the driveline so the propeller input shaft is just to the rear of the engine flywheel housing, then raise the driveline to the PROPER HEIGHT and the PROPER ANGLE to install to the engine.

Note: Use care not to use too much force to install the propeller input shaft into the propeller shaft hub. The propeller input shaft front bearing positioning system is designed to withstand an insertion force not greater than 582 Nm (130 lb).

18. Have an assistant begin to insert the propeller input shaft into the propeller shaft hub while maintaining the proper angle of the driveline, if necessary use a screwdriver to rotate the shaft slightly to bring the splines into alignment.




19. SLOWLY seat the driveline to the engine flywheel housing while maintaining the proper angle of the driveline.




20. Reposition the wiring harness bracket from near the driveline tunnel wall to align with the appropriate driveline support assembly bolt hole.




21. Install the five driveline support assembly to engine flywheel housing bolts.

Tighten the driveline support assembly to engine flywheel housing bolts to 50 Nm (37 lb ft).

22. Install the wiring harness to the wiring harness retainer along the top of the transmission.
23. SLOWLY raise the driveline to approximately 5 cm (2 in) BELOW the final installed height.




24. Remove the caps from the front of the transmission oil cooler rear pipes and remove the plugs from the junction fittings at the engine flywheel housing. Refer to Transmission Fluid Cooler Hose/Pipe Quick-Connect Fitting Disconnection and Connection (Transmission Fluid Cooler Hose/Pipe Quick-Connect Fitting Disconnection and Connection).




25. Connect the transmission harness 20-way connector (3).
Align the arrows on each half of the connector and insert straight down.




26. Connect the wiring harness clip to the top of the differential.
27. Connect the wiring harness retainer to the stud at the differential rear cover.




28. Connect the vehicle speed sensor (VSS) electrical connector.
29. Slowly raise the driveline to final installation height.
30. Remove the jack which supported the engine.
31. Remove the tie-off retainers from the axle shafts.
32. CAREFULLY align and seat the axle shafts to the differential.




33. Install the transaxle mount (2) to the differential.
34. Install the transaxle mount nuts (1).

Tighten the transaxle mount nuts to 50 Nm (37 lb ft).




35. With the aid of an assistant, begin to raise the rear suspension crossmember (still firmly attached to a transmission jack), to the vehicle frame rails.
36. Guide the rear suspension crossmember alignment pins into the alignment holes in the vehicle frame rails, and guide the transaxle mount studs into the mounting holes in the crossmember, then raise the crossmember to seat to the frame rails.




37. Using ONLY HAND TOOLS, install NEW rear suspension crossmember mounting nuts.

Tighten the rear suspension crossmember mounting nuts to 110 Nm (81 lb ft).

38. Remove the transmission jack from the rear suspension crossmember.
39. Release the J 42055 from the transmission, then remove the J 42055 and transmission jack.




40. Install the transaxle mount to rear suspension crossmember nuts (3).

Tighten the nuts to 50 Nm (37 lb ft).

41. Install the differential to transmission lower nut.

Tighten the differential to transmission lower nut to 50 Nm (37 lb ft).

42. Connect the wiring harness and brake pipe clip retainers to the rear suspension crossmember.




43. Support the lower control arm with a straight jack.
44. Connect the lower ball joint to the suspension knuckle. Refer to Knuckle Replacement (Service and Repair).
45. Install the shock absorber lower mounting bolt.

Tighten the rear shock absorber lower mounting bolt to 220 Nm (162 lb ft).

46. Connect the outer tie rod end to the suspension knuckle. Refer to Tie Rod Replacement (Rear Suspension).
47. Remove the straight jack from the suspension control arm.
48. Repeat steps 45-49 for the other side of the vehicle.
49. Install the rear transverse spring. Refer to Rear Transverse Spring Replacement (Rear Suspension).




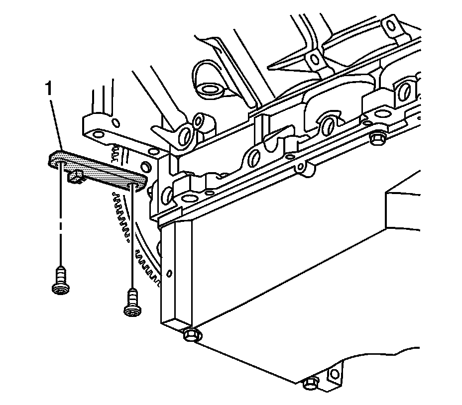
50. Carefully pull the wiring harness down into the L-shaped brackets along the driveline support assembly, align the harness retainer (locator) (1) to the hole in the forward bracket, then secure in place.




51. Install the transmission shift cable and bracket (4) into position.
52. Connect the transmission shift cable (1) to the transmission shift lever.
Press to secure the cable.
53. Install the nuts (3) retaining the transmission shift cable bracket (4) to the transmission.

Tighten the transmission shift cable bracket retaining nuts to 20 Nm (15 lb ft).




54. Using a flat-bladed screwdriver, remove the transmission torque converter access plug.




55. Align one of the torque converter bolt holes with the driveline support assembly access hole, if necessary.
Carefully rotate the torque converter, working through the access holes in the rear bellhousing and the transmission housing.




56. Align one of the flexplate bolt holes with the driveline support assembly access hole, if necessary.

1. Remove the J 42386-A from the engine flywheel.
2. Slowly turn the engine flywheel through the starter motor opening until the desired flexplate bolt hole lines up with the torque converter bolt hole.
3. Install the J 42386-A to the engine flywheel, in order to keep the flywheel from turning.





Note: HAND-START the flexplate to torque converter bolts before torquing to ensure proper alignment and to avoid cross threading.

Note: Carefully WALK the transmission torque converter to the transmission flywheel through the torque converter access plug opening, if necessary. DO NOT use the bolts to draw the torque converter to the flexplate.

57. Install the flexplate to torque converter bolt through the driveline support assembly access hole.
HAND-TIGHTEN until FINGER-TIGHT, then torque to specification.

Tighten the flexplate to torque converter bolt to 63 Nm (47 lb ft).

58. Remove the J 42386-A from the engine flywheel.




59. Turn the engine flywheel slowly until the next bolt holes line up with the rear bellhousing access hole.
60. Install the J 42386-A to the engine flywheel, in order to keep the flywheel from turning.
61. Repeat steps 4-7 to install the 2 remaining bolts.




62. Remove the J 42386-A (1) from the engine flywheel.




63. Install the torque converter access plug.




64. Install the rear bellhousing access plug.




65. HAND-TIGHTEN the propeller shaft hub clamp bolt (1) until FINGER-TIGHT.




66. Remove the propeller input shaft front bearing positioning bolts (M10 - 1.5 X 55 mm) from the driveline support assembly.
67. Install the two plug bolts to the front of the driveline support assembly.

Tighten the driveline support assembly front plug bolts to 50 Nm (37 lb ft).




68. Install the floor panel tunnel reinforcement. Refer to Floor Panel Tunnel Panel Reinforcement Replacement (Service and Repair).
69. Remove the tie-off retainer from the LH muffler assembly.
70. Install the RH muffler assembly. Refer to Exhaust Muffler Replacement - Right Side (Exhaust Muffler Replacement - Right Side).
71. Install the intermediate pipe assembly. Refer to Intermediate Pipe Replacement (Service and Repair).
72. Install the rear tire and wheel assemblies. Refer to Tire and Wheel Removal and Installation (Service and Repair).
73. Lower the vehicle.
74. Connect the negative battery cable.

Tighten the negative battery cable bolt to 15 Nm (11 lb ft).





Note: The following steps MUST be performed in order to provide proper alignment of the propeller shaft hub, the propeller input shaft and the propeller input shaft front bearing.

75. Start and run the engine at idle until normal operating temperatures are reached.
Idle or drive for at least 10 minutes.
76. Turn off the engine and allow the powertrain to cool to ROOM temperature.
77. Raise the vehicle.
78. Tighten the propeller shaft hub clamp bolt (1).

Tighten the propeller shaft hub clamp bolt to 130 Nm (96 lb ft).




79. Install the engine flywheel housing access plug.
80. Flush the transmission oil cooler. Refer to Transmission Fluid Cooler Flushing and Flow Test (Testing and Inspection).
81. Lower the vehicle.
82. If a NEW TCM has been installed into the vehicle, the NEW module needs to be reprogrammed. Refer to Service Programming System (SPS) (Service Programming System (SPS)).

Note: The Service Fast Learn Adapts procedure must be performed when one of the following repairs have been made to the vehicle. Failure to perform the procedure after one of the following repairs may result in poor transmission performance, as well as transmission DTCs being set:

* Transmission internal service/overhaul
* Valve body repair or replacement
* Control solenoid valve assembly replacement
* TCM software/calibration update
* Any service in response to a shift quality concern

83. Perform the service fast learn adapts. Refer to Service Fast Learn Adapts (Programming and Relearning).