Electrical Diagrams
Engine Controls Schematics (LFX)
Module Power, Ground, Serial Data, and MIL
Master Electrical Component List
Engine Control Module Description
Control Module References
5V1, and Low Reference Bus (1 of 3)
F1RA, F2RA, F3RA, F4RA, F5RA, F10RA, F11RA, and F12RA Fuses
X53A Fuse Block - Rear Body Label
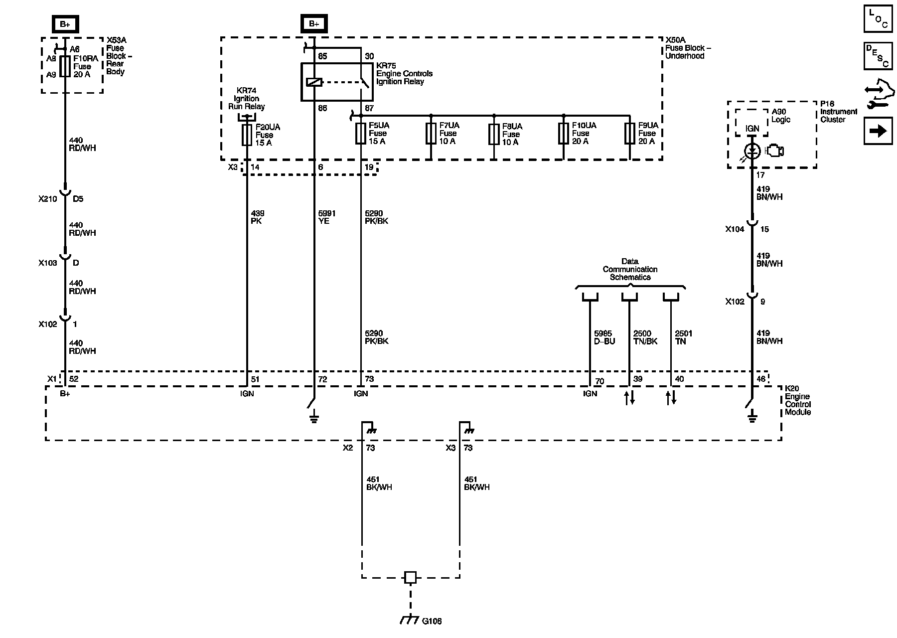
Power Distribution Schematics
Power Moding Schematics
X50A Fuse Block - Underhood Label (North America)
F14UA, F15UA, F16UA, F17UA, F18UA, F19UA, and F20UA Fuses
F5UA and F11UA Fuses
Data Communication Schematics
G103 and G106
5V1, and Low Reference Bus (1 of 3)
Master Electrical Component List
Engine Control Module Description
Control Module References
5V2, 5V3, and Low Reference Bus (2 of 3)
Module Power, Ground, Serial Data, and MIL
5V2, 5V3, and Low Reference Bus (2 of 3)
Master Electrical Component List
Engine Control Module Description
Control Module References
Low Reference Bus (3 of 3)
5V1, and Low Reference Bus (1 of 3)
Low Reference Bus (3 of 3)
Master Electrical Component List
Engine Control Module Description
Control Module References
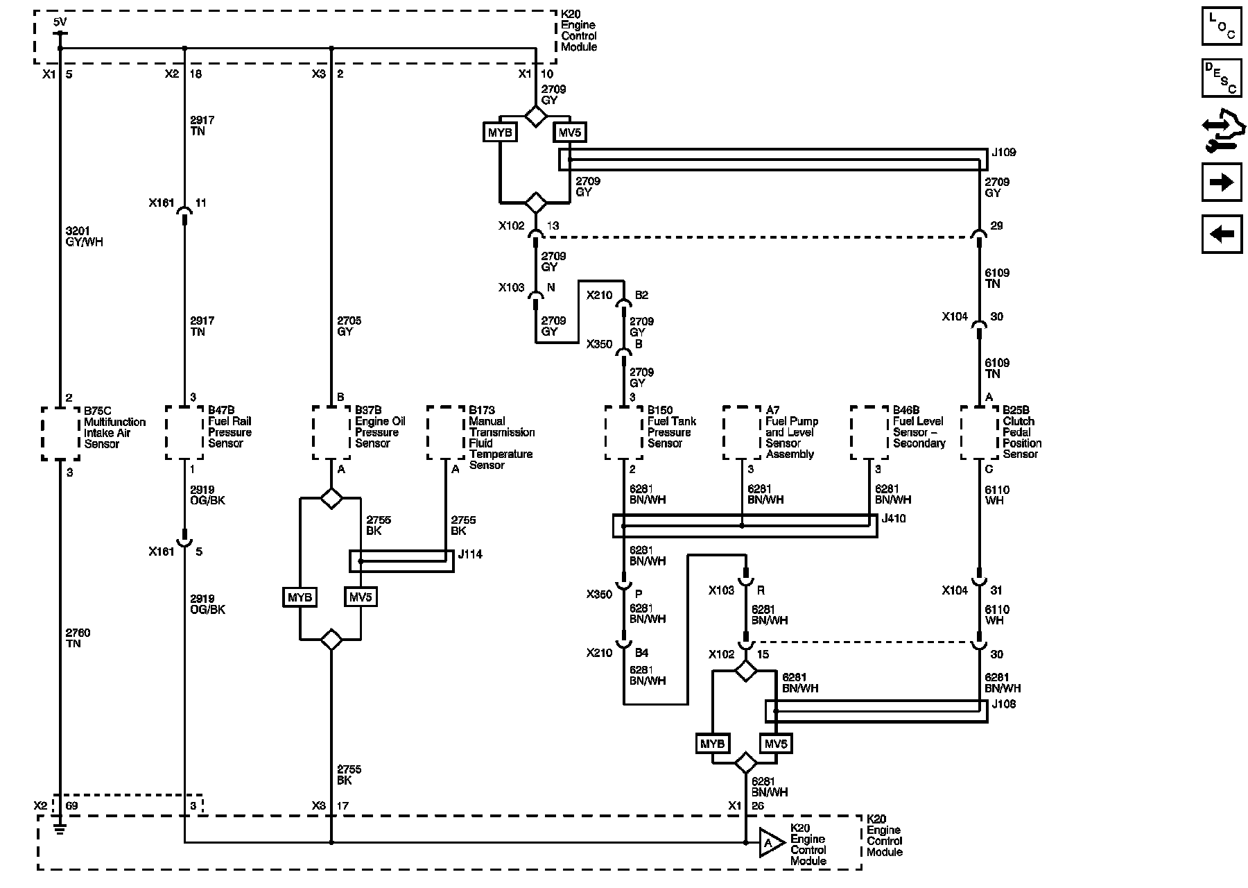
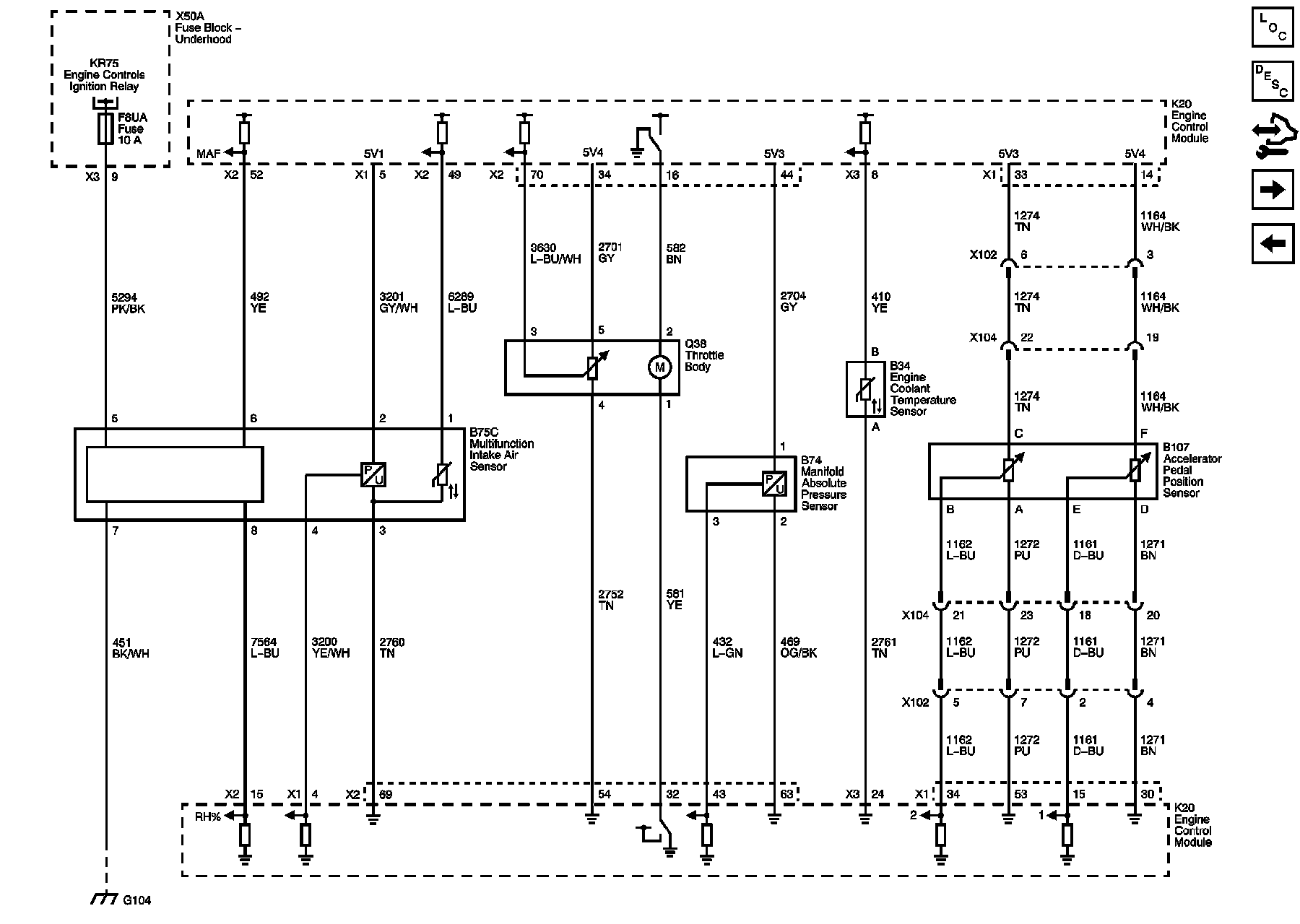
Engine Data Sensors - Pressure, Temperature, and Throttle Controls
5V2, 5V3, and Low Reference Bus (2 of 3)
Engine Data Sensors- Pressure, Temperature, and Throttle Controls
Master Electrical Component List
Engine Control Module Description
Control Module References
Engine Data Sensors - Oxygen Sensors
Low Reference Bus (3 of 3)
Power Moding Schematics
F7UA and F8UA Fuses (LFX)
Master Electrical Schematic Icons
G103 and G106
Engine Data Sensors- Oxygen Sensors
Master Electrical Component List
Engine Control Module Description
Control Module References
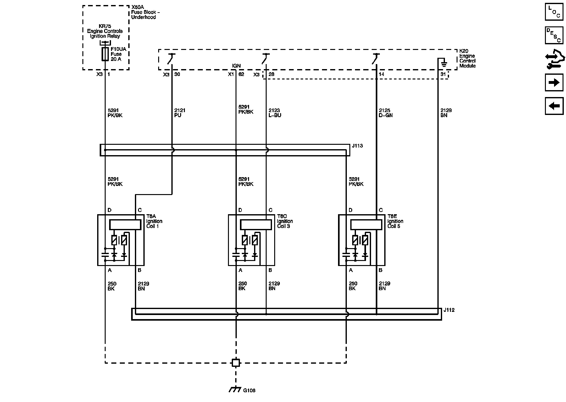
Ignition Controls - Ignition Coils 1, 3, and 5
Engine Data Sensors - Pressure, Temperature, and Throttle Controls
Module Power, Ground, Serial Data, and MIL
Master Electrical Schematic Icons
Ignition Controls - Ignition Coils 1, 3, and 5
Master Electrical Component List
Engine Control Module Description
Control Module References
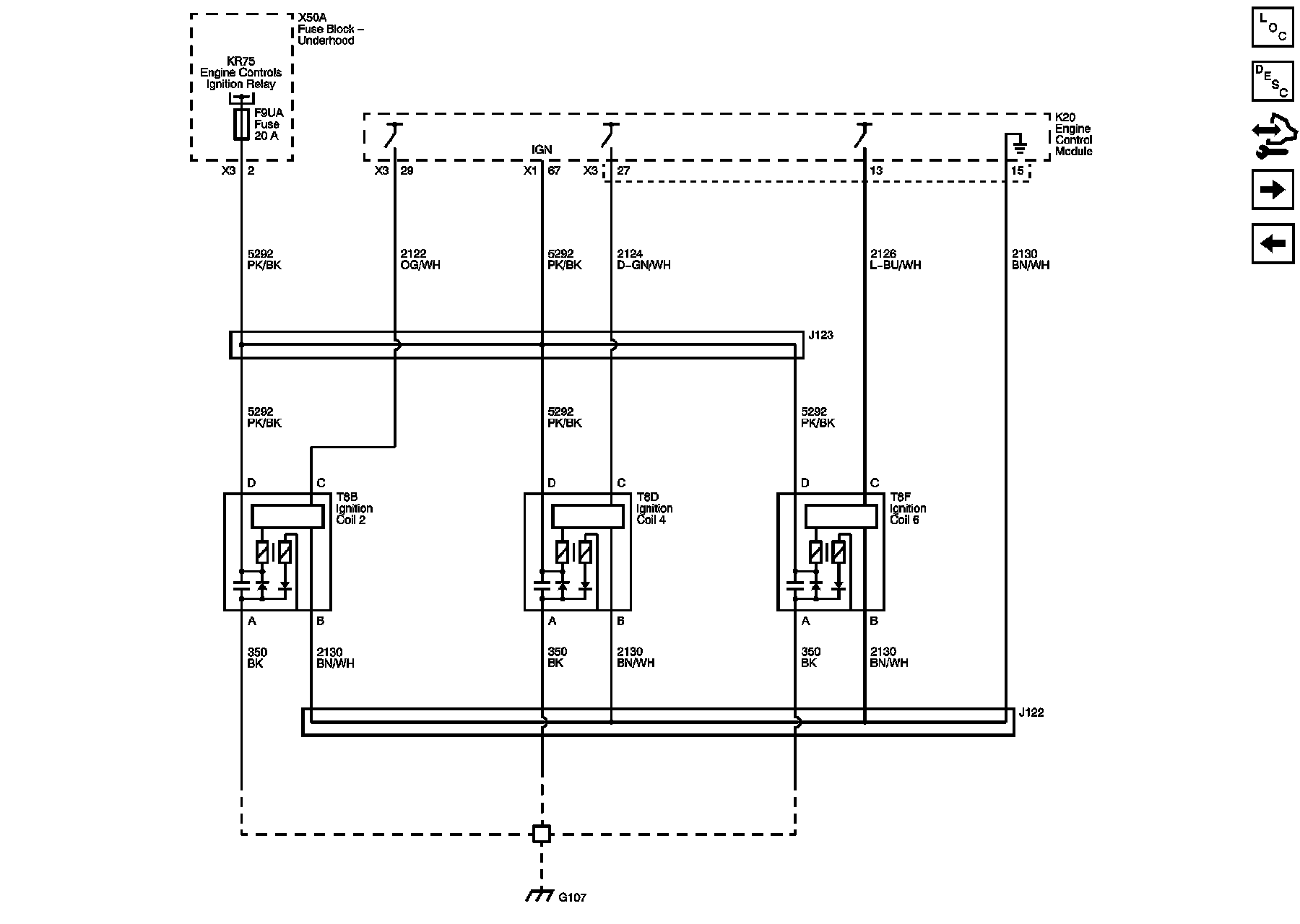
Ignition Controls - Ignition Coils 2, 4, and 6
Engine Data Sensors - Oxygen Sensors
Ground Distribution Schematics
Ignition Controls - Ignition Coils 2, 4, and 6
Master Electrical Component List
Electronic Ignition System Description
Control Module References
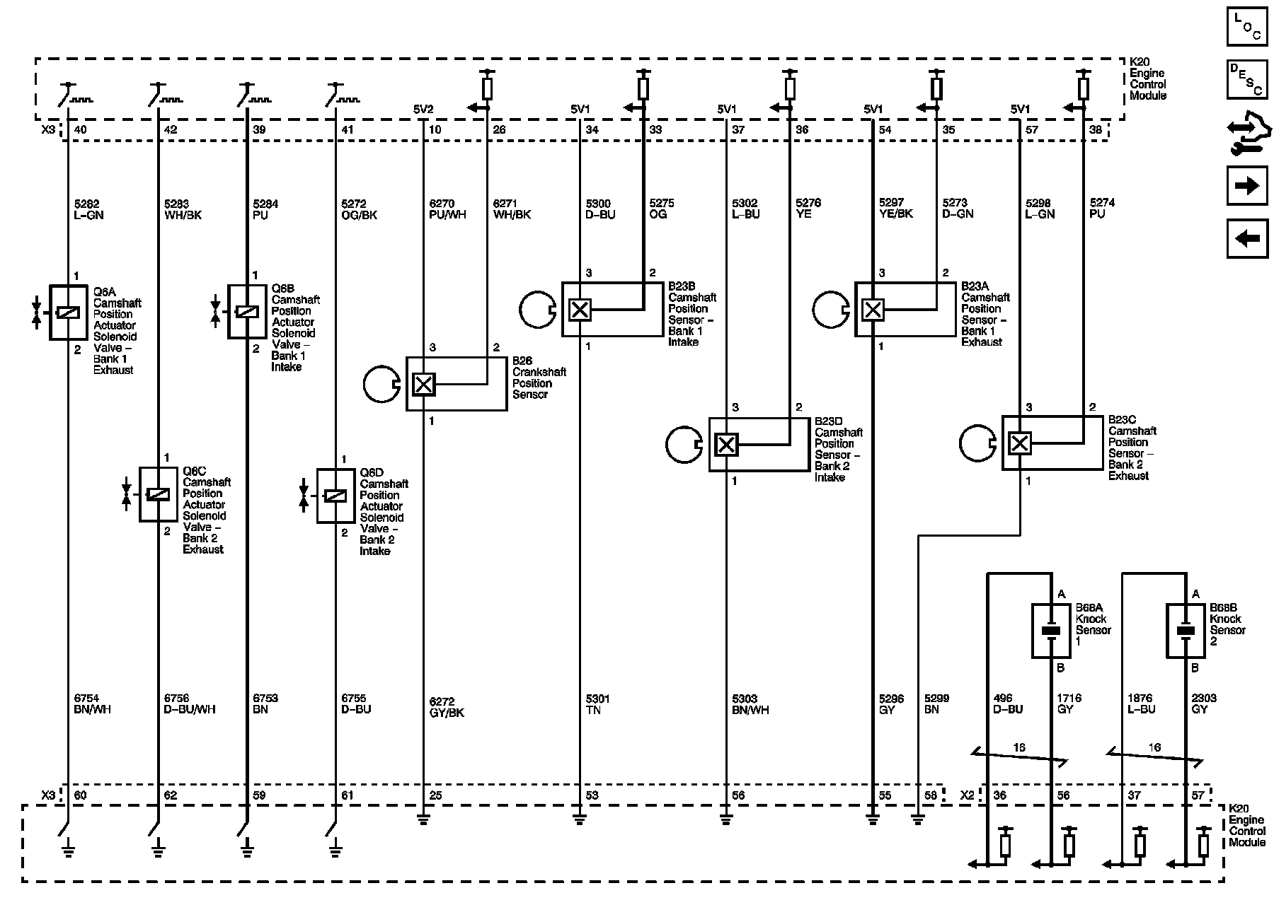
Ignition Controls - Camshaft, Crankshaft and Knock Sensors, Camshaft Actuators
Ignition Controls - Ignition Coils 1, 3, and 5
Power Distribution Schematics
G107, G108, and G109
Ignition Controls - Camshaft, Crankshaft, and Knock Sensors, Camshaft Actuators
Master Electrical Component List
Camshaft Actuator System Description
Control Module References
Ignition Controls - Camshaft, Crankshaft and Knock Sensors, Camshaft Actuators
Master Electrical Schematic Icons
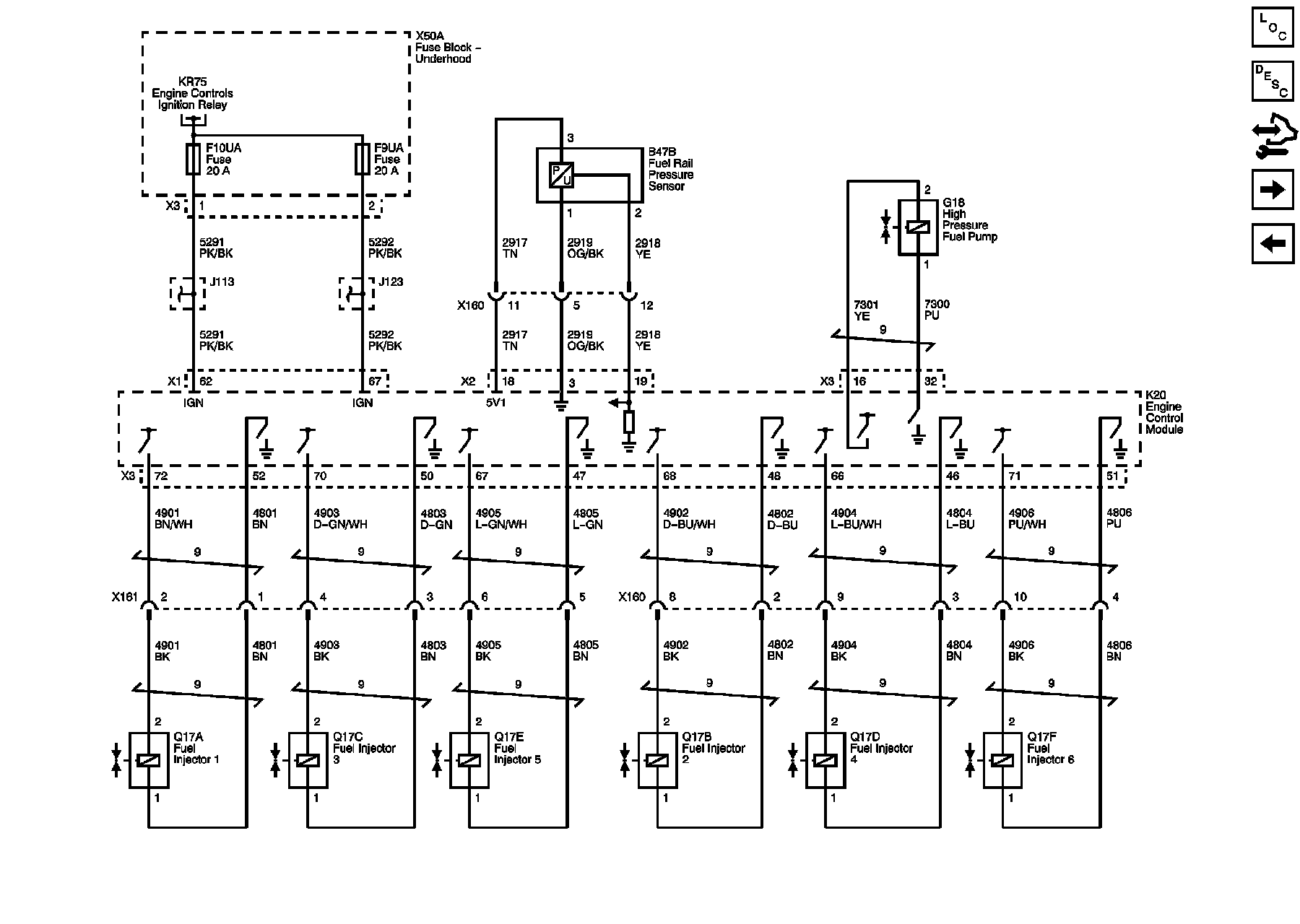
Fuel Controls- Fuel Injectors
Master Electrical Component List
Fuel System Description
Control Module References
Fuel Controls - Evaporative Emission Controls
Ignition Controls - Camshaft, Crankshaft and Knock Sensors, Camshaft Actuators
Module Power, Ground, Serial Data, and MIL
Power Distribution Schematics
Master Electrical Schematic Icons
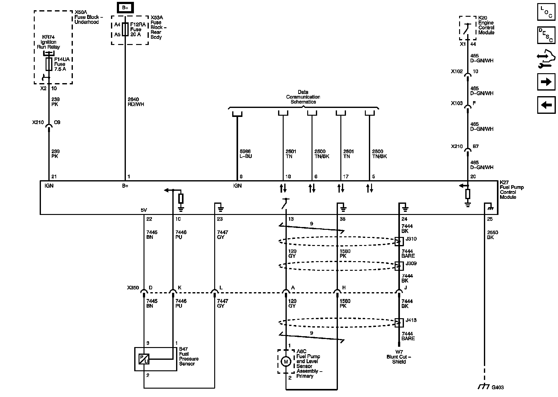
Fuel Controls - Fuel Pump Controls
Master Electrical Component List
Control Module References
Fuel Controls - Evaporative Emission Controls
Fuel Controls - Fuel Injectors
Power Moding
F14UA, F15UA, F16UA, F17UA, F18UA, F19UA, and F20UA Fuses
F1RA, F2RA, F3RA, F4RA, F5RA, F10RA, F11RA, and F12RA Fuses
Data Communication Schematics
G402, G403, and G404
Master Electrical Schematic Icons
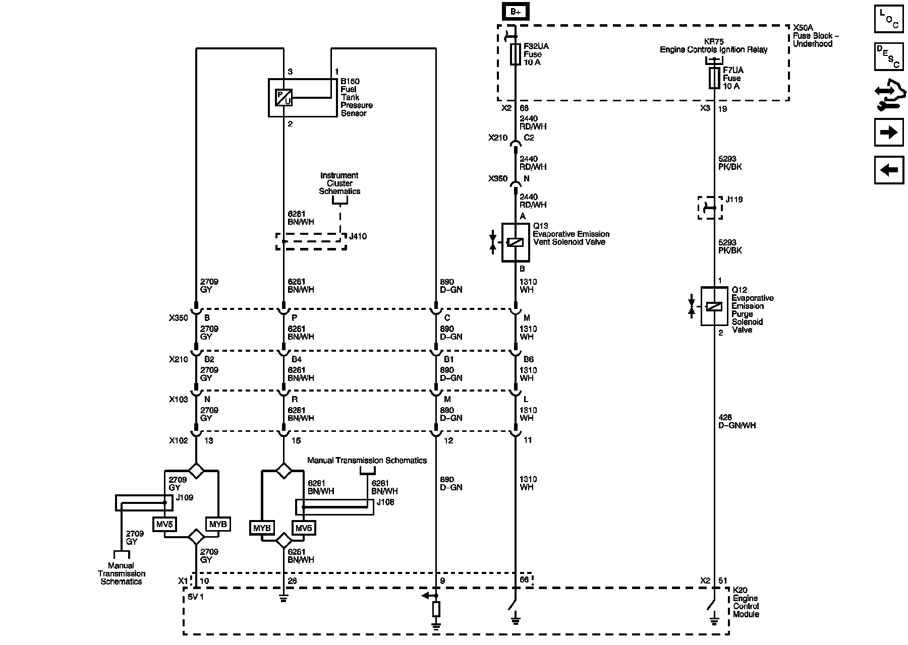
Fuel Controls- Evaporative Emission Controls
Master Electrical Component List
Evaporative Emission Control System Description
Control Module References
Controlled/Monitored Subsystem References
B+ Bus (1 of 2)
F2UA, F25UA, F26UA, F31UA, F32UA, F33UA, and F34UA Fuses
Module Power, Ground, Serial Data, and MIL
Power Distribution Schematics
Controlled/Monitored Subsystem References
Master Electrical Component List
Engine Control Module Description
Control Module References
Fuel Controls - Evaporative Emission Controls
Internal Mode and Tap Up/Tap Down Switches
Starting
Charging
A/C Compressor Controls
Cooling Fans
Exterior Lamps Controls
Hydraulic Brakes
Gages
M10