Operation CHARM: Car repair manuals for everyone.
Manuals through 2025 now available!

Our trusted friends have launched a new website named LEMON, which has newer manuals. It also contains all the CHARM manuals.

LEMON is the spiritual successor to CHARM, I recommend you try it!

Link: lemon-manuals.la or lemon-manuals.org.ua

(Some people have issue connecting. LEMON is investigating. For now, use Firefox or change your DNS server)

Or, hide this message: temporarily or permanently

Antilock Brakes / Traction Control Systems




Antilock Brake System Schematics

Power, Ground, Data Communication, and Traction Control





Master Electrical Component List
ABS Description and Operation
Control Module References
B+ Bus (1 of 2)
F35U, F40U, F42U, F43U, F50U, and F51U Fuses
Data Communication Schematics
G102
G201

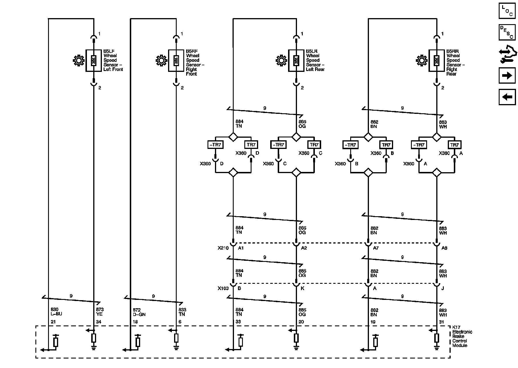
Wheel Speed Sensors





Master Electrical Component List
ABS Description and Operation
Control Module References
Master Electrical Schematic Icons

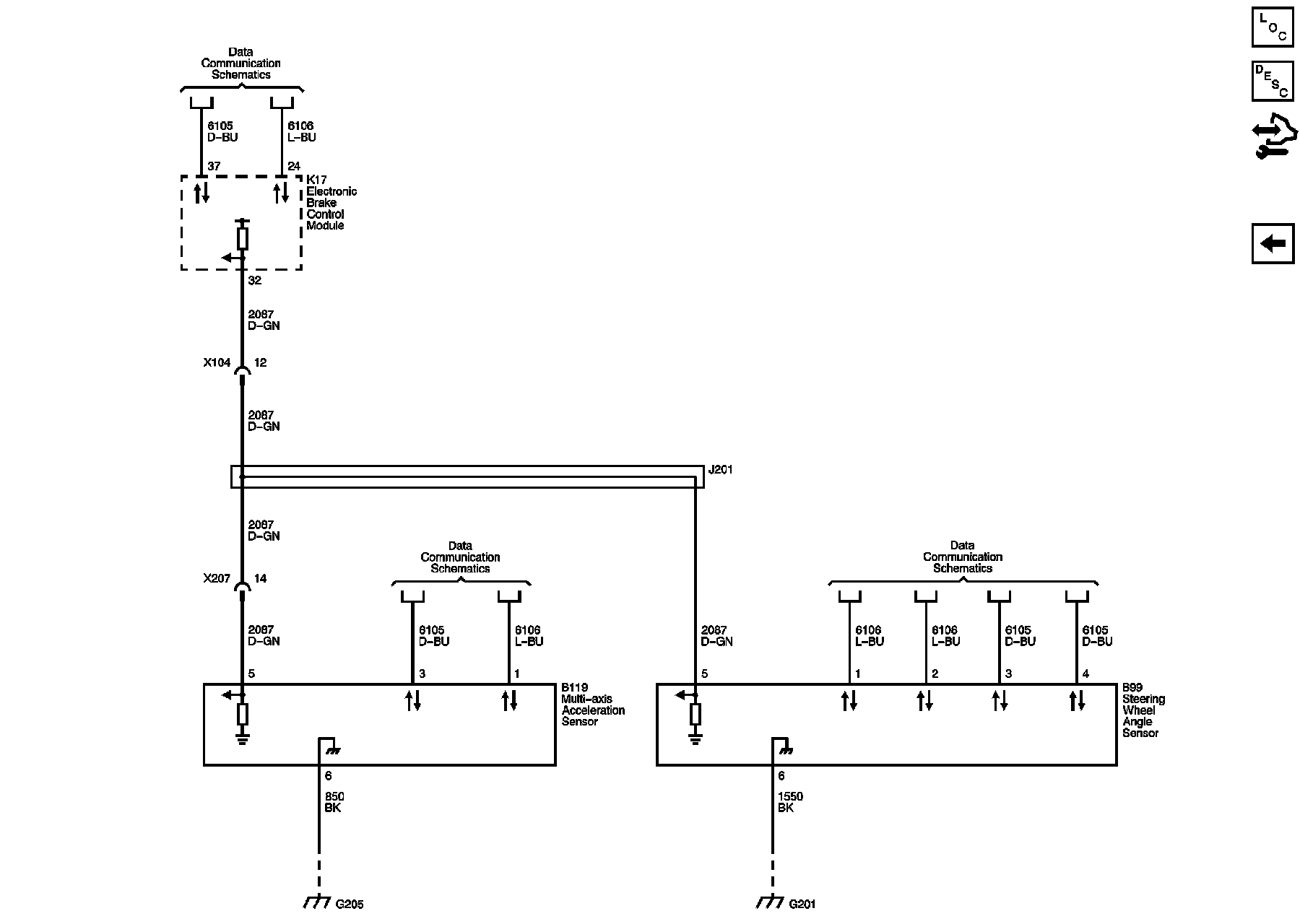
Stability Sensors





Master Electrical Component List
ABS Description and Operation
Control Module References
G205
G201