Operation CHARM: Car repair manuals for everyone.
Manuals through 2025 now available!

Our trusted friends have launched a new website named LEMON, which has newer manuals. It also contains all the CHARM manuals.

LEMON is the spiritual successor to CHARM, I recommend you try it!

Link: lemon-manuals.la or lemon-manuals.org.ua

(Some people have issue connecting. LEMON is investigating. For now, use Firefox or change your DNS server)

Or, hide this message: temporarily or permanently

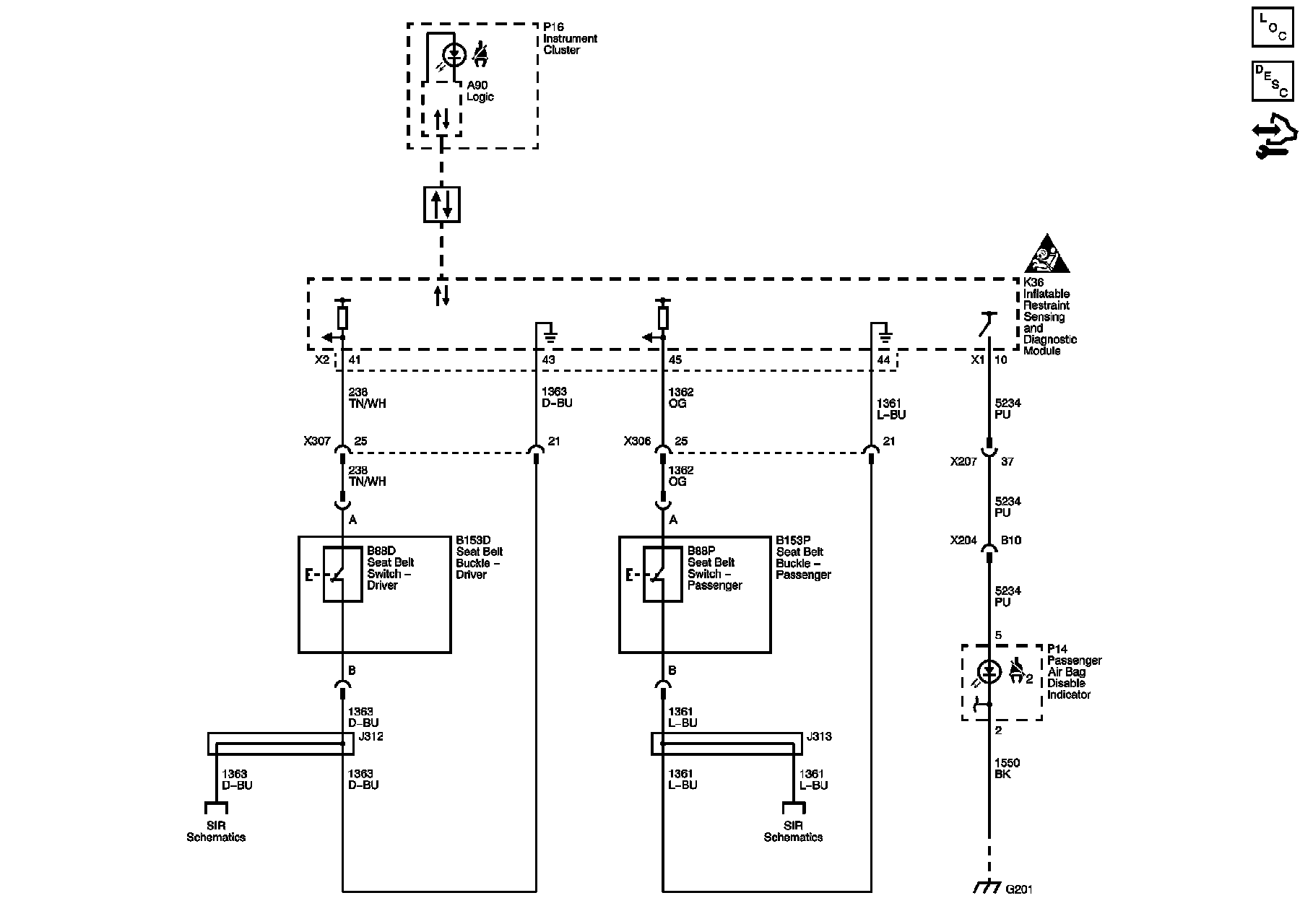
Seat Belt Systems




Seat Belt Schematics

Seat Belt and Passenger Air Bag Disable Indicator





Master Electrical Component List
Seat Belt System Description and Operation
Control Module References
Data Communication Schematics
Master Electrical Schematic Icons
G201