Operation CHARM: Car repair manuals for everyone.
Manuals through 2025 now available!

Our trusted friends have launched a new website named LEMON, which has newer manuals. It also contains all the CHARM manuals.

LEMON is the spiritual successor to CHARM, I recommend you try it!

Link: lemon-manuals.la or lemon-manuals.org.ua

(Some people have issue connecting. LEMON is investigating. For now, use Firefox or change your DNS server)

Or, hide this message: temporarily or permanently

Power Distribution Schematics




Power Distribution Schematics

B+ Bus (1 of 2)





Master Electrical Component List
Control Module References
B+ Bus (2 of 2)
Electrical Center Identification Views

B+ Bus (2 of 2)





Master Electrical Component List
Control Module References
B+ Bus (1 of 2)
Electrical Center Identification Views

Ignition Switch





Master Electrical Component List
Control Module References
F2U, F25U, F26U, F31U, F32U, F33U, and F34U Fuses
B+ Bus (2 of 2)
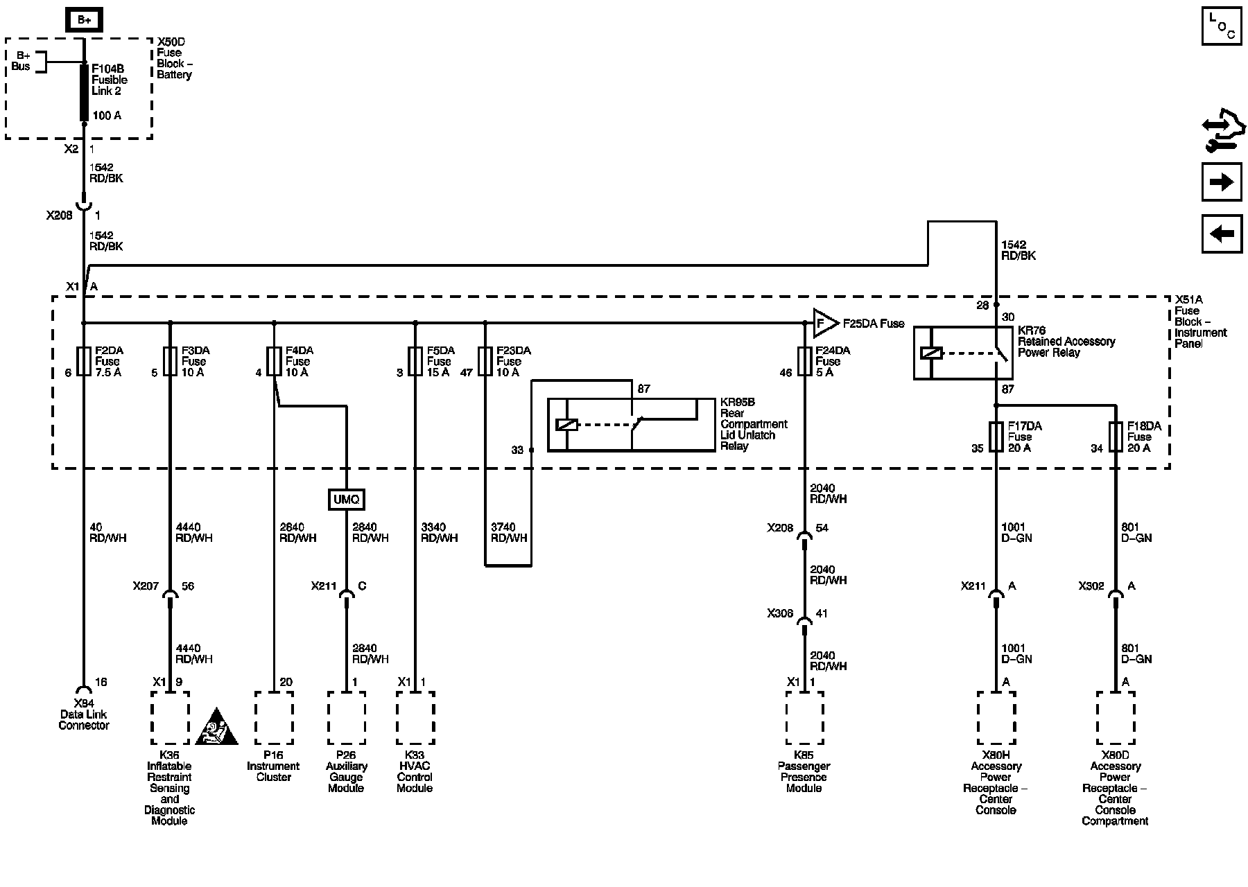
F2D, F3D, F4D, F5D, F17D, F18D, F23D, and F24D Fuses
Electrical Center Identification Views

F2UA, F25UA, F26UA, F31UA, F32UA, F33UA, and F34UA Fuses





Master Electrical Component List
Control Module References
F35U, F40U, F42U, F43U, F50U, and F51U Fuses
B+ Bus (1 of 2)

F35UA, F39UA, F40UA, F42UA, F43UA, F50UA, and F51UA Fuses





Master Electrical Component List
Control Module References
F2U, F25U, F26U, F31U, F32U, F33U, and F34U Fuses
B+ Bus (1 of 2)
Electrical Center Identification Views

F5UA and F11UA Fuses





Master Electrical Component List
Control Module References
F35U, F40U, F42U, F43U, F50U, and F51U Fuses
B+ Bus (1 of 2)
Electrical Center Identification Views

F7UA and F8UA Fuses (LFX)





Master Electrical Component List
Control Module References

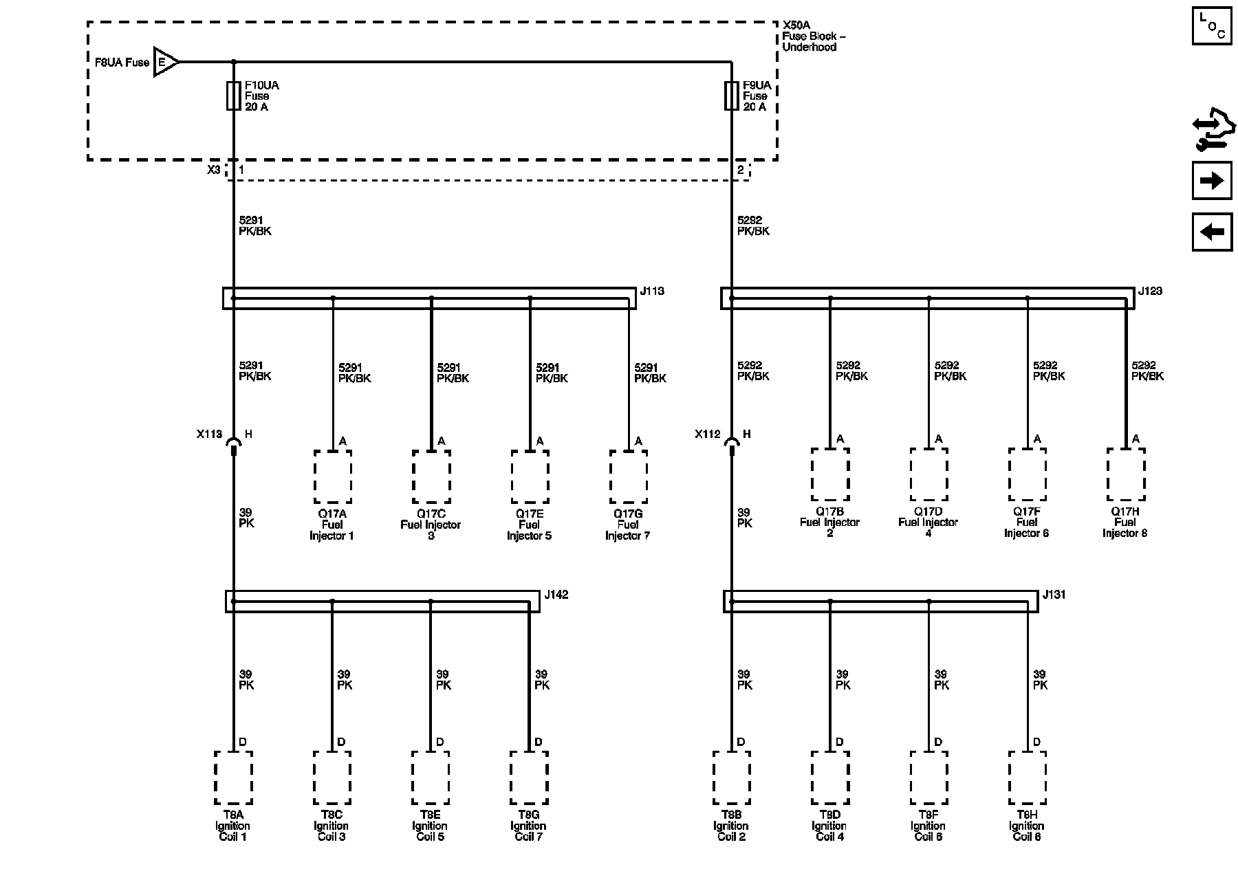
F9UA and F10UA Fuses (LFX)





Master Electrical Component List
Control Module References

F7UA and F8UA Fuses (L99/LS3)





Master Electrical Component List
Control Module References

F9UA and F10UA Fuses (L99/LS3)





Master Electrical Component List
Control Module References

F14UA, F15UA, F16UA, F17UA, F18UA, F19UA, and F20UA Fuses





Master Electrical Component List
Control Module References
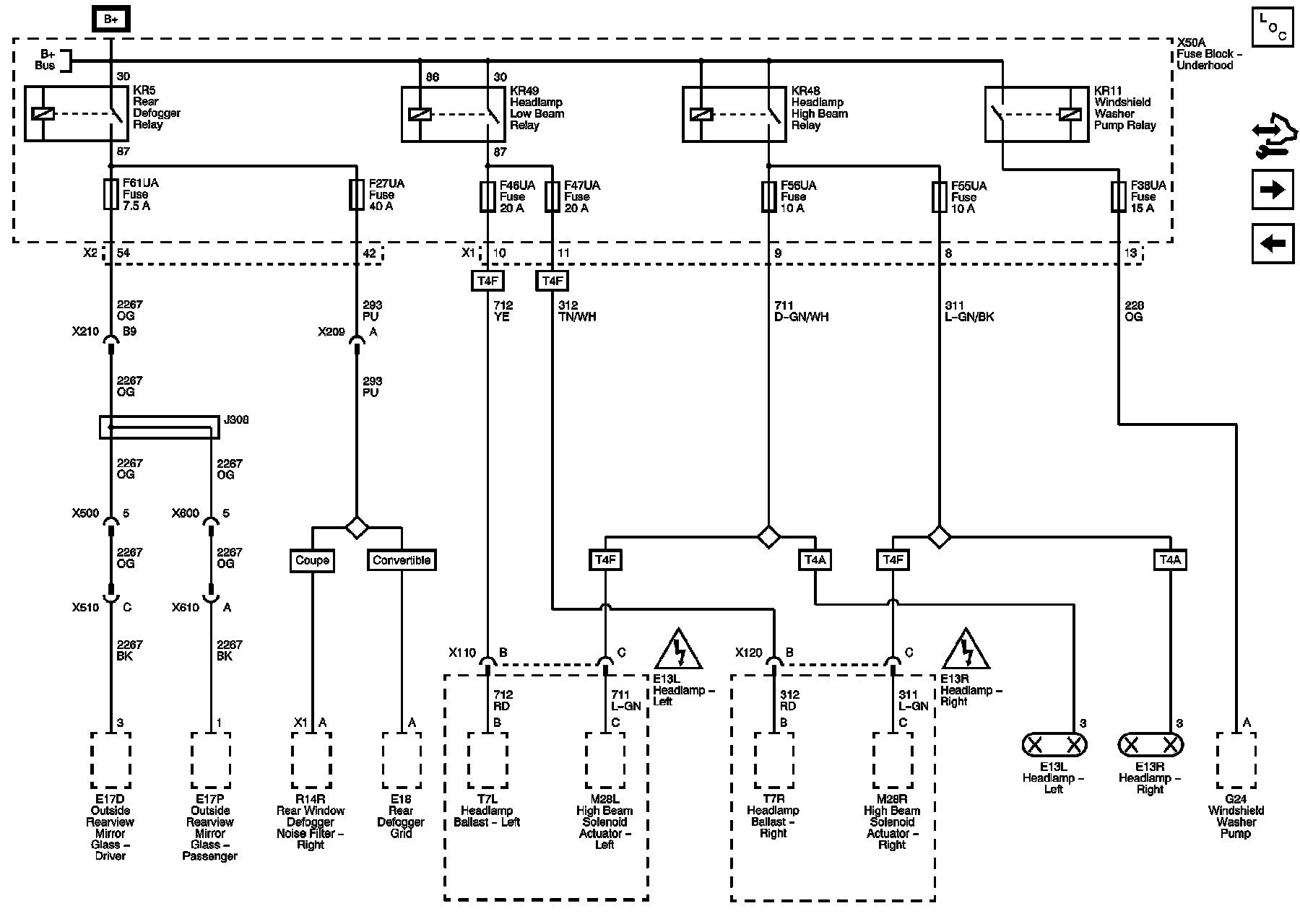
F27U, F38U, F46U, F47U, F55U, F56U, and F61U Fuses
B+ Bus (1 of 2)
Electrical Center Identification Views
Master Electrical Schematic Icons

F27UA, F38UA, F46UA, F47UA, F55UA, F56UA, and F61UA Fuses





Master Electrical Component List
Control Module References
F2D, F3D, F4D, F5D, F17D, F18D, F23D, and F24D Fuses
B+ Bus (1 of 2)
Electrical Center Identification Views
Master Electrical Schematic Icons

F2DA, F3DA, F4DA, F5DA, F17DA, F18DA, F23DA, and F24DA Fuses





Master Electrical Component List
Control Module References
F6D, F15D, F16D, F25D, F27D, F29D, F30D Fuses and CB7D, CB26D Circuit Breakers
F27U, F38U, F46U, F47U, F55U, F56U, and F61U Fuses
B+ Bus (1 of 2)
Electrical Center Identification Views
Master Electrical Schematic Icons

F6DA, F15DA, F16DA, F25DA, F27DA, F28DA, F29DA, F30DA Fuses and CB7DA, CB26DA Circuit Breakers





Master Electrical Component List
Control Module References
F2D, F3D, F4D, F5D, F17D, F18D, F23D, and F24D Fuses

F8DA, F13DA, F14DA, and F19DA Fuses





Master Electrical Component List
Control Module References
F6D, F15D, F16D, F25D, F27D, F29D, F30D Fuses and CB7D, CB26D Circuit Breakers
Interior Lamps Dimming
Master Electrical Schematic Icons

F1RA, F2RA, F3RA, F4RA, F5RA, F10RA, F11RA, and F12RA Fuses





Master Electrical Component List
Control Module References
B+ Bus (1 of 2)