Operation CHARM: Car repair manuals for everyone.
Manuals through 2025 now available!

Our trusted friends have launched a new website named LEMON, which has newer manuals. It also contains all the CHARM manuals.

LEMON is the spiritual successor to CHARM, I recommend you try it!

Link: lemon-manuals.la or lemon-manuals.org.ua

(Some people have issue connecting. LEMON is investigating. For now, use Firefox or change your DNS server)

Or, hide this message: temporarily or permanently

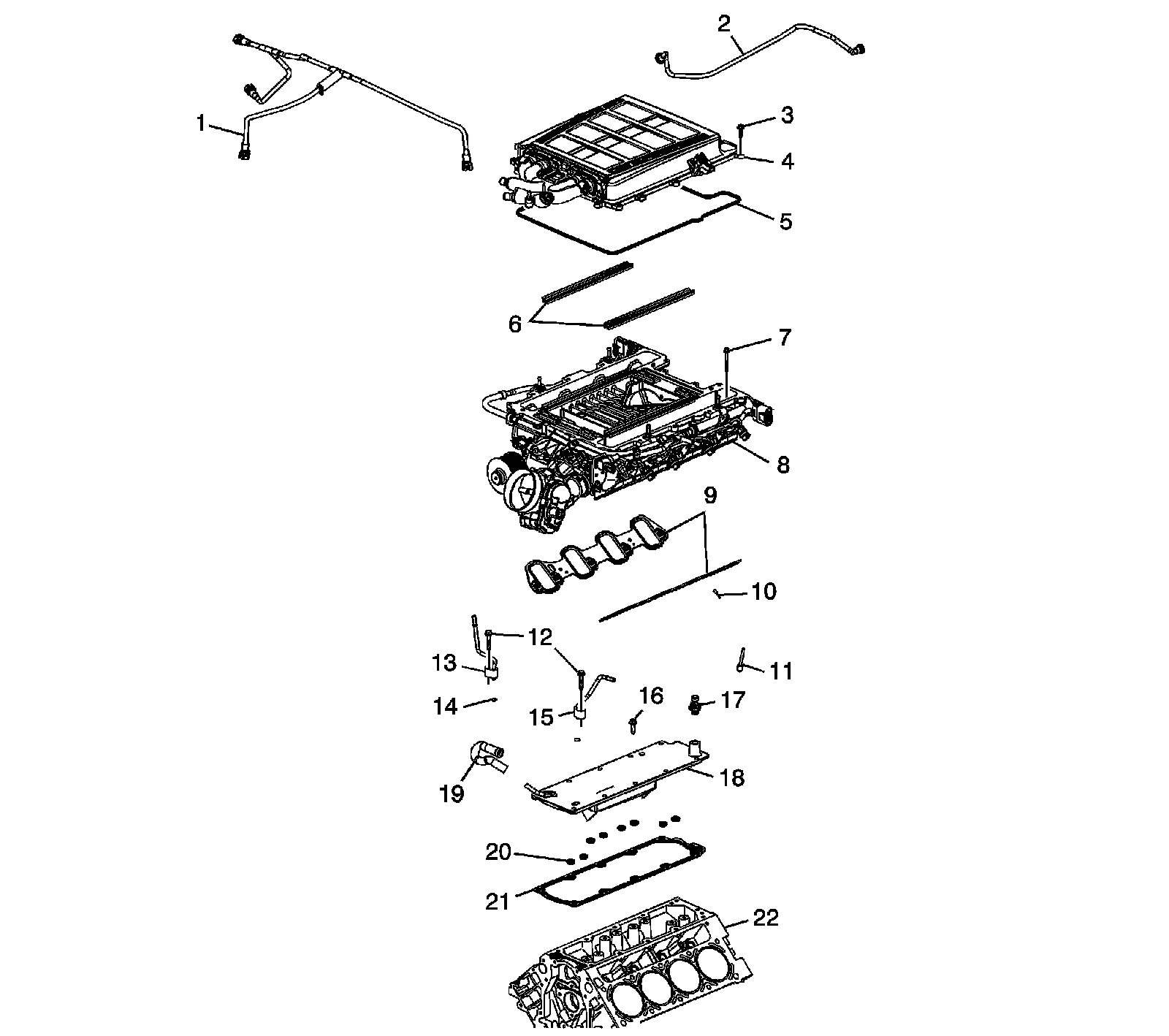
Engine: Locations




Disassembled Views (6.2L LS9)

Supercharger/Upper Engine





1 - Positive Crankcase Ventilation (PCV) Tube- Semi-Fresh Air

2 - Evaporative (EVAP) Emission Canister Purge Tube

3 - Supercharger Cover Bolts

4 - Supercharger Cover

5 - Supercharger Cover Seal

6 - Supercharger Insulator Seals

7 - Supercharger Bolts

8 - Supercharger

9 - Supercharger Gasket

10 - Supercharger Gasket Rivet

11 - Engine Coolant Air Bleed Plug

12 - Engine Coolant Air Bleed Pipe Bolt

13 - Engine Coolant Air Bleed Pipe

14 - Engine Coolant Air Bleed Pipe Seal

15 - Engine Coolant Air Bleed Pipe

16 - Valley Cover Bolt

17 - Engine Oil Pressure Sensor

18 - Valley Cover

19 - PCV Hose- Dirty Air

20 - Valley Cover Seal

21 - Valley Cover Gasket

22 - Engine Block

Cylinder Head/Upper Engine





1 - Oil Cap

2 - Oil Cap O-ring Seal

3 - Valve Rocker Arm Cover Gasket

4 - Valve Rocker Arm Cover

5 - Engine Cover Stud

6 - Ignition Coil Bolt

7 - Ignition Coil

8 - Spark Plug Wire

9 - Valve Rocker Arm Cover Bolt

10 - Valve Rocker Arm Cover Bolt Grommet

11 - Valve Rocker Arm Cover

12 - Valve Rocker Arm Cover Gasket

13 - Valve Stem Key

14 - Valve Spring Cap

15 - Valve Spring

16 - Valve Stem Oil Seal

17 - Spark Plug

18 - Cylinder Head Bolt- M12

19 - Cylinder Head Bolt- M8

20 - Cylinder Head

21 - Cylinder Head Gasket

22 - Cylinder Head Locating Pin

23 - Cylinder Head Plug

24 - Coolant Temperature Sensor

25 - Exhaust Valve

26 - Intake Valve

27 - Exhaust Manifold Gasket

28 - Exhaust Manifold

29 - Exhaust Manifold Stud

30 - Exhaust Manifold Bolt

31 - Valve Rocker Arm Bolt

32 - Valve Rocker Arm

33 - Valve Rocker Arm Pivot Support

34 - Valve Pushrod

35 - Valve Lifter Guide Bolt

36 - Valve Lifter Guide

37 - Valve Lifter

38 - Engine Block

Front of Engine





1 - Bolt

2 - Water Inlet Housing

3 - Water Inlet Seal

4 - Engine Coolant Thermostat

5 - Water Pump

6 - Water Pump Gasket

7 - Bolt

8 - Bolt

9 - Balancer Weight- Crankshaft Balancer

10 - Crankshaft Balancer

11 - Crankshaft Front Oil Seal

12 - CMP Sensor Wire Harness

13 - CMP Sensor Bolt

14 - CMP Sensor Seal

15 - Camshaft Position (CMP) Sensor

16 - Bolt

17 - Engine Front Cover

18 - Engine Front Cover Gasket

19 - Bolt

20 - Timing Chain Tensioner

21 - Timing Chain

22 - Crankshaft Balancer Washer

23 - Crankshaft Sprocket

24 - Bolt

25 - Camshaft Sprocket

26 - Bolt

27 - Camshaft Retainer

28 - Camshaft Sprocket Locating Pin

29 - Camshaft

30 - Camshaft Bearings

31 - Engine Block

32 - Oil Pressure Relief Valve Plug

33 - Oil Pressure Relief Valve Spring

34 - Oil Pressure Relief Valve

35 - Oil Pump Housing- Primary

36 - Bolt

37 - Oil Pump Gear- Driven

38 - Oil Pump Gear- Drive

39 - Oil Pump Housing- Secondary

40 - Oil Pump Gear- Driven

41 - Oil Pump Gear- Drive

42 - Oil Pump Cover

43 - Bolt

Rear of Engine





1 - Engine Block

2 - Crankshaft Rear Oil Seal Housing Gasket

3 - Crankshaft Rear Oil Seal Housing

4 - Bolt

5 - Crankshaft Rear Oil Seal

6 - Flexplate - Automatic Transmission

7 - Transmission Pilot Bearing - Manual Transmission

8 - Balance Weight - Flywheel - Manual Transmission

9 - Flywheel - Manual Transmission

10 - Bolt

11 - Clutch Pressure Plate Locating Pin - Manual Transmission

12 - Clutch Drive Plate - Manual Transmission

13 - Clutch Pressure Plate - Manual Transmission

14 - Bolt

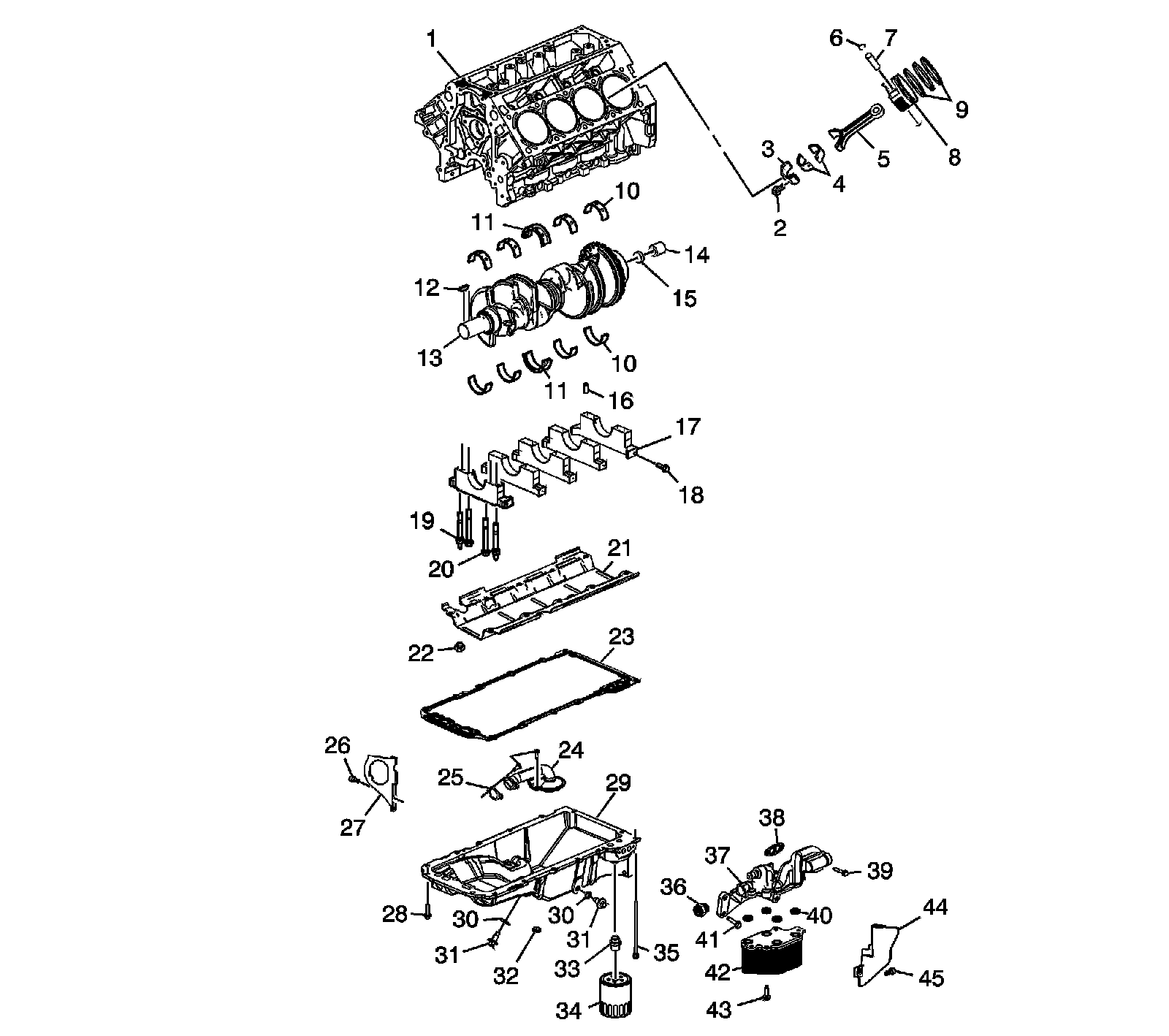
Lower Engine Assembly





1 - Engine Block

2 - Bolt

3 - Connecting Rod Cap

4 - Connecting Rod Bearing

5 - Connecting Rod

6 - Piston Pin Retainer

7 - Piston Pin

8 - Piston

9 - Piston Ring Set

10 - Crankshaft Bearing

11 - Crankshaft Bearing - Thrust

12 - Crankshaft Sprocket Key

13 - Crankshaft

14 - Transmission Pilot Bearing

15 - Crankshaft Hole Plug

16 - Crankshaft Bearing Cap Locating Pin

17 - Crankshaft Bearing Cap

18 - Bolt - M8

19 - Stud - M10

20 - Bolt - M10

21 - Crankshaft Oil Deflector

22 - Crankshaft Oil Deflector Nut

23 - Oil Pan Gasket

24 - Oil Pump Screen

25 - Oil Pump Suction Pipe Gasket

26 - Bolt

27 - Engine Cover - Right

28 - Bolt - M8

29 - Oil Pan

30 - Oil Pan Drain Plug Seal - O-ring

31 - Oil Pan Drain Plug

32 - Oil Pan Hole Plug

33 - Oil Filter Fitting

34 - Oil Filter

35 - Bolt - M6

36 - Engine Oil Cooler Coolant Fitting

37 - Engine Oil Cooler Housing

38 - Engine Oil Cooler Gasket

39 - Engine Oil Cooler-to-Oil Pan Bolt - M6

40 - Engine Oil Cooler Core Seal

41 - Engine Oil Cooler-to-Oil Pan Bolt - M8

42 - Engine Oil Cooler Core

43 - Engine Oil Cooler Core-to-Housing Bolt

44 - Oil Pan Cover - Left

45 - Bolt

Engine Block Plugs/Sensors





1 - Oil Gallery Plug - Front

2 - Engine Block

3 - Oil Gallery Plug Washer

4 - Oil Gallery Plug - Side - M16

5 - Knock Sensor Bolt

6 - Knock Sensor

7 - Engine Block Coolant Drain Hole Plug - M28

8 - Engine Block Coolant Drain Hole Plug - M16

9 - Engine Block Coolant Drain Hole Plug Washer

10 - Crankshaft Position (CKP) Sensor Bolt

11 - CKP Sensor

12 - CKP Sensor O-Ring

13 - Piston Oil Nozzle

14 - Oil Gallery Plug - Rear

15 - Oil Gallery Plug O-Ring

16 - Transmission Housing Locating Pin

Supercharger Cover Assembly





1 - Supercharger Water Manifold

2 - Intake Manifold Sight Shield Stud

3 - Supercharger Water Manifold Gasket

4 - Intake Air Temperature Sensor

5 - Barometric Pressure Sensor Bolt

6 - Barometric Pressure Sensor

7 - Barometric Pressure Sensor Seal

8 - Charge Air Cooler Cover Bolt

9 - Supercharger Air Outlet Pressure Sensor Seal

10 - Supercharger Air Outlet Pressure Sensor

11 - Supercharger Air Outlet Pressure Sensor Bolt

12 - Charge Air Cooler Cover

13 - Charge Air Cooler Insulators

14 - Charge Air Cooler

15 - Charge Air Cooler Cover Seal

16 - Charge Air Cooler Bolts

17 - Charge Air Cooler Coolant Pipe Seal

17 - Charge Air Cooler Coolant Pipe Seal

18 - Charge Air Cooler Coolant Pipe

19 - Supercharger Water Manifold Bolt

20 - Engine Coolant Air Bleed Valve

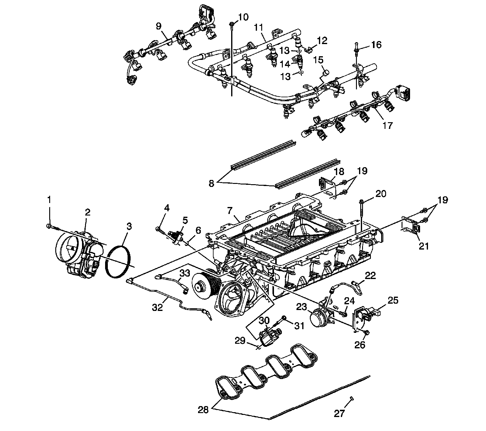
Supercharger Assembly





1 - Throttle Body Bolt

2 - Throttle Body

3 - Throttle Body Seal

4 - Supercharger Inlet Air Pressure Sensor Bolt

5 - Supercharger Inlet Air Pressure Sensor

6 - Supercharger Inlet Air Pressure Sensor Seal

7 - Supercharger

8 - Charge Air Cooler Insulator

9 - Fuel Injector Wiring Harness

10 - Fuel Injection Fuel Rail Bolt

11 - Multiport Fuel Injection Fuel Rail

12 - Fuel Injector Retainer

13 - Fuel Injector Seal

14 - Fuel Injector

15 - Fuel Rail Service Port Cap

16 - Fuel Injection Fuel Rail Stud

17 - Fuel Injector Wiring Harness

18 - Fuel Injector Wiring Harness Connector Bracket

19 - Fuel Injector Wiring Harness Connector Bracket Bolt

20 - Intake Manifold Bolt

21 - Fuel Injector Wiring Harness Connector Bracket

22 - Bypass Valve Actuator Tube

23 - Supercharger Bypass Actuator

24 - Supercharger Bypass Actuator Bolt

25 - Charge Air Bypass Valve w/Bracket

26 - Charge Air Bypass Valve Bolt

27 - Intake Manifold Gasket Rivet

28 - Intake Manifold Gasket

29 - Evaporative Emission Canister Purge Valve Seal

30 - Evaporative Emission Canister Purge Valve

31 - Evaporative Emission Canister Purge Valve Bolt

32 - Charge Air Bypass Valve Tube

33 - Charge Air Bypass Valve Vacuum Tube

Oil Pump Assembly





408 - Bolt

409 - Oil Pump Cover

410 - Oil Pump Gear- Drive

410 - Oil Pump Gear- Drive

412 - Oil Pump Gear- Driven

412 - Oil Pump Gear- Driven

413 - Oil Pump Housing- Primary

414 - Oil Pressure Relief Valve

415 - Oil Pressure Relief Valve Spring

416 - Oil Pressure Relief Valve Plug

456 - Oil Pump Housing- Secondary

Engine Oil Tank Assembly





1 - Oil Level Indicator

2 - Bolt/Stud

3 - Oil Fill Cap

4 - Bolt

5 - Engine Oil Tank- Top

6 - O-ring

7 - O-ring

8 - Tube

9 - Clamp

10 - Engine Oil Tank- Small

11 - Engine Oil Temperature Sensor

12 - Oil Transfer Tube Fitting

13 - Oil Transfer Tube

14 - Oil Transfer Tube Fitting

15 - Bracket

16 - Bolt

17 - Bolt

18 - Bracket

19 - Screen

20 - Engine Oil Tank- Large