Operation CHARM: Car repair manuals for everyone.
Manuals through 2025 now available!

Our trusted friends have launched a new website named LEMON, which has newer manuals. It also contains all the CHARM manuals.

LEMON is the spiritual successor to CHARM, I recommend you try it!

Link: lemon-manuals.la or lemon-manuals.org.ua

(Some people have issue connecting. LEMON is investigating. For now, use Firefox or change your DNS server)

Or, hide this message: temporarily or permanently

Engine Replacement




Engine Replacement (LS9)

Special Tools

* J 36660-A - Torque Angle Meter

* J 39580 - Engine Support Table

* J 39580-500 - Engine Support Table Top

* J 41798 - Engine Lifting Brackets

* J 42203 - Driveline Support

Removal Procedure

1. Remove the upper intake manifold sight shield. Refer to Upper Intake Manifold Sight Shield Replacement (LS9) Upper Intake Manifold Sight Shield ReplacementUpper Intake Manifold Sight Shield Replacement (w/o LS9) Upper Intake Manifold Sight Shield Replacement.

2. Disconnect the battery negative cable. Refer to Battery Negative Cable Disconnection and Connection (LS7 or LS9) Battery Negative Cable Disconnection and ConnectionBattery Negative Cable Disconnection and Connection (LS3) Battery Negative Cable Disconnection and Connection.

3. Recover the air conditioning (A/C) refrigerant. Refer to Refrigerant Recovery and Recharging Refrigerant Recovery and Recharging.

4. Remove the radiator. Refer to Radiator Replacement (LS3, LS7) Radiator ReplacementRadiator Replacement (LS9) Radiator Replacement.

5. Remove the break pressure modulator valve (BPMV) bracket. Refer to Brake Pressure Modulator Valve Bracket Replacement Brake Pressure Modulator Valve Bracket Replacement.

6. Reposition the brake pipes.

7. Remove the accessory drive belt. Refer to Drive Belt Replacement - Accessory (LS9) Drive Belt Replacement - AccessoryDrive Belt Replacement - Accessory (w/o LS9) Drive Belt Replacement - Accessory.

8. Disconnect the evaporative emission (EVAP) canister purge hose at the fuel line.

9. Remove the fuel feed hose. Refer to Fuel Line Replacement - Engine Fuel Line Replacement - Engine.

10. Remove the air cleaner resonator outlet duct. Refer to Air Cleaner Resonator Outlet Duct Replacement (LS9) Service and Repair.




11. Disconnect the intercooler cooling system hoses (1).

12. Remove the heater hoses from the water pump.

13. Remove the generator. Refer to Generator Replacement (LS3 or LS7) Generator ReplacementGenerator Replacement (LS9) Generator Replacement.




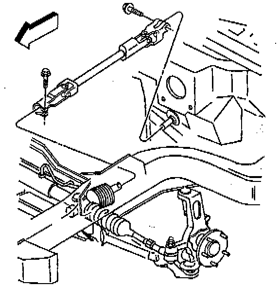
14. Remove the intermediate steering shaft bolt to the steering gear. Refer to Intermediate Steering Shaft Replacement Intermediate Steering Shaft Replacement.

15. Remove the intermediate steering shaft from the steering gear and position it to the left onto the frame rail.

16. Remove the front tires and wheels. Refer to Tire and Wheel Removal and Installation Service and Repair.




17. Remove the driveline tunnel close-out panel bolts.

18. Remove the driveline tunnel close-out panel.

19. Remove the starter motor. Refer to Starter Replacement Service and Repair.




20. Remove the oil inlet hose to oil pan bolt (3) and disconnect the hose (2) from the oil pan.
Discard the oil seal (1).

21. If the engine failed and debris was created, remove the oil tank inlet hose and discard. Refer to Oil Tank Inlet Hose Replacement Oil Tank Inlet Hose Replacement.

22. Remove the oil tank outlet hose to oil pan bolt and disconnect the hose from the oil pan.
Discard the oil seal.

23. If the engine failed and debris was created, remove the oil tank outlet hose and discard. Refer to Oil Tank Outlet Hose Replacement Oil Tank Outlet Hose Replacement.

24. Remove the engine oil cooler adapter. Refer to Engine Oil Cooler Adapter Replacement (LS9 and LS7) Engine Oil Cooler Adapter Replacement




25. Disconnect the crankshaft position (CKP) sensor electrical connector (1).

26. Disconnect the oil level sensor electrical connector (2).

27. Disconnect the right heated oxygen sensor (HO2S) electrical connector.




28. Remove the A/C compressor and condenser hose bolt at the compressor.

29. Separate the A/C compressor and condenser hose from the A/C compressor.




30. Disconnect the wheel speed sensor electrical connectors.

31. If equipped with real time damping (RTD) disconnect the following electrical connectors:

* Shock absorber damper

* Position sensor pigtail

32. Unclip the transmission wire harness from the crossmember.

33. Disconnect the electronic variable orifice (EVO) control connector clips from the crossmember.




34. Remove the transmission harness clip bolts from the engine block.

35. Unclip the transmission wire harness from the engine wire harness.

36. Remove the stabilizer shaft. Refer to Stabilizer Shaft Replacement Front Suspension.

37. Remove the driveline support assembly. Refer to Driveline Support Assembly Replacement Driveline Support Assembly Replacement.

38. Support the engine and crossmember on the J 39580 - engine support table and the J 39580-500 - engine support table top.




39. Using HAND TOOLS ONLY, remove the front and rear crossmember nuts.

40. Partially raise the vehicle.

41. Disconnect the manifold absolute pressure (MAP) sensor electrical connector.

42. Disconnect the camshaft position (CMP) sensor electrical connector.

43. Remove the ground strap bolt.

44. Remove the ground strap from the left rear cylinder head.

45. Disconnect the engine oil pressure sensor electrical connector from the back of the engine.




46. Disconnect the electrical connector (2) for the knock sensor, left side.




47. Disconnect the electrical connector (2) for the knock sensor, right side.




48. Remove the driveline support bolts.

49. Slowly pull the engine away from the propeller shaft.

50. As soon as the propeller input shaft clears the flywheel housing, slowly raise the vehicle.

51. Slide the engine and crossmember forward in order to clear the propeller shaft spline.

52. Remove the electronic brake control module (EBCM). Refer to Electronic Brake Control Module Replacement Service and Repair.

Note: Visually inspect the wiring harness clearances while raising the vehicle.

53. Raise the vehicle completely off of the engine and crossmember.

54. Remove the power steering pump bracket. Refer to Power Steering Pump Bracket Replacement (LS9) Power Steering Pump Bracket Replacement.

55. Install the J 41798 - engine lifting brackets to the engine.




56. Remove the engine mount nuts.

57. Using a engine hoist and the J 41798 - engine lifting brackets slowly raise the engine.

58. Remove the engine from the crossmember.

59. Remove the flywheel housing bolts.

60. Remove the flywheel housing from the engine block.

61. Install the engine onto an engine stand and prepare for disassembly.

62. Remove the engine hoist.

Caution:
Avoid engine damage. Debris in the engine oil tank, oil tank hoses and engine oil cooler may be pulled back into the engine causing severe engine damage. You must clean the engine oil tank, and replace the engine oil hoses and engine oil cooler.

63. Remove the J 41798 - engine lifting brackets from the engine.

Installation Procedure

1. Prepare the engine for installation.

2. Install the engine mount brackets to the engine block.

Caution: Refer to Fastener Caution Fastener Caution.

3. Install the engine mount bracket bolts and tighten to 50 Nm (37 lb ft).

4. Install the J 41798 - engine lifting brackets to the engine.

5. Using an engine hoist and the J 41798 - engine lifting brackets raise the engine slightly.

6. Remove the engine from the engine stand.

7. Install the flywheel housing to the engine block.

8. Install the flywheel housing bolts and tighten to 50 Nm (37 lb ft).

9. Using an engine hoist and the J 41798 - engine lifting brackets lower the engine onto the crossmember.




10. Install the engine mount nuts and tighten to 65 Nm (48 lb ft).

11. Remove the J 41798 - engine lifting brackets from the engine.

12. Install the EBCM. Refer to Electronic Brake Control Module Replacement Service and Repair.

13. Roll the engine and crossmember underneath the vehicle.

14. Partially lower the vehicle onto the engine and crossmember.

15. Install the ground strap and ground strap bolt to the rear of the left cylinder head. Tighten the ground strap bolt to 32 Nm (24 lb ft).

16. Connect the engine oil pressure sensor electrical connector.

17. Connect the MAP sensor electrical connector.

18. Connect the CMP sensor electrical connector.




19. Reconnect the electrical connector (2) for the knock sensor, left side.




20. Reconnect the electrical connector (2) for the knock sensor, right side.

21. Vehicles equipped with a manual transmission, slide the engine and crossmember rearward. Do not force the engine onto the propeller spline.

22. Position the engine to the proper height and angle in order to install the propeller input shaft.

23. Insert the propeller input shaft into the clutch driven plate hub while maintaining the proper angle, DO NOT force. Rotate the shaft slightly to bring the 2 splines into alignment, if necessary.

24. Slowly seat the flywheel housing to the driveline.




25. Install the driveline support bolts and tighten to 50 Nm (37 lb ft).

26. Connect the master cylinder hose to the clutch actuator hose.

27. Hand tighten the flywheel hub collar bolt.

28. Lower the vehicle onto the crossmember and align the dowels.





Note: Use only hand tools when tightening or torquing crossmember nuts.

29. By HAND, install new crossmember nuts until snug. Tighten the crossmember nuts to 110 Nm (81 lb ft).

30. Raise and suitably support the vehicle.

31. Remove the J 39580 - engine support table and the J 39580-500 - engine support table top.

32. Remove the J 42203 - driveline support from the vehicle.




33. Install the lower control arm stud to the steering knuckle.

34. Install a NEW steering knuckle nut.

1. Tighten the steering knuckle nut to 20 Nm (15 lb ft) to seat the ball joint stud.

2. Torque the steering knuckle nut an additional 210 degrees using J 36660-A - torque angle meter.

3. Check the steering knuckle nut for a final torque of 55 Nm (41 lb ft).

35. Connect the ABS electrical connector clips to the crossmember, if equipped.

36. Install the front stabilizer shaft. Refer to Stabilizer Shaft Replacement Front Suspension.




37. Clip the transmission wire harness and the engine wire harness, at the white tape.

38. Install the transmission wire harness clip bolts to the engine block.

1. Tighten the transmission wire harness clip bolt, near the harness ground, to 32 Nm (23 lb ft).

2. Tighten the transmission wire harness clip bolt, near the oil pan, to 25 Nm (18 lb ft).

39. Install the EVO electrical connector clips to the crossmember.




40. Clip the transmission wire harness to the crossmember.

41. If equipped with RTD connect the following electrical connectors:

* Position sensor pigtail

* Shock absorber damper




42. Position the ground straps (1, 2) to the engine block.

43. Install the engine ground strap bolt. Tighten the engine wire harness ground bolt to 32 Nm (23 lb ft).

44. Connect the left HO2S electrical connector.

45. If equipped, connect the engine oil temperature sensor (3) electrical connector.




46. Install the AC compressor and condenser hose to the A/C compressor.

47. Install the A/C compressor and condenser hose bolt at the compressor and tighten to 27 Nm (20 lb ft).




48. Connect the right front HO2S sensor electrical connector.

49. Connect the oil level sensor (2) electrical connector.

50. Connect the CKP sensor (1) electrical connector.




51. Using a new oil seal (1) install the oil tank outlet hose (3) and bolt (2) to the oil pan. Tighten the outlet hose to oil pan bolt to 22 Nm (16 lb ft).

52. If the oil tank outlet hose was discarded, install a new hose. Refer to Oil Tank Outlet Hose Replacement Oil Tank Outlet Hose Replacement.




53. Using a new oil seal (1) install the oil tank inlet hose (2) and bolt (3) to the oil pan. Tighten the inlet hose to oil pan bolt to 22 Nm (16 lb ft).

54. If the oil tank inlet hose was discarded, install a new hose. Refer to Oil Tank Inlet Hose Replacement Oil Tank Inlet Hose Replacement.

55. Install the starter motor. Refer to Starter Replacement Service and Repair.




56. Install the driveline close-out panel.

57. Install the driveline close-out panel bolts and tighten to 12 Nm (106 lb in).

58. Install the intermediate pipe. Refer to Intermediate Pipe Replacement Service and Repair.

59. Install the front tires and wheels. Refer to Tire and Wheel Removal and Installation Service and Repair.

60. Lower the vehicle.




61. Install the intermediate steering shaft to the steering gear.

62. Install the intermediate steering shaft bolt and tighten to 48 Nm (35 lb ft).

63. Install the generator. Refer to Generator Replacement (LS3 or LS7) Generator ReplacementGenerator Replacement (LS9) Generator Replacement.

64. Connect the following electrical connectors to the engine:

* The fuel injectors

* The ignition coil main harness connectors

* The EVAP solenoid

* The electric throttle motor

* The ECT sensor

* The A/C compressor

65. Install the radiator hoses to the water pump.




66. Connect the intercooler cooling system hoses (1).

67. Install the fuel feed hose. Refer to Fuel Line Replacement - Engine Fuel Line Replacement - Engine.

68. Connect the EVAP emission canister purge hose at the fuel line.

69. Install the accessory drive belt. Refer to Drive Belt Replacement - Accessory (LS9) Drive Belt Replacement - AccessoryDrive Belt Replacement - Accessory (w/o LS9) Drive Belt Replacement - Accessory.

70. Install the BPMV bracket. Refer to Brake Pressure Modulator Valve Bracket Replacement Brake Pressure Modulator Valve Bracket Replacement.

71. Install the radiator. Refer to Radiator Replacement (LS3, LS7) Radiator ReplacementRadiator Replacement (LS9) Radiator Replacement.

72. Recharge the A/C system. Refer to Refrigerant Recovery and Recharging Refrigerant Recovery and Recharging.

73. Bleed the clutch hydraulic system, if equipped. Refer to Hydraulic Clutch System Bleeding Service and Repair.

74. Perform the CKP system variation learn procedure. Refer to Crankshaft Position System Variation Learn Testing and Inspection.

75. Fill the crankcase with the proper quantity and grade of engine oil.

76. Disable the ignition system.

77. Crank the engine several times. Listen for any unusual noises or evidence that parts are binding.

78. Enable the ignition system.

79. Start the engine and listen for unusual noises.

80. Check the vehicle oil pressure gauge and confirm that the engine has acceptable oil pressure.
If necessary, install an oil pressure gauge and measure the engine oil pressure.

81. Stop the engine and add oil to the engine oil tank as needed to bring the oil level to the FULL mark, approximately 2.4 liters (2.5 quarts).

82. Start the engine and run the engine speed at about 1,000 RPM until the engine has reached normal operating temperature.

83. Listen for sticking lifters and other unusual noises.

84. Inspect for fuel, oil, and/or other coolant leaks while the engine is running.




85. Install the engine flywheel housing inspection plug.

86. Perform a final inspection for the proper engine oil and coolant levels.