Operation CHARM: Car repair manuals for everyone.
Manuals through 2025 now available!

Our trusted friends have launched a new website named LEMON, which has newer manuals. It also contains all the CHARM manuals.

LEMON is the spiritual successor to CHARM, I recommend you try it!

Link: lemon-manuals.la or lemon-manuals.org.ua

(Some people have issue connecting. LEMON is investigating. For now, use Firefox or change your DNS server)

Or, hide this message: temporarily or permanently

Battery Positive Cable Replacement




Battery Positive Cable Replacement (7.0L)

Removal Procedure

1. Disconnect the negative battery cable. Refer to Battery Negative Cable Disconnection and Connection (LS7 or LS9) Battery Negative Cable Disconnection and ConnectionBattery Negative Cable Disconnection and Connection (LS3) Battery Negative Cable Disconnection and Connection.

2. Disconnect the positive battery cable from the battery.

3. Remove the rear compartment carpet. Refer to Rear Compartment Floor Panel Carpet Replacement (Convertible) Rear Compartment Floor Panel Carpet Replacement (Convertible)Rear Compartment Floor Panel Carpet Replacement (Coupe) Rear Compartment Floor Panel Carpet Replacement (Coupe).

4. Remove the passenger rear compartment front side trim panel. Refer to Rear Compartment Side Trim Panel Replacement Rear Compartment Side Trim Panel Replacement.

5. Remove the right door sill plate. Refer to Door Sill Plate Replacement Service and Repair.

6. Lift up the carpet to access the battery cables.





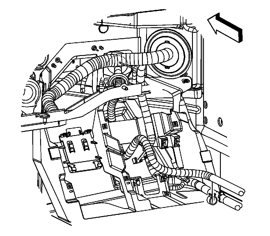
7. Remove the positive battery cable retainers.





8. Open the carpet on the fuse/relay center.





9. Remove the positive battery cable nut (1) from the fuse/relay center stud.

10. Remove the positive battery cable lead (2) from the fuse/relay center stud.

11. Remove the positive battery cable grommet from the dash panel.

12. Pull the positive cable through the dash panel.

13. Remove the positive battery cable.

Installation Procedure

1. Position the positive battery cable.





2. Push the positive cable grommet into place in the dash panel.





3. Position the positive battery cable to retainers.

4. Position the carpet back.

5. Install the right door sill plate. Refer to Door Sill Plate Replacement Service and Repair.

6. Install the passenger rear compartment front side trim panel. Refer to Rear Compartment Side Trim Panel Replacement Rear Compartment Side Trim Panel Replacement.

7. Install the rear compartment carpet. Refer to Rear Compartment Floor Panel Carpet Replacement (Convertible) Rear Compartment Floor Panel Carpet Replacement (Convertible)Rear Compartment Floor Panel Carpet Replacement (Coupe) Rear Compartment Floor Panel Carpet Replacement (Coupe).





8. Install the positive cable lead (2) to the fuse/relay center stud.

Caution:
Refer to Fastener Caution Fastener Caution.

9. Install the positive battery cable nut (1) to the fuse/relay center stud.

Tighten the positive battery cable nut to 10 Nm (89 lb in).

10. Close the stud cover on the fuse/relay center.

11. Connect the positive battery cable to the battery.

12. Connect the negative battery cable. Refer to Battery Negative Cable Disconnection and Connection (LS7 or LS9) Battery Negative Cable Disconnection and ConnectionBattery Negative Cable Disconnection and Connection (LS3) Battery Negative Cable Disconnection and Connection.