Operation CHARM: Car repair manuals for everyone.
Manuals through 2025 now available!

Our trusted friends have launched a new website named LEMON, which has newer manuals. It also contains all the CHARM manuals.

LEMON is the spiritual successor to CHARM, I recommend you try it!

Link: lemon-manuals.la or lemon-manuals.org.ua

(Some people have issue connecting. LEMON is investigating. For now, use Firefox or change your DNS server)

Or, hide this message: temporarily or permanently

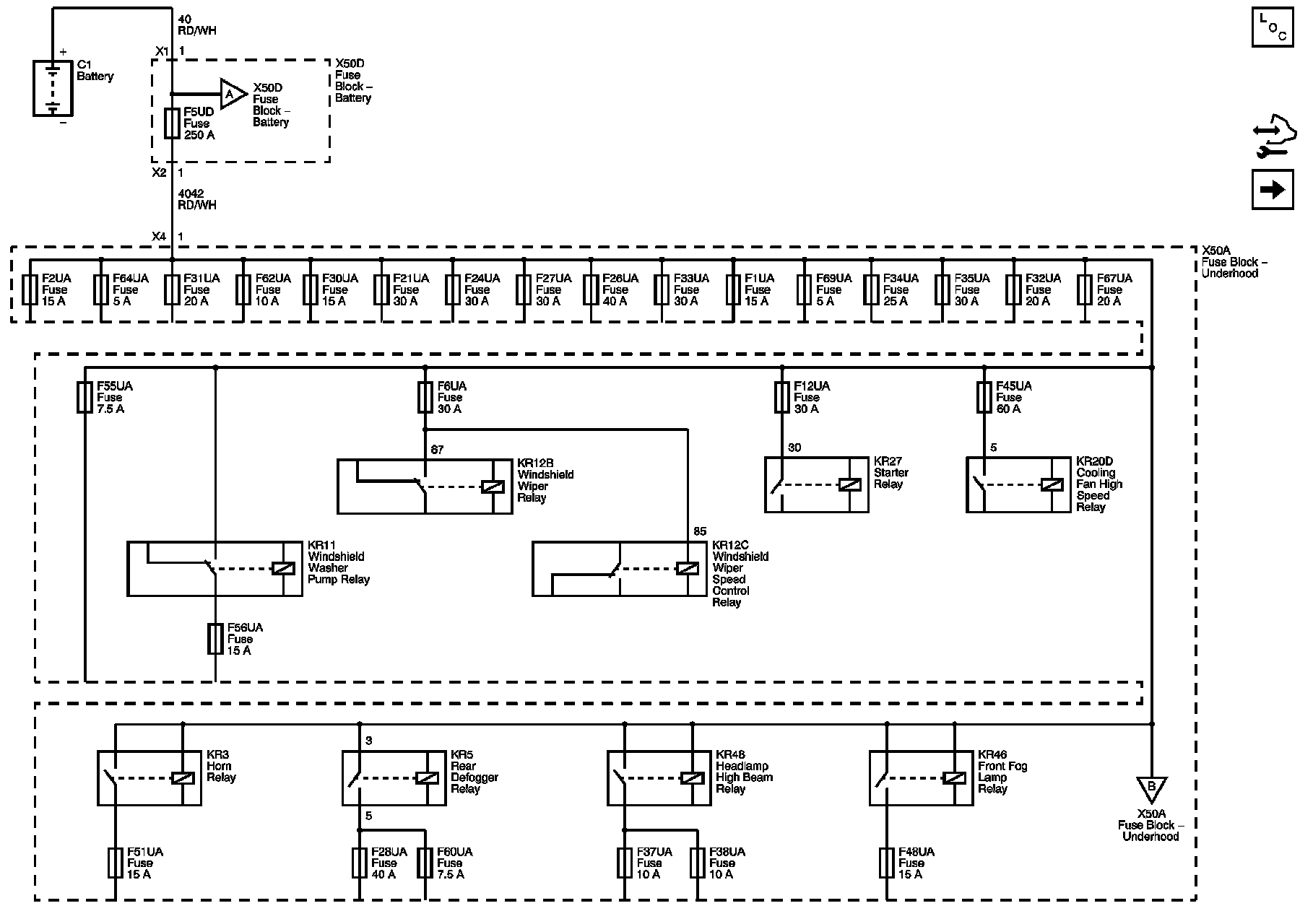
Power Distribution Schematics




Power Distribution Schematics

B+ Bus (1 of 3)





B+ Bus (2 of 3)





B+ Bus (3 of 3)





F2UA, F21UA, F25UA, F27UA, F31UA, F32UA, F34UA, F35UA, F69UA, and F70UA Fuses





F1UA, F26UA, F30UA, F33UA, F55UA, F64UA, and F67UA Fuses





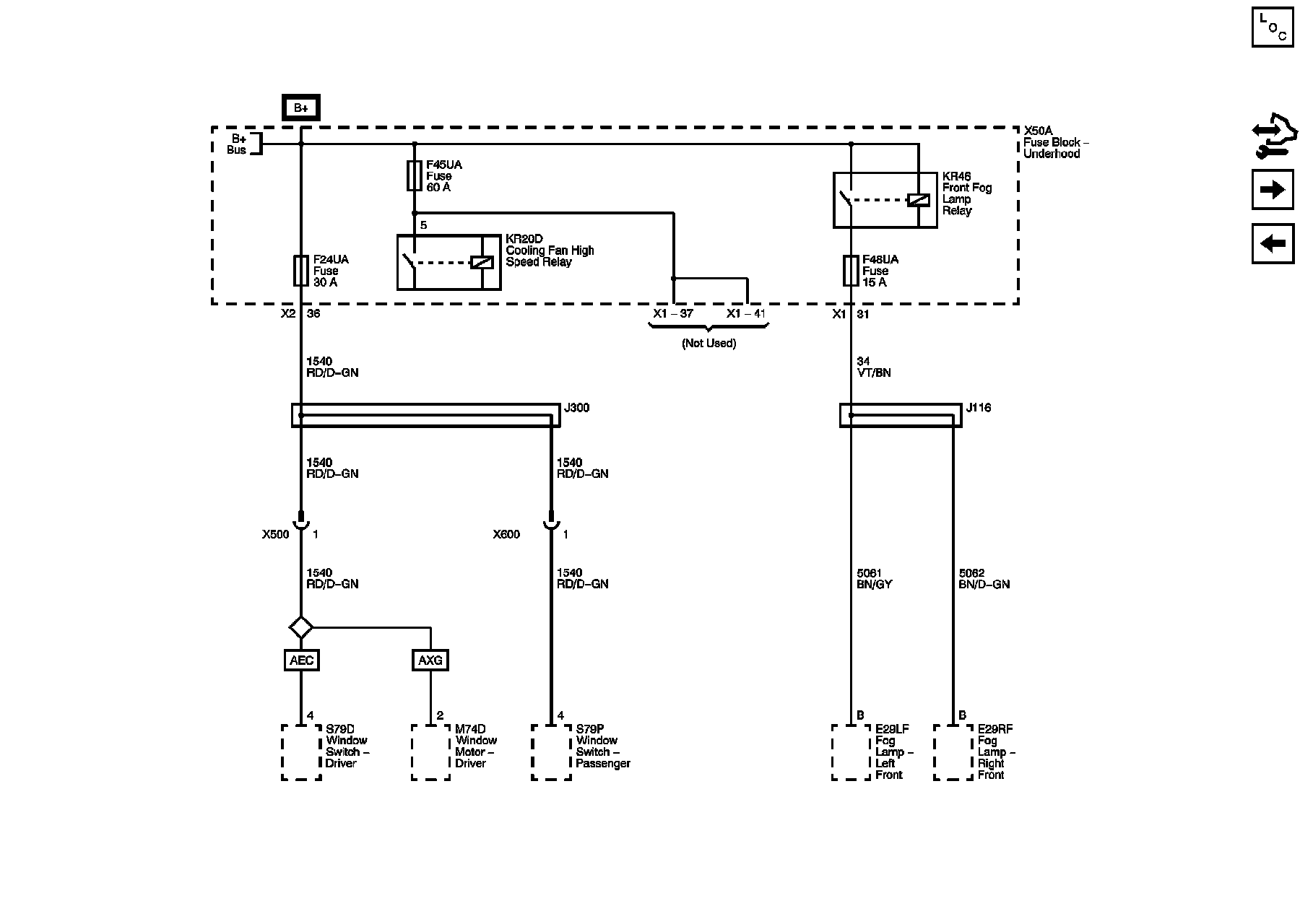
F5UB, F6UB, F24UA, F45UA, and F48UA Fuses





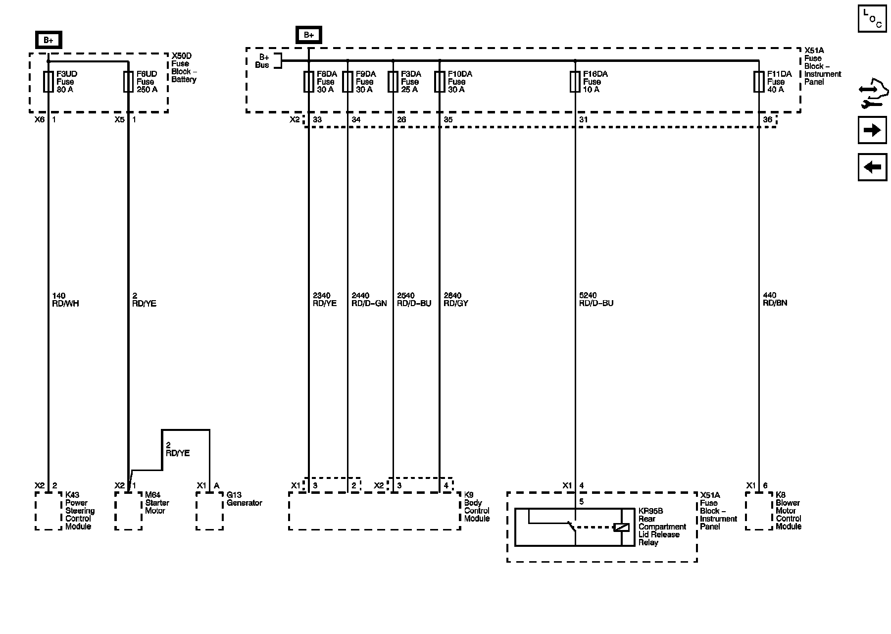
F3DA, F3UD, F6UD, F8DA, F9DA, F10DA, F11DA, and F16DA Fuses





F12DA and F13DA Circuit Breakers, and F14DA, F15DA, F17DA, F21DA, F23DA, F24DA, and F25DA Fuses





Ignition Switch and Fuse F22DA





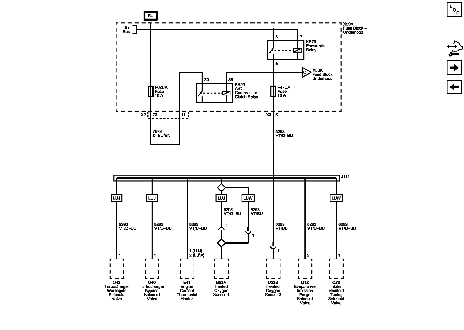
F47UA, F59UA, and F62UA Fuses





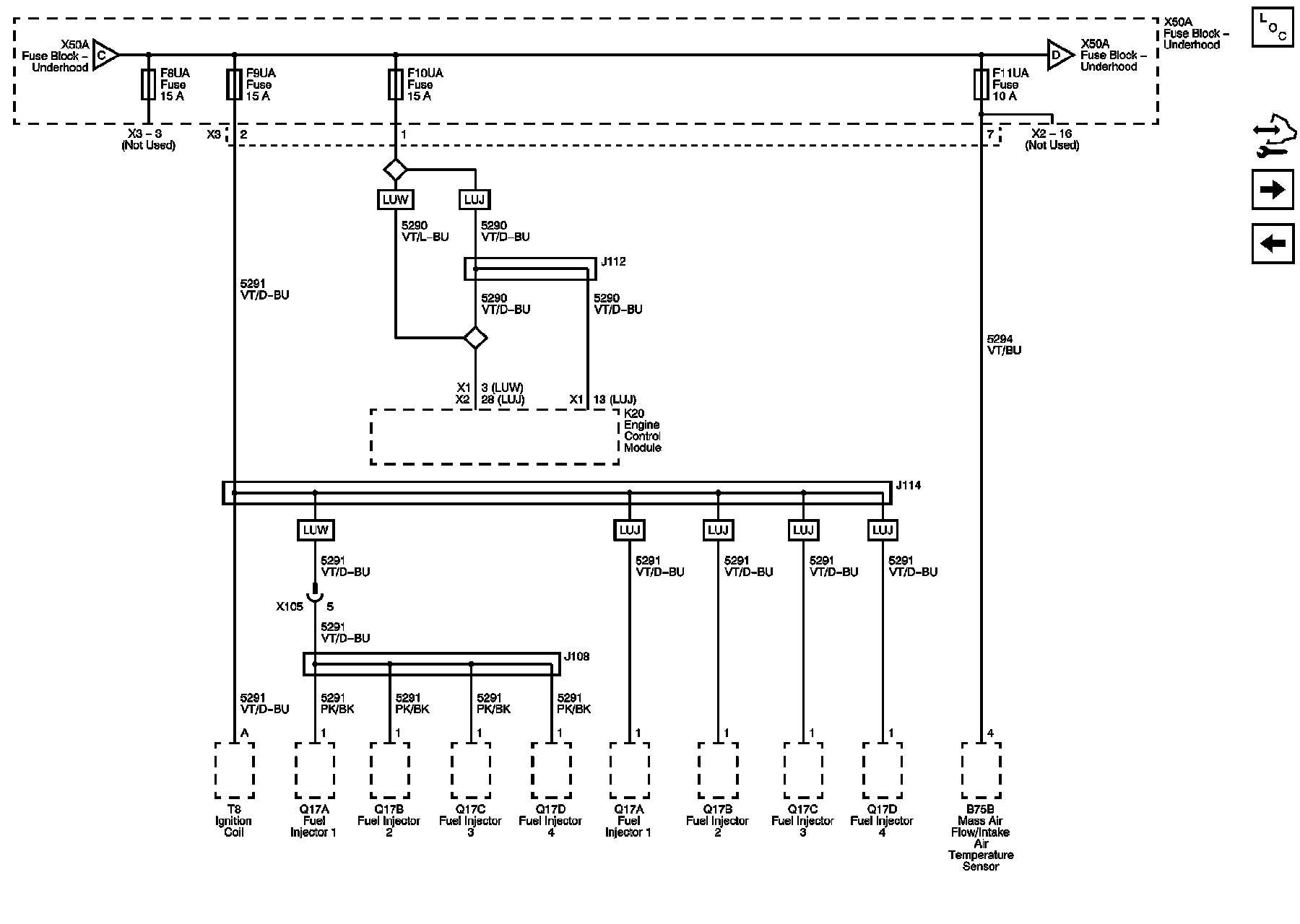
F8UA, F9UA, F10UA, and F11UA Fuses





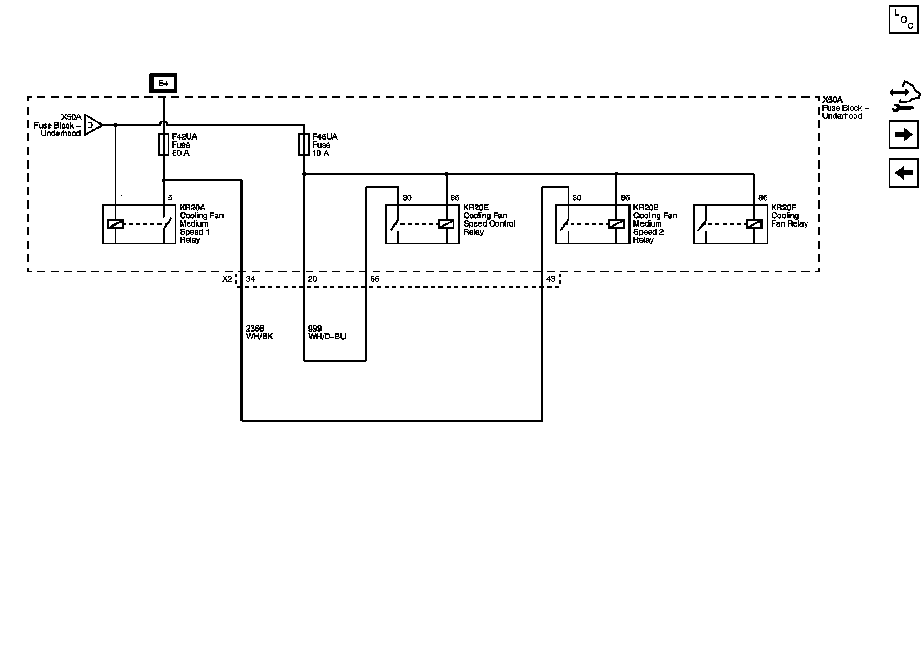
F42UA and F46UA Fuses





F16UA, F17UA, F18UA, F20UA, F52UA, F54UA, and F57UA Fuses





F5UA, F13UA, F53UA, and F65UA Fuses





F28UA, F37UA, F38UA, F51UA, F56UA, and F60UA Fuses





F1DA, F4DA, F5DA, F6DA, and F7DA Fuses